Схема подключения проходного выключателя веркель – Принцип работы проходных и перекрестных переключателей
Принцип работы проходных и перекрестных переключателей
Проходные выключатели представляют собой механизмы, обеспечивающие координацию работы одного источника света из нескольких разных точек. Для освещения помещения обычно использовали типичный выключатель, расположенный у входа. Это стандартный метод, применяемый повсеместно многие десятилетия. Однако сегодня его сложно отнести к разряду экономичных, особенно если учесть последние тенденции в сфере энергосберегающих технологий. Вот почему компании, специализирующиеся на производстве электрических устройств, включают в спектр своих предложений инновационный подход — размещение проходных выключателей. В чем специфика их работы, как их подключать, с какой целью устанавливаются такие механизмы и многое другое интересует современных пользователей. Попробуем разобраться во всем вместе.
Преимущества проходного выключателя
Зачем устанавливать этот механизм? Есть несколько направлений его эксплуатации:

Нередко можно услышать о выключателях с вмонтированным датчиком времени. Да, они тоже помогают сберечь энергоресурсы. Принцип работы этого механизма заключается в том, что задается определенный временной интервал, в продолжение которого электрическая энергия направляется на источник света. И после истечения этого срока он сам выключается.
Это тоже выход. Но лучше предусмотреть максимум бытовых ситуаций. Например, поднимаетесь вы стремительно по ступеням лестницы в подъезде, и времени вполне достаточно для освещения пролета. Но если кто-то идет медленно, с грузом, и где-то в середине пролета свет выключается, в этом, согласитесь, мало приятного.
Кроме того, механизмы с датчиком времени не отличаются надежностью, это доказано в ходе эксплуатации.
Что такое проходной выключатель?
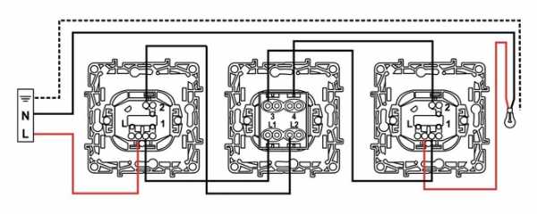
Корректнее будет назвать его переключателем: он содержит не два, а три контакта, позволяющих производить переключение фаз. Этим он принципиально отличен от стандартных аналогов.
Как управлять механизмом из двух точек?
Схема подключения предполагает корректное соединение трех контактов.

Важно! От распределительной коробки к выключателю оптимально прокладывать трехжильный кабель. Так, чтобы в коробку поступало от всех по три провода.
Как подключается этот механизм?
Если координация предполагается из двух зон:- Ведущий к распределительной коробке общий провод снабжен двумя: фазовым и нулевым. Второй присоединяется к жиле, направляемой на осветительный прибор. Фазовый — к аналогичному от какого-то выключателя.
- После этого взаимно соединяются два проходных выключателя, на основе цвета жил. Обычно это красный, зеленый и белый. Белый первого механизма присоединяется к фазе единого провода, потом взаимно скрепляются зеленые и красные провода. Белый от второго выключателя соединяют с контактом светильника.
Каким образом предпочтительнее установить все составляющие? Особо жестких требований для этого нет. Основным принципом монтажа должна быть экономия стройматериалов. Речь о расходе электропровода. Вот почему сначала важно замерить пространство и выбрать правильную зону для монтажа распределительной коробки. Кроме того, стоит учесть, что внутренняя проводка подразумевает штробление стен, размещение кабеля и последующую отделку, чтобы придать пространству эстетичный вид.
На каком принципе это работает?
В системе задействованы три контакта:
Как управлять механизмом из трех зон?
Это тоже вполне возможно. Такой принцип подойдет в пространстве с длинным коридором с несколькими дверями. В такой ситуации удобно ко всем выходам монтировать по отдельному выключателю.

Основные требования инструкции по подключению:
- Механизма понадобится три: проходные с одним перекрестным (соединенным с двумя кнопками).
- Все делается так, как было описано выше (при наличии трех контактов). Перекрестный снабжен четырьмя жилами, и следовательно, столько же у него контактов.
Важно! Число точек управления одной лампой возможно какое угодно. Но есть нюанс – множество точек коммутации (соединения) в распределительной коробке. И, чтобы избежать путаницы, надо корректно маркировать все жилы от разных выключателей.
Как правило, перекрестный выключатель монтируют между проходными и присоединяют поэтапно:
- Проходные соединяют с общим кабелем и светильником по приведенному ранее принципу.
- Перекрестный соединяют по двум проводам с обеих сторон. Поэтому у него четыре выхода, из расчета: по паре на каждый выключатель.
- Внутри него размещено два ключа (это объясняет наличие двух кнопок на панельной поверхности): один присоединяет фазы зеленого цвета, второй — красного. Все они работают автономно.
Заметим еще, что у приборов различных брендов размещение клемм сделано с разными вариациями. Чтобы понять схему подключения, нужно отыскать ее на задней стенке прибора. При ее отсутствии там, нужно изучить упаковку. Если и там нет, следует вскрыть прибор и понажимать клавиши. Вы увидите, какой тумблер к какой клемме относится. Исходя из этого и нужно присоединять кабеля.

Есть дополнительный нюанс. Применяя одну совокупность проходных выключателей, вы можете задействовать различные группы источников света. Так, чтобы по одной цепи координировать работу двух групп ламп, надо применять не одинарные проходные выключатели, а двойные, имеющие две кнопки. Одновременно с этим все будут снабжены шестью контактами: двумя входными, четырьмя промежуточными для взаимного соединения.
Фактически, это пара одинарных механизмов, вмонтированных в единый корпус. Если нужно задействовать обе группы ламп сразу, нажимают одновременно две кнопки на панельной поверхности. Да, в принципах подключения электроприборов этой разновидности разобраться не всегда просто, но вполне реально.
Итоги
Использование проходных выключателей всегда выгодно и экономично, что давно доказано практикой. Это главное предназначение таких приборов. Но, помимо прочего, значительно снижается потребление энергии, и сегодня это особенно актуально. Как было показано в статье, схема подключения проходного выключателя не столь и сложна, поэтому вы сможете выполнить все самостоятельно. Основное, на что нужно обратить внимание, – правильное присоединение контактов друг к другу. Разобраться в этом можно ориентируясь по цвету жил. Все в ваших руках. А выгоду вы ощутите уже скоро!
werkel.pro
Как подключить выключатель Werkel | Полезные статьи
Понравилось видео? Подписывайтесь на наш канал!Выключатель фирмы веркель набирает популярность благодаря простоте и удобству монтажа выключателя. Werkel продумали клипсы Easy Click для крепления механизмов и рамок всех серий Werkel. Для безопасности эксплуатации механизмов использованы токопроводящие элементы из бронзы с добавлением фосфора. Даже при постоянной работе механизм не будет нагреваться.
Как подключить Werkel?
Чтобы не ошибиться, как подключить выключатель, Werkel нанесли на корпус механизма схему монтажа.

Чтобы начать установку выключателя Werkel, понадобятся:
- отвертка (желательно индикаторная, чтобы определить фазный провод),
- монтажная коробка (подрозетник),
- провода из щитка или автомата.
Так как механизм выключателя встраиваемый, то в стене должно быть проделано отверстие для подрозетника и выведены через него провода для установки выключателя. Werkel для точной регулировки многопостовых рамок оснастил механизмы пазами, упрощающими выравнивание и монтаж.
Прежде чем начать работу с электрическим проводом, убедитесь, что система обесточена. Если вы не уверены в своих действиях, лучше обратиться к специалистам.Подключить провода к одноклавишному выключателю Werkel нужно с помощью самозажимных клемм согласно схеме монтажа выключателя Werkel. Важно: электрический провод не должен превышать сечение 2,5 мм.
После подсоединения проводов к механизму выключателя следует закрепить выключатель в стене. Монтаж механизма в стену возможен 3 способами: винтами к монтажной коробке, винтами к стене или с помощью анкерного механизма. Компания Werkel предусмотрела все удобные варианты для вас.
Затем следует закрепить рамку и завершить установку кнопкой выключателя. Поздравляем: вам удалось подключить выключатель Werkel.
Как установить двойной выключатель Werkel?
Принцип подключения двойного выключателя Werkel такой же, как одноклавишного.
Подключить двойной выключатель Werkel следует согласно схеме с помощью самозажимных клемм Werkel. В двойной выключатель подсоединить следует 3 провода (фаза и две группы освещения). Чтобы правильно определить фазный провод следует воспользоваться индикаторной отверткой.
Когда к двойному выключателю Werkel подключены провода, крепим механизм в стену. Фиксируем рамку и поочередно закрепляем клавиши выключателя.
Как снять выключатель веркель?
Если ремонт идет полным ходом, то смонтировать выключатель Werkel окончательно не получится. Так как перед поклейкой обоев или покраской стен, лучше всего снять рамку и кнопки механизма. Чтобы уберечь декоративные части от повреждений, следует первоначально снять кнопки выключателя, потом аккуратно извлечь рамку из пазов. Сам механизм извлекать не нужно, но правильнее будет его закрыть, например, малярным скотчем.
Надеемся, ремонт будет вас радовать с удобной электрикой от Werkel.
cable.ru
Проходной двухклавишный выключатель werkel схема подключения
Понравилось видео? Подписывайтесь на наш канал!
Выключатель фирмы веркель набирает популярность благодаря простоте и удобству монтажа выключателя. Werkel продумали клипсы Easy Click для крепления механизмов и рамок всех серий Werkel. Для безопасности эксплуатации механизмов использованы токопроводящие элементы из бронзы с добавлением фосфора. Даже при постоянной работе механизм не будет нагреваться.
Как подключить Werkel?
Чтобы не ошибиться, как подключить выключатель, Werkel нанесли на корпус механизма схему монтажа. Подробно вы можете познакомиться с инструкцией Werkel в карточке товара на страницах нашего интернет-магазина.
Чтобы начать установку выключателя Werkel, понадобятся:
- отвертка (желательно индикаторная, чтобы определить фазный провод),
- монтажная коробка (подрозетник),
- провода из щитка или автомата.
Так как механизм выключателя встраиваемый, то в стене должно быть проделано отверстие для подрозетника и выведены через него провода для установки выключателя. Werkel для точной регулировки многопостовых рамок оснастил механизмы пазами, упрощающими выравнивание и монтаж.
Прежде чем начать работу с электрическим проводом, убедитесь, что система обесточена. Если вы не уверены в своих действиях, лучше обратиться к специалистам.Подключить провода к одноклавишному выключателю Werkel нужно с помощью самозажимных клемм согласно схеме монтажа выключателя Werkel. Важно: электрический провод не должен превышать сечение 2,5 мм.
После подсоединения проводов к механизму выключателя следует закрепить выключатель в стене. Монтаж механизма в стену возможен 3 способами: винтами к монтажной коробке, винтами к стене или с помощью анкерного механизма. Компания Werkel предусмотрела все удобные варианты для вас.
Затем следует закрепить рамку и завершить установку кнопкой выключателя. Поздравляем: вам удалось подключить выключатель Werkel.
Как установить двойной выключатель Werkel?
Принцип подключения двойного выключателя Werkel такой же, как одноклавишного.
Подключить двойной выключатель Werkel следует согласно схеме с помощью самозажимных клемм Werkel. В двойной выключатель подсоединить следует 3 провода (фаза и две группы освещения). Чтобы правильно определить фазный провод следует воспользоваться индикаторной отверткой.
Когда к двойному выключателю Werkel подключены провода, крепим механизм в стену. Фиксируем рамку и поочередно закрепляем клавиши выключателя.
Как снять выключатель веркель?
Если ремонт идет полным ходом, то смонтировать выключатель Werkel окончательно не получится. Так как перед поклейкой обоев или покраской стен, лучше всего снять рамку и кнопки механизма. Чтобы уберечь декоративные части от повреждений, следует первоначально снять кнопки выключателя, потом аккуратно извлечь рамку из пазов. Сам механизм извлекать не нужно, но правильнее будет его закрыть, например, малярным скотчем.
Надеемся, ремонт будет вас радовать с удобной электрикой от Werkel.
Как подключить выключатель Werkel | Полезные статьи
Понравилось видео? Подписывайтесь на наш канал!
Выключатель фирмы веркель набирает популярность благодаря простоте и удобству монтажа выключателя. Werkel продумали клипсы Easy Click для крепления механизмов и рамок всех серий Werkel. Для безопасности эксплуатации механизмов использованы токопроводящие элементы из бронзы с добавлением фосфора. Даже при постоянной работе механизм не будет нагреваться.
Как подключить Werkel?
Чтобы не ошибиться, как подключить выключатель, Werkel нанесли на корпус механизма схему монтажа. Подробно вы можете познакомиться с инструкцией Werkel в карточке товара на страницах нашего интернет-магазина.
Чтобы начать установку выключателя Werkel, понадобятся:
- отвертка (желательно индикаторная, чтобы определить фазный провод),
- монтажная коробка (подрозетник),
- провода из щитка или автомата.
Так как механизм выключателя встраиваемый, то в стене должно быть проделано отверстие для подрозетника и выведены через него провода для установки выключателя. Werkel для точной регулировки многопостовых рамок оснастил механизмы пазами, упрощающими выравнивание и монтаж.
Прежде чем начать работу с электрическим проводом, убедитесь, что система обесточена. Если вы не уверены в своих действиях, лучше обратиться к специалистам.Подключить провода к одноклавишному выключателю Werkel нужно с помощью самозажимных клемм согласно схеме монтажа выключателя Werkel. Важно: электрический провод не должен превышать сечение 2,5 мм.
После подсоединения проводов к механизму выключателя следует закрепить выключатель в стене. Монтаж механизма в стену возможен 3 способами: винтами к монтажной коробке, винтами к стене или с помощью анкерного механизма. Компания Werkel предусмотрела все удобные варианты для вас.
Затем следует закрепить рамку и завершить установку кнопкой выключателя. Поздравляем: вам удалось подключить выключатель Werkel.
Как установить двойной выключатель Werkel?
Принцип подключения двойного выключателя Werkel такой же, как одноклавишного.
Подключить двойной выключатель Werkel следует согласно схеме с помощью самозажимных клемм Werkel. В двойной выключатель подсоединить следует 3 провода (фаза и две группы освещения). Чтобы правильно определить фазный провод следует воспользоваться индикаторной отверткой.
Когда к двойному выключателю Werkel подключены провода, крепим механизм в стену. Фиксируем рамку и поочередно закрепляем клавиши выключателя.
Как снять выключатель веркель?
Если ремонт идет полным ходом, то смонтировать выключатель Werkel окончательно не получится. Так как перед поклейкой обоев или покраской стен, лучше всего снять рамку и кнопки механизма. Чтобы уберечь декоративные части от повреждений, следует первоначально снять кнопки выключателя, потом аккуратно извлечь рамку из пазов. Сам механизм извлекать не нужно, но правильнее будет его закрыть, например, малярным скотчем.
Надеемся, ремонт будет вас радовать с удобной электрикой от Werkel.
cable.ru
Принцип работы проходных и перекрестных переключателей
Проходные выключатели представляют собой механизмы, обеспечивающие координацию работы одного источника света из нескольких разных точек. Для освещения помещения обычно использовали типичный выключатель, расположенный у входа. Это стандартный метод, применяемый повсеместно многие десятилетия. Однако сегодня его сложно отнести к разряду экономичных, особенно если учесть последние тенденции в сфере энергосберегающих технологий. Вот почему компании, специализирующиеся на производстве электрических устройств, включают в спектр своих предложений инновационный подход — размещение проходных выключателей. В чем специфика их работы, как их подключать, с какой целью устанавливаются такие механизмы и многое другое интересует современных пользователей. Попробуем разобраться во всем вместе.

Преимущества проходного выключателя
Зачем устанавливать этот механизм? Есть несколько направлений его эксплуатации:
Вы входите в спальню, зажигаете верхний свет, затем прикроватную лампу, чтобы полистать журнал или книгу, прежде чем лечь спать. Зато потом вам все равно придется снова вставать, чтобы выключить свет. Но не всегда хочется подниматься из теплой постели. Вот зачем дополнительно под рукой нужен проходной выключатель: для отключения общего света. Если в вашей квартире длинный коридор, можно и здесь монтировать такие механизмы: в начале и в конце. Чтобы войти и сразу включить свет, а по выходе — выключить. Это просто намного удобнее, да и экономичнее. Предыдущий пункт относится и к межэтажным лестничным пролетам. В квартирах с проходной комнатой тоже удобно размещение такого механизма – это позволяет экономить электроэнергию. 
Нередко можно услышать о выключателях с вмонтированным датчиком времени. Да, они тоже помогают сберечь энергоресурсы. Принцип работы этого механизма заключается в том, что задается определенный временной интервал, в продолжение которого электрическая энергия направляется на источник света. И после истечения этого срока он сам выключается.
Это тоже выход. Но лучше предусмотреть максимум бытовых ситуаций. Например, поднимаетесь вы стремительно по ступеням лестницы в подъезде, и времени вполне достаточно для освещения пролета. Но если кто-то идет медленно, с грузом, и где-то в середине пролета свет выключается, в этом, согласитесь, мало приятного.
Кроме того, механизмы с датчиком времени не отличаются надежностью, это доказано в ходе эксплуатации.
Что такое проходной выключатель?
Корректнее будет назвать его переключателем: он содержит не два, а три контакта, позволяющих производить переключение фаз. Этим он принципиально отличен от стандартных аналогов.
Как управлять механизмом из двух точек?
Схема подключения предполагает корректное соединение трех контактов.

Важно! От распределительной коробки к выключателю оптимально прокладывать трехжильный кабель. Так, чтобы в коробку поступало от всех по три провода.
Как подключается этот механизм?
Если координация предполагается из двух зон:
- Ведущий к распределительной коробке общий провод снабжен двумя: фазовым и нулевым. Второй присоединяется к жиле, направляемой на осветительный прибор. Фазовый — к аналогичному от какого-то выключателя.
- После этого взаимно соединяются два проходных выключателя, на основе цвета жил. Обычно это красный, зеленый и белый. Белый первого механизма присоединяется к фазе единого провода, потом взаимно скрепляются зеленые и красные провода. Белый от второго выключателя соединяют с контактом светильника.
Каким образом предпочтительнее установить все составляющие? Особо жестких требований для этого нет. Основным принципом монтажа должна быть экономия стройматериалов. Речь о расходе электропровода. Вот почему сначала важно замерить пространство и выбрать правильную зону для монтажа распределительной коробки. Кроме того, стоит учесть, что внутренняя проводка подразумевает штробление стен, размещение кабеля и последующую отделку, чтобы придать пространству эстетичный вид.
На каком принципе это работает?
В системе задействованы три контакта:
К одному центральному присоединяется фаза. К первому — от единой входной фазы, ко второму — от осветительного прибора. Два других взаимно соединяются жилами аналогичных цветов. В этой схеме базовый контакт – ключ (переключатель), разъединяющий или соединяющий полностью электрическую цепь.
Как управлять механизмом из трех зон?
Это тоже вполне возможно. Такой принцип подойдет в пространстве с длинным коридором с несколькими дверями. В такой ситуации удобно ко всем выходам монтировать по отдельному выключателю.

Основные требования инструкции по подключению:
- Механизма понадобится три: проходные с одним перекрестным (соединенным с двумя кнопками).
- Все делается так, как было описано выше (при наличии трех контактов). Перекрестный снабжен четырьмя жилами, и следовательно, столько же у него контактов.
Важно! Число точек управления одной лампой возможно какое угодно. Но есть нюанс – множество точек коммутации (соединения) в распределительной коробке. И, чтобы избежать путаницы, надо корректно маркировать все жилы от разных выключателей.
Как правило, перекрестный выключатель монтируют между проходными и присоединяют поэтапно:
- Проходные соединяют с общим кабелем и светильником по приведенному ранее принципу.
- Перекрестный соединяют по двум проводам с обеих сторон. Поэтому у него четыре выхода, из расчета: по паре на каждый выключатель.
- Внутри него размещено два ключа (это объясняет наличие двух кнопок на панельной поверхности): один присоединяет фазы зеленого цвета, второй — красного. Все они работают автономно.
Заметим еще, что у приборов различных брендов размещение клемм сделано с разными вариациями. Чтобы понять схему подключения, нужно отыскать ее на задней стенке прибора. При ее отсутствии там, нужно изучить упаковку. Если и там нет, следует вскрыть прибор и понажимать клавиши. Вы увидите, какой тумблер к какой клемме относится. Исходя из этого и нужно присоединять кабеля.

Есть дополнительный нюанс. Применяя одну совокупность проходных выключателей, вы можете задействовать различные группы источников света. Так, чтобы по одной цепи координировать работу двух групп ламп, надо применять не одинарные проходные выключатели, а двойные, имеющие две кнопки. Одновременно с этим все будут снабжены шестью контактами: двумя входными, четырьмя промежуточными для взаимного соединения.
Фактически, это пара одинарных механизмов, вмонтированных в единый корпус. Если нужно задействовать обе группы ламп сразу, нажимают одновременно две кнопки на панельной поверхности. Да, в принципах подключения электроприборов этой разновидности разобраться не всегда просто, но вполне реально.
Итоги
Использование проходных выключателей всегда выгодно и экономично, что давно доказано практикой. Это главное предназначение таких приборов. Но, помимо прочего, значительно снижается потребление энергии, и сегодня это особенно актуально. Как было показано в статье, схема подключения проходного выключателя не столь и сложна, поэтому вы сможете выполнить все самостоятельно. Основное, на что нужно обратить внимание, – правильное присоединение контактов друг к другу. Разобраться в этом можно ориентируясь по цвету жил. Все в ваших руках. А выгоду вы ощутите уже скоро!
werkel.pro
Схема подключения проходного выключателя | Камины и печи Екатеринбург
Проходные выключатели позволяют управлять освещением сразу из двух и более различных мест. В некоторых ситуациях это является не просто дополнительным удобством, но и насущной необходимостью.
Выключатель трехклавишный проходной
Вам предлагается ознакомиться с особенностями работы проходных выключателей, основными вариантами их подключения и непосредственно инструкцией по монтажу.
Зачем нужны проходные выключатели?
Содержание статьи
- 1 Зачем нужны проходные выключатели?
- 2 Схемы установки выключателей
- 3 Схема для контроля освещения из двух мест
- 4 Управление несколькими группами осветительных приборов из двух мест
- 5 Контроль освещения из трех мест
- 5.1 Устанавливаем выключатели для контроля освещения из трех разных мест
- 5.2 Набор для работы
- 5.3 Подготовка штроб и ниш
- 5.4 Устанавливаем выключатели
- 5.5 Видео – Схема подключения проходного выключателя
Установка проходных выключателей
Чаще всего такие переключатели используются в следующих местах:
- на лестницах. Можно установить выключатели на 1-м и 2-м этажах. Внизу включаем свет, поднимаемся по лестнице, вверху выключаем. Для домов высотой более двух этажей в схему можно добавлять дополнительные выключатели;
- в спальнях. Устанавливаем выключатель у входа в помещение, а еще один или даже два возле кровати. Вошли в спальню, включили свет, приготовились ко сну, легли и выключили освещение прибором, установленным возле кровати;
- в коридорах. Устанавливаем по выключателю в начале и в конце коридора. Заходим, включаем свет, доходим до конца, выключаем.
Список можно продолжать очень долго, ведь почти для каждой ситуации существует свой вариант применения системы проходных выключателей.
Схемы установки выключателей
Существует несколько вариантов подключения рассматриваемых устройств. Вашему вниманию предлагаются наиболее популярные и удачные из них.
Схема для контроля освещения из двух мест
Данная схема предназначена для управления освещением из двух мест
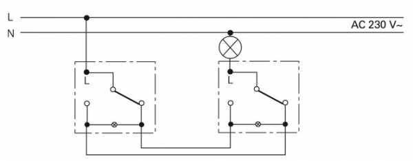
Система собирается из двух проходных переключателей одинарного типа.
У каждого из таких приборов есть один контакт в месте входа и пара контактов на выходе.
В ней используются 2 проходных выключателя одинарного типа
Выключатель
От источника электроэнергии через коробку распределения к осветительному прибору подключается провод «ноля». Кабель фазы, также проходя через коробку, подключается на общий контакт первого переключателя. Выходные же контакты этого переключателя посредствомEAоробки подсоединяются к выходным контактам следующего прибора.
Схема для контроля освещения из двух мест
В завершение провод от общего контакта 2-го выключателя посредством распределительной коробки подключается к осветительному прибору.
Управление несколькими группами осветительных приборов из двух мест
Управление несколькими группами осветительных приборов из двух мест
Существует вариант, позволяющий управлять из двух мест разными группами осветительных приборов. К примеру, нам нужно организовать возможность управления освещением в помещении непосредственно из самой комнаты и из примыкающего коридора. В наличии люстра на 5 лампочек. Мы можем установить систему проходных переключателей для включения и выключения двух групп лампочек в нашей люстре.
Двойной выключатель
Двойной выключатель
На схеме показан вариант разделения лампочек на 2 группы. В одной их 3, во второй – 2. Количество осветительных приборов в группах может меняться на усмотрение владельца.
Для обустройства такой системы также используем 2 проходных переключателя, но они должны быть двойного типа, а не одинарного, как в предыдущем варианте.
Как подключить 2 клавишный проходной выключатель
Конструкция двойного переключателя имеет 2 контакта в месте входа и 4 на выходе. В остальном порядок подсоединения остается аналогичным предыдущему способу, меняется лишь количество кабелей и контролируемых осветительных приборов.
Контроль освещения из трех мест
Контроль освещения из трех мест
От предыдущих вариантов этот метод подключения отличается лишь тем, что в состав схемы добавляется перекрестный переключатель. У этого прибора 2 контакта в месте входа и аналогичное количество контактов на выходе.
Вы ознакомились с наиболее популярными схемами установки проходных выключателей. Однако количество таких приборов вовсе необязательно должно ограничиваться двумя либо тремя. При необходимости схему можно расширять, включая в нее необходимое число приборов. Принцип действий остается одинаковым для всех случаев: в начале и в конце цепи устанавливается по одинарному проходному переключателю с тремя контактами, а в качестве промежуточных элементов используются перекрестные приборы с четырьмя контактами.
Устанавливаем выключатели для контроля освещения из трех разных мест
Если с обустройством системы для контроля освещения из двух разных мест обычно не возникает никаких проблем, т.к. схема имеет простейший вид, то монтаж трех выключателей может вызвать определенные затруднения у неподготовленного монтажника.
Мы рассмотрим порядок установки системы из двух проходных и одного перекрестного переключателя. По аналогии вы сможете собрать цепь из большего количества приборов.
Прежде чем приступать к выполнению каких-либо дальнейших работ, отключите подачу электричества.
Отключаем электричество
Для этого найдите во внутридомовом электрощите либо же в щите на площадке (для владельцев квартир) соответствующий выключатель. Дополнительно убедитесь в отсутствии напряжения в проводах выключателя при помощи специальной индикаторной отвертки. Также выполните аналогичную проверку в местах монтажа приборов.
Схема
Набор для работы
Набор инструментов
- Плоская и крестовая отвертки.
- Инструмент для снятия изоляции с проводов. Можно заменить обычным ножом.
- Бокорезы либо пассатижи.
- Уровень.
- Индикаторная отвертка.
- Перфоратор.
- Рулетка.
Проходные выключатели
Подготовка штроб и ниш
Чтобы установить выключатели, мы должны предварительно подготовить в стене штробы для прокладки электрокабелей, запитать провода и дотянуть их до мест размещения устанавливаемых приборов.
Подготовка штроб и ниш
Для штробления бетонных стен удобнее всего использовать перфоратор. Если перегородки изготовлены из известняка, углубления лучше делать при помощи долота, т.к. в подобном материале от перфоратора останется слишком широкая и глубокая штроба, что сделает фиксацию провода затруднительной и потребует большего расхода цемента либо штукатурки в дальнейшем.
Для штробления стен из кирпича перфоратор использовать не рекомендуется – можно расколоть кладку. В подобной ситуации единственным безопасным решением является укладка кабелей в предварительно приспособленные для этого швы между элементами кладки.
Деревянные стены не штробятся – провода прокладываются в специальных защитных коробах. Чаще всего кабель протягивается под плинтусом и выводится прямо под местом установки выключателя.
Первый шаг. Работу начинаем с подключения проводов к электрощитку. Никаких сложностей на этом этапе возникнуть не должно – современные устройства позволяют заводить сразу до 8 и более проводов.
Важный момент! Предварительно нам нужно определить оптимальное сечение кабеля. Отечественные электросети вряд ли можно назвать стабильными. Сила тока в них постоянно скачет, а в моменты перенагрузки и вовсе возрастает до опасных значений. Чтобы избежать проблем с проводкой, используем медные провода сечением от 2,5 мм2.
Второй шаг. Выбираем удобную высоту установки выключателей. В этом моменте ориентируемся полностью на свои предпочтения.
Третий шаг. Определившись с высотой установки выключателей, приступаем к штроблению. По ширине и глубине штробы делаем в 1,5 раза больше диаметра провода.
Важный момент! Провода подводятся к выключателям снизу, поэтому штробу обустраиваем на 5-10 см ниже точек установки выключателей. Это требование актуально чисто с практической стороны, т.к. в подобных условиях работать с кабелями проще и удобнее.
Четвертый шаг. Укладываем провода в штробы. Фиксируем элементы проводки маленькими гвоздями. Вбиваем гвозди в стену так, чтобы они подпирали кабель и не давали ему выпасть. Перед креплением проводов нам нужно завести их в подвыключатель (установочную коробку). Этот момент рассмотрим в основном разделе инструкции. Штробы заштукатурим уже после установки всех выключателей, убедившись в работоспособности системы.
| 16 | 2х1,5 | 20 | 13 |
| 16 | 3х1,5 | 18 | 13,6 |
| 40 | 2х2,5 | 27 | 14,6 |
| 40 | 3х4 | 32 | 17,6 |
| 63 | 1х10 | 75 | 13,2 |
| 63 | 2х10 | 60 | 21,6 |
| 63 | 3х16 | 70 | 24,9 |
| 100, 160 | 1х16 | 100 | 14,2 |
| 100, 160 | 2х25 | 100 | 27 |
| 100, 160 | 3х25 | 118 | 31,2 |
Пятый шаг. Делаем отверстия для установки выключателей по размерам используемых приборов.
Переходим к основному этапу работы.
Устанавливаем выключатели
Схема подключения двух проходных и одного перекрестного выключателя
Первый шаг. Заводим провода из распределительной коробки в подвыключатель. Обрезаем кабели так, чтобы в монтажной коробке осталось примерно 100 мм их длины. В этом нам помогут бокорезы или пассатижи. С концов проводов снимаем примерно 1-1,5 см изоляции.
Второй шаг. Устанавливаем проходной переключатель. Кабель фазы (в нашем примере он белый) подключаем к клемме с меткой в виде буквы L. Остальные два кабеля подключаем к клеммам, маркированным стрелками.
Установка проходного выключателя
В вашем случае цвет кабелей может отличаться. Не знаете, как выполнена прокладка и соединение проводов в распределительной коробке? Тогда сделайте следующее. Отключите электричество и найдите фазу. Вам поможет индикаторная отвертка. Фазой является кабель под напряжением. Именно его и подключайте к клемме с буквой L, а остальные провода произвольно соединяем с клеммами, маркированными стрелками.
Третий шаг. Выполняем установку перекрестного переключателя. К нему подводится 4 провода. У нас это пара кабелей, каждый из которых имеет жилы голубого и белого цвета.
Подключаем перекрестный переключатель
Разбираемся в порядке маркировки клемм на переключателе. Вверху мы видим пару стрелок, направленных «внутрь» прибора, в низу же они устремляются «от» него.
К клеммам вверху мы подсоединяем первую пару кабелей от установленного ранее проходного выключателя. Остальные два кабеля подключаем на клеммы внизу.
Чтобы найти кабели под напряжением, мы включаем электричество и поочередно находим фазы. Сначала определяем первую, меняя для этого положение клавиши первого проходного выключателя. Следующую фазу находим на кабелях перекрестного переключателя. Далее нам остается лишь подключить оставшиеся жилы к клеммам внизу.
Четвертый шаг. Приступаем к подсоединению последнего переключателя. Нам нужно найти в нем кабели, через которые идет напряжение от перекрестного переключателя. У нас эти кабели имеют голубой и желтый цвет. Подсоединяем их к клеммам, маркированным стрелкам. Остается белый кабель. Его подключаем к клемме, маркированной буквой L.
Переходим к последнему в схеме переключателю
Порядок определения кабелей под напряжением нам уже известен. В случае со вторым переключателем нам нужно подсоединить к L-клемме провод, на котором не будет напряжения.
Пятый шаг. Осторожно вставляем механизмы приборов в монтажные коробки. Провода аккуратно подгибаем к основанию. Закрепляем устройства. В этом нам помогут крепежи в монтажной коробке или же «лапки» зажима механизмов.
Аккуратно устанавливаем механизмы переключателей в установочные коробки
Шестой шаг. Прикладываем рамку каждого выключателя и закрепляем ее застежкой из комплекта.
Прикладываем рамку каждого выключателя и закрепляем ее застежкой из комплекта
Седьмой шаг. Монтируем клавиши переключателей.
Монтируем клавиши переключателей
В завершение нам остается соединить осветительные приборы с проводами, идущими из распределительных коробок, проверить правильность работы системы и заделать штробы.
Удачной работы!
Видео – Схема подключения проходного выключателя
kamburg.ru
Максимальный уровень удобства должен гарантировать не только функциональность выключателя, но и его практичность. По сравнению с одноклавишными проходными выключателями двойные выключатели имеют ряд преимуществ, которые делают их более универсальными.
Проходной двухклавишный (двойной) выключатель по своей сути представляет собой два одинарных проходных выключателя в одном корпусе, которые работают по тому же принципу действия — “перекидывания” контактов. У выключателя имеется 6 контактов (2 входа и 4 выхода).
Выключатель имеет обозначающий указатель, который сообщает положение клавиши для включения света и положение клавиши для выключения света.
При уже включенном свете (без разницы от какого проходного выключателя) можно нажимать на клавишу двойного выключателя и управлять освещением. При этом не имеет значение, в каком положении находилась клавиша данного проходного выключателя.
…
otoplenie-help.ru
Схема подключения проходного выключателя | Екатеринбург
Проходные выключатели позволяют управлять освещением сразу из двух и более различных мест. В некоторых ситуациях это является не просто дополнительным удобством, но и насущной необходимостью.

Выключатель трехклавишный проходной
Вам предлагается ознакомиться с особенностями работы проходных выключателей, основными вариантами их подключения и непосредственно инструкцией по монтажу.
Зачем нужны проходные выключатели?
Содержание статьи
- 1 Зачем нужны проходные выключатели?
- 2 Схемы установки выключателей
- 3 Схема для контроля освещения из двух мест
- 4 Управление несколькими группами осветительных приборов из двух мест
- 5 Контроль освещения из трех мест
- 5.1 Устанавливаем выключатели для контроля освещения из трех разных мест
- 5.2 Набор для работы
- 5.3 Подготовка штроб и ниш
- 5.4 Устанавливаем выключатели
- 5.5 Видео – Схема подключения проходного выключателя

Установка проходных выключателей
Чаще всего такие переключатели используются в следующих местах:
- на лестницах. Можно установить выключатели на 1-м и 2-м этажах. Внизу включаем свет, поднимаемся по лестнице, вверху выключаем. Для домов высотой более двух этажей в схему можно добавлять дополнительные выключатели;
- в спальнях. Устанавливаем выключатель у входа в помещение, а еще один или даже два возле кровати. Вошли в спальню, включили свет, приготовились ко сну, легли и выключили освещение прибором, установленным возле кровати;
- в коридорах. Устанавливаем по выключателю в начале и в конце коридора. Заходим, включаем свет, доходим до конца, выключаем.
Список можно продолжать очень долго, ведь почти для каждой ситуации существует свой вариант применения системы проходных выключателей.
Схемы установки выключателей
Существует несколько вариантов подключения рассматриваемых устройств. Вашему вниманию предлагаются наиболее популярные и удачные из них.
Схема для контроля освещения из двух мест

Данная схема предназначена для управления освещением из двух мест
Система собирается из двух проходных переключателей одинарного типа.
У каждого из таких приборов есть один контакт в месте входа и пара контактов на выходе.

В ней используются 2 проходных выключателя одинарного типа

Выключатель
От источника электроэнергии через коробку распределения к осветительному прибору подключается провод «ноля». Кабель фазы, также проходя через коробку, подключается на общий контакт первого переключателя. Выходные же контакты этого переключателя посредствомEAоробки подсоединяются к выходным контактам следующего прибора.

Схема для контроля освещения из двух мест
В завершение провод от общего контакта 2-го выключателя посредством распределительной коробки подключается к осветительному прибору.
Управление несколькими группами осветительных приборов из двух мест

Управление несколькими группами осветительных приборов из двух мест
Существует вариант, позволяющий управлять из двух мест разными группами осветительных приборов. К примеру, нам нужно организовать возможность управления освещением в помещении непосредственно из самой комнаты и из примыкающего коридора. В наличии люстра на 5 лампочек. Мы можем установить систему проходных переключателей для включения и выключения двух групп лампочек в нашей люстре.

Двойной выключатель

Двойной выключатель
На схеме показан вариант разделения лампочек на 2 группы. В одной их 3, во второй – 2. Количество осветительных приборов в группах может меняться на усмотрение владельца.
Для обустройства такой системы также используем 2 проходных переключателя, но они должны быть двойного типа, а не одинарного, как в предыдущем варианте.

Как подключить 2 клавишный проходной выключатель
Конструкция двойного переключателя имеет 2 контакта в месте входа и 4 на выходе. В остальном порядок подсоединения остается аналогичным предыдущему способу, меняется лишь количество кабелей и контролируемых осветительных приборов.
Контроль освещения из трех мест

Контроль освещения из трех мест
От предыдущих вариантов этот метод подключения отличается лишь тем, что в состав схемы добавляется перекрестный переключатель. У этого прибора 2 контакта в месте входа и аналогичное количество контактов на выходе.
Вы ознакомились с наиболее популярными схемами установки проходных выключателей. Однако количество таких приборов вовсе необязательно должно ограничиваться двумя либо тремя. При необходимости схему можно расширять, включая в нее необходимое число приборов. Принцип действий остается одинаковым для всех случаев: в начале и в конце цепи устанавливается по одинарному проходному переключателю с тремя контактами, а в качестве промежуточных элементов используются перекрестные приборы с четырьмя контактами.
Устанавливаем выключатели для контроля освещения из трех разных мест
Если с обустройством системы для контроля освещения из двух разных мест обычно не возникает никаких проблем, т.к. схема имеет простейший вид, то монтаж трех выключателей может вызвать определенные затруднения у неподготовленного монтажника.
Мы рассмотрим порядок установки системы из двух проходных и одного перекрестного переключателя. По аналогии вы сможете собрать цепь из большего количества приборов.
Прежде чем приступать к выполнению каких-либо дальнейших работ, отключите подачу электричества.
Отключаем электричество
Для этого найдите во внутридомовом электрощите либо же в щите на площадке (для владельцев квартир) соответствующий выключатель. Дополнительно убедитесь в отсутствии напряжения в проводах выключателя при помощи специальной индикаторной отвертки. Также выполните аналогичную проверку в местах монтажа приборов.

Схема
Набор для работы

Набор инструментов
- Плоская и крестовая отвертки.
- Инструмент для снятия изоляции с проводов. Можно заменить обычным ножом.
- Бокорезы либо пассатижи.
- Уровень.
- Индикаторная отвертка.
- Перфоратор.
- Рулетка.

Проходные выключатели
Подготовка штроб и ниш
Чтобы установить выключатели, мы должны предварительно подготовить в стене штробы для прокладки электрокабелей, запитать провода и дотянуть их до мест размещения устанавливаемых приборов.

Подготовка штроб и ниш
Для штробления бетонных стен удобнее всего использовать перфоратор. Если перегородки изготовлены из известняка, углубления лучше делать при помощи долота, т.к. в подобном материале от перфоратора останется слишком широкая и глубокая штроба, что сделает фиксацию провода затруднительной и потребует большего расхода цемента либо штукатурки в дальнейшем.
Для штробления стен из кирпича перфоратор использовать не рекомендуется – можно расколоть кладку. В подобной ситуации единственным безопасным решением является укладка кабелей в предварительно приспособленные для этого швы между элементами кладки.
Деревянные стены не штробятся – провода прокладываются в специальных защитных коробах. Чаще всего кабель протягивается под плинтусом и выводится прямо под местом установки выключателя.
Первый шаг. Работу начинаем с подключения проводов к электрощитку. Никаких сложностей на этом этапе возникнуть не должно – современные устройства позволяют заводить сразу до 8 и более проводов.
Важный момент! Предварительно нам нужно определить оптимальное сечение кабеля. Отечественные электросети вряд ли можно назвать стабильными. Сила тока в них постоянно скачет, а в моменты перенагрузки и вовсе возрастает до опасных значений. Чтобы избежать проблем с проводкой, используем медные провода сечением от 2,5 мм2.
Второй шаг. Выбираем удобную высоту установки выключателей. В этом моменте ориентируемся полностью на свои предпочтения.
Третий шаг. Определившись с высотой установки выключателей, приступаем к штроблению. По ширине и глубине штробы делаем в 1,5 раза больше диаметра провода.
Важный момент! Провода подводятся к выключателям снизу, поэтому штробу обустраиваем на 5-10 см ниже точек установки выключателей. Это требование актуально чисто с практической стороны, т.к. в подобных условиях работать с кабелями проще и удобнее.
Четвертый шаг. Укладываем провода в штробы. Фиксируем элементы проводки маленькими гвоздями. Вбиваем гвозди в стену так, чтобы они подпирали кабель и не давали ему выпасть. Перед креплением проводов нам нужно завести их в подвыключатель (установочную коробку). Этот момент рассмотрим в основном разделе инструкции. Штробы заштукатурим уже после установки всех выключателей, убедившись в работоспособности системы.
| Ном. ток, А | Сечение кабеля, мм2 | Допустимый ток кабеля, А | Наружный диаметр кабеля, мм |
|---|---|---|---|
| 16 | 2х1,5 | 20 | 13 |
| 16 | 3х1,5 | 18 | 13,6 |
| 40 | 2х2,5 | 27 | 14,6 |
| 40 | 3х4 | 32 | 17,6 |
| 63 | 1х10 | 75 | 13,2 |
| 63 | 2х10 | 60 | 21,6 |
| 63 | 3х16 | 70 | 24,9 |
| 100, 160 | 1х16 | 100 | 14,2 |
kamburg.ru
Двухклавишный выключатель werkel как подключить
Понравилось видео? Подписывайтесь на наш канал!
Выключатель фирмы веркель набирает популярность благодаря простоте и удобству монтажа выключателя. Werkel продумали клипсы Easy Click для крепления механизмов и рамок всех серий Werkel. Для безопасности эксплуатации механизмов использованы токопроводящие элементы из бронзы с добавлением фосфора. Даже при постоянной работе механизм не будет нагреваться.
Как подключить Werkel?
Чтобы не ошибиться, как подключить выключатель, Werkel нанесли на корпус механизма схему монтажа. Подробно вы можете познакомиться с инструкцией Werkel в карточке товара на страницах нашего интернет-магазина.
Чтобы начать установку выключателя Werkel, понадобятся:
- отвертка (желательно индикаторная, чтобы определить фазный провод),
- монтажная коробка (подрозетник),
- провода из щитка или автомата.
Так как механизм выключателя встраиваемый, то в стене должно быть проделано отверстие для подрозетника и выведены через него провода для установки выключателя. Werkel для точной регулировки многопостовых рамок оснастил механизмы пазами, упрощающими выравнивание и монтаж.
Прежде чем начать работу с электрическим проводом, убедитесь, что система обесточена. Если вы не уверены в своих действиях, лучше обратиться к специалистам.Подключить провода к одноклавишному выключателю Werkel нужно с помощью самозажимных клемм согласно схеме монтажа выключателя Werkel. Важно: электрический провод не должен превышать сечение 2,5 мм.
После подсоединения проводов к механизму выключателя следует закрепить выключатель в стене. Монтаж механизма в стену возможен 3 способами: винтами к монтажной коробке, винтами к стене или с помощью анкерного механизма. Компания Werkel предусмотрела все удобные варианты для вас.
Затем следует закрепить рамку и завершить установку кнопкой выключателя. Поздравляем: вам удалось подключить выключатель Werkel.
Как установить двойной выключатель Werkel?
Принцип подключения двойного выключателя Werkel такой же, как одноклавишного.
Подключить двойной выключатель Werkel следует согласно схеме с помощью самозажимных клемм Werkel. В двойной выключатель подсоединить следует 3 провода (фаза и две группы освещения). Чтобы правильно определить фазный провод следует воспользоваться индикаторной отверткой.
Когда к двойному выключателю Werkel подключены провода, крепим механизм в стену. Фиксируем рамку и поочередно закрепляем клавиши выключателя.
Как снять выключатель веркель?
Если ремонт идет полным ходом, то смонтировать выключатель Werkel окончательно не получится. Так как перед поклейкой обоев или покраской стен, лучше всего снять рамку и кнопки механизма. Чтобы уберечь декоративные части от повреждений, следует первоначально снять кнопки выключателя, потом аккуратно извлечь рамку из пазов. Сам механизм извлекать не нужно, но правильнее будет его закрыть, например, малярным скотчем.
Надеемся, ремонт будет вас радовать с удобной электрикой от Werkel.
Перед покупкой и установкой двухклавишного выключателя в первую очередь нужно определиться, для чего он вообще нужен? А предназначен он для управления двумя контурами освещения из одной точки.
Не путайте его с проходными переключателями, которые играют другие роли. Различаются они между собой количеством контактов. Поэтому при выборе смотрите прежде всего не на лицевую панель, а на обратную сторону выключателя.
двухклавишный проходной выключатель света
двухклавишный простой выключатель
Допустим если у вас в люстре 2 лампочки и более, с помощью двухклавишного выключателя можно сделать так, чтобы при нажатии одной клавиши включалась только половина ламп, а при нажатии второй, сразу все остальные.
Также им можно управлять двумя разными светильниками расположенными в отдельных друг от друга точках — например бра подсветки в разных концах комнаты или вообще в другой комнате. 
Отличается двухклавишник от своего одноклавишного аналога не только количеством переключателей, но и самое главное — количеством контактов. Здесь их всего 3 штуки. Один общий и два отходящих. Через них фаза разделяется и далее отдельными проводами опять возвращается в соединительную коробку или напрямую идет к светильникам.
Заметьте , что для монтажа двойного выключателя понадобится как минимум трехжильный провод, даже если у вас в электропроводке квартиры нет заземляющего защитного проводника PE.
Монтаж двухклавишного выключателя света и подключение проводов
Ничего сложного в схеме подключения и в самом процессе установки, монтажа и соединении проводов к контактам выключателя нет. В первую очередь выключатель нужно разобрать. Для этого демонтируете сами клавиши. Если не получается это сделать вручную, просто потянув их на себя, воспользуйтесь обыкновенной отверткой, поддев клавиши с боку.
Далее идет изолирующая декоративная подложка, она может быть либо на защелках или прикручена винтом. Убираете эту рамку.
В итоге у вас в руках остается сам корпус с креплениями по бокам и внутренняя контактная часть. Основная задача заключается в подаче напряжения с фазного проводника на общий контакт. Далее при замыкании двух клавиш эта фаза будет расходиться на один или другой контур освещения.
Чтобы найти центральный контакт смотрите на маркировку, так как не всегда он может располагаться именно в одиночестве и по центру.
А что делать если вы не разбираетесь в надписях или они стерты и закрашены? Тогда нужно воспользоваться контактной отверткой тестером с функцией прозвонки на батарейках.
Вставляете в предполагаемый общий контакт любой металлический предмет (гвоздик, винт). Обхватываете его пальцами, а к двум другим контактам прикасаетесь отверткой.
При поочередном нажатии клавиш, то есть включаете одну — проверяете, затем выключаете первую и включаете вторую — проверяете, светодиод отвертки должен каждый раз светиться. Если этого не происходит, значит это не общий контакт.
Когда разобрались с контактной частью выключателя, берете трехжильный кабель ВВГнг 3*1,5. Желательно чтобы цвета жил кабеля соответствовали цветовой маркировке по ГОСТ. Как определить по цвету какой проводник должен быть фазным, а какой нулевым можно прочитав статью «Как различать провода по цвету«.
Для подключения общего контакта используйте приходящую из распредкоробки фазу проводника серого цвета. Зачищаете конец жилы, заводите между контактных пластин и зажимаете винт отверткой.
Далее подключаете два других провода в кабеле на отходящие контактные разъемы.
Подключение проводников непосредственно к самому двухклавишному выключателю на этом завершено. Вставляете корпус в монтажную коробку и затягиваете крепежные винты.
Потом закручиваете два распорочных винта, которые помогают крепежной вилке с зубчиками максимально упереться в стенки коробки и прочно удерживать корпус выключателя внутри нее. После этого можно вернуть на место все декоративные рамки и сами клавиши.
Монтаж соединений двухклавишного выключателя в распредкоробке
В распаечную или распределительную коробку могут заходить следующие кабеля:
- питающий кабель от автомата в щитке
- кабель спускающийся к выключателю
- один (если у вас люстра с двумя контурами освещения) или два кабеля (если светоточки находятся в разных местах) на отходящие светильники
Чтобы не запутаться соблюдайте следующую очередность:
В первую очередь подключайте все нулевые проводники. Они как правило синего цвета. Ноль не проходит через двухклавишный выключатель и поступает напрямую от щитка на светильник, через соединения в распредкоробке.
Все зачищенные жилы можно соединить с помощью быстрозажимных клемм Wago. Хотя у всех к ним разное отношение, но именно для цепей освещения с минимальными нагрузками, они идеальный вариант.
Далее по порядку идет защитное заземление. Это желто зеленый провод. Если у вас заземляющего проводника в квартире нет или корпус светильника изолированный, а кабель двухжильный, то соответственно и этого соединения в распаечной коробке не будет.
Остается подключить фазные проводники. Здесь нужно быть предельно внимательным. Сначала зажимаете в клемнике Ваго фазу, которая приходит с питающего автомата. Затем в эту же клемму заводите жилу, которая идет от общего фазного контакта двухклавишного выключателя.
У вас должно остаться 4 свободные не подключенные жилы. Две из них — это проводка которая идет до люстры или бра, а другие две жилы — фазы подключенные на нижние отходящие контакты двухклавишника. Берете еще два зажима и ПООТДЕЛЬНОСТИ подключаете через них эти проводники. Тем самым вы подсоедините два контура освещения на светильники не зависимо друг от друга.
Подключение на люстре или светильнике
В светильнике или люстре для подключения используются как правило клеммные колодки. Заводите на них жилы кабеля отходящего из распредкоробки согласно цветовой маркировки.
Заводской светильник обязан иметь жилы именно того цвета которые прописаны в правилах. Фаза — серый или темного цвета проводник должна заходить на центральный контакт лампы, а ноль — синего цвета на сам цоколь лампочки.
Заземление желто-зеленой расцветки может крепиться как на клемму, так и непосредственно под винт на корпусе.
Источники — Кабель.РФ
Ошибки при подключении двухклавишного выключателя
Первая ошибка которую может допустить неграмотный специалист — это завести на выключатель не фазу, а ноль.
Запомните: выключатель должен всегда разрывать фазный проводник, и ни в коем случае не нулевой.
В противной ситуации фаза у вас постоянно будет дежурить на цоколе люстры. И элементарная замена лампочки может закончиться весьма трагично.
Кстати здесь есть еще одни нюанс из-за которого даже опытные электрики могут сломать себе голову. Например, вы захотели проверить непосредственно на контактах люстры — приходит туда фаза через выключатель или ноль. Отключаете двухклавишник, китайским чувствительным индикатором прикасаетесь к контакту на люстре — а он светится! Хотя вы и собрали схему верно.
В чем может быть дело? А причина кроется в подсветке, которыми все чаще комплектуются переключатели.
Небольшой ток даже в выключенном состоянии все равно течет через светодиод, подавая потенциал на контакты светильника.
Кстати именно это является одной из причин мигания светодиодных ламп в выключенном состоянии. Как с этим бороться можно узнать из статьи «6 способов решить проблему мигающих светодиодных ламп». Чтобы избежать такой ошибки нужно воспользоваться не китайским индикатором, а мультиметром в режиме замера напряжения.
Вторая ошибка — когда фазный питающий проводник заводится не на общий контакт выключателя, а на один из отходящих. В этом случае схема не будет работать как надо. Все лампочки будут светиться только если вы нажмете две клавиши одновременно. А вот если нажать только на ту клавишу на которую фаза не приходит изначально, то люстра вообще не загорится.
Если вы въехали в новую квартиру, где люстру подключали не вы, и ведет она себя таким странным образом, то есть не реагирует как положено на переключатели двухклавишника, то дело скорее всего именно в таком ошибочном монтаже питающих проводов. Смело разбирайте выключатель и проверяйте общий контакт.
Если у вас выключатель с подсветкой, косвенным признаком такого неправильного подключения может служить не работоспособность неоновой лампочки. Почему косвенным? Так как здесь все зависит от того, на какую именно клавишу вы заведете фазу.
Третьей распространенной ошибкой является подключение нулевого провода на люстре не к общему нулю в распредкоробке, а к одному из проводов фазы. Чтобы избежать этого применяйте и соблюдайте цветовую маркировку проводов, а еще лучше если не доверяете цветам, перед включением светильника проверяйте подачу напряжения используя качественный индикатор или мультиметр.
stroyka-electro.ru
Как подключить переключатель (проходной выключатель)
Переключатели используются для включения и выключения света с двух мест.
Внизу на рисунке схема.

Любой из этих переключателей может включить или выключить лампочку. Когда они оба находятся в одинаковом положении, вверху или внизу — лампочка горит. Если они находятся в противоположных положениях, лампочка не горит. Т.е в отличии от выключателя, у переключателя нет определенного положения, показывающего включен он, или выключен. Он может быть включен и в верхнем положении, и в нижнем.
Несколько примеров подключения переключателей различных производителей.
Cхема подключения переключателей Legrand серии Valena, Galea Life.

Схема подключения переключателей Legrand Celiane:
Схема подключения переключателей Legrand серии Etika

Схема подключения переключателей Gira. На схеме добавлены лампочки подсветки.

Схема подключения переключателей Jung.

Схема подключения переключателей Schneider Electric серии Unica

Схема подключения переключателей Schneider Electric серии Odace

КАК ПОДКЛЮЧИТЬ ПРОХОДНОЙ ОДНОКЛАВИШНЫЙ ВЫКЛЮЧАТЕЛЬ SCHNEIDER ELECTRIC СЕРИИ ATLAS DESIGN
Схема подключения переключателей Bticino.
Подключение переключателей Bticino (лампочки работают в режиме подсветки).

Подключение переключателей Bticino (лампочки работают в режиме индикации включения).

Схема подключения переключателей (проходныых выключателей) ABB Zenit:

Как подключить (схема подключения) переключатели (проходные выключатели) ABB Basic55:

Схема подключения переключателей (проходныых выключателей) Anam

На главную страницу
xn--80acmllexpcq1j.xn--p1ai
схема подключения проходного выключателя веркель — Video
Как подключить двухклавишный выключатель? Как установить в подрозетник?
| 336.341 | 20/01/2017 |
Помощь Каналу. PrivatBank: 4731 1856 1275 3977. Donation Alers: https://www.donationalerts.ru/r/tarasalexandrovich Как подключить и установить двухклавишный выключатель в подрозетник? Это очень просто! Об это я подробно расскажу в этом видео. Схема подключения двухклавишного выключателя. С распределительной коробкой. http://tokzamer.ru/sites/default/files/img/shema_2_klav_vykl_anim.gif Какие выключатели, розетки лучше. Как выбрать?Какой подрозетник? Ссылка на видео про лампочки LED. Ссылка на канал YouTube. Подписывайтесь. https://www.youtube.com/channel/UC6bjsSi3l9e7pSMZc24ffTw Ссылка на страницу Вконтакте. https://vk.com/id376467371 Ссылка на страницу Facebook. https://www.facebook.com/profile.php?id=100004722334302 Материал из Википедии — свободной энциклопедии. Выключатель бытовой Бытово́й выключа́тель — это двухпозиционный коммутационный аппарат с нормально-разомкнутыми контактами, предназначенный для работы в сетях с напряжением до 1000 вольт, не предназначенный для отключения токов короткого замыкания, без специальных устройств дугогашения, местного управления, с ручным приводом. Остальные характеристики этого выключателя, такие как рабочий ток, степень влаго-, пыле- и взрывозащищённости (IP), климатическое исполнение, способ установки, материал контактов — определяются производителем и зависят от конкретной модели. Более того, для бытового выключателя актуально конструктивное исполнение — для внутренней установки (встраиваемым в стену, для скрытой проводки) или для внешней установки (устанавливаемым на стену, для открытой проводки). В основном применяются для включения и выключения освещения (люстр, плафонов). Для этой же цели в продаже появились выключатели с плавным управлением освещённости: светорегуляторы, диммеры, триммеры. Виды Выключатели бывают самыми разнообразными по конструкции, их виды зависят от назначения, числа замкнутых электрических цепей и величины тока, которую они способны пропустить. В быту, как правило, используются выключатели на напряжение до 250 В, и максимальный ток 4, 6 либо 10 А (реже встречаются и другие значения). Основные виды (для бытовых целей). Клавишные Это привычные нам выключатели с клавишей. В России верхнее положение клавиши соответствует включенному свету, а нижнее — выключенному (хотя иногда выключатели случайно устанавливают перевёрнутыми). Так повелось со времени изобретения рубильников из-за их конструктивных особенностей. Аналогичная ориентация выключателя также принята в США и Канаде. Во Франции, Германии, Китае, Англии, Австралии, Новой Зеландии и Ирландии общепринятой является обратная ориентация выключателя, когда цепь замыкается в нижнем положении клавиши. Некоторые выключатели такого типа могут также иметь световые индикаторы, позволяющие быстро отыскать их в темноте.
vilook.com
