Уклон водостока на 1 метр снип: Уклон водосточного желоба на 1 метр его длины
Уклон водосточного желоба на 1 метр его длины
Каким в теории должен быть правильный уклон водосточного желоба на 1 метр длины? Эта простенькая на первый взгляд задачка иногда ставит в тупик неопытного застройщика. Между тем ответ прост. Он давно прописан в СНИП и подтвержден практическим использованием систем водостока.
К монтажу подобной системы следует отнестись со всей ответственностью. Ведь что произойдет при неправильной установку или выборе неправильного угла наклона? Медленное разрушение стены и фундамента. Это крайне неприятные вещи.
Для начала нужно определиться: простой уклон мы будем проектировать или двойной? Здесь имеются такие рекомендации.
- Если длина рабочей зоны водосточного желоба составляет менее 24 м — можно применить конструкцию А (простого уклона).
- Если эта цифра больше 24 м — рекомендуется к использованию двойной уклон водосточного желоба (вариант В).

Теперь чистая конкретика.
- Итак, существует ли минимальное значение уклона водосточного желоба на 1 метр его длины? Да, оно равно 1 мм на 1 метр погонный всей конструкции.
- А есть ли средняя цифра? Тоже есть. Рекомендуемый уклон должен составлять 2-3 мм на 1 метр.
Таким образом, если длина ската равна, допустим, 10 метрам, то перепад высот между крайними кронштейнами должен быть равен 20-30 мм.
Это общепринятые параметры. Почему так важно их соблюдать? Почему нельзя выйти за пределы этих показателей?
- Если угол наклона будет слишком велик, принимающая воронка водостока просто не справится с таким потоком воды.
- Если он будет мал, влага застоится в желобе. И если в теплое время это не столь критично, то в зимнее масса снега и льда вполне способна вывести всю конструкцию из строя.
Вот почему нужно неукоснительно придерживаться при монтаже приведенных параметров. На практике это выглядит так.
Монтируется кронштейн в самой высокой точке водостока. Затем в самой нижней с таким расчетом, чтобы выдержать озвученные выше значения. Затем между этими крайними крюками натягивается шнур, и по нему выставляются остальные кронштейны.
Кстати, о шаге крюков. Если система из пластика, он обычно равен 500-600 мм. Если из металла — 750-1500 мм.
Это то, что надо знать об уклоне водосточного желоба на 1 метр погонный его общей длины.
Популярные статьи
Жилой дом прослужит долгие годы своим владельцам только в том случае, если позаботиться о правильном устройстве и функционировании водостока. Именно водосточная система является неотъемлемой частью кровли и не позволяет застаиваться на ее поверхности осадкам или талой воде, а вовремя отводит их с крыши. Кроме того, желоба и трубы не дают попадать влаги на фундамент либо фасад, также сохраняя их целостность и способность противостоять негативным условиям среды много лет. Грамотно организованный сток воды позволит продлить эксплуатационный период строения и сэкономить на наружных ремонтных и восстановительных работах. Чтобы система действительно справлялась со своей задачей эффективно, необходимо знать, каким должен быть уклон водосточного желоба, а также как правильно монтировать элементы водоотвода.
Элементы водосточной системы
Водосток – это система элементов, требующая четкой последовательности при установке. Такая конструкция для сбора и отвода воды имеет довольно большое число комплектующих. Чтобы установка прошла правильно и быстро, стоит более детально рассмотреть все составные части водоотвода. Комплектация в зависимости от условий может меняться, однако, наиболее распространенными считаются водосточные системы со следующим набором элементов:
- водосточный желоб – открытый сверху канал, закрепляемый в горизонтальной плоскости, его предназначение сводится к собиранию воды и направлению ее к трубе;
- водосточная труба – отвечает за отвод дождевых вод, закрепляется в вертикальном положении, это не единый элемент, а составной, то есть собирается из более мелких частей, таких как звенья и крепежи;
- кронштейн для желоба – предназначен для фиксации желоба, а также для регулирования уровня его наклона, подбирается элемент в соответствии с размерами водосточного желоба, и может иметь различный диаметр и длину, устанавливаются кронштейны через каждые полметра;
- заглушки – элементы предназначены для закрытия желоба с торца, исключают протечки конструкции, а также придают желобу жесткость, бывают полукруглыми или прямоугольными, выпускаются трех модификаций по варианту монтажа – универсальные и лево- либо правосторонние;
- водоприемная воронка – часть для сбора воды и направления ее в трубу, соединяет желоб и водосточную трубу;
- листвоуловитель – это решетка, защищающая систему от забивания ветками, листьями и прочим возможным мусором, считается необходимым элементом, так как без нее водосток утратит эффективность и часть воды будет оставаться на крыше;
- муфты – соединительные детали, необходимые для сборки элементов водостока в общую конструкцию, также могут быть использованы для увеличения длины трубы;
- тройники – детали, позволяющие произвести разветвление водостока;
- сливное колено – концевая часть водосточной трубы, через которую вода выводится наружу и направляется в ливневую канализацию либо в желоб на земле для отвода воды от фундамента;
- обводы – необходимы в том случае, если труба должна пройти мимо выступов, то есть предназначены для поворота водосточной трубы;
- хомуты – крепежные части, фиксирующие трубу к стене, и не допускающие отклонения по вертикали, в зависимости от материала фасада, следует выбирать и специализированные кольца для крепления, отличаемые вариантом заклепок.
Это основные элементы системы отводы воды, которые необходимо приобрести, планируя самостоятельный монтаж. Также при установке водостока следует знать, каким может быть минимальный уклон водосточного желоба и на что влияет данный показатель.
Особенности монтажа водостока
Монтируется водосточная система после того, как завершены фасадные работы, но на крыше еще не произведена установка финишного покрытия. Для эффективного функционирования водосточной системы, необходимо грамотно установить желоб на кровле. Выбирается форма и конструкция лотка в зависимости от годового количества осадков, а также конфигурации крыши дома. В частности, чем больше сечение желоба, тем большее количество осадков он сможет отвести. Монтируется сток, как по периметру всего строения, для этого стоит приобретать не только прямые элементы желоба, но и угловые части, которые будут огибать углы, так и только на одном из скатов, в этом случае необходимо использовать торцевые заглушки. Важно знать, что уклон водосточного желоба на 1 метр по нормативным документам должен составлять не менее 1-2 мм. Этот параметр по СНиПам является минимальным, так как если выполнить монтаж строго в горизонтальном положении, то возникнут проблемы с движением воды, она будет застаиваться и переливаться за края лотка на поверхность крыши.
Особенность водостока в том, что движение талых и дождевых вод происходит под действием естественных сил, без необходимости приобретать дополнительное оборудование. Жидкость по желобу от высокой точки перемещается к минимальной, то есть наклон должен быть устроен в сторону воронки. Рекомендованный уклон желоба водостока составляет 0,3-0,5 см на каждый погонный метр лотка. То есть при общей длине желоба в 6 м, одна сторона будет выше другой примерно на 2-3 см. Чтобы уклон водостока получился плавным, кронштейны должны быть установлены строго на определенной высоте. Добиться этого можно наиболее простым методом: для начала фиксируются первый и последний держатель с соответствующим углом, а затем между ними протягивается строительный шнур либо нить и уже по линии устанавливаются остальные кронштейны с шагом в 50-70 см. Также можно ориентироваться на то, что каждый следующий кронштейн должен быть выше предыдущего на 2-3 мм. Стоит иметь в виду, что если лоток не единый, а сборный, то стоит увеличить угол водосточного желоба. Это связано с тем, что вода на своем пути будет встречать соединяющие швы, которые снизят скорость ее движения.
Видео по теме:
Важно понимать, что водосток необходим для любого жилого строения вне зависимости от его конфигурации. Монтировать же водосточный желоб следует по правилам, установленными нормативными документами и подтвержденными на практике. Только в таком случае система справится со своей функцией наиболее эффективно и защитит дом от губительного воздействия влаги.
Посмотрите еще статьи:
Содержание статьи:
Назначение водосточной системы – отвод воды с крыш зданий и сооружений. Состоит она из двух частей: горизонтальной и вертикальной. Первая – это желоба, уложенные под краем кровельного материала под определенным углом. Вторая – вертикально установленные трубы. Соединяются обе части между собой приемными воронками. Главная характеристика системы – угол наклона водосточного желоба.
Для чего нужен уклон

Уклон необходим для беспрепятственной транспортировки воды к водосточным трубам
Наклонная плоскость является причиной движения жидкости. В вертикальных трубах востока она будет перемещаться без проблем. Чтобы происходило ее стекание по желобам первой части водосточной системы, их надо уложить под наклоном. Если этого не сделать, вода будет собираться в желобах, застаиваться там, а при накоплении переливаться через края лотков, заливая стены и фундамент здания.
Есть и противоположная сторона ситуации. Если угол наклона водостока будет большим, это в первую очередь испортит фасад дома. Система отвода воды с крыш будет выделяться не лучшим образом.
Отвод воды в данном случае будет происходить максимально эффективно. Но в месте стыковки желобов с вертикальными трубами будет скапливаться большой объем воды, который трубы могут не принять полностью, может произойти тот же перелив. Проблему можно решить установкой приемных воронок большего размера. Но это также скажется на внешнем виде фасада.
Оптимальный угол наклона
Движение воды может происходить уже при угле наклона в 1° – это 1 мм смещения одного из краев желоба по вертикали относительно противоположной стороны с учетом длины лотка в 1 м. Но для водосточной системы этот параметр критичный, особенно когда идет ливень. Никто не запрещает этот показатель использовать в процессе проектирования или монтажа водостока, но горизонтальная часть водостока с большим потоком жидкости в данном случае не справиться.
Существуют рекомендуемые нормативы:
- минимальный уклон желобов водосточной системы – 3 мм;
- максимальный – 5 мм.
Угол наклона выбирают в зависимости диаметра устанавливаемых желобов. Зависимость такая: чем больше диаметр, тем меньше наклон горизонтальной части водосточной системы.
Уклон также увеличивают в том случае, если водосток представляет собой сборное сооружение: система имеет сложную структуру, состоящую из отдельных участков, стыкуемых между собой. Обычно такие водостоки устанавливают на разноуровневых кровельных конструкциях.
Правила монтажа желобов водостока
До начала монтажа необходимо правильно подобрать ширину желобов. Это зависит от площади скатов крыши. Чем они больше, тем должен быть большим диаметр. Зависимость такая:
- площадь крыши в пределах 50-70 м² – желоба шириной 90 мм;
- площадь скатов от 70 до 140 м² – водосточные лотки шириной 125-130 мм.
Есть еще один параметр, который определяет длину горизонтальной части водосточной системы дома: расстояние между вертикальными трубными стояками водостока. Максимальный размер – 12 м. Наклон желобов будет выставляться именно на этой части кровельной конструкции.
Рассчитывают уклоны водосточной трубы на 1 м в миллиметрах. К примеру, если длина горизонтальной части водостока равна 10 м, угол наклона рассчитывается так: на каждый метр конструкции опускание одного из концов лотка производится, к примеру, максимально на 5 мм; значит, на десятиметровую длину опускание произойдет на 50 мм или 5 см.
На первом этапе монтажа водосточной системы устанавливают метки двух концов желобчатой конструкции. Делают это так:
- От одного из краев горизонтальной части, которая расположена на противоположной стороне от вертикальной части, наносится метка. Ее расположение по вертикали определяется размерами выбранных кронштейнов, на которые будут укладываться водосточные лотки.
- В нее вкручивают саморез.
- Вкручивают саморез на противоположной стороне кровельной конструкции. Он должен находиться на одном горизонтальном уровне с первым крепежным изделием.
- От второго шурупа опускают вниз 5 см, куда вкручивают третий саморез. Второй можно выкрутить.
- Соединяют между собой первый шуруп и третий, для чего используют прочную нить или леску. Это и есть контур расположения желобчатой конструкции.
- В местах расположения саморезов устанавливают по кронштейну. Их крепят к лобовой доске, к первому элементу обрешетки или к стропилам крыши.
- Промежуточные кронштейны устанавливают через каждые 50-100 см строго по намеченному контуру.
- Нить удаляют и переходят к монтажу восточных желобов.
Монтаж горизонтальных водостоков – это установка лотков на кронштейны по технологии раструбного соединения. Последующий элемент укладывается под предыдущий. Нахлест – 10 см. Этот участок рекомендуется дополнительно герметизировать, используя, к примеру, силиконовый герметик. Оптимально – если стык двух лотков попадет на кронштейн.
Способов крепления желобов к кронштейнам несколько. Часто используемый – загиб внешнего края поддерживающего элемента за борта лотков. Можно использовать вязальную проволоку или применить саморезы, которые вкручивают сразу сквозь кронштейн и лоток. Есть на рынке и более сложные, но высокоэффективные методы.
Как только будет смонтирована горизонтальная часть, переходят к вертикальной. Это обычная установка труб раструбным способом, которые крепят к стене специальными хомутами посредством саморезов и пластмассовых дюбелей. Далее устанавливают приемные воронки, которые являются переходным элементом между горизонтальной частью водостока и вертикальной. Здесь главная задача – герметичность между воронкой и желобом, а также между первой и вертикально установленной трубой.
Нередко встречаются ситуации, когда горизонтальная часть водосточной системы, устанавливаемой на один скат кровли, состоит из двух частей, которые располагаются с наклоном в одну точку. В ней монтируется вертикальный трубный стояк. В этом случае расчет наклона и размеров элементов водостока производят с учетом половины площади ската, если на последний устанавливается один вертикальный стояк. К примеру, если длина карниза равна 12 м, стояки монтируют посередине – по 6 м от краев крыши.
Не всегда это получается делать по чисто эстетическим требованиям. Поэтому трубы можно располагать на разных расстояниях. К примеру, от одного края на 4 м, от другого на 8 м. Это норма. Но расчет проходимости желобов придется рассчитывать с учетом части площади ската, под которыми располагаются две разные по длине части желобчатой конструкции.
Правильный выбор угла наклона горизонтальной части водосточной системы обеспечит максимально эффективную работу водоотводящего контура. Небольшое отклонение от норм в ту или другую сторону может привести к снижению качества работы.
Уклон водосточного желоба: СНИП и рекомендации
Одно из главных преимуществ современных водосточных систем заключается в том, что движение жидкости в них происходит за счет действия естественных сил. Не нужно приобретать дополнительное оборудование или элементы, достаточно предусмотреть правильный уклон водосточного желоба.
Основные требования к нему можно узнать в нормативных документах, также можно ориентироваться на рекомендации опытных специалистов в сфере установки водостоков.
Для чего необходим уклон водостока
Под действием притяжения вода по желобу движется от самой высокой точки до самой низкой. Для непрерывного движения жидкости по системе, угол должен быть направлен к воронке системы. Дальше вода уже попадет в водосточные трубы, где продолжит свой путь без особенных трудностей.
При этом угол наклона может быть совсем незаметным, он не сделает внешний вид системы неаккуратным. Водосток не начнет бросаться в глаза.
Угол наклона будет необходим не только при монтаже желобов. Такое же большое значение он играет и при установке труб внутренней водосточной системы. Они находятся параллельно крыше здания, а значит, без определенного наклона самотеком вода не сможет пройти путь от воронки до канализации.
Каким должен быть угол наклона желоба
Для более удобного монтажа уклон водосточного желоба не рассчитывается в градусах. Вместо этого корректируется соотношение первого и последнего участка желоба на одной стороне кровли.
На каждый метр своей длины желоб должен опускаться на 3–5 мм. Получается, если продолжительность желоба без воронок от одного края кровли до другого будет 6 м, то один его край должен быть ниже другого на 18–30 мм.
Больший уклон делается в том случае, если в конструкции такого желоба присутствуют неровности, например, если он сделан из 3–4 отдельных частей, соединенных воедино и на пути к воде будет несколько швов примыкания, из-за которых может сократиться скорость ее движения.
Если желоб на участке совсем небольшой длины и состоит из 1–2 элементов, наклон можно сделать менее заметным.
Не забывайте о том, что наклон всегда должен быть направлен к ближайшей воронке. Поэтому необязательно, чтобы в системе все желоба находились на одном направлении. Важно учитывать расположение всех элементов водостока.
Как сделать водосток с наклоном
Еще на стадии монтажа системы нужно точно определить необходимый уклон водосточного желоба. СНИП гласит, что делать это нужно, ориентируясь на крепления. При выборе мест, где они будут фиксироваться, в первую очередь и учитывается наклон.
Во многих системах водостоков, особенно тех, которые выполнены из оцинкованной стали, кронштейны для желобов должны быть расположены на расстоянии в 1 м друг от друга. Получается, что вам даже не придется рассчитывать общий угол уклона. Достаточно будет крепить каждый кронштейн на 3–4 мм ниже предыдущего. Именно таким приемом и пользуются опытные специалисты.
Уклон водосточного желоба на 1 метр
Монтаж водосточной системы и расчет ее уклона
Неотъемлемым элементом любой кровельной конструкции является водосточная система, которая позволяет отвести влагу, защитить от ее негативного воздействия не только саму крышу, но и стены. Процесс ее монтажа желательно начинать с проектирования и выполнения целого ряда расчетов. Для того чтобы ливневые и талые воды отводились с кровли максимально эффективно, потребуется в первую очередь правильно рассчитать уклон водостока и сечение всех его элементов.
Определяем уклон водосточной системы
Такой параметр, как уклон желобов водостока имеет огромное значение. Все дело в том, что если он окажется недостаточным, это приведет к скоплению влаги, которая обязательно найдет уязвимые места системы и будет медленно, но уверенно просачиваться сквозь них. Кроме того, в зимний период излишки воды могут замерзать, последствием чего станет разрушение желоба из-за температурного расширения.
При слишком большом уклоне водосточная система может не справиться с эффективным отведением ливневых вод, которые будут переливаться через края и, опять же, попадать на стены, постепенно вымывая из них связующие вещества.
Какой уклон водостока можно назвать оптимальным? Обычно это значение составляет 2-5 миллиметров на погонный метр. Для достижения желаемого результата вам потребуется всего два инструмента – длинный шнур и строительный уровень. Используя их, необходимо предельно аккуратно разметить места монтажа кронштейнов, благодаря чему вы сможете получить точный уклон системы водоотведения.
Расчет сечения элементов водосточной системы
Уклон системы водоотведения – важный, но не единственный параметр, от которого зависит эффективность ее работы. Кроме того, следует точно рассчитать сечение труб и желобов, для чего впору воспользоваться следующими рекомендациями:
- для кровель, площадь которых не превышает 130 квадратных метров вполне можно обойтись одним водостоком с диаметром трубы 85-110 миллиметров и сечением желоба 115-125 миллиметров;
- если площадь крыши больше 130 квадратных метров, потребуется уже два водостока с диаметром трубы 87-10 миллиметров и сечением желоба 150 миллиметров.
Установка кронштейнов водосточной системы
Если вы уже рассчитали уклон водосточной системы, подобрали необходимые материалы и сделали разметку, можно приступать к монтажу крепежных элементов – кронштейнов. Сперва устанавливаются первый (в самой высокой точке системы) и последний крюки. После этого можно свободно монтировать промежуточные кронштейны, прикрепляя их строго в отмеченных ранее местах.
Расстояние между крепежными крюками зависит исключительно из материалов, из которых выполняются элементы системы водоотведения. К примеру, для пластиковых изделий шаг кронштейнов должен быть не более 60 сантиметров, а для металлических – не более полутора метров.
Устанавливаем воронки водостока
Следующий этап монтажа водосточной системы – это установка водоприемных воронок. В процессе ее выполнения мы рекомендуем выполнять все перечисленные ниже рекомендации:
- для обеспечения герметичности системы необходимо очень аккуратно вырезать отверстия под воронки в желобе. Для пластиковых изделий лучше использовать острый нож, а для металлических – специальную ножовку;
- передний фальц воронки должен быть прочно зацеплен за кромку желоба;
- фиксаторы изделия закрепляются на задней кромке водостока;
- в пластиковых системах воронка крепится к желобу с помощью специально предназначенного клея.
На последнем этапе монтажа необходимо установить специальные заглушки, которые оснащаются резиновыми уплотнителями для сведения к минимуму риска протечки системы.
Особенности монтажа водосточных желобов
После того как кронштейны выставлены строго по уровню, установить желоба, соблюдая необходимый уклон системы, будет совсем несложно. Для этого достаточно вставить изделие за кромку крепежного элемента и провернуть его до упора на 90 градусов. Для крепления желобов могут быть использованы либо специальные металлические пластины, либо защелки из полимерных материалов.
На поворотах водосточной системы для соединения желобов применяются специальные уголки, которые исключают протечку воды на данных участках. Также важно правильно установить соединители и компенсаторы. Последние предназначаются для того, чтобы исключить деформацию элементов водосточной системы из-за температурного расширения. Монтаж компенсаторов осуществляется на тех участках, где желоба стыкуются с водосточными трубами.
Правильный уклон водосточного желоба, лотка
Составными элементами системы водостока, обустройство которой крайне необходимо для надежного функционирования кровли, являются: желоб водосточный; кронштейны для него; воронки, заглушки, трубы. Отсутствие водоотведения с крыши дождевых и талых вод непременно заканчивается разрушением стен и фундамента здания. Для предотвращения нежелательных последствий также потребуются водосточные лотки.
Нюансы проектирования водосточной системы
Прежде, чем приступить к работе по созданию водостока, внешний вид которого изображен на фото, потребуется правильно его запроектировать. Особое внимание при этом обращают на уклон желоба водостока и его сечение. Для того чтобы просчитать вышеназванные параметры, нужно знать площадь отведения воды. Необходимую величину определяют путем умножения длин крыши и ската.
В зависимости от полученного результата, согласно схеме, определяется сечение, которое должен иметь кровельный желоб и диаметр водосточной трубы:
- если крыша имеет площадь от 60 до 100 «квадратов», тогда потребуется монтаж одного водостока, с сечением желоба 115 миллиметров и диаметром трубы – 87 миллиметров;
- когда площадь кровли составляет 80-130 «квадратов», параметры элементов одного стока, который необходимо приобрести, должны составлять соответственно 125 и 110 миллиметров;
- в том случае, если размер крыши равен от 120 до 200 «квадратов», то водостоков необходимо два, каждый с сечением желоба 150 миллиметров и диаметром трубы 87 миллиметров;
- два водостока потребуется для обеспечения отвода воды с кровли площадью 160-220 «квадратов», при этом у желоба сечение должно составлять 150 миллиметров, а у трубы диаметр – 110 миллиметров.
Крепление кронштейнов
Для того чтобы создать минимальный уклон водостока (иначе он не будет правильно функционировать) следует прикрепить кронштейны. Именно эти элементы обеспечивают сток воды в нужном направлении.
Специалисты рекомендуют выполнять уклон водосточной системы по горизонтали из расчета 2-3 миллиметра на один погонный метр. Для монтажа кронштейна имеется специальный крюк – эту деталь начинают крепить с верхней точки. Затем устанавливается самый нижний элемент. Его располагают ниже верхнего на 20-30 миллиметров при условии, что длина желоба не более 10 метров.
Далее между этими двумя крюками натягивают шнур и определяют точки монтажа промежуточных кронштейнов. Не следует превышать или уменьшать уклон водостока, в противном случае воронки будут не в состоянии справляться с потоком воды или наоборот она будет застаиваться в желобах. Шаг, с которым монтируются кронштейны, зависит от материала изготовления элементов водосточной системы. Для желобов из металла он равен 75 – 150 сантиметров, а для пластиковых – не более 60 сантиметров.
Из всего вышесказанного следует сделать вывод: крепление желоба водостока необходимо выполнять в строгом соответствии с произведенными расчетами водосточной системы.
Установка воронок
Самостоятельная установка водосточной системы на крыше дома
Водосточная система предназначена для отвода атмосферных осадков с кровли скатного типа. Срок эксплуатации водостока – от 5 до 12 лет, при правильном монтаже и эксплуатации. Но часто можно увидеть, как почти новая водосточная система приходит в негодность: обрывается или провисает. В данной статье, мы расскажем как самостоятельно выполнить монтаж водостока с соблюдением всех технологических требований.
Выполнять установку водостока лучше как минимум с одним напарником. Крепится водосток под свес крыши. Уклон водосточного желоба должен быть в пределах 2-3 миллиметров на один метр в направлении слива.
Монтаж состоит из следующих этапов:
Пошаговое руководство по установке водостока на крышу дома из 6 пунктов
1. Установка держателей: кронштейнов и желобов
Лучше конечно прикрепить кронштейны еще на этапе монтажа обрешетки кровли. Идеальным вариантом будет, чтобы шаг держателей для желобов совпадал с шагом стропил – где-то в пределах 50-60 сантиметров.
Если расстояние между стропилами больше, например один метр, то к обрешетке нужно прикрепить дополнительные кронштейны. Далее по горизонтали с уклоном примерно 5 сантиметров на 10 метров желоба располагаем крюки.
Чтобы достичь качественного слива воды, нужно вычислить разницу между высотой крайних крючков и с помощью фломастера или карандаша отметить угол наклона. Для удобства можно пронумеровать каждый крюк. При достаточно большой длине крюка, их можно немного подогнуть в соответствии с наклоном крыши. Короткие крюки прикрепляются на вертикальную сторону обрешетки. Как итог, у Вас должно получиться так, чтобы центр дуги крюка был в той же вертикальной плоскости, что и центр угла кровли.
При длине дома от 20 метров, следует делать два угла уклона для слива в 2 воронки или же смонтировать одну воронку, но посередине.
2. Следующим этапом является установка воронок.
В зависимости от характеристик желоба вам может понадобиться сделать отверстие для воронки. Будьте очень внимательны, чтобы дырка не получилась шире воронки, иначе вода будет стекать мимо. Сделать это можно с помощью ножовки.
С помощью разметочного инструмента: карандаша, фломастера и т. п. отметьте центр крепления воронки к желобу. Отверстие должно находиться прямо над ним. Далее закрепляем желоб и воронку: под одну сторону подводим фальц, а с обратной стороны крепим фиксатор.
3. Желоб внешним пазом крепим на кронштейн таким образом, чтобы он полностью лег в него, далее его нужно закрепить фиксатором.
4. На желоб монтируем заглушку. Она может идти как в одном комплекте с уплотнителем, так и отдельно. Во втором случае уплотнитель укладывается на дугу заглушки, следим, чтобы ребристая часть была сверху. Теперь желоб стыкуется с уплотнителем и надевается заглушка, чтобы она полностью вошла в паз, нужно по ней немного постучать.
5. Важным моментов в монтаже водосточной системы является учет воздействия окружающей среды: обледенение, перепады температуры. Так водосток может расширяться и сужаться, что в свою очередь приведет к повреждению желоба, если не принять соответствующие меры. Водосточные системы из пластика имеют бесклеевое соединение, поэтому желоб нужно закреплять так, чтобы он немного проскальзывал по уплотнителям.
Водосток с клеевым соединением требует дополнительных компенсаторов, которые устанавливаются на высшие точки желоба. Для металлических систем, расширение при разнице температур небольшое, но все же рекомендуется использовать уплотнители.
6. Желоба нужно соединить между собой – для этого используются соединители. Как мы уже говорили в предыдущем пункте, они должны быть с резиновыми уплотнителями. Соединители монтируются на оба желоба по центру: сначала он устанавливается на сторону без замка, а потом уже на обратную. Стоит отметить, что между желобами должен быть зазор 3-5 мм.
7. Под каждым углом желоба должен быть кронштейн. Углы соединяются по методу, описанному в пункте 6.
8. Желоба нужно защитить от попадания различного мусора, листьев. так как забивание системы может привести к намоканию стен и даже к подмыву фундамента. Чтобы избежать подобного, нужно на желоб устанавливать специальные решетки – листоулавливатели.
9. Под каждой воронкой устанавливается колено стока. Благодаря ему, водосток скрепляется с хомутами труб и находится ближе к стене. К этому колену монтируется еще одно колено, кольцо которого направляется вниз, а на него уже надевается труба.
10. Если между коленом, которое идет от воронки, и стеной значительное расстояние, то необходимо ещё вставить соединительную трубу.
11. На данном этапе сточная труба монтируется в колено и скрепляется хомутами. Если высота стока значительна, то возможно использование нескольких труб, которые надеваются друг на друга.
12. Существует два вида хомутов: для деревянной стены и для кирпичной. В случае с последней, хомут идет вместе со штырем, который вбивается в дюбель
13. Важно помнить, что нельзя располагать слив очень близко к земле или отмостке. Расстояние должно быть в пределах 30-40 сантиметров.
Таким образом, при соблюдении технологии Вы получить отличную водосточную систему, которая прослужит Вам срок, который гарантировал производитель.
Ремонт кирпичной кладки наружных стен не терпит отлагательств, 5 видов разрушения и способы их устранения в нашей статье.
Ремонт крыши покрытой рубероидом (трещины, пробоины, расхождения стыков) — по ссылке на Оркмастер.ком .
Источники: http://krovlyamoya.ru/gidroizolyaciya/montazh-vodostochnoj-sistemy-i-raschet-ee-uklona.html, http://kryshadoma.com/vodostok/pravilnyy-uklon-vodostochnogo-zheloba-lotka.html, http://orcmaster.com/remont/krysha/vodostok-na-kryshu.html
Водосточная система — обязательный атрибут современных зданий и сооружений. При кажущейся простоте конструкции — это на самом деле непростая система, где такому показателю, как уклон водостока, предъявляются строгие требования. Именно под определённым углом собираются желоба конструкции для обеспечения эффективного удаления воды, стекающей со скатов крыши.
Что такое водосточная система крыши
Атмосферные осадки – негативный фактор, который снижает продолжительность эксплуатации любого здания и сооружения. Чтобы снизить негативное воздействие дождя, снега и прочего строители используют различные приспособления, материалы и даже целые системы. Одна из таких – водосточная, которая представляет собой конструкцию из двух частей: горизонтальная – это желоба в виде лотков, расположенных под карнизом кровли. Именно эта конструктивная часть принимает на себя сброс воды с крыши.
Вторая часть – вертикальная. По сути, это трубные стояки, которые устанавливаются через определённое расстояние друг от друга. В них вода попадает с лотков.
Схема водостока для кровлиОбщая конструкция водоотведения несложная, если не учитывать один серьёзный фактор, а именно: угол наклона желобчатых участков, потому что сама система водостоков является самотёчной. Нельзя брать за основу этого значения (угла) любые параметры, то есть, на своё усмотрение. Существуют определённые нормативы, которые определяют не только сам уклон жёлоба водостока, но и другие конструктивные критерии системы.
Стандартный угол наклона
Под стандартной величиной подразумевается вилка двух значений:
- минимальный – 1 мм на 1 м длины желобчатого участка;
- максимальный – 7 мм.
Но какой уклон должен быть в плане его оптимального показателя. Здесь многое будет зависеть от размеров крыши, а точнее, от площади скатов, от количества осадков, выпадающих в районе строительства дома. Скорее всего, надо обозначить не количество, а интенсивность выпадения. К примеру, в южных регионах проливные дожди, которые сбрасывают за час огромное количество воды, выпадают чаще. В северных районах дожди не редкость, но интенсивность их низкая. Они за сутки могут сбросить такое же количество воды, но длительность сброса будет большей.
Получается так, что угол водостока на 1 метр длины, равный минимальному значению, оптимален для северных регионов. С большим потоком воды он справится, но с трудом. Да и нет гарантий, что не будет происходить переливов через края лотков. Максимальный показатель с такой задачей справится лучше. Но и тут есть один нюанс – чем больше воды приходится отводить с кровли, тем больше по диаметру воронка должна устанавливаться на вертикальный участок водосточной системы. Будет ли это красиво выглядеть на фасаде, потянет ли трубчатый стояк большой объем воды – вопросы, требующие более подробного разбора.
Касательно свода норм и правил под номером II-26–76 «Кровли», то в нём чётко оговаривается, что уклон водосточной системы, здесь имеется в виду продольный уклон, не должен быть меньше 2%. Это есть 2 мм на 1 м длины восточной конструкции. И хотя выше минимальный параметр был обозначен в 1 мм, это не противоречит СНиПу, потому что документ учитывает в основном строения больших габаритов, к примеру, одноэтажных домов и коттеджей (как самых маленьких).
Но здесь же в СНиПе оговаривается, что в таком случае высота бортов желобчатых участков водосточных систем не должна быть меньше 120 мм. Если этот параметр сделать меньше, то и уклон в размере 1 мм будет реальным в плане нормального отведения осадков с кровли.
Как выставить угол наклона
Что касается обозначения уклона водостока, то есть две величины: одна обозначается в градусах, вторая в миллиметрах. Именно последний вариант чаще применяется в строительстве. Так проще определиться с монтажными габаритами конструкции или системы. К примеру, если длина карниза, по которому выставляется желобчатый участок, равна 10, а угол наклона равен 5 мм, то при одностоячном расположении вертикальной трубы края желобов будут располагаться по отношению к вертикали между собой на расстоянии 5 см (50 мм).
Потому что на каждый метр длины придётся один край относительно другого опускать в сторону стояка. А так как длина конструкции 10 м, то соответственно опускание будет производиться на 10х5=50 мм или 5 см.
- Поэтому монтаж кронштейнов, поддерживающих лотки водосточной системы, начинают с самой верхней точки у одного из краёв карниза.
- У противоположной стороны точку крепления другого кронштейна спускают на 5 см.
- Затем две точки, расположенные на разных краях свеса кровли, соединяют между собой бечёвкой или шпагатом. Он точно будет выставлен под углом в 5 мм.
- После чего между точками или уже закреплёнными кронштейнами устанавливаются промежуточные крепёжные элементы с шагом 50–60 см.
Нюансы монтажа водосточной системы
Уклон водостока напрямую влияет на сложность сооружения всей системы водоотведения. Неправильно произведённые замеры и расчёты могут привести к печальным последствиям:
- перелив воды через желоба, которая начнёт заливать стены дома и фундамент;
- перелив через воронку за счёт неправильно выбранного уклона, большой угол приводит к увеличению скорости движения воды по желобам;
- застаивание воды в лотках, скапливание листвы и другого мусора, что приведёт к засорению всей водосточной системы кровли и проведению очистительных или ремонтных операций.
Именно поэтому начиная монтаж лотковой части системы водоотведения с крыши, надо в первую очередь определиться с уклоном водостока. От его правильного выбора зависит эффективность отвода атмосферных осадков без негативного воздействия на элементы здания или сооружения.
Кроме вышеописанного параметра в водосточной системе, точному расчёту подлежат и другие величины, где важными являются диаметры (сечения) желобов и вертикальных трубных стояков. Именно они обозначают объем отводящей с кровли воды, именно они определяют эффективность водоотведения. Но надо отметить, что водосточная конструкция не зря называется системой. В ней все завязано между собой, в ней все элементы подогнаны друг под друга с учётом не только объёма осадков, но и размеров крыши здания.
Видео инструкция
инструкция по монтажу, нормы и требования, советы
У хорошей постройки должна быть хорошая крыша. А у хорошей крыши должен быть хороший водосток. В статье пойдет речь именно о водостоке, о материалах для него, уклоне водосточного желоба и всем остальном, что может быть связано с данным вопросом.
Виды водостоков
На сегодняшний день существуют несколько видов материалов для водосточных систем. Назовем основные из них:
- металл;
- медь;
- дерево;
- пластик.
Теперь нужно сказать пару слов о каждом виде водосточной системы.
Металлическая водосточная система
Это классика, которая еще до сих пор встречается повсеместно в нашей жизни. Главный плюс такой системы – это ее долговечность, которая измеряется десятками лет. Главным минусом такой системы может быть ее цена. Металл за последние годы сильно прибавил в цене, кроме этого, появилось много дешевых аналогов этого материала.

Медный водосток
Если коротко, то это дорого, эксклюзивно и еще раз дорого. Крайне редко встречается. Такая водосточная система устанавливается на роскошные загородные дома, оформленные в определенной стилистике. Такой вариант редко встречается по той причине, что мы с вами очень редко бываем в таких домах. Срок годности такого варианта практически не ограничен, так как медь не будет ржаветь в процессе эксплуатации. Ее нужно лишь изредка очищать от окисла.

Деревянный водосток
Устаревший вариант, но иногда его можно встретить и в современных постройках, если их дизайн стилизован под старину. Такая система не слишком долговечна. Плюс к этому в желобе из древесины скапливаются мусор и грязь, по этой причине уклон водосточного желоба из дерева нужно делать более значительным, чем в случае с каким-либо другим современным материалом. Нужный уклон можно найти в этом случае путем проб и ошибок. Смонтируйте пробный вариант, если окажется недостаточно, то сделайте круче уклон водосточного желоба. СНиП и нормы вам не помогут в этом случае, они рассчитаны на современные варианты, и это явно не случай с деревянным водостоком.
Дополнительно стоит обработать такую водосточную систему специальными составами, защищающими от гнили и плесени. Это позволит вам на какое-то время продлить срок эксплуатации системы.

Пластиковый водосток
Это вариант нашего времени. Удобно, просто, легко и недорого. Про долговечность можно даже не упоминать: все мы знаем что пластик может служить веками! Сегодня можно подобрать нужный вам по цвету и форме пластиковый водосток. Выбор в этой категории просто невероятен. Цены на пластиковые водосточные системы тоже приемлемые. Такой вариант встречается повсеместно на различных видах построек, начиная с жилых и заканчивая хозяйственными и промышленными.

Уклон водосточного желоба
Это важнейший момент в вопросе обустройства водостока. Важно сделать уклон правильным. Если он будет недостаточным, то система просто не будет работать, если окажется слишком большим, то смотреться это будет не слишком привлекательно, а также принимающая воронка может просто не справляться с потоком воды, который будет в нее попадать. Нужно определить в этом вопросе золотую середину, тем более что искать ничего не нужно, потому что есть четкий регламент уклона водосточного желоба на 1 метр. СНиП регулирует данный вопрос. Нормы давно прописаны и не вызывают никаких вопросов.

Если длина вашего водостока менее чем 24 метра, то можно делать обычный уклон в одну из сторон, если водосточная система длиннее, то ее длина делится пополам и делается два уклона от середины в разные стороны. Минимальный уклон водосточного желоба составляет один сантиметр на каждый погонный метр водостока. Это нижний предел, но есть в СНиПе и другое значение, оно считается средним. Этот показатель составляет два-три сантиметра уклона водосточной системы на каждый ее погонный метр.
Для деревянного варианта такой уклон может оказаться недостаточным, в данной ситуации начать нужно с показателя в два-три сантиметра на метр длины. Если такого уклона будет недостаточно, то можно добавить еще один сантиметр, и так далее, пока не получится оптимальный вариант.
Важность вопроса
Почему так важно соблюдать уклон водосточного желоба на 1 метр? Нормы в СНиПе не берутся с неба. Все, что там приводится – это результат долгих опытов на практике, споров и теоретических расчетов людьми, которые знают в строительстве толк. СНиП дает минимальные показатели и достаточные цифры. Соблюдать данные правила несложно, поэтому проблем в данном вопросе обычно не возникает.
Как правило, почти во всех случаях достаточно бывает водостока на своем личном участке с одной приемной воронкой. В личном пользовании крайне редко оказываются здания, длина которых превышает 24 метра. Этот момент позитивный, так как одна приемная воронка предполагает один вертикальный канал в системе водостока, то есть экономия материалов и денежных средств. Так как в случае, если ваш водосток имел бы две приемные воронки и два вертикальных канала, материалов на них ушло бы вдвое больше. Это некая экономия денежных средств, а сэкономить без потери в качестве любит каждый из нас.
СНиП по другим вопросам водостока
Нужно понимать, что в СНиПе можно найти не только вышеуказанные нормы, но и кое-что другое по водосточному желобу. Уклон на метр мы уже рассмотрели. Теперь скажем о шаге установки кронштейнов водосточной системы. СНиП рекомендует устанавливать кронштейны на расстоянии 50 сантиметров друг от друга, если мы говорим про водосточную систему из пластика. Если желоба сделаны из металла, то шаг кронштейнов составит 75-150 сантиметров, в зависимости от толщины материала.
Монтаж
Монтаж прост. Он заключается в правильном креплении кронштейнов. После их монтажа происходит просто закрепление элементов водосточной системы на них. Единственный момент, который стоит учитывать при монтаже — это то, что вам нужно правильно выбрать место установки желоба (чтобы стекающая вода с крыши попадала именно в желоб, а не текла перед ним или улетала за него).

После того как вы наметите место установки желоба, можете провести небольшой опыт. В его ходе нужно будет налить на крышу достаточное количество воды и посмотреть, будет ли она попадать в желоб. Если опыт провален, то следует провести соответствующие корректировки и повторить процедуру. Опыт нужно продолжать, пока вы не получите удовлетворительные результаты.
Отзывы свидетельствуют о том, что интуиция вас не подведет. Скорее всего, вы выберете нужное место размещения желоба с первого раза. Если не с первого, то со второго точно. Это доказано опытным путем людьми, которые уже имели дело с водосточными системами и их монтажом.
Как делать уклон?
В самой высокой точке вашей водосточной системы вы устанавливаете начальный кронштейн. В самой низкой точке вашего водостока устанавливается заключительный кронштейн (разница высот между начальным и заключительным кронштейнами рассчитывается, исходя из информации в СНиП). Далее между этими двумя кронштейнами натягивается шнур (веревка). После этого можно установить промежуточные кронштейны, ориентируясь на шнур (веревку). Не забывайте соблюдать нормы СНиПа, устанавливая промежуточные кронштейны вашей водосточной системы.
Советы
Опытные люди, которые возводят на своем участке уже не первую постройку, создают уклон водосточной трубы без использования каких-то измерительных инструментов.
Отзывы мастеров о строительстве свидетельствуют о том, что если речь идет о постройке на вашем участке (то есть крыша не слишком масштабная), то вы можете сделать уклон водосточной трубы, используя свой собственный глазомер. Но мы все же рекомендовали бы использовать специализированные измерительные инструменты и действовать в рамках СНиПа.
Чистка водостока
Если мы говорим о современном водостоке из ПВХ, то в продаже для него есть специальная защитная сетка. Она устанавливается прямо на желоб и защищает его от попадания посторонних предметов (листья, ветки и прочий мусор). Если такая сетка не предусматривается вами, то периодически нужно будет прочищать желоба. Эта процедура несложная и требуется редко (обычно не чаще одного раза в сезон). Чистка осуществляется рукой или же тряпкой. Кроме этого следите, чтобы вертикальные трубы системы не были забиты, хотя такое происходит крайне редко.

В заключение
Сегодня мы узнали, какой должен быть уклон водосточного желоба и почему он должен быть именно таким. Кроме этого, познакомились с различными материалами для создания водосточной системы. Ничего сложного в данном вопросе нет, нужно просто знать нормы и соблюдать правильный уклон желобов водосточных систем при монтаже.
Теперь вы почти готовы заняться рытьем, рытьем траншей и прокладкой труб. Но сначала вы должны использовать свои ставки и строки чтобы понять, как глубоко вы должны копать. Для этого вам также понадобится линейный уровень, который немного доступен на любом хозяйственный магазин, который висит на вашей строке.
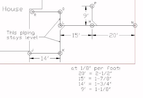
Вся ваша дренажная труба (за одним исключением) должна иметь небольшой уклон.Обычно 1/8 «на фут достаточно для дренажа, это то же самое, что обычно рекомендуемый наклон 1%. Обратите внимание, что я сказал, что сливная труба должна быть наклонной, а не Французский сток. Причина этого заключается в том, что дренажная труба используется для транспортировки дождевой воды в более сухие районы или в конечном итоге в на выходе, в то время как французский сток используется для сбора избыточной воды из одних областей, а затем рассеивания ее в недрах в других. Таким образом, не критично, что дно французского дренажного желоба будет идеально скошенным, это здорово, если вы можете справиться с этим, но не получите слишком разочарован этим.Дренажная труба (или дренажная плитка, как некоторые называют это) будет лежать на гравийной подушке в нижней части траншею, и этот гравий очень легко перемещать, чтобы правильно наклонить сливную трубу.
Итак, вернемся к кольям и струнам. Начиная с самой тяжелой точки вашей запланированной дренажной системы, стучите в кол и связать веревку 6 «над землей. (Точка J на рисунке ниже)
Протяните эту нитку на кол на следующем ходу в вашей системе дренажа газона.Обратите внимание, что вы должны игнорировать любые короткие боковые разветвленные трубы пока что, смотрите пример ниже.
С натянутой струной вдоль первого отрезка трубы, подвесьте линейный уровень на струне, затяните струну и переместите поднимите или опустите против этой ставки, пока строка не станет ровной. Отметьте это место на костре карандашом или острым. Держать натяните шнурок и привяжите его к отметке.
В большинстве случаев ваша оценка будет более 6 «от уровня земли.Если нет, продолжайте в любом случае, и это, вероятно, сработает само. Если вы не можете достичь строки уровня, потому что земля мешает, вернитесь к начальной точке и измените положение Отведите точку привязки шнура до 12 «над уровнем земли, затем повторите операцию выше.
Теперь у вас есть тугая нить, которая сообщает вам уровень вашего первого пробега. (Раздел J-K на диаграмме) Далее вам понадобится калькулятор и рулетка.Измерьте длину вашей струны от кола до кола и округлите ее до ближайшая нога. На приведенном ниже примере это 14 футов. Теперь разделите число на 8, чтобы узнать, насколько глубже должен быть один конец трубы. быть для достижения наклона 1/8 «на фут. 14, разделенный на 8, составляет 1,75 дюйма или 1-3 / 4 дюйма.

Сделайте новую отметку на втором коле на этом расстоянии ниже отметки, которую вы недавно сделали, чтобы показать уровень. Теперь свяжите новую строку в эту новую отметку и растяните ее до следующего поворота в вашей системе слива, как мы делали выше.Сделайте отметку где строка уровень, как и выше, и связать строку в этой отметке.
Здесь мы должны иметь дело с одним исключением из-за наклона трубы, которое я упомянул во втором абзаце. На примере Секция K-L должна быть установлена ровно (без наклона), так как это разъем для двух отдельных Сливная плитка. В любое время вы получаете систему трубопроводов, которая выглядит как обеденная вилка с 2 или более зубцами, подключенными к «ручка» вы должны оставить поперечную трубу, соединитель зубьев и ручку, уровень.
Свяжите новую строку на отметке уровня, растяните ее до следующей ставки в системе и отметьте положение уровня. Опять завязать Выровняйте струны на уровне, измерьте длину, разделите на 8 и отметьте глубину наклона ниже отметки уровня. На нашем примере показано ниже это означает, что секция L-M имеет наклон 15/8 = 1-7 / 8 дюймов.
Продолжайте повторять эту процедуру, пока не достигнете конечной конечной точки вашей дренажной системы, обычно на улице или канаву, где будет открыт конец сливной трубы.
Протянув эти струны и отметив глубину наклона на струнах, вы поняли, насколько глубока должна быть ваша дренажная труба. быть, и как глубоко вы должны копать. Перейдите к своей последней ставке (в канаве, ручье или улице) и сравните с тем местом, где вы хотите в нижней части вашей дренажной трубы, чтобы установить отметку глубины наклона — запишите это число. При сливе в ручей или кювет это обычно на 6 дюймов ниже соседнего уровня земли, при сливе на улицу это либо верхняя часть бордюра для дворов с крутым уклоном возле бордюра или нижней части бордюра для дворов с небольшим уклоном (потребуется прорезать бордюр здесь и сделать сложно).В приведенном ниже примере это расстояние составляет 60 дюймов (еще одна причина использовать длинные ставки).

Это измеренное расстояние (60 «в примере) говорит вам расстояние от нижней части французского дренажа до нижней струны в каждый кол. Если вы вычтете расстояние от земли до нижней струны на каждой ставке, вы можете найти расстояние, которое вы должны копайте на каждой ставке (в нашем примере 24 «, 33» и 54 «).
Помните, что уклон в 1/8 дюйма на фут — это минимум.В некоторых случаях вы захотите увеличить наклон, чтобы избежать необходимости копать очень глубокие французские стоки. В нашем примере конец дренажной системы рядом с домом имеет глубину 54 «, и мы хотели бы это должно быть меньше. Если мы хотим выкопать только 20 «в глубине возле дома, тогда переместите верхнюю колонну выше на столб, чтобы Разница между исходной глубиной и желаемой глубиной (54 «-20» = 34 «). Так как строка была первоначально 6» от земли теперь это будет 6 «+34» = 40 «от земли.Затем, когда вы отмерите 60 «от колонны на костре, вы получите глубину траншеи из желаемых 20 дюймов.
Теперь вернитесь во двор и найдите склоны для оставшихся боковых веток. Имейте в виду, что боковые ветви будут наклоняться вверх к новые точки, чтобы они стекали в основную дренажную трубу. В нашем примере это означает, что ветвь M-P будет на 1-1 / 8 «выше в P, а ветвь L-Q будет на уровне, аналогичном секции L-K, потому что это соединительная труба.Секция Q-R будет очень крутой, как и секция J-K для достижения 20 «траншеи Глубина в доме.
После того, как вырыты французские водосточные желоба и сухие скважины, устанавливаются сухие тканевые трубы, проницаемый ландшафт ткань укладывается в траншею, и по крайней мере 2 «гравия укладывается поверх ткани (как описано в Французская дренажная установка). Затем этот гравий можно легко переставить, чтобы получить надлежащий уклон для установки жесткой дренажной трубы. (читайте здесь, чтобы узнать, почему бы не использовать гибкую гофрированную пластиковую трубу).Также вам захочется прочитать страницу о том, как выбрать соответствующие фитинги, позволяющие очистить вашу дренажную систему с помощью обычного оборудования типа Roto-Rooter.
,Склон (Градиент) прямой
Наклон (также называемый градиентом) прямой показывает , насколько крутой является прямой.
Рассчитать
Чтобы рассчитать наклон:
Разделите изменения высоты на изменения горизонтального расстояния
| Наклон = Изменение в Y Изменение в X |
Поиграть (перетащить точки):
Примеры:
Наклон этой линии = 3 3 = 1 Таким образом, уклон равен 1 |
Наклон этой линии = 4 2 = 2 | ||
| Линия круче, и поэтому уклон больше. | ||
Наклон этой линии = 3 5 = 0,6 | ||
| Линия менее крутая, и поэтому уклон меньше. | ||
Положительный или Отрицательный?
Двигаясь слева направо, велосипедист должен набрать P ush на P наклонный уклон:
При измерении линии:
- Начиная слева и проходя через вправо, положительно
(но переход влево отрицательно). - «Вверх» положительный , а «Вниз» отрицательный
Склон = −4 2 = −2 |
Эта линия смещается на вниз на по мере вашего продвижения, поэтому она имеет отрицательный уклон.
прямо через
Склон = 0 5 = 0 |
Линия, проходящая прямо через (Горизонтально), имеет наклон ноль.
Прямо вверх и вниз
Склон = 3 0 = не определено |
Последний из них немного хитрый… вы не можете делить на ноль,
, поэтому наклон прямой (вертикальной) линии равен «undefined».
Встань и беги
Иногда горизонтальное изменение называется «бегом», а вертикальное изменение называется «подъемом» или «падением»:
Это просто разные слова, ни один из расчетов не изменится.
,Наклон прямой линии
Purplemath
Одним из наиболее важных свойств прямой является то, как она отклоняется от горизонтали. Эта концепция отражена в том, что называется «уклоном» линии.
Давайте посмотрим на прямую линию y = ( 2 / 3 ) x — 4.Его график выглядит так:
MathHelp.com

Чтобы найти склон, нам понадобятся две точки от линии.
Я выберу два значения x , вставлю их в линейное уравнение и решу для каждого соответствующего значения y . Если, скажем, я выберу x = 3, то:
Теперь допустим, я выбрал x = 9; затем:
(Кстати, я выбрал эти два значения x именно потому, что они были кратны трем; тем самым я знал, что смогу очистить знаменатель дроби, так что я получу хороший результат, аккуратные целые числа для моих полученных и -значений.Это не правило, что вы должны это делать, но это полезный метод.)
Итак, две найденные мной точки (3, –2) и (9, 2) находятся на линии y = ( 2 / 3 ) x — 4.
Чтобы найти уклон, обозначенный « м », мы можем использовать следующую формулу:
(Почему « м » для «склона», а не, скажем, « с »? Официальный ответ: никто не знает.)
В случае, если вы не сталкивались с этими числами ниже, чем переменные, они называются «индексами». Индексы обычно используются для различения похожих вещей или для отсчета, например, в последовательностях. В случае формулы наклона индексы просто указывают, что у нас есть «первая» точка (координаты которой обозначены цифрой «1») и «вторая» точка (координаты которой обозначены цифрой «2»). Другими словами, подписки указывают только на то, что у нас есть два момента, с которыми мы работаем.
(Это зависит только от вас, какой пункт вы обозначите как «первый», а какой — как «второй». Как подсказывает логика, угол линии не изменится только потому, что вы посмотрели на две точки в другой порядок.)
Для вычисления уклонов с формулой уклона важно, чтобы мы тщательно вычитали x и y в в том же порядке . Для наших двух точек, если мы выберем (3, –2) нашей «первой» точкой, то получим следующее:
Первое значение и выше, –2, было взято из точки (3, –2); второе значение и , 2, пришло из точки (9, 2); значения 3 и 9 x были взяты из двух точек в том же порядке .
Если бы, с другой стороны, мы взяли координаты из точек в обратном порядке, результат был бы точно таким же значением:
Как вы можете видеть, порядок, в котором вы перечисляете баллы, действительно не имеет значения, если вы вычитаете значения x в том же порядке, в котором вы вычитали значения и . Из-за этого формула наклона может быть записана так, как это было выше, или, альтернативно, она также может быть записана как:
Позвольте мне подчеркнуть этот момент:
Не имеет значения, какую из двух формул «наклона» вы используете, равно как и то, какую точку вы выбираете как свою «первую», а какую — как «вторую».Важно только то, что для и вы вычитаете свои x -значения в том же порядке , как вычитали свои и -значения.
Для тех, кто заинтересован, эквивалентность двух формул наклона, приведенных выше, может быть доказана, если отметить следующее:
y 1 — y 2 = y 1 + (- y 2 )
= — y 2 + y 1
= — y 1 — (- — y 2 )
= — ( y 2 — y 1 )
Таким же образом:
x 1 — x 2 = x 1 + (- x 2 )
= — x 2 + x 1
= — x 1 — (- x 2 )
= — ( x 2 — x 1 )
Затем первая формула преобразуется во вторую следующим образом:
m = ( y 1 — y 2 ) / ( x 1 — x 2 ) = [- ( y 2 — y 1 )] / [- ( x 2 — x 1 )] = = ( 2 — y 1 ) / ( x 2 — х 1 )
Как вы можете видеть выше, выполнение вычитания в так называемом «неправильном» порядке служит только для создания двух знаков «минус», которые затем удаляются.Итог: не беспокойтесь о том, какой пункт является «первым», потому что это действительно не имеет значения. (И, пожалуйста, не присылайте мне электронное письмо с утверждением, что порядок каким-то образом имеет значение, или что одна из двух вышеприведенных формул как-то «неправильна». Если вы считаете, что я ошибаюсь, вставьте пары точек в обе формулы и попробуй доказать , что я не прав! И продолжай подключать, пока не «увидишь», что математика на самом деле верна.)
Вернемся к строке y = ( 2 / 3 ) x — 4 и найдем еще несколько точек для этого.Если я позволю x = –3, то:
Если я позволю x = 0, то:
Это дает мне две точки, (–3, –6) и (0, –4). Если я нанесу эти две точки на линию, я получу две синие точки, показанные ниже:
Если я поднимусь по лестнице от первой точки ко второй (когда я двигаюсь вправо вдоль оси x ), я получу это:
Следующее, что я буду использовать, это (3, –2).Составляя точку и рисуя ступеньку, я получаю:
Теперь внимательно посмотрите на эти ступеньки. Отсчитайте их от сетки, видимой на заднем плане. Вы увидите, что, переходя от одной точки графика к следующей, я переместился на два шага вверх и на три шага назад. В терминах, знакомых строительной отрасли, эти ступеньки имеют (вертикальный) «подъем» 2 и (горизонтальный) «бег» 3. Когда люди называют «наклон» как «подъем над бегом», это что они имеют в виду.(Для получения дополнительной информации попробуйте здесь.)
Давайте найдем наклон другого уравнения линии:
Найти наклон у = –2 х + 3
График линии, это выглядит так:
Я выберу пару значений для x и найду соответствующие значения для и .Выбор x = –1, я получаю:
y = –2 (–1) + 3 = 2 + 3 = 5
Сбор x = 2, я получаю:
y = –2 (2) + 3 = –4 + 3 = –1
Тогда точки (–1, 5) и (2, –1) находятся на линии y = –2 x + 3. Затем наклон линии вычисляется как:
Кстати, если вы посмотрите на график и начнете с любой точки на линии (для простоты выберите ту, которая также лежит на сетке), вы заметите, что ступенька идет вниз.Вы идете вниз два, более одного; вниз два, более одного; вниз два, более одного. И это соответствует склону, который мы нашли выше:
(меньше двух) / (больше одного) = (–2) / (1) = –2
Найдите наклон линии, проходящей через точки (–3, 5) и (4, –1).
В этом случае мне не нужно находить очки, потому что они уже дали их мне.Так что я сразу перейду к формуле:
м = (5 — (–1)) / (- 3 — 4)
= (5 + 1) / (- 3 + (–4)) = (6) / (- 7)
= — (6/7)
Вы можете использовать виджет Mathway ниже, чтобы попрактиковаться в поиске склона через пару точек.Попробуйте введенное упражнение или введите собственное упражнение. Затем нажмите кнопку, чтобы сравнить свой ответ с Mathway. (Или пропустите виджет и продолжите урок.)
(Нажав «Нажмите, чтобы просмотреть шаги», вы попадете прямо на сайт Mathway, если хотите проверить их программное обеспечение или получить дополнительную информацию.)
URL: https: // www.purplemath.com/modules/slope.htm
,Осадки на крышах и откосах водосточных желобов

Осадки и рекомендуемые откосы желобов при осушении крыш:
| Площадь крыши | ||||||||
|---|---|---|---|---|---|---|---|---|
| Диаметр желоба | Наклон спуска | 0,5% | 1% | 2% | ||||
| м 2 | фут 2 | м 2 | фут 2 | м 2 | фут 2 | |||
| 80 | 3 | 16 | 170 | 22 | 240 | 32 | 350 | |
| 100 | 4 | 33 | 360 | 47 | 510 | 67 | 720 | |
| 125 | 5 | 58 | 625 | 82 | 880 | 116 | 1250 | |
| 150 | 6 | 89 | 960 | 960 | 126 | 1360 | 178 | 1920 |
Таблица основана на интенсивности осадков 100 мм в час (4 дюйма в час) .Ожидаемая интенсивность осадков всегда должна проверяться местными властями. Для справки: максимальная интенсивность осадков, используемая в Великобритании, обычно составляет 75 мм в час .
Наклон
- уклон 0,5% = 0,5 см на пробег 100 см = 0,0625 дюйма на пробег 1 фут
- уклон 1% = 1 см на пробег 100 см = 0,125 дюйм на 1 фут
- уклон 2% = 2 см на пробег 100 см = 0,250 дюйма на пробег 1 фут
Размер желоба противРазмер водосточной трубы
- Водосточный желоб 100 мм -> 75 мм (3 дюйма) Водосточный желоб
- Водосточный желоб 125 мм -> 100 мм (4 дюйма) водосточный желоб
- Водосточный желоб 150 мм (6 дюймов) -> Водосточная труба 100 мм (4 «)
Пример — сливная крыша
Крыша площадью 45 м 2 может быть осушена с помощью желоба с уклоном 1% . Из таблицы выше водосточного желоба диаметром можно использовать 100 мм (4 дюйма) .
Водосточная труба может быть 75 мм .
