Управление с пульта люстрой – Как подключить люстру с пультом управления
Простой ремонт люстры с пультом управления своими руками

Всем доброго времени суток. Сегодня займёмся ремонтом. На повестке дня, ремонт люстры с пультом управления.
Не так давно один знакомый попросил меня посмотреть люстру. Дело в том, что она перестала реагировать на пульт управления и только изредка могла включаться при помощи обычного выключателя. Не откладывая в долгий ящик, я решил разобраться в сути данной проблемы. Кстати люстра не такая старая, ей всего 2 года. И что самое поразительное, на шильдике который был наклей на корпусе, как раз было указано «срок службы 2 года»:

Прежде чем начать ремонт, давайте разберёмся, из каких основных узлов состоит люстра.
Устройство люстры с пультом управления
Люстры подобного класса могут иметь несколько разновидностей: они могут быть с галогеновыми лампами или с лампами накаливания, светодиодными или комбинированные. В моём случае люстра комбинированная, состоит из галогеновых ламп и светодиодной подсветки:

Вот в таком виде, мне знакомый принёс осветительный прибор. Как известно люстры внешне могут сильно отличаться, но внутренности у них практически одинаковые. Давайте посмотрим, из чего состоит данный экземпляр:
- Три 12 вольтовых блока для питания галогеновых ламп
- Один блок для питания светодиодной подсветки
- Ну и сам блок радиоуправления


Подробно расписывать каждый блок в данной статье я не буду, остановлюсь только на блоке контроллера радиоуправления.
Блок радиоуправления с пультом для люстры
Для управления китайской люстры используется блок радиоуправления Wireless switch Y-B7. Это полный аналог широко распространённого контроллера люстры Wireless Switch Y-7E. Это трехканальный контроллер с максимальной мощностью каждого канала 1000 Вт. Схема подключения блока радиоуправления размещена на крышке:

Для управления используется пульт с четырьмя большими кнопками. Сам пульт питается от малогабаритной 12 вольтовой батарейки:



Итак, давайте ближе к делу, откроем крышку блока радиоуправления и посмотрим, что у нас вышло из строя.
Ремонт люстры с пультом управления своими руками
В корпусе под крышкой расположена плата, на которой находится три мощных 10 амперных электромагнитных реле:



Каждое электромагнитное реле управляется при помощи биполярного транзистора S9014 (смотри схему Wireless Switch Y-7E ниже):

Отдельной платой располагается блок радиоприемника. На плате расположен подстрочник, при помощи которого можно более точно настроить приемный тракт к пульту управления:


А отпаяв плату радиоприемника, я обнаружил сам дешифратор HS108P-J, на котором построен весь блок радиоприема:


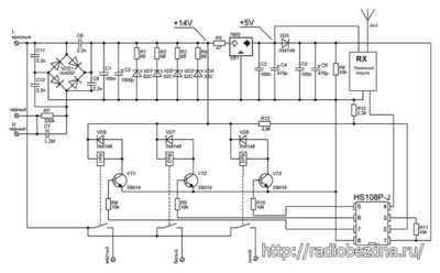
Чтобы точно определить неисправность, давайте обратимся к принципиальной схеме wireless switch y 7e 1000w 3.
Wireless Switch Y-7E 1000Wx3 схема блока радиоуправления
На плате контроллера расположено не такое большое количество радиодеталей, поэтому я решил срисовать схему:

Сама схема состоит из 3 основных узлов: блок питания, модуль радиоканала и модуль коммутации. Блок питания, на выходе должен выдавать два напряжения: 5 вольт и 14 вольт. Напряжение 5 вольт обеспечивает стабилизатор напряжения 7805. Питание в 14 вольт построено на параметрическом источнике, состоящем из четырёх стабилитронов включённых параллельно через гасящий резистор. Весь модуль запитан через гасящий конденсатор C7 ёмкостью 1,3 микрофарада, который является самым слабым звеном в данном устройстве. Этот китайский плёночный конденсатор не рассчитан на долгое использование:

Чтобы найти неисправность блока радиоуправления, нужно воспользоваться мультиметром. Сразу замерить напряжение после диодного моста, которое должно находиться в пределах 14 вольт. Так как сразу с диодного моста запитано три электромагнитных реле, которые находятся в отключенном состоянии, то напряжение в этой точке может находиться в пределах нормы. Но стоит на пульте нажать любую кнопку, нагрузка возрастёт, и напряжение сразу провалиться ниже 10 вольт. Из-за низкого напряжения нормально не может функционировать радио модуль, а также дешифратор. Всему виной оказался конденсатор C7, ёмкость которого должна быть 1,3 микрофарада.
Внимание! Будьте осторожны. Данный блок радиоуправления не имеет гальванической развязки по сети. Вторичные цепи имеют высокий потенциал.
Чтобы удостовериться в этом, я отпаял конденсатор C7 и произвел замер его параметров при помощи цифрового измерителя ёмкости XC6013L. Вот результаты измерения. Как видите, данный конденсатор потерял свою ёмкость. И она составляет чуть больше 0,3 микрофарада:

Этой ёмкости явно недостаточно для нормального функционирования блока радиоуправления Wireless Switch Y-7E.
Чтобы не испытывать судьбу с китайскими радио компонентами, неисправный конденсатор я решил заменить советским бэушным. Подобрал более-менее похожий по ёмкости и по размерам:

Как видите ёмкость нового конденсатора слегка меньше той, которая должна быть, но на работоспособности люстры это никак не сказалось, она чётко работала и напряжение после диодного моста не опускалась ниже 10-12 вольт.
Осталось впаять новый конденсатор на своё законное место. Несмотря на то, что его размеры слегка больше родного, он неплохо уместился:

Подводя итоги можно констатировать тот факт, что люстра заработала, как и прежде. В этом можно убедиться, нажав кнопку «D», при этом включаться все 3 канала, что будет соответствовать максимальной нагрузки на блок питания. Если при этом напряжение после диодного моста не просядет ниже 10-12 вольт, значит, наш ремонт удался. Осталось плату блока радиоуправления поместить в корпус, и подключить согласно схеме расположенной на крышке.
Я надеюсь что схема Wireless Switch Y-7E 1000Wx3 многим поможет в ремонте люстры своими руками. Если же у вас отремонтировать не получается, не отчаивайтесь, в продаже можно купить готовый набор блока радиоуправления с пультом для люстры. Это будет гораздо дешевле, чем покупать новую люстру целиком. На этом буду завершать. Всем пока.
radiobezdna.ru
Содержание:
Технологии производства осветительных приборов постоянно развиваются, что позволяет каждому хозяину сделать свое жилище более уютным и комфортным. Сегодня популярность приобретают люстры, для управления которыми применяется пульт дистанционного управления. Такие люстры удобны в быту, просты в эксплуатации, легко устанавливаются и подключаются. Однако, как и большинство дешевых китайских изделий, они периодически ломаются, и в этих случаях необходим ремонт люстры. Многие хозяева, не разбирающиеся в электронике, обращаются к мастерам. Тем не менее, зная общее устройства таких осветительных приборов и обладая навыками электротехнических работ, вполне возможно собственноручно выполнить ремонт люстры с пультом управления. Устройство и принцип работы люстры с пультомПриборы освещения под управлением дистанционного пульта, обладают довольно сложной конструкцией. Для того чтобы их собрать и подключить потребуются определенные знания и навыки в электронике и электротехнике. Люстра может эффективно работать на значительном расстоянии, а нужный режим освещения устанавливается с помощью кнопок пульта путем набора несложных комбинаций. Количество функций зависит от конструкции и модели люстры.
Все люстры с пультом дистанционного управления разделяются на несколько видов:
Все люстры оборудуются реле радиоуправления, в котором устанавливается модуль, принимающий радиосигнал, поступающий с пульта. Каждая модель отличается определенным количеством электромагнитных реле, выполняющих коммутацию токов разной мощности. Питание на реле поступает через гасящий конденсатор, а излишки электроэнергии нейтрализуются балластным конденсатором. Существенным недостатком данного элемента считается место, где он впаян в общую плату. В процессе длительной эксплуатации пайка становится слабее, и реле может отвалиться в любой момент.
Важнейшей составляющей люстры является сам пульт дистанционного управления. Он отличается простотой конструкции, минимальным количеством кнопок и набором функций. Следовательно, ремонт люстры с пультом дистанционного управления вполне возможно выполнить самостоятельно. Простая электрическая схема гарантирует продолжительную работу, поэтому пульт чаще всего выходит из строя по причине севших батареек. Поиск неисправностей и их причиныЛюстры, управляемые на расстоянии и работающие в различных режимах, более других осветительных приборов подвержены риску выхода из строя. Поломки могут начинаться неисправными батарейками и заканчиваться серьезными неисправностями блоков питания, контроллера и программной платы.
Основные признаки неисправностей, характерные для управляемых светильников:
Данные неисправности встречаются наиболее часто, однако они практически не проявляются одновременно. Как правило, при ремонте требуется замена 1-2 элементов. Поэтому в первую очередь определяем поломку наиболее важных элементов. Сложнее всего бывает обнаружить неисправные детали и заменить их. Обычно поиски начинаются с проверки батареек. Если причина оказалась не в этом, то нужно искать дальше.
Различные виды лампочек могут быть сгруппированы отдельными блоками. Нормальная работа каждого из них обеспечивается несколькими приборами и компонентами. Например, блоки соединяются в единую конструкцию с помощью контроллера. Если батарейки в пульте заменены, а он все равно не работает, можно попробовать выполнить запуск люстры выключателем. В случае неудачного запуска можно с высокой вероятностью предположить, что причиной неисправности является контроллер. Поэтому выполняется проверка пульта и контроллера на работоспособность. В некоторых случаях контроллер способен выполнить запуск лишь отдельных модулей системы, когда светодиоды работают, а галогенные лампы не запускаются. В подобной ситуации проблема может заключаться в модуле галогенных ламп, требующем ремонта. Рекомендуется выполнить проверку всех контактов и качество их крепления. После этого тестируются блоки питания и трансформаторы, которые могут сгореть при использовании слишком мощных ламп.
В последнюю очередь проверяется работоспособность светодиодных ламп. В некоторых случаях они могут сгореть все сразу из-за нестабильности электрической цепи, резких перепадов напряжения. Причиной перегорания могут стать блок питания и трансформатор, обладающие слишком большой мощностью. Наиболее распостранненые причины поломок и частый выход из строя светодиодных ламп связан с конструктивными особенностями данных элементов. Их миниатюрные детали подвергаются сильному износу под действием высокого входящего напряжения, неправильного подключения и других негативных факторов. Наиболее простым способом проверки является подключение лампочки к другому светильнику, предварительно убедившись в его исправности. Кроме того, работоспособность светодиодов может быть проверена специальным светодиодным тестером. Необходимо помнить, что эти лампочки не ремонтируются и подлежат обязательной замене. Как правило меняется вся неисправная группа ламп. Ремонт люстры с пультом своими рукамиПосле того как были обнаружены неисправности, необходимо принять меры по их устранению. В качестве примера рекомендуется рассмотреть наиболее часто встречающиеся поломки и способы их устранения.
В процессе решения вопроса, как отремонтировать люстру с пультом управления, следует не забывать о повышенной осторожности. Это связано с подачей напряжения на оголенные провода. Невнимательность и несоблюдение правил электробезопасности могут привести к электротравме и более серьезным негативным последствиям. |
electric-220.ru
Как из обычной люстры сделать люстру с пультом
Содержание:
- Принцип работы люстр с дистанционным управлением
- Сборка люстры
- Монтажные работы
- Видео
Сравнительно недавно в продаже появились люстры с дистанционным управлением, сразу же ставшие популярными среди большого числа потребителей. Но как быть тем, кто недавно приобрел современный и качественный светильник, работающий от обычного выключателя? Многие хозяева пытаются самостоятельно решить проблему, как из обычной люстры сделать люстру с пультом. Поскольку многие модели в процессе подключения все равно требуют определенной доработки, стоит попытаться установить своими руками схему дистанционного управления данным осветительным прибором. Следует отметить, что эта задача достаточно сложная, требующая определенных знаний и практических навыков в электротехнике.
Принцип работы люстр с дистанционным управлением
Прежде чем создавать дистанционное управление, необходимо выяснить, как устроены такие люстры, и как они функционируют. Кроме того, очень часто возникает вопрос, для чего нужен пульт, если имеется выключатель?

Основной функцией дистанционного управления люстрой является переключение в ней имеющихся режимов работы с одного на другой. В каждом таком светильнике имеется 2, 3 и более световых групп, с помощью которых создаются различные световые эффекты. Здесь же установлены галогеновые лампочки, обеспечивающие основное освещение и также разбитые на группы. Обеспечение электроэнергией каждой из групп происходит через собственные блоки питания – адаптеры или электронные трансформаторы. Данное оборудование не требуется при использовании лампочек на 220В.
Для управления через пульт используется радиоканал, поэтому его вовсе необязательно направлять непосредственно на люстру. В этом заключается основное отличие от управления телевизорами. В состав радиоканала входит сам пульт дистанционного управления, выполняющий функцию передатчика, и контроллер, играющий роль приемного устройства. Все пульты отличаются различной дальностью действия, в зависимости от необходимости и конкретной обстановки. Для небольших люстр будет достаточно 10-ти метров, а у светильников из общественных мест этот параметр может достигать и 100 метров.
Пульт и приемник представляют собой единую пару, настроенную на общую частоту. В продаже они идут как один комплект. После получения сигнала, питание от приемника поступает на контроллер, отвечающий за создание световых и цветовых эффектов, благодаря определенным сигналам, поступающим к светодиодам. В люстрах используются преимущественно разноцветные светодиоды, которые в совокупности с другими элементами, позволяют добиться нужного результата. Для размещения приемника и контроллера используется общий корпус. Данная система известна как дистанционный выключатель, беспроводное управление и т.д.
Включение и переключение эффектов выполняется путем нажатия кнопок, расположенных на пульте. В случае необходимости он может выполнять функцию обычного выключателя, то есть полностью отключать свет, а затем снова включать его. Сам выключатель, подключенный к домашней электрической сети используется по своему прямому назначению. Очень часто бывает удобнее воспользоваться именно выключателем, нежели искать пульт. При подаче питания на контроллер со стационарного выключателя происходит смена световых режимов и эффектов. То есть, после каждого выключения и включения появляется новый световой режим, что является важным при утере пульта или посаженных батарейках. Таким образом, управление люстрой не прерывается.
Сборка управляемой люстры
Сборка люстры с дистанционным управлением отнимает довольно много времени. Необходимо заранее приобрести наиболее подходящий контроллер, несколько блоков питания для различных групп ламп и другие недостающие детали. При решении вопроса как сделать из обычной люстры люстру с пультом, нужно учитывать ряд факторов.

Если люстра новая и еще ни разу не использовалась, то ее нужно предварительно собрать, то есть вставить и прикрутить все элементы на свои места. После этого устанавливаются лампочки. Концы проводов нужно зачистить и выполнить прозвонку. Проводники должны разделяться на группы и подходить к соответствующим цоколям. При подключении проводов очень важно не допустить соединений, вызывающих короткое замыкание. Для того чтобы избежать этого, все проводники окрашиваются в разные цвета в соответствии с их предназначением. Например, к цоколям подключаются провода красного цвета, а к нейтрали – белого.
Надежность контакта объединенных проводников существенно повышается за счет использования наконечников. После соединения их с цоколями, далее следует подключение к выходам контроллера через небольшую колодку. Все детали, в том числе контроллер и блоки питания нужно хорошо закрепить, чтобы они не болтались внутри конструкции люстры во время монтажа. Все крепления происходят с помощью двустороннего скотча.

В светодиодную группу обычно входит от 12 до 50 последовательно соединенных светодиодов. Поэтому нужно заранее проверить подключение каждой группы. После этого необходимо подготовить к работе пульт дистанционного управления. Для этого нужно всего лишь вставить на свое место элемент питания на 12В.
Монтажные работы
Перед началом монтажа необходимо разобраться с проводами, выходящими из потолка. Обычно выходит три провода, два из которых являются фазными, а один – нулевым. Таким образом, управление люстрой может осуществляться с помощью двухклавишного выключателя. После решения вопроса как сделать люстру с пультом своими руками, ее необходимо закрепить.
Для крепления всей конструкции вместо традиционного крючка используется специальная крепежная планка. При наличии натяжных потолков крепление выполняется с помощью закладного бруска, закрепленного на основном потолке. Для подключения проводов используются клеммы Ваго. Проводники соединяются между собой соответствующими цветами. Если цвета не совпадают, принадлежность проводов определяется индикаторной отверткой или мультиметром.
electric-220.ru
Дистанционный пульт для люстры на 4 канала с управлением по радио.
Я продолжаю свои изыскания на тему беспроводного управления домашним освещением.Ранее я писал оwi-fi розетке от EDUP, которая нормально не заработала, и поэтому послужила корпусом для самоделки. Так же я описывал комплект из четырех розеток, управляемых по радиоканалу, успешно задействованных мной для коммутации различной нагрузки. И в этот раз это будет четырехканальный выключатель для люстры, управляемый пультом дистанционного управления по радиоканалу.
Приехал он ко мне в таком, слегка примятом, блистере.
с обратной стороны нет ничего интересного, лишь данные о производителе, да небольшой список спецификаций и предупреждений, среди которых интересны только «дистанция управления до 30 метров» и «устанавливать должен квалифицированный электрик»
А вот и комплектация: 
- сам коммутатор
- инструкция
- держатель пульта ДУ
- батарейка 23A 12V для пульта ДУ
- двухсторонний скотч
- пульт ДУ


На обратной стороне пульта наклеена наклейка с буквенно-цифровым кодом, я так понимаю, это код управления.
Размеры блока коммутации 103(88 без ушек крепления) х 52 х 22мм 
на его лицевой стороне есть указание модели, максимальной рабочей температуры, максимальной мощности коммутации и схема подключения. А сбоку наклейка с такими же кодами, как на пульте.
И тут же написано о том, что при коммутации энергосберегающих ламп суммарная мощность не должна превышать 200 Вт на канал, а светодиодных — не более 100Вт на канал и не более 6 ламп. Связано это с пусковой мощностью ламп, ведь пусковая мощность люминесцентных ламп превышает номинальную в 2 – 3 раза.
Дальше можно долго описывать как это устройство работает, мои впечатления от использования и т.д. но, как говорится, лучше один раз увидеть, чем сто раз прочитать. Но т.к. пакет со светодиодами и драйверами ещё в пути, поэтому я собрал стенд с использованием четырех ламп накаливания по 25Вт и записал небольшое видео:
Ну а теперь, конечно же, и мои впечатления:
В пределах квартиры управление работает стабильно, задержки коммутации я не заметил.
У устройства есть одна особенность: если пропадало питание, то при его появлении будет включен первый канал. Вот что удалось выудить из описаний аналогичных устройств:
Также переключение режимов работы контроллера можно осуществить без пульта ДУ. На схеме подключения выключатель обозначен буквой «К». Кратковременное выключение и включение выключателя «К» приводит к последовательному переключению режимов. Продолжительное отключение питания приводит к сбросу в исходное состояние.
когда садиться пульт то можно переключать режимы включая и выключая общий выключатель, режимы будут изменяться по-очередиВпрочем, меня это мало расстраивает, т.к. все равно в той конструкции, что я задумал как люстру, будут три канала освещения и один «ночник».
Так что устройство можно использовать для переключения освещения в многоуровневом гипсокартонном потолке, или для обычной люстры. Не обязательно использовать все 4 канала, можно задействовать 2 или сколько вам нужно. На стену, при необходимости, монтируется один общий выключатель.
Также в продаже имеются комплекты с другим дизайном пульта и количеством каналов от одного до четырех и под другими торговыми марками.
mysku.ru
Делаем ремонт люстры с пультом управления своими руками
С развитием технологий, каждый хочет сделать свой дом уютней. Внести интересные дополнения в дизайн, автоматизировать некоторые элементы отделки и декора. Одним словом, облегчить свою жизнь, одновременно создав уникальный и качественный дизайн.
Конструктивные особенности светильника
Одним из основных аспектов комфорта человека, является наличие качественного освещения, которое будет способствовать как отдыху, так и созданию продуктивной рабочей среды. А для облегчения управления освещением, всё чаще можно встретить люстры с пультом дистанционного управления.

Конструкция светодиодного светильника с пультом
Такие приборы имеют довольно сложную конструкцию, и для их сборки и подключения необходимо иметь некоторые познания. Для управления такими лампами используется пульт дистанционного управления, или контроллер. Люстра работает на довольно большом расстоянии и может устанавливать тот режим освещения, который вам необходим нажатием всего нескольких кнопок. Набор функций будет зависеть от типа устройства, которое вы используете.
Лампы с пультом управления разделяют на несколько типов:
- Комбинированные
- С использованием светодиодной техники.
- Работающие с помощью галогенных ламп.
В зависимости от конструкции, увеличивается и сложность сборки и монтажа самого устройства. Также повышается и шанс поломки, которая будет требовать ремонта своими руками либо прибегая к помощи специалистов.

Пульт управления и его функции
В этой статье мы поговорим о том, как отремонтировать люстру с пультом управления своими руками. Расскажем вам, как определить уровень повреждения, какие виды повреждений бывают, почему возникают неисправности и как проверить работоспособность пульта, контроллера и светодиодных ламп.
Вы сможете легко понять, почему перестала включаться ваша люстра с пультом управления, разобраться с поломкой и произвести ремонт своими руками.
Определим серьёзность повреждения
Так как такие люстры обладают системой отдалённого управления, способны работать в разных режимах, программироваться и прочее, они подвержены повышенному риску выйти из строя. Поломка может быть от банально испорченных батарее в пульте, до серьёзной неисправности программной платы, блоков питания и контроллера.
Основными ми показателями поломки могут быть такие признаки:
- Лампа не включается от пульта.
- Не работают некоторые режимы освещения.
- Самовольно выключается.
- Не переключаются режимы, используя пульт, но исправно работают при регулировке выключателем.
- Мигание устройства, самовольное переключение между режимами.
Конечно, это краткий список основных неисправностей, которые встречаются чаще всего. Зачастую ремонт сводится к замене одной или нескольких составляющих конструкции.
Например, часто требуется отремонтировать или произвести замену пульта и контроллера, из-за чрезмерной нагрузки на систему могут горечь трансформаторы, блоки питания, приёмник или патроны.
Ищем неработающий элемент
Начнём с самой распространённой причины неисправности, это севшие батарейки. Не стоит сразу начинать паниковать и вызывать мастера, чтобы он раскурочил вам всю красоту. Начните с самого простого, что вы можете спокойно сделать своими руками, замените батарейки в пульте управления. Если замена не помогла, тогда следует искать причину поломки дальше.
Если лампа имеет несколько видом лампочке, тогда следует протестировать отдельные блоки. Обычно каждый тип подсветки группируют в блок, и за его работу отвечают несколько компонентов.
За соединение блоков в единую конструкцию, отвечает контроллер. Если пульт после замены не работает, то следует попробовать запустить люстру от выключателя.
Если и он не способен включить систему, тогда поломка скорей всего в контроллере. Если же с его помощью можно запустить отдельные модули системы, например, светодиодный ряд работает нормально, а галогенные лампы не включаются, тогда проблему следует искать в модуле галогенных ламп и делать ремонт там.
Проверьте все контакты, качественно они закреплены. Затем протестируйте работоспособность трансформаторов и блоков питания. Трансформатор может сгореть, если используются лампы слишком большой мощности.
Самым последним, что следует сделать, это проверить работоспособность самих ламп своими руками. Конечно, маловероятно, что сгорят сразу все, но и таким случаям есть место. Это может произойти из-за резкого скачка напряжения, нестабильности сети, слишком мощного трансформатора и блока питания.
Проверяем пульт и контроллер
Если лампа перестала работать и не включается от пульта. Как уже было сказано выше, первым делом следует заменить батарейки. Если такая махинация не помогла решить проблему и прибор не включается, тогда следует переходить к проверке работоспособности этого пульта и самого контроллера.
Если у вас есть дополнительный пульт, который подходит к контроллеру, можно использовать его в качестве тестера. Если и с его помощью ничего не вышло, тогда неисправность пульта можно отложить в сторону, проблему заключена в устройстве управления всей схемой.
Проверьте правильность подключения контроллера, возможно, его изначально подключили неправильно. Убедитесь, что входящая полярность соответствует норме, и провода подключены как указано в инструкции. Также проверьте качество подключённых проводов, надёжно ли они соединены.
Если всё в порядке, тогда следует полностью заменить контроллер. Так как без необходимых знаний ремонт устройства практически невозможен.
Проверяем работоспособность светодиодов
Светодиодные лампочки очень часто подвергаются поломке из-за неправильного использования. Они состоят из множества разных деталей, которые изнашиваются при повышенном входящем напряжении или неправильно подключении.
Самым простым способом проверить работоспособность лампочки, подключить её к другому прибору. Только следует убедиться, что он абсолютно исправен и работает нормально. Также для проверки можно использовать специальный или сделанный своими руками светодиодный тестер.
Он отлично подходит для лампочек с нестандартным цоколем. Ремонт светодиодов невозможен, их следует заменить, в случае, когда они перестают функционировать.
Причины поломок и их решения
Каждая технически сложная схема подвергается множеству возможных неисправностей. Причин возникновения неисправностей может быть очень много начиная от плохой подачи тока, заканчивая браком элементов питания и поддерживания работоспособности.
Люстры с пультом управления работают при входящем напряжении 220 Вольт. Если входящий ток имеет сильное отклонение, тогда риск возникновения поломки значительно увеличивается. Допустимое отклонение перепадов тока находится в пределах +- пять процентов. Если показатель уходит за эти границы, тогда устройство может быстро выйти из строя.
Также довольно распространёнными причинами является плохое качество соединения контактов, неправильно подключение, смена полярности, недостающая мощность трансформатора и блока питания. Очень часто последние два элемента выходят из строя из-за использования слишком мощных галогенных или светодиодных ламп, они вызывают перегруз схемы и запчасти выйдут из строя.
Оценка статьи:
Загрузка…Поделиться с друзьями:
proosveschenie.ru
Самодельное управление люстрой пультом ДУ
Это устройство будет полезным во многих ситуациях совершенно разным людям. Как маленьким детям, что бы управлять освещением в спальне, так и пожилым людям которым тяжело вставать.
Давайте рассмотрим схему этой самоделки, и разберемся, как она работает.
Устройство управления люстрой состоит из фотоприемника, триггера силового ключа и собственно лампы накаливания. При попадании ИК луча на фотоприемник, на его выходе формируется импульс, который приходит на вход С триггера DD1. Причем каждый импульс переводит триггер в противоположное состояние. Если на его выходе присутствует логическая единица, VT1 открыт, и через нагрузку течет ток. Если на выходе триггера будет низкий уровень напряжение затвор—исток полевого транзистора близко к нулю, и нагрузка обесточена. Фотоприемник и микросхема запитаны от параметрического стабилизатора, построен он на резисторе R5 и стабилизаторе 7805, конструкция его несколько не стандартна. Конденсатор С4 фильтрующий. Цепь VD1 VD2 R3 защищает выход микросхемы от сетевых наводок. Резистор R4 подтягивает затвор транзистора по питанию, облегчая его открывание.
Конструкция и детали самодельного устройства управления может быть совершенно разной. Главное чтобы выполнялись правила электро безопасности. Прибор можно сделать самому как на печатной плате, так и на простой монтажке.
Детали можно применять любые, на работу не влияет. Единственное, если преследуется цель уместить его в небольшой корпус, нужно применять малогабаритные компоненты. Используемую микросхему 74HC74D можно заменить на К561ТМ2, в этом случае ее R и S выводы необходимо соединить с общим проводом. Транзистор IRF840 при необходимости можно заменить транзистором IRFBC40LC. коммутируемая нагрузка не должна быть больше 250 — 300 Вт. При большей мощности нагрузки транзистор необходимо установить на радиатор.
Готовое устройство управления люстрой.
samodelka.info
Изучаем потолочные светодиодные люстры, работающие с пультами дистанционного управления
На смену устаревшим источникам освещения приходят новые. Современные люстры в стиле хай-тек и даже классические образцы работают по технологии LED (ЛЕД). Англоязычная аббревиатура расшифровывается как «light-emitting diode» — светодиоды. И вот их главные преимущества:
Этого вполне достаточно, чтобы вытеснить с рынка лампы накаливания. Дополнительный плюс состоит в том, что светотехника работает с пультами дистанционного управления (ПДУ). Необходимость идти к выключателю в дальнем конце комнаты отпадает, а лень, как известно, двигатель прогресса.
Расскажем о том, как выбрать и подключить потолочную LED-люстру. Но сначала покажем, как она выглядит в интерьерах.
Фото светодиодных люстр в интерьерах

Есть 4 фактора, которые следует объективно рассмотреть во время работы
над дизайном интерьера:
Стиль.
Размер.
Цвет.
Форма.
Стиль необходимо выбирать в соответствии с общим проектом комнаты. Классическая люстра будет неуместной деталью в помещении с современным оформлением. Главное — сочетаемость. Пример можно увидеть на фото:

Размер прибора с пультом дистанционного управления можно определить по формулам:
Диаметр: (ширина комнаты, м + длина комнаты, м) × 10 = диаметр люстры в сантиметрах. Например: (3 м + 4 м) × 10 = 70 см.
Высота: высота комнаты, см / 4 = высота источника света в сантиметрах. Пример: 300 см / 4 = 75 см максимум.

Приведенные формулы — это просто шаблоны, допускается отходить от них как в большую, так и в меньшую стороны.
Цвет специалисты по оформлению выбирают на основе двух подходов: полное растворение в интерьере и акцентирование. В первом случае оттенок прибора должен быть полупрозрачным, незаметным, а во втором софит следует ярко выделить на общем фоне.

Форма тоже зависит от общих пропорций. Круглые люстры гармонично вписываются почти в любое помещение, а вот квадратные в овальных комнатах смотрятся нелепо.

Количество потолочных светильников определяется по соотношению длины и ширины помещения. Если оно равняется 2:1 или больше, следует подумать об установке дополнительного источника света в комнате. Рекомендация особенно актуальна для длинных коридоров и прихожих.
Устройство светодиодных люстр

Светодиодные бытовые люстры состоят из 6 основных элементов:
Крепежный узел. Планка или крестовина, которая монтируется на потолок, плюс винты.
Блок управления. Контроллеры, печатные платы, провода, понижающие трансформаторы.
Радиоприемник. Сенсор и схема для приема сигнала от ПДУ.
Осветительный сегмент. Патроны под лампы и гнезда для установки светодиодов.
Пульт дистанционного управления.
Декор. Дополнительные детали для украшения.
Кроме того, в приборе может быть установлена система проигрывания музыки со звуковыми колонками или ленточная подсветка.
Основные функции

Осветительный контур радиоуправляемых LED-ламп начальной и средней ценовой категории состоит из 3 частей. Это позволяет гибко регулировать уровень света в комнате. Пульт дистанционного управления полностью заменяет стационарный диммер.
Большая часть продукции рассчитана на 4 режима работы:
A. Включены все лампы.
B. Работает второй световой контур.
C. Функционирует третий контур.
D. Все лампы выключены.
В зависимости от стоимости и модели люстры режимов работы может быть больше. В продаже есть устройства с 2, 3, 4 и 6 каналами.
Схемы подключения

Основной компонент осветительного прибора — блок радиоуправления, или Wireless switch. Для примера возьмем контроллер от Elektrostandard серии Y. К нему и нужно подключать электропитание. Дальнейшая разводка на момент покупки уже будет выполнена на заводе во время сборки продукции.

Большинство домов и квартир на территории СНГ оборудовано однофазной проводкой. Нулевой (N) и фазный (L) провода есть всегда, а вот заземляющий ноль — редкость. Если его нет, то место в клеммной колодке можно оставить свободным. Вот схема для подключения 2-канального контроллера Y2:

В случае с 3-канальным блоком Y7 (это не опечатка, таков порядок маркировки) схема будет выглядеть так:

При использовании 4-канального приемника Y4:

Самый функциональный 6-канальный Wireless switch Y6 подключается таким образом:

К стационарному выключателю обязательно следует подводить фазный, а не нулевой провод. Наличие напряжения можно проверить с помощью индикаторной отвертки.
Критерии выбора

Осталось назвать критерии, которые помогут выбрать подходящую светодиодную бытовую люстру. Их всего 3:
Радиус пульта дистанционного управления. В маленьком помещении хватит моделей, рассчитанных на дальность до 8 метров, но для дома с просторными комнатами этого будет мало.
Мощность и яркость источника освещения. Этот вопрос мы подробно разбирали в следующей статье: как выбрать светодиодные лампочки по таблице мощности.
Тип конструкции. Даже LED-приборы нагреваются и могут повредить полотно натяжного потолка. Поэтому необходимо узнать рабочую температуру будущей люстры.
На видео представлена дополнительная информация о продукции с радиоуправлением:
Мы достаточно подробно рассказали о конструкции люстр, работающих на светодиодах, рассмотрели основные схемы подключения и опубликовали фото удачных изделий. Теперь читателям будет проще выбрать идеальный прибор для своего помещения.
Распродажа (-55%):
bydom.ru






