Установка дверей доводчика – Установка доводчика на дверь своими руками, фото, видео
Установка доводчика на дверь своими руками, фото, видео
Главная » Двери » Самостоятельная установка и регулировка дверного доводчика
Чтобы двери не оставались открытыми, раньше использовали банальную пружину, сегодня ставят дверной доводчик. В основе его конструкции тоже лежит пружина, но она более мощная, спрятана в металлический корпус и залита маслом — для «торможения» при закрывании. Установка доводчика на дверь — задача несложная. Самостоятельная установка займет минут 20-30. Вряд ли больше. Так что берем дрель и ставим своими руками.

Самая популярная модель
Классификация
Содержание статьи
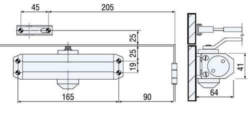
Согласно мировым стандартам EN 1154 дверные доводчики классифицируются по усилию закрывания, которое они могут создавать. Делятся они на 7 классов, которые обозначаются EN1- EN7. При выборе класса обращают внимание на инерционность двери, то есть на ширину ее полотна и массу одновременно. Если разные параметры двери отвечают различным классам, ставят устройство более высокого класса.
| Класс доводчика для двери | Ширина дверного полотна, мм | Масса дверного полотна, кг |
|---|---|---|
| EN1 | до 750 мм | до 20 кг |
| EN2 | до 850 мм | до 40 кг |
| EN3 | до 950 мм | до 60 кг |
| EN4 | до 1100 мм | до 80 кг |
| EN5 | до 1250 мм | до 100 кг |
| EN6 | до 1400 мм | до 120 кг |
| EN7 | до 1600 мм | до 160 кг |
Например, ширина двери отвечает классу EN2, а масса — EN4. Ставят 4-й класс, так как более слабое усилие с нагрузкой не справится.
Есть дверные доводчики, относящиеся к одному классу. В характеристиках тогда указывается класс с одной цифрой — EN5. Они имеют небольшой диапазон регулировки усилий — в пределах одного класса. Есть устройства, усилие на закрывание которых регулируются в пределах нескольких групп. В таком случае в маркировке ставят диапазон через дефис — EN2-3, например. Последние более удобны в эксплуатации — можно настроить скорость закрывания в зависимости от погоды. Но стоимость таких моделей выше.
Конструкции и устройство тяги
Основной элемент конструкции доводчик для двери — пружина, которая толкает рычаг. По способу передачи усилия от пружины к рычагу бывают устройства двух типов:
- С рычажной тягой. Такие модели имеют характерный вид — перпендикулярно к поверхности дверного полотна торчат рычаги. Те же доводчики называют еще с коленной или шарнирной тягой. Конструкция работает надежно, но торчащие рычаги непривлекательны, к тому же, при желании, их легко сломать. Есть еще один недостаток: по мере открывания двери требуется прикладывать все большее усилие. Для детей и пожилых людей это может стать проблемой.

С рычажной тягой
- Со скользящим каналом. В этих моделях рычаг располагается параллельно дверному полотну, что обеспечивает более привлекательный внешний вид. Еще один плюс: при открывании двери на 30°, усилие для дальнейшего открывания становится намного ниже. Оснащенные такими дверными доводчиками двери легко открывают и дети и пожилые люди.

Со скользящим каналом
Оба эти типа состоят из двух частей: корпуса, в котором спрятана пружина и передающий усилие механизм и рычаг. Монтируются они вверху двери: одна часть на полотно, вторая — на коробку. Какая-куда, зависит от направления открывания. Если двери открываются «на себя», на дверное полотно устанавливается корпус с механизмом, при открывании «от себя» — крепится рычаг. На фото изображен доводчик рычажного тип, но аналогичные правила установки и для моделей со скользящим каналом.
Установка доводчика на дверь в зависимости от направления открывания
Как понимаете, они подходят не на все типы дверей — на стеклянные поставить их проблематично. Для них есть другая конструкция — напольная. Корпус с механизмом монтируется в пол, сверху выступает лишь пластина-держатель. Аналогичный держатель устанавливается и вверху, но механизм там есть далеко не всегда, только для тяжелых дверных полотен.

Напольный доводчик для стеклянных дверей
Есть, кстати, напольные модели и для деревянных и металлических дверей. Они также имеют рычажную передачу или со скользящим каналом. Они меньше бросаются в глаза, но при таком расположении чаще повреждаются.

Напольный доводчик для стеклянных дверей
Установка межкомнатных дверей своими руками описана тут.
Где ставить
Установка доводчика на дверь: инструкция с фото
Для монтажа доводчика на двери необходимы только дрель, линейка, карандаш и отвертка. Сверло обычно требуется «3» (тройка), но надо смотреть на диаметр крепежа, который обычно идет в комплекте.

Что необходимо для монтажа дверного доводчика
Большая часть производителей, для облегчения самостоятельной установки доводчика на двери, комплектует изделия установочными шаблонами. На этих шаблонах схематически изображены части доводчика в полную величину. Также на них нанесены монтажные отверстия для каждого элемента. В моделях, которые могут создавать усилие на открывание разного класса, отверстия прорисовываются разными цветами, дополнительно они подписываются — рядом ставится класс доводчика.

Пример шаблона для установки дверного доводчика
Шаблон напечатан с обоих сторон листа. На одно стороне — для открывания дверей «на себя» — со стороны петель (на фото выше), на другой — «от себя».
Установка шаблона
На шаблоне имеется две перпендикулярные красные полосы. Горизонтальную совмещаем с верхним краем дверного полотна, вертикальную — с линией оси петель.

Установка шаблона
С верхним краем дверного полотна все понятно, а вот чтобы при монтаже не ошибиться, линию оси петель необходимо прорисовать. Если устанавливается доводчик со стороны петель, проблем нет — при помощи длинной линейки и карандаша переносите линию середины петель вверх. Если монтаж будет осуществляться с другой стороны, замеряете расстояние от края полотна до середины петли. Отмечаете это расстояние с другой стороны и рисуете линию.
Отверстия под доводчик
На шаблоне находим отметки под отверстия согласно выбранному классу. При помощи сверла или шила переносим их на дверное полотно и на раму.

Переносим отметки под отверстия на полотно и раму
Обычно в комплекте идут два типа крепежа: для металла (металлопластика) и древесины. Выбираем сверло подходящего размера и дрелью сверлим отверстия в обозначенных местах.

Дверные доводчики комплектуются двумя типами крепежа — для металлических и деревянных дверей

По отметкам сверлим отверстия
Далее собственно и начинается установка доводчика на дверь. Обратите внимание, что для монтажа необходимо чтобы корпус и рычаги были разъединены. Если они собраны, их разделяют (откручивается шайба, вынимается винт, соединяющий рычаги и корпус).
Монтаж
Прикладываем части к проделанным отверстиям, устанавливаем крепеж. На схеме находим тот класс усилия на открывание, который нам необходим (в данном случае EN2) и устанавливаем части так, как показано на рисунке.

Схема установки доводчика на двери
Для открывания «на себя» корпус ставим на дверное полотно, на коробку устанавливаем тягу.

Устанавливаем корпус

Прикручиваем тягу
Теперь к корпусу надо подсоединить рычаг тяги. В нижней части корпуса имеется специальный выступ. Надеваем на него рычаг, затягиваем винтом.

Устанавливаем рычаг тяги
Теперь осталось соединить рычаг с тягой. Есть два варианта.
Самостоятельный монтаж входной двери описан тут.
Соединить рычаг с тягой
Само соединение рычага с тягой происходит очень просто: совмещаются две части, немного придавливаются пальцами. С легким щелчком они фиксируются. Весь фокус в том, как расположить их относительно двери. От этого зависит темп движения дверного полотна на завершающей стадии закрывания. Положение может изменяется благодаря тому, что тяга состоит из двух частей и может регулироваться по длине — одна из частей тяги — длинный штифт с резьбой. Вращением штифта и укорачивают или удлиняют ее.
Если необходима просто плавная доводка, тягу ставят так, чтобы она была перпендикулярна дверному полотну. Для этого немного уменьшают ее размеры (на фото слева).

Расположение рычага и тяги для выставления финишного усилия
Если в двери установлена защелка, необходимо солидное усилие, чтобы преодолеть ее сопротивление. Для такого варианта перпендикулярно двери ставят плечо (тягу раскручивают, делая длиннее).
Выставив части соответствующим образом, их совмещают и соединяют. Собственно все, установка доводчика на дверь закончена. И с ней можно справится своими руками, причем без особого труда. Остался финишный этап — настройка скорости закрывания. Для этого надо разобраться в регулировках дверных доводчиков.
Как поставить на калитку
Для установки на калитку подходят морозоустойчивые модели, которые могут эксплуатироваться снаружи. Но не все калитки имеют верхнюю перекладину. Зато боковые стойки есть у всех. В этом случае тягу крепят к боковой стойке, развернув крепежную пластину вдоль стойки.

Установка доводчика на калитку без верхней перекладины
Но гидравлические устройства (о них шла речь в этой статье) не очень хорошо чувствуют себя на морозе. Масло, которое заливается в корпус и служит для «торможения» дверного полотна, становится более вязким, калитка закрывается медленнее. С этой точки зрения лучше для калитки выбрать пневматическую модель (о выборе и установке читаем тут).
Как установить на металлическую дверь
Монтаж доводчика на металлические двери отличается только типом используемого крепежа и размером сверла. Так как полотно обычно более тяжелое, выбираются мощные модели не ниже 5 класса (смотреть надо по таблице). Соответственно, на монтажном шаблоне понадобится разметка для другого класса.

Доводчик на входную металлическую дверь ставиться аналогично
Также может понадобиться более мощная дрель, но это все — детали. В остальном же, ставить доводчик на металлические двери, надо точно также, как и деревянные или металлопластиковые.
Регулировка доводчика для двери
Доводчики, которые устанавливают на двери имеют разную конструкцию и регулировочные винты располагаются в разных местах. Точно все указано в паспорте или инструкции по установке. Но, в общем и целом, методика одна:
- вращая винт по часовой стрелке скорость/сила увеличивается;
- поворачивая против часовой стрелки — тормозим/уменьшаем силу.
При регулировке доводчика, не крутите винты сразу на несколько оборотов. Часто достаточно всего четверти оборота, может, чуть больше. Сбив баланс слишком закрутив или выкрутив винты, настроить все снова очень сложно. Можно даже сломать устройство или добиться того, что изнутри потечет масло.
Регулировки скорости открывания двери и «прихлопывания» находятся на корпусе. Чаще всего они или на лицевой части под защитной крышкой или на боковой его поверхности.

Отодвигаем крышку, находим винты

В округлых или многогранных корпусах регулировки находятся сбоку на корпусе
stroychik.ru
Как установить доводчик на дверь: основные этапы и секреты
Перед тем, как установить доводчик на дверь, пользователь должен изучить особенности его конструкции, проверить комплект и составить для себя примерный план действий. В инструкции по установке описываются все необходимые шаги, приводится перечень инструментов, которые понадобятся.
Но есть несколько нюансов в каждом этапе монтажа доводчика, которые требуют отдельного объяснения. Так, самостоятельный монтаж скрытого доводчика – не лучшее занятие для того, кто впервые занимается подобным делом. В этой ситуации лучше воспользоваться советом профессионала или попросить того, у кого есть опыт, помочь с определением разметки и других тонкостей монтажа.

Порядок установки доводчика на дверь
В домашних условиях для установки на межкомнатные двери чаще всего используют доводчики реечного типа с рычажным механизмом – своеобразным «коленом», которое заметно. Чуть реже используются устройства со слайдерной тягой. Скрытые доводчики используются реже, однако без них не обойтись, если установка происходит на стеклянные конструкции или интерьер требует строгого соблюдения стиля. Критических отличий в общем плане установки доводчика своими руками нет.
Первый этап: определение схемы установки
Схема установки дверного доводчика зависит от направления открывания двери. Различаются несколько типов:
- Дверь открывается туда, где будет размещен доводчик. Корпус в этом случае устанавливается на полотно, а система рычага – на раму.
- Открывается наружу от доводчика. Схема становится противоположной – скользящий канал устанавливают на движущееся полотно, а корпус на косяк.
Следует учесть, что болты регулировки оборудования будут располагаться по направлению в сторону петель (на графической инструкции найдите обозначение буквами или цифрами).

Второй этап: применение шаблона
В комплекте с доводчиками идет обязательная схема установки, выполненная в масштабе 1 к 1. С его помощью монтаж устройства заметно облегчается, требуя лишь точных движений и определенных инструментов. На схему нанесена разметка крепления рычага и корпуса.
Помните! Шаблон всегда предполагает все варианты монтажа конструкции – на левую или правую дверь, внутреннее или наружное открытие.
На шаблоне также учитывается, для каких классов дверей предназначен доводчик, отчего может меняться место крепления (при покупке оборудования класс En выбирают согласно весу и размеру полотна). Под каждый тип нанесения на схеме нанесены линии разных цветов или типов (сплошная, пунктир).

Пример шаблона для установки доводчика
Третий этап: пошаговая установка
Перед началом установки доводчика шаблон из комплекта аккуратно и очень точно закрепляют на дверном полотне, следуя инструкции (по линиям). Для этого используют тоненький скотч. Затем кернером отмечают центры отверстий для сверления. Далее приступают к установке:
- Крепежными деталями устанавливают корпус, определяя по положению регулировочных винтов правильность монтажа.
- Затем устанавливают систему коленного рычага на противоположную строну от двери. Иногда детали рычажного оборудования в комплекте поставляются соединенными. Временно шарнир нужно убрать, к его установке возвращаются в процессе регулировки доводчика.
- Устанавливают нерегулируемую часть рычажной системы – колено. Для его монтажа используют ось доводчика, закрепляют с помощью гайки и ключа.
- Если доводчик устанавливается с целью плавного закрывания полотен без лишнего шума, то колено доводчика должно устанавливаться перпендикулярно двери. Рычаг ставится под углом относительно полотна. Проводить соединение частей доводчика нужно при полностью закрытой двери.
- Если целью установки доводящего механизма выступает финишное усиление (при использовании на полотне уплотнителя или защелки), то жесткий рычаг устанавливают перпендикулярно двери. Длина регулируемого колена подгоняется под жесткий механизм. Подобная установка усиливает пружину доводчика и позволяет ускорить дохлоп при закрывании.
- Установку заканчивают соединением обеих частей колена с помощью шарнира.
В комплект установки доводчика входят все необходимые крепежные элементы для монтажа на деревянные, пластиковые и металлические двери (если применение механизма подходит для этих классов полотен). Так саморезы для древесины внешне будут отличаться от крепежных элементов для металла.

Нюансы нестандартной установки
Иногда требуется использование альтернативной схемы установки доводчика для межкомнатных дверей или тяжелых входных полотен. В процессе используются монтажные пластинки и уголки. В некоторых моделях они есть в комплекте, для других нужно покупать отдельно:
- Если дверной проем оказывается слишком глубоким и не позволяет установить рычажный кронштейн на раме, то применяют монтажный уголок.
- Иногда возможна противоположная ситуация, и уголок используют для установки вместе с корпусом оборудования.
- Особенности конструкции двери не всегда позволяют установить корпус доводчика (узорная резьба или высокое стекло), в этом случае используют монтажную пластину, на которую ставят корпус оборудования.
- Если дверь выступает за раму или место над полотном не позволяет прикрепить рычаг доводчика, то для выравнивания положения корпуса и крепления используют монтажную пластину.
Выбор пластины или уголка будет зависеть от конструкции полотна, размера доводчика. Определиться с ним поможет консультант магазина.

Особенности установки скрытых доводчиков
Скрытые механизмы бывают напольными, верхними и представленными в виде доводчиков-петель. Первый тип используется для установки вместе со стеклянными конструкциями, реже – с пластиковыми и деревянными. Его монтаж происходит в процессе установки дверей. Верхние скрытые механизмы требуют особой точности в работе и предельной аккуратности. Перед их установкой в полотне нужно сделать специальное отверстие, в которое будет установлен корпус доводящего механизма.
Общие принципы монтажа таких конструкций похожи на установку доводчика рычажного типа своими руками. Однако не все межкомнатные конструкции предполагают подобный вариант из-за слишком тонкого полотна. А металлические двери, наоборот, оказываются слишком тяжелыми для подобного оборудования, и применение механизмов с внешним рычагом становится лучшим решением.

Напольный доводчик
Дверные петли с доводчиком
Петли с интегрированным доводчиком относятся к скрытым механизмам и предназначены для легких конструкций. Идеально подходят для межкомнатных дверей, абсолютно незаметны и просты в установке. Достаточно воспользоваться схемой монтажа обычных скрытых или накладных дверных петель.
Помните! Внешне петля с доводчиком мало чем отличается от стандартной фурнитуры. У нее лишь немного увеличен цилиндр корпуса.
Устанавливать петли-доводчики не рекомендуется на массивные деревянные, пластиковые и металлические двери. Хрупкость их конструкции будет работать на износ, что приведет к быстрой поломке. Сила тяги таких изделий подходит лишь для самых легких полотен.
Самое сложное в процессе установки скрытого доводчика-петли – это определение правильной оси. Подобная конструкция устанавливается с небольшим нарушением вертикального положения. Если у монтажника слишком мало навыков работы с подобными механизмами, то лучше воспользоваться услугами профессионала.
Регулировка доводчиков после установки
Правильно установить доводчик для входных или межкомнатных дверей невозможно без финального этапа – регулировки и последней настройки. Первичный монтаж не всегда позволяет добиться правильной работы оборудования, что приводит к поломкам. Также механизмы нуждаются в периодической регулировке, которая происходит во время смены времен года.
Первое, на что обращают внимание, — это скорость движения двери:
- Если полотно слишком медленно открывается, то регулируют пружину доводчика.
- За ее сжатие отвечает специальная гайка, отмеченная в инструкции особой буквой или цифрой.
- Головку клапана поворачивают, следуя инструкции, по часовой или против часовой стрелки, но не больше 2 оборотов в одну сторону.
Обычно в доводчиках есть 2 клапана регулировки. В редких моделях встречается третий клапан. Если первый отвечает за регулировку скорости, то второй используется для плотного закрывания двери – дохлопа. Третий клапан отвечает за ход конструкции полотна при углах в 90 или 80 градусов.

Функция hold-open дает возможность фиксировать дверь в открытом положении под заданным углом (обычно в 90 градусов). Однако ею оснащаются не все доводчики. При необходимости опцию можно купить вместе с механизмом или установить потом при необходимости.
В процессе использования многие доводчики нуждаются в замене масла, так как оно может утрачивать свою вязкость в ходе эксплуатации и воздействия перепадов температур.
Замену масла рекомендуют проводить не реже 2 раз в год – летом и зимой. То же относится к движущимся элементам, смазку которых проводят специальным маслом.
Видео об установке доводчика на дверь
otlichnyjremont.ru
Как установить доводчик на дверь
Многим из нас памятны нехитрые устройства, которые ранее применялись для того, чтобы обеспечивалось самостоятельное и плотное закрывание входных, межкомнатных дверей, калиток, входов в подъезд и т.п. Для этого использовались обычные пружины, противовесы с тросиками и системами блоков, а нередко народные умельцы приспосабливали в подобных целях даже резиновые жгуты или куски старых покрышек. Сегодня такие проблемы решаются гораздо проще и эффективнее, так как есть всегда возможность купить дверной доводчик – их ассортимент, представленный в продаже, весьма широк.

Как установить доводчик на дверь
Приобрести такой механизм – это лишь полдела, так как нужно еще правильно его смонтировать. Можно, конечно, обратиться к услугам мастеров, однако, если тщательно разобраться, как установить доводчик на дверь, то окажется, что подобную работу вполне можно провести и самостоятельно.
Содержание статьи
Общие сведения об устройстве дверных доводчиков
Доводчик – это механическое устройство, накапливающее потенциальную энергию при открытии двери, которая затем расходуется на ее плотное закрытие. «Аккумулятором» чаще всего является мощная пружина.
Передача усилия на пружину и обратно, на дверное полотно, может осуществляться по одной из двух схем:
1. Доводчики с внутренним гидравлическим контуром и реечной передачей усилия.

Схема работы доводчика с реечной передачей момента и гидравлическим контуром
- При открывании двери шестерёнка, установленная на оси рычага, проворачиваясь, передает поступательное движение через рейку поршню (верхняя часть рисунка), а тот, в свою очередь, сжимает пружину.
- Когда открывающее внешнее усилия снято, пружина стремиться вернуться в исходное положение (на рисунке – снизу). Она толкает поршень, вызывая вращение шестеренки, которая передает усилие на рычажную систему доводчика.

Корпус доводчика в разрезе
Плавность работы обеспечивается системой полостей и каналов, по которым перетекает масло, которым заполнен весь корпус доводчика. Изменяя внутренний просвет каналов, можно точно отрегулировать плавность работы всего механизма.
Подобная схема является самой распространенной, особенно на доводчиках с рычажной передачей усилия.
Видео: устройство и схемы установки доводчика с реечным механизмом
2. Доводчики с кулачковым механизмом

Схема доводчика с кулачковым механизмом
На оси рычага – кулачок сложной эксцентричной формы («сердцевидной»), с двух сторон подпертый роликами. При открытии двери выступающая часть кулачка сжимает пружину, которая на своем обратном ходу вызывает проворачивание кулачка в противоположную сторону, что приводит к плавному закрытию двери. Регулировка вращающего момента проводится изменением геометрии профиля эксцентрика.
Такая схема чаще применяется в доводчиках с канальным расположением тяги или в механизмах скрытого размещения.
Следующий параметр классификации доводчиков – место их установки. Подавляющее большинство устройств предназначено для накладного монтажа их вверху. Однако, иногда из соображений не эстетичности или невозможности установки механизма сверху (например, стеклянные двери, или в тех случаях, когда доводчик своим видом нарушит задуманный дизайн помещения), могут применяться и другие схемы – скрытая установка в полу, в раме или в дверном полотне.
В свою очередь, накладные доводчики с верхним расположением подразделяются на два типа:

Доводчик с открытым двухколенным рычажным механизмом
- Механизмы с шарнирной (рычажной) тягой, состоящей их двух колен. Достоинства – простота и надежность конструкции, хорошая передача усилия, большой заложенный потенциал возможных регулировок и дополнительных функций. Недостаток – выступающая рычажная система может не всем прийтись по вкусу из эстетических соображений. Кроме того, она в большей степени подвержена проявлениям вандализма.

Доводчик с направляющим каналом — слайдерной системы
- Доводчики слайдерной системы – со скользящим каналом. Свободный конец рычага снабжен роликом и перемещается в закрытом коробчатом канале. Достоинства – эстетичность, меньшая подверженность вандальным действиям, возможность размещения в канале ограничителя открывания двери. Отсутствие выступающих деталей позволяет устанавливать такие доводчики на дверях, близко расположенных к стенам. Недостатки – требуются более значительные усилия для открывания дверей (сжатия пружины), ограниченность в регулировках и дополнительном функционале.
Что учесть при выборе доводчика
Если появилось желание оснастить дверь в своей квартире или доме доводчиком, прежде чем приобретать этот механизм нужно определиться с его «размером». Под этим понятием кроется классификация по европейскому стандарту EN 1154. Так, установлено семь градаций доводчиков по величине закрывающего усилия, которые подбираются исходя из размеров и массы дверного полотна:

Стандартная градация «размеров» доводчика
- При подборе нужной модели необходимо ориентироваться на максимальный показатель своих дверей. Например, если полотно в ширину имеет 900 мм, но, вместе с тем, весит 70 кг, то потребуется приобрести доводчик с размером ЕN-4.
- Для максимального удобства потребителей разработчики таких механизмов часто предусматривают определенный диапазон их возможностей. Например, в технической документации может быть установлены пределы «ЕN-2 ÷ ЕN-4». Конкретная величина усилия в таком случае будет определяться лишь особенностями монтажа доводчика.
- В тех редких ситуациях, когда усилия одного доводчика может не хватить, прибегают к парной их установке.
- Приобретать стоит ту модель, которая в максимальной степени подходит к имеющимся дверям. Занижение характеристик приведет к быстрому выходу доводчика из строя. Слишком большой размер – это ненужные трудности с нормальным открыванием дверей.
- Если планируется установка доводчика на улице или в неотапливаемом помещении, обязательно нужно уточнить, предусмотрена ли такая возможность на конкретной модели. Проблема заключается в значительном изменении вязкости масла в гидравлической системе при термических перепадах. Обычно в паспорте изделия указывается допустимый рабочий диапазон температур.
- Сразу можно оценить функциональные возможности выбираемой модели. Базовые регулировки большинства доводчиков включают изменение силы пружины, скорости и усилия закрывания двери в секторе от 180 до 15º и на конечном участке (доводка) – от 15 до 0º. Кроме того, могут быть предусмотрены и иные параметры:
— Предотвратить резкое открытие дверей при чрезмерном усилии или же на сквозняке или порывистом ветре поможет специальный регулируемый гидравлический демпфер. Он убережет двери от поломки, от удара по прилегающим стенам, не допустит случайного травматизма.
— Нередко условия эксплуатации помещений требуют оставления двери открытой на продолжительное время. Для этого потребуется доводчик с механизмом фиксации в открытом положении.
— Бывают ситуации, когда после каждого отрывания дверей и до начала их закрытия требуется определённая пауза, порядка полуминуты (например, склады, кладовки, подсобные помещения). Эта возможность также может быть реализована в доводчиках с функцией задержки закрытия.
— Если на дверях установлен эластичный уплотнитель, или же они оснащены защелками, будет полезна функция точного регулирования скорости и усилия дохлопа.
— Если двери двустворчатые, то может понадобиться дополнительный механизм координирования единообразного закрывания обеих створок.
— Для «холодных» дверей лучше приобрести доводчик с системой «термозаслонки», которая, реагируя на перепады внешней температуры, расширяется или сужается, компенсируя изменения вязкости масла в гидравлической системе.
Примерный порядок установки доводчика на дверь
Так как наиболее распространёнными в условиях квартир являются доводчики с гидравлической реечной системой и рычажным механизмом, процесс установки будет рассмотрен именно на их примере. По большому счету. Монтаж доводчиков со слайдерной системой особо не отличается, а в ряде случаев – даже является более простой задачей.
- Прежде всего следует определиться со схемой установки, которая зависит от направления открывания дверей:

Схема установки зависит от направления открывания двери
— Если дверь открывается в сторону размещения доводчика, то его корпус будет крепится к дверному полотну, а рычажная система – к дверной раме.
— При открывании двери наружу, от себя, схема меняется на противоположную – корпус на косяке, а кронштейн рычажной системы или скользящий канал – на двери.
В обоих случаях винты регулировки на корпусе доводчика должны быть обращены в сторону петель.
- В комплект практически любого современного доводчика обязательно входит шаблон, выполненный в натуральную величину, который предельно упрощает процесс предварительной разметки мест крепления и корпуса, и рычажного кронштейна.

Образец установочного шаблона доводчика
Обычно шаблоны имеются на все предусмотренные способы установки – на левые и правые двери, открывающиеся наружу или вовнутрь.
Кроме этого, если доводчик имеет возможность работать в нескольких стандартных классах по ЕN, то на шаблоне это тоже обязательно будет указано. Бывают нанесены разные линии его приложения к углу двери (как на представленном примере), либо на нем указаны разным цветом центры высверливания монтажных отверстий под каждый уровень (размер).
Итак, если мастер определился с требуемым размером и местом расположения деталей, можно переходить к монтажу.

Шаблон крепится по линиям, кернятся места для отверстий
- Шаблон с максимальной точность крепится с помощью полосок скотча к дверному полотну по указанным линиям. Кернером намечаются центры высверливаемых отверстий.

Высверливание отверстий под саморезы
- Электродрелью высверливаются отверстия требуемого инструкцией по монтажу диаметра.

Крепление корпуса доводчика
- Входящими в комплект поставки крепежными деталями (саморезами) крепится корпус доводчика. При этом следует лишний раз проверить правильность ориентирования регулировочных винтов.

Крепление кронштейна регулируемого рычага
- Следующий шаг – установка кронштейна (лапки) с регулируемым коленом рычажной системы.
Если детали рычажного механизма в комплекте поставки соединены между собой, то этот шарнир нужно временно разобрать – окончательная его сборка будет проводиться при регулировке доводчика.

Установка кронштейна может зависеть от величины усилия доводчика
Еще один нюанс. Кронштейн может быть в несимметричном исполнении, поэтому следует сверить его расположение с требуемым усилием закрывания двери. В рассматриваемом случае (на рисунке) показаны два положения – для ЕN -2 и для ЕN -3 и 4.
- Следующий шаг – установка жесткого, нерегулируемого колена рычажной системы. Оно сажается на ось доводчика на шлицы (обычно — четырехгранник) и фиксируется гайкой с помощью гаечного ключа.
-

Крепление нерегулируемого колена рычажной системы
Прежде чем его соединять шарнирно оба рычага, необходимо учесть еще одну тонкость монтажа:

Необходима плавная доводка двери
— В случае, когда приоритетом является плавное закрывание двери без стука, а сама она не оснащена защелкой или уплотнителем, регулируемое колено рычага размещается перпендикулярно поверхности двери, а жесткий рычаг – под углом к ней. Соединение проводится при полностью закрытой двери. Длину регулируемого рычага легко изменить, заворачивая или отворачивая на несколько оборотов винтовую его часть.

Требуется закрытие двери «с прихлопом»
—Если для закрытия двери необходимо акцентированное финишное усилие (установлен замок с защелкой или уплотнитель), то схема несколько меняется. Жёсткий рычаг в этом случае должен быть перпендикулярен дверному полотну, и под это расположение подгоняется длина регулируемого колена. Таким образом, пружина доводчика изначально становится немного нагруженной, что увеличит усилие при полном закрывании двери.
- После регулировки этого «треугольника» собирается шарнир между обеими коленами.
По сути, на этом стандартная процедура монтажа доводчика заканчивается и можно переходить к регулировке. Однако, как показывает практика, конструкция двери может преподнести определенные «сюрпризы», что потребует применения специальных монтажных планок (пластин) или уголков:

Кронштейн рычага на монтажном уголке
- Слишком глубокий дверной проем не дает возможности разместить рычажный кронштейн непосредственно на раме двери. В этом случае он устанавливается на монтажный уголок.

Обратная ситуация — на монтажном уголке установлен корпус доводчика
- «Зеркальная» ситуация, когда установки на монтажный уголок требует уже сам корпус доводчика.

Конструкция двери не позволяет разместить полностью корпус доводчика
- Конструкция дверного полотна не дает возможности установить корпус доводчика на своей поверхности (например, высоко расположенное стекло). В этом случае вначале крепится монтажная пластина, а затем, к ней, сам корпус.

Сложности с установкой кронштейна на дверной раме
- Дверное полотно несколько выступает за раму, или же место над ней не позволяет закрепить к нему кронштейн. Чтобы выровнять по одному уровню корпус и крепление рычагов, создать условия для надежного крепления, потребуется установить монтажную пластину.

Нормальному размещению корпуса доводчика препятствует причудливая форма наличника
- Сложная фигурная форма дверного наличника не дает ровной площадки для монтажа корпуса доводчика. Выход – предварительная установка монтажной пластины.
Монтажные уголки или пластины, как правило, не входят в комплект поставки доводчика, но обычно представлены в продаже в достаточно широком ассортименте для большинства моделей.
Регулировка установленного доводчика
После монтажа доводчика требуется провести необходимые регулировки так, чтобы его работа была наиболее комфортной для хозяев.
Скорость закрывания двери регулируется в двух диапазонах. Расположение и маркировка установочных винтов у разных моделей может существенно различаться – это следует уточнить в прилагаемой к изделию инструкции. Принцип же регулировки примерно одинаков.

Регулировочные винты
- Вначале вращением соответствующего винта регулируют доводку двери до закрытого состояния. Сила и скорость устанавливаемого «дохлопа» напрямую зависят от массы и конструкции двери, ее оснащенности замком с защелкой (например, на подъездах с кодовыми замками защелка может быть достаточно тугой), установленного по периметру проема уплотнительного контура. В любом случае, скорость двери на финишном участке не должна слишком сильно отличаться от движения в начальном секторе.

Диапазоны регулировок доводчика
- Затем устанавливают наиболее приемлемую скорость от полностью открытого положения и до угла примерно 15º (до начала доводки). Дверь должна двигаться плавно, без рывков и остановок.

Не следует чрезмерно усердствовать с вращением винтов!
- Регулировочные винты вращают очень плавно, в небольшом секторе –этого бывает вполне достаточно. Чрезмерное закручивание или выкручивание винтов может привести или к поломке механизма, или к разгерметизации корпуса с вытеканием из него масла.
- Если есть необходимость увеличения усилия закрывания, можно повысить специальным винтом предварительную нагруженность рабочей пружины доводчика.

Некоторые доводчики имеют дополнительные возможности регулировки работы
Как уже говорилась, некоторые модели доводчиком имеют и дополнительные функции. В инструкции по монтажу и эксплуатации конкретного изделия будут указаны правила регулировки, которых следует строго придерживаться.
Видео: пример регулировки дверного доводчика
Несколько советов по эксплуатации доводчика
- Ни в коем случае нельзя рассматривать доводчик в роли ограничителя максимального открывания двери – рычажный механизм при таком подходе долго не прослужит. В этих целях лучше применить амортизирующие дверные упоры, смонтированные на полу или на стене. Исключение составляют некоторые модели со слайдерным расположением рычага – в направляющем желобе иногда можно устанавливать ограничитель предельного открытия.
- Запрещается блокировать дверь с доводчиком в открытом положении с помощью установленных на пути полотна тяжелых предметов или привязывания за ручку. Если есть необходимость длительный срок держать вход открытым, необходимо на это время отсоединить рычажную систему.
- Нельзя пытаться принудительно увеличить скорость закрытия двери вручную – это вызовет быстрый износ механизма.
- Запрещено виснуть на дверях, разрешать детям кататься на них, вешать на ручки значительный груз.
- Доводчик будет функционировать правильно, если сама конструкция дверей не имеет дефектов. Еще перед монтажом следует проверить отсутствие разболтанность или провисания в петлях, перекосов полотна, правильную подгонку замков и защёлок, постоянно следить за этим в процессе эксплуатации.
- Если доводчик приходится устанавливать на улице, следует предусмотреть защиту от попадания на него осадков и прямых солнечных лучей. Установленные в подобных «холодных» условиях механизмы потребуют сезонной регулировки дважды в год.
- Необходимо проводить регулярное (не реже раза в год) смазывание шарнирных узлов рычажного механизма консистентной смазкой.
При соблюдении хозяевами правил эксплуатации, доводчик должен добросовестно отработать гарантированный производителем срок.
stroyday.ru
Как правильно установить доводчик на входную дверь
УСТАНОВКА ДВЕРНЫХ ДОВОДЧИКОВ
УСТАНОВКА ДОВОДЧИКА
Поздравляем, вы приобрели дверной доводчик торговой марки «НОРА-М»! Наши устройства зарекомендовали себя как качественные и долговечные. Однако бесперебойная работа доводчика на 99% зависит от самого первого этапа – его установки.
Как установить и отрегулировать доводчик двери для автоматического её закрывания
Как правильно установить доводчик на дверь своими руками, объясняется в инструкции, которая прилагается к каждой модели. Кроме того, эти же инструкции вы можете скачать в электронном виде на нашем сайте.
Перед тем, как начать установку доводчика, следует определиться с некоторыми важными параметрами.
Во-первых, встаньте лицом к двери с той стороны, где будет располагаться доводчик.
В случае, если дверь открывается от себя, доводчик крепится к коробу двери. Если же дверь открывается на себя, то доводчик следует закрепить на дверном полотне, а рычаг – на дверном коробе.
Учитывайте тот факт, что если дверь ведёт на улицу, то мы рекомендуем устанавливать устройство внутри помещения, чтобы оно было меньше подвержено воздействию внешней среды (перепадам температуры, влажности и пр.).
Во-вторых, следует определиться с максимально возможным углом открытия двери: 90, 120 или 180 градусов. Обратите внимание, что разным значениям угла открытия соответствуют разные предельные параметры дверного полотна (вес и ширина).
Для удобства выбора угла открытия в инструкции к каждому доводчику есть схема, смотри ниже (на схеме 1 указан пример угла открытия двери из текста инструкции к доводчику 3S).

СХЕМА 1 ВЫБОР УГЛА ОТКРЫТИЯ И МЕСТОПОЛОЖЕНИЯ ДОВОДЧИКА
После этого необходимо вырезать из инструкции полноразмерный шаблон, который поможет разметить место установки доводчика.
Шаблон необходимо расположить на закрытой двери согласно приведённой схеме: выбранный вами угол открытия будет зависеть от того, на каком расстоянии от дверных петель закреплён корпус доводчика. Внимание! Из-за перепадов влажности воздуха шаблон может поменять свой размер. Перед установкой обязательно сравните его с настоящими установочными размерами, указанными в инструкции.
После того, как вы укрепили шаблон на двери (удобно сделать это с помощью скотча), необходимо просверлить отверстия в тех местах, где, согласно шаблону, будут крепиться доводчик и рычаг.
Можно сделать это прямо сквозь бумагу – в этом как раз и заключается удобство полноразмерного установочного макета (рисунок 1 в инструкции).

РИСУНОК 1 РАЗМЕТКА ДЛЯ УСТАНОВКИ ДОВОДЧИКА
Затем разберите рычаг на два колена (рисунок 2 в инструкции).
РИСУНОК 2 РАЗБОРКА РЫЧАГА ДОВОДЧИКА
Укрепите корпус доводчика на двери или на коробке и присоедините к нему одно из колен рычага сверху или снизу – в зависимости от места крепления корпуса (рисунок 3 в инструкции).

РИСУНОК 3
После этого укрепите второе колено рычага (на двери или на дверном коробе).
При закрытой двери угол между этим коленом рычага и полотном должен составлять 90 градусов. Соедините части рычага между собой (рисунок 4 в инструкции).

РИСУНОК 4 УСТАНОВКА РЫЧАГА ДОВОДЧИКА
Закрутите гайку крепления рычага к корпусу доводчика (рисунок 5).
На этом установка доводчика на дверь завершена.

РИСУНОК 5 УСТАНОВКА ГАЙКИ
После установки необходимо отрегулировать доводчик. О том, как это сделать, подробно рассказывает инструкция (рисунки 6 и 7), а также соответствующая статья на этом сайте.

РИСУНОК 6 РЕГУЛИРОВКА ДОВОДЧИКА
Установка и монтаж дверного доводчика
Все дверные доводчики устанавливаются по одинаковому принципу, отличаясь лишь в расстояниях установки «тела» и рычага доводчика от петель.
Ниже мы приведем для Вас максимально подробный алгоритм установки модели NOTEDO DC-100 с иллюстрациями и пошаговыми инструкциями. Все доводчики NOTEDO комплектуются аналогичными инструкциями и шаблонами, поэтому на основе этой инструкции Вы сможете установить любую модель наших доводчиков.
Как установить доводчик на дверь
Стандартная и верхняя установки
Стандартная установка
Верхняя установка
Перед Вами наиболее популярные варианты установки, которые отличаются местом расположения доводчика — на дверном полотне или на дверной раме.
Мы рекомендуем стандартный вариант установки, который и рассмотрим подробнее.
Приведенные выше изображения являются шаблонами для установки. Каждый доводчик комплектуется подобными шаблонами в масштабе 1:1, что значительно упрощает установку.
Монтаж доводчика двери: пошаговое руководство
Мы устанавливаем модель NOTEDO DC-100 на левую дверь, вид установки — стандартный.
Правила монтажа дверного доводчика
- Вы верно выбрали модель доводчика для веса Вашей двери
- Выбранный Вами вариант установки возможен (см.
ограничения на установку в инструкции, прилагающей к каждому доводчику)
- После установки доводчик не будет упираться куда-либо, например, в стену
- Доводчик и рычаг будут установлены на ровную поверхность
Алгоритм установки доводчиков дверей своими руками
- Каждый доводчик комплектуется шаблоном масштаба 1:1 (см.
изображение «Стандартная установка»). Руководствуясь шаблоном, выберите необходимое Вам усилие доводчика — EN3, EN4 и EN5.
От выбора усилия зависит расстояние от петель до тела доводчика и максимальный угол открытия двери. Для нашей установки мы выбираем усилие EN4. - Прикрепите шаблон к двери, используя скотч. Ранее мы выбрали значение EN4 (среднее расположение петель), поэтому при крепеже шаблона убедитесь, что его расположение соответствует дверным петлям (см.
изображение выше).
- Так масштаб шаблона 1:1, то вручную выверять расстояния не обязательно — воспользуйтесь шаблоном для наметки необходимых отверстий для установки доводчика.
Далее просверлите необходимые отверстия для установки доводчика.
- Возьмите рычаг и разъедините его на две части (открутив винт), как показано на изображении выше. Пруток рычага с крепежным»башмаком» и резьбой необходимо установить на дверную раму, другую же часть необходимо прикрепить к «телу» доводчика специальным винтом, идущим в комплекте поставки.
Далее необходимо с помощью идущих в комплекте метизов (шурупы и винты) установить доводчик и часть рычага в подготовленные ранее отверстия. - Далее Вам необходимо отрегулировать длину прутка с крепежным «башмаков», чтобы он после соединения двух частей рычага был перпендикулярен дверному полотну.
Сделать это можно увеличивая или уменьшая рычаг по длине. Не забывайте проверять выбранную Вами длину рычага путем поворота прутка, прикрепленного к «телу» доводчика, к прутку с «башмаком» — когда они будут удобны для соединения винтом, выкрученным нами в пункте 4, и рычаг с «башмаком» после соединения будет перпендикулярен дверному полотну, то значит Вы отрегулировали длину прутка правильно.
Если вышеперечисленные условия соблюдены, то соедините части рычага.
- Убедитесь, что угол между рычагом и дверным полотном составляет 90 градусов и что доводчик установлен винтами регулировки к петлям и только после этого приступайте к обязательной регулировке Вашего доводчика.
После регулировки доводчик готов к использованию, но помните, что его необходимо обслуживать, а именно:
— Через полмесяца после установки проверьте затяжку шурупов и винтов
— Обязательно проводите сезонную регулировку скоростей «доводки» и «закрывания» при изменении температуры на 10-15 градусов Цельсия
— Обязательно соблюдать правила эксплуатации доводчиков





Параллельная установка доводчиков дверей
Параллельная установка
Мы не рекомендуем данный тип монтажа доводчика, если есть техническая возможность для стандартной и верхней установок, т.к.
при параллельной установке эффективность доводчика будет ниже.
Данный тип установки возможен, например, если при стандартной установке доводчик при открытии двери упирается в стену или слишком низкий потолок мешает установить «тело» доводчика на дверную раму.
Для данного типа установки Вам необходим кронштейн (приобретается дополнительно).

Индивидуальная информация по параллельной установке содержится в каждой инструкции, идущей в комплекте с дверным доводчиком.
Если при параллельной установке у Вас возникнут сложности, то мы рекомендуем обратиться к специалистам.
Как установить и отрегулировать дверной доводчик?
Установка и регулировка дверного доводчика
1.
Типы установки дверного доводчика
Стандартная установка рычага
Верхняя установка (на косяке)
Параллельная установка (с монтажным уголком)
2.
Последовательность установки дверного доводчика
1. Вырежьте шаблон для своей двери и приложите его на дверь и косяк, затем просверлите отверстия для установки.
2.
Установите корпус на дверь или косяк четырьмя шурупами или винтами (на металлическую дверь) так, чтобы винты регулировки были направлены к петлям.3. Отсоедините пруток с резьбой и крепежным башмаком от основного рычага и установите его на дверь или косяк.4.
Установите основной рычаг на поворотную ось доводчика и закрепите его винтом № 1.5.
Регулируя длину прутка, убедитесь, что он установлен перпендикулярно двери при соединении с основным рычагом и закрепите их винтом № 2.6.
Наденьте декоративный колпачок на противоположную часть поворотной оси доводчика.
3.
Регулировка дверного доводчика
Сектора закрывания («ЗАКРЫВАНИЕ» и «ДОВОДКА») контролируются двумя (2) раздельными винтами регулировки скорости, сначала установите скорость «ЗАКРЫВАНИЯ», затем скорость «ДОВОДКИ».
ВНИМАНИЕ: Ни в коем случае не допускайте разгерметизацию доводчика полным выкручиванием винтов регулировки!
1.
Скорость «ЗАКРЫВАНИЯ» («CLOSING») регулируется поворотом винта.
- поворот винта регулировки по часовой стрелке уменьшает скорость,
- поворот винта регулировки против часовой стрелки увеличивает скорость.
Самостоятельная установка и регулировка дверного доводчика
Скорость «ДОВОДКИ» («LATCH») регулируется поворотом винта.
- поворот винта регулировки по часовой стрелке уменьшает скорость,
- поворот винта регулировки против часовой стрелки увеличивает скорость.

4.
Параллельная установка дверного доводчика
| Размеры (мм) | ||||
| Модель | A | B | E | F |
| DC-060 | 95 | 100 | 20 | 132 |
1. Найдите правильный размер в таблице, затем просверлите отверстия в двери или косяке.
Установите оригинальную монтажную пластину на верхнем косяке.
3. Установите доводчик на дверь регулировочными винтами от петель.
4. Повернув ключом или другим рычагом поворотную ось доводчика примерно на 45 град., установите основной рычаг на поворотную ось параллельно двери и закрепите его винтом № 1.
Соедините пруток с монтажной пластиной. Регулируя длину прутка, соедините его с основным рычагом винтом № 2. (См. рис.)
6. Наденьте декоративный колпачок на противоположную часть поворотной оси доводчика.
5. Рекомендации по эксплуатации дверного доводчика
1. Доводчик имеет функцию самозакрывания — не толкайте дверь.
2.
Винт № 1 всегда должен быть надежно затянут.
3. Через полмесяца проверьте затяжку шурупов и винтов.
4. Дверной доводчик нуждается в сезонной регулировке.
При значительном изменении температуры окружающего воздуха обязательно отрегулируйте скорости закрывания и доводки двери.
stroitel12.ru
инструкция правильного монтажа своими руками
В наше время установка доводчика на дверь, прежде всего входную, становится необходимостью, ведь он экономит тепло в доме, снижает уровень шума, оберегает людей и стены от ударов. Проще обратиться к услугам специалиста, но если есть необходимые инструменты и небольшой опыт монтажных работ, установить такое устройство нетрудно и своими руками. Важно тщательно подготовиться, изучить инструкцию, разобраться с конструктивными особенностями и аккуратно установить и отрегулировать механизм.

В продаже имеется большое число моделей, различающихся по месту установки, механизму, мощности и другим параметрам. Наиболее популярны недорогие реечные устройства, которые крепятся на верхней части двери и возвращают ее в исходное положение с помощью рычагов. Кроме традиционных, торчащих из стены рычагов, имеются эстетичные, менее подверженные вандализму, но и более дорогие системы с параллельной или скользящей тягой.

Мощность устройства должна соответствовать весу и размеру дверного полотна. Доводчики делятся на 7 классов. Механизмы 1-го класса устанавливаются на двери шириной до 750 мм и массой до 20 кг. Самые мощные устройства 7-го класса рассчитаны на полотно шириной до 1600 мм и массой до 160 кг. На более широкое или более тяжелое полотно ставят два доводчика.
Необходимо обратить внимание на условия эксплуатации. Все механизмы доводчиков основаны на комбинации наполненных маслом емкостей и пружины, которая аккумулирует энергию открывания. Устройство закрывает дверь, когда пружина распрямляется, постепенно выталкивая масло через небольшие отверстия.
Если устройство установлено в неотапливаемом помещении, при низких температурах масло загустевает и закрывание замедляется. Доводчик, не рассчитанный на эксплуатацию в таких условиях, может в этом случае выйти из строя. В то же время есть устройства, у которых при низких температурах автоматически расширяются отверстия, восстанавливая нормальную скорость закрывания.

У многих доводчиков предусмотрены дополнительные опции, например торможение открытия, фиксация в положении «открыто», задержка на некоторое время перед началом закрывания и другие.

Более сложные и совершенные кулачковые механизмы могут крепиться в разных местах. Иногда их уже на заводе встраивают в полотно. Возможна также установка под порогом или внутри дверной коробки. Но такие работы более сложны и выполняются специалистами.
Установка доводчика на дверь: способы и виды монтажа
Готовясь к установке доводчика на дверь своими руками, проведите тщательную ревизию состояния дверной коробки, петель, запорных механизмов. Дверное полотно не должно качаться, упираться в косяк, язычок защелки должен срабатывать без излишнего усилия. Качественная регулировка упростит установку и обеспечит надежную и продолжительную безаварийную работу устройства.
Схема установки доводчика зависит от конструкции механизма, дверной коробки и направления открывания. При открывании внутрь доводчик ставится на полотно, а рычаг крепится на коробку над ним. При открывании наружу устройство, наоборот, устанавливается на косяке, а рычаг — на полотне.
Доводчик не следует использовать в качестве ограничителя открывания. Для этого применяют специальные приспособления в виде упоров, которые устанавливают на пол или на стену.

Как установить
Для правильной установки доводчика на дверь к устройству прилагаются шаблоны, на которых отмечены места крепления самого механизма и рычага. В зависимости от крепления двери (правое или левое) и других особенностей, если они предусмотрены моделью, выберите соответствующий шаблон. Его следует приложить к полотну, развернув в соответствии с выбранным способом установки, и закрепить скотчем. Учтите, что винты регулировки, расположенные в торцевой части механизма, всегда должны быть повернуты в сторону петель.
Места крепления шурупов (4 для самого доводчика и 2 для кронштейна рычага) отмечаются по шаблону. Затем сверлом, диаметр которого указан в инструкции, просверливают отверстия под доводчик и кронштейн. После этого устанавливают механизм и рычаги. Жесткое колено рычага крепится к механизму на шлиц и затягивается гайкой. Чтобы она не раскручивалась в процессе эксплуатации, применяют стопорящую жидкость. В домашних условиях используют масляную краску.

Кронштейн с регулируемым коленом устанавливается отдельно. Длина этого колена изменяется заворачиванием винтовой части. После предварительной регулировки оба колена соединяются.
Варианты правильного монтажа
Иногда установить доводчик на дверь можно разными способами. Например, треугольник, образуемый полотном и двумя коленами рычажной системы, влияет на силу прижимания к коробке. Чтобы закрывание двери происходило плавно, регулируемую часть укорачивают так, чтобы она составляла прямой угол с полотном. Для увеличения силы закрывания регулируемый рычаг удлиняют, в этом случае прямой угол образуется жестким коленом.
При установке механизма на деревянную дверь может потребоваться применение монтажных планок или уголков, не входящих в комплект, но выпускаемых для всех моделей. Если коробка глубокая, а открывание происходит наружу, устройство крепится на монтажный уголок, установленный на косяке таким образом, чтобы обе части механизма располагались на одном уровне относительно дверного полотна.

Если на коробке нет плоского участка для фиксации кронштейна или доводчика, их устанавливают на предварительно закрепленную монтажную планку. При установке механизма на дверь планка также позволит вынести его за край полотна в том случае, когда иное крепление невозможно, неудобно или неэстетично.
На пластиковую дверь
Установка дверного доводчика на пластик производится таким же образом. Отличие состоит в меньшем весе полотна. Возможно, придется искать компромисс между классами мощности доводчика, соответствующими размеру и массе. Принято считать, что следует выбирать наибольший из двух классов, однако излишне мощный доводчик способен разрушить пластик.
Если установка доводчика на пластиковую дверь выполнена правильно и аккуратно, он будет способствовать продлению ее эксплуатации.
На металлическую
При установке доводчика на металлическую дверь класс мощности выбирают в соответствии с ее массой. Чтобы при подготовке отверстий сверло не уходило с требуемого места, его предварительно намечают кернером. В зависимости от толщины металла для крепления используют саморезы по металлу или винты. Во втором случае перед тем как поставить устройство, придется нарезать резьбу метчиком.
Регулировка
Последний и не менее важный этап установки — регулировка. С помощью двух регулировочных винтов устанавливаются скорости движения двери:
- в начале закрывания;
- на последнем этапе.
Еще один винт позволяет увеличить усилие закрывания. Это важно сделать, если устройство устанавливается на входную дверь.
Кроме того, модели могут иметь различные опции, для которых также предусматриваются соответствующие регулировки.
odveryah.ru
Установка дверного доводчика: виды, устройство, уход
Чтобы дверное полотно не оставалось открытое, ставят доводчик. Раньше за это действие отвечала натянутая толстая пружина. Недостатком являлось резкое захлопывание створки. Современные изделия плавно закрывают полотно и обеспечивают его плотное прилегание к дверной коробке. Конструкция механизма несложная. Однако специфика установки доводчиков разных моделей отличается.
Виды
Чтобы выбрать и установить доводчик, нужно учесть устройство изделия. По месту монтажа различают следующие модели:
- Накладные устанавливают сверху дверного блока. Крепление элементов осуществляют на полотно, раму, стену или дополнительные конструкции.

- Модели напольного типа чаще используют для стеклянных створок. Изделие крепят снизу к полотну и полу.

- Скрытые доводчики спрятаны внутри дверного блока. Установка очень сложная, обслуживание неудобное.

Различаются модели передачей усилия от рабочей пружины к рычажному механизму:
- Изделия с коленной, рычажной или шарнирной тягой. Устройство одинаковое, просто имеет три названия. Особенностью конструкции является металлический рычаг, перпендикулярно прилегающий к дверному полотну. Механизм работает надёжно, но требует больших усилий при открывании створки, а также некрасиво смотрится на дверном блоке.

- У моделей скользящего типа рабочий рычаг постоянно находится параллельно полотну. Внешний вид не портится торчащим коленом. Дверь открывается плавно с меньшим усилием.

Различаются доводчики внутренним устройством:
- Кулачковый чаще применяется в системах скрытой установки или моделях с канальной тягой. Кулачок в форме сердца расположен на оси рычага и прижат с обеих сторон роликами. Во время открывания створки, кулачок сжимает рабочую пружину. Когда полотно начинает закрываться, пружина возвращается в исходное положение. Одновременно совершается проворачивание кулачка в противоположную сторону, что создаёт плавное закрывание створки. Регулировка кулачкового механизма осуществляется эксцентриком.

- Зубчатый или гидравлический механизм обладает реечной передачей рабочего усилия. На оси рычага установлена зубчатая шестерёнка. При открывании створки, шестерня начинает вращаться. Зубья толкают рейку, приводя в движение поршень, который сжимает рабочую пружину. С закрыванием створки напряжение ослабевает. Пружина разжимается, толкает поршень, и действие всего механизма происходит в обратном порядке. Плавность открывания обеспечивают каналы, по которым внутри перетекает машинное масло. Регулировка механизма осуществляется винтами, изменяющими диаметр входа каждого канала.

Гидравлические обычно оснащены рычажной тягой и являются самыми популярными моделями.
Где ставить?
В здании автодоводчик ставят на входные двери со стороны помещения. Корпус механизма должен быть защищён от агрессивного воздействия неблагоприятных погодных условий. Существуют модели открытой установки, не боящиеся мороза и дождя, но их тоже лучше располагать со стороны помещения. При необходимости можно установить доводчик на калитке или воротах.
Что учесть при выборе?
При выборе модели для монтажа доводчика, учитывается ширина и масса створки. Все изделия классифицируют по стандарту EN 1154. Неправильно подобранная модель быстро выйдет из строя или создаст определённые трудности закрывания двери. Доводчики разделены на семь градаций с обозначением EN 1 – EN 7. Каждый класс рассчитан на определённую массу и ширину створки.

Ширина и вес двери не всегда совпадают с данными, указанными в стандартной классификации. Изделие подбирают по максимальному показателю. Можно установить автодоводчик, где в характеристике указаны допустимые максимальные и минимальные пределы. Диапазон усилий производитель указывает, например, EN 2– EN 4.
Для наружной установки выбирают специальные уличные модели. Если изделие предусмотрено для внутреннего применения, на морозе изменится вязкость масла, гидравлическая система перестанет нормально работать, что создаст определённые трудности с открыванием двери.

Стандартные функции всех доводчиков предусматривают регулировку скорости и усилия движения створки в секторе 180–15° и 15–0°. Модели с дополнительными функциями позволяют:
- выставлять паузу закрытия двери;
- предотвращать резкое открывание;
- регулировать усилие дохлопа;
- фиксировать дверное полотно в открытом состоянии.
Как правильно установить доводчик двери?
Весь процесс установки доводчика двери своими руками состоит из трёх шагов. Сначала определяют схему монтажа, а зависит она от направления открывания полотна:
- Если створка открывается в сторону доводчика, рычаг крепят к дверной коробке, а корпус механизма на дверь.
- При обратном открывании рычаг фиксируют к створке, а корпус на коробку.
При любой схеме установки, регулировочные болты смотрят в сторону навесов.
Вторым шагом является изучение инструкции. Внутри упаковки изделия нужно найти схему установки доводчика, нарисованную в масштабе 1:1. Шаблон прикладывают к двери и размечают точные места крепления.

Третий шаг предусматривает сам монтаж, состоящий из следующих действий:
- По нанесённой шаблонной разметке сначала крепят корпус механизма. Затем приступают к установке рычага. Если изделие продавалось в собранном состоянии, то шарнир временно разъединяют.
- На оси устанавливают колено. Фиксация происходит гайкой. При установке колена и рычага учитывают их расположение, что зависит от назначения доводчика. Для плавного закрывания двери колено ставят перпендикулярно створке, а рычаг под углом. Стыковку элементов выполняют при закрытом положении полотна. Если целью установки механизма является функция дохлопа, то рычаг ставят перпендикулярно створке. Затем регулируют длину колена.
- После крепления двух половинок механизма выполняют их соединение шарниром.
В комплекте поставляются крепёжные элементы, позволяющие устанавливать доводчик на пластиковую дверь или из любого другого материала. Обычно отличаются саморезы, например, по дереву и металлу.
На нестандартных дверях не всегда удаётся установить механизм по шаблону. Для таких случаев применяют вспомогательные элементы:
- в глубоком проёме рычаг или корпус механизма к дверной коробке фиксируют через монтажный уголок;
- чтобы не повредить узор на двери или высоко установленное стекло, крепят механизм на дополнительную монтажную пластину;
- если створка по толщине выступает за границы коробки или слишком узкая рама, выравнивание обеих частей механизма выполняют монтажными пластинами.
Вспомогательные установочные элементы могут идти в комплекте с изделием, но обычно уголки и пластины покупают отдельно.
Регулировка
После установки дверного доводчика выполняют регулировку, коленный рычаг в это время должен располагаться под углом 90о относительно полотна. Осуществляется регулировка автодоводчика двери винтами, расположенными на корпусе механизма. После каждого проворачивания отвёрткой по указанным стрелками направлениям испытывают скорость хода створки.

Режим дохлопа регулируют в двух зонах открывания двери: 180–15° и 15–0о°. Полностью выкручивать винты нельзя. Может произойти разгерметизация корпуса с последующим вытеканием масла.
Эксплуатация и уход
Автодоводчик не ограничивает открывание створки. Чтобы механизм не сломался устанавливают упор, не дающий двери сильно распахиваться. У моделей со слайдерным рычагом ограничитель монтируют в направляющем канале.
Блокировка двери в открытом состоянии разными подпорками или ручное усилие для быстрого закрывания створки изнашивает механизм, а иногда даже выламывает детали. При уличной установке корпус доводчика защищают козырьком от осадков и солнца. Для продления срока службы смазывают все подвижные узлы.
Если двери не имеют дефектов и соблюдаются условия использования, доводчик отслужит гарантированное производителем время.
dvernoiguru.ru
Доводчик двери, как установить своими руками, настройка, чертеж, видео
На дверь главного и аварийного выхода для удобства эксплуатации часто устанавливают доводчики. Доводчик двери — это устройство, которое помогает плавно открывать и закрывать двери, а также доводит двери до определённого положения. Правильно отрегулированный доводчик плавно закроет двери, даже если они остались приоткрытыми. Кроме того, это устройство снижает нагрузку на дверную фурнитуру, а также оберегает петли от раннего изнашивания. При этом сама дверная конструкция испытывает меньшую нагрузку. Чтобы доводчик принес ожидаемую от него пользу, следует правильно выбрать тип конструкции, способ его крепления, правильно произвести монтаж и своевременно проводить профилактические мероприятия, позволяющие продлить срок службы этого изделия.
Типы конструкции доводчиков
Есть три основных типа механизмов доводчиков дверей. Различия их кроются в вариантах крепления. Таким образом, все доводчики разделяют на три группы:
- накладные;
- напольные;
- скрытые.
Накладные механизмы являются наиболее распространенными, к тому же есть возможность монтажа данного устройства в домашних условиях. Устанавливается этот механизм на коробочный брус или на дверное полотно. Установка такого доводчика на дверь проста еще и потому, что производители прилагают к таким изделия вместе с инструкцией шаблон, подробное описание и инструкцию по крепежу изделия. Таким образом, установить самостоятельно доводчик является несложным делом, а все крепежные элементы прилагаются к конструкции производителем.
Напольные конструкции являются более эстетичным вариантом, чем накладные, поскольку скрыты в напольном покрытии помещения и их не видно. Однако планирование монтажа таких конструкций должно производиться во время проектирования, поскольку крепеж необходимо вмонтировать в пол. Установить самостоятельно такую конструкцию очень сложно.
Если ремонт в помещении уже сделан, произвести монтаж такого варианта доводчика невозможно.
Скрытые устройства является наименее популярными и наиболее сложными одновременно. Для того, чтобы установить такой доводчик на дверь своими руками, без помощи привлекаемых профессионалов необходимо фрезеровать полости двери. В домашних условиях сделать это аккуратно практически невозможно, к тому же будут заметны даже малейшей следы монтажа конструкции. При проектировании установок дверей можно выбирать такой способ, однако для его осуществления необходимо привлекать специалистов.
Способы крепления
Самостоятельно установить накладной доводчик на дверь можно несколькими способами:
- стандартная установка;
- верхняя установка;
- параллельное расположение.
Наиболее распространенной является стандартная установка. Притом рабочий орган крепится на полотне, а рычаг — к притолоке дверной коробки. Этот способ монтажа является самым простым.
При верхней установке крепление механизма приходится на притолоку. В таком случае рычаг крепится непосредственно к дверному полотну. При параллельной установке автодоводчиков дверей рычаг, как и в случае со стандартной установкой, крепится на притолоку дверной коробки, однако не перпендикулярно, а параллельно. В таком случае при монтаже используется специальный монтажный уголок.
Схема установки доводчика зависит от расположения петель на двери. Движение полотна при открывании и закрывании двери определяет схему установки.
Если дверь открывается на себя, то устройство монтируют на полотно, а рычаг — к коробке. В обратном случае рычаг крепится на полотно, а верхнее крепление — к притолоке.
Как установить доводчик двери
Существует определенный алгоритм, следуя которому можно прикрепить доводчик вне зависимости от его типа крепления. Последовательное выполнение работ выглядит таковым:
- Определяется место крепления доводчика. Приложенный к инструкции по эксплуатации и установке доводчика двери шаблон прикладывается к месту установки и для удобства работы приклеивается скотчем.
- На имеющемся шаблоне обозначены отверстия под крепеж. Их всего 6: четыре для закрывающего устройства и два для крепления рычага. Места установки крепежа переносятся с шаблона на дверь.
- Затем отверстие для монтажа необходимо просверлить. При помощи имеющихся в комплекте крепежных элементов прикрепляется рычаг.
- Когда его монтаж завершен, крепится корпус дверного доводчика. Когда устройство зафиксировано на двери, устанавливается тяга доводчика на ось.
- Затем выполняется корректировка рычага по длине. Он должен быть строго перпендикулярен по отношению к дверному полотну в закрытом виде.
Все крепежные элементы, которые должны использоваться при монтаже этого устройства прилагаются производителем вместе с самим доводчиком.
Не рекомендуется для монтажа использовать другие крепежные элементы, поскольку надежность конструкции уже не будет прежней. Более того, при установке доводчика на дверь следует придерживаться той схемы, которая указана производителем в инструкции. Только в таком случае можно гарантировать исправность работы доводчика.
После произведения монтажа работа доводчика должно быть отрегулирована. Регулировка производится после соединения основного рабочего органа и тяги в единый движимый механизм. Настройка доводчика должна производиться в последнюю очередь, после всех монтажных процедур. Делается это при помощи регулирования 2 винтов при помощи корректирования их положения. Каждый винт обозначает скорость, которую будет иметь доводчик в определённом диапазоне угла двери по отношению к плоскости стены. Один винт регулирует скорость в диапазоне от 0 до 15 градусов, другой — от 15 градусов до полного открывания двери. Скорость движения выставляется посредством поворота винтов.
Как выглядит доводчик, видно на чертеже.
Делать более 1,5 оборота не рекомендуется, поскольку можно нарушить герметичность положения винтов, что приведет к утечке масла.
Обслуживание
На какую бы дверь, пластиковую, металлическую или деревянную, ни устанавливался доводчик, чтобы он правильно функционировал, необходимо регулярно производить его обслуживание.
Одним из основных элементов обслуживания доводчика является ежегодная замена смазки, которая находится в шарнире соединения 2 половинок тяги доводчика. Проводить замену этой смазки достаточно раз в год. Если же процедура будет происходить реже, механизм быстрее будет изнашиваться. Более того, необходимо два раза в год производить регулировку винтов, которые обозначают скорость закрывания. Это необходимо делать по двум причинам:
- Во-первых, из-за перепадов температурного режима на улице больше чем на 15 градусов винты могут расстраиваться. Таким образом скорость открывания и закрывания двери нарушается.
- Во-вторых, в процессе эксплуатации винты могут приходить, хоть и в незначительное, но все-таки движение. Постепенное прокручивание винта, даже на несколько градусов, за полгода может существенно изменить скорость работы доводчика.
Чтобы не производить регулировку слишком часто, достаточно делать это 2 раза в год. В начале зимы и в начале лета, когда температурный режим на улице меняется.
Чтобы доводчик прослужил дольше, нельзя подпирать дверь, которая оснащена доводчиком для того, чтобы она не закрывалась.
Обычно это делают кирпичом, табуреткой или креслом. Если на какое-то время необходимо сделать так, чтобы дверь не закрывалась, а была открыта долгое время, необходимо отсоединить тягу от доводчика. В большинстве таких устройств тяга разъемная. Таким образом эксплуатационные возможности доводчика не будут повреждены.
Как видно из описанной в статье информации, самостоятельный монтаж доводчика на двери возможен при наличии минимальных строительных или ремонтных навыков. Для достижения максимально благоприятного результата в максимально короткие сроки необходимо проводить все монтажные работы согласно инструкции, приложенной производителем к доводчику. Важно также проводить регулярное обслуживание рабочего механизма.
Выбираем дверной доводчик — видео
glav-dacha.ru
