Узо уго – Обозначение УЗО и дифференциального автомата.
Обозначение УЗО и дифференциального автомата.
На данный момент в ГОСТ нет каких либо рекомендаций относительно условных графических обозначений УЗО и дифференциальных автоматов. Изображения обозначений, которые используют в схемах отличаются друг от друга.
По этому, в данной статье, я хочу дать свои рекомендации и предложить вариант обозначений УЗО и дифференциального автомата, который по моему мнению, будет соответствовать функциональному назначению этих электрических аппаратов.
Функционально УЗО можно определить как быстродействующий выключатель, реагирующий на дифференциальный ток — ток утечки в проводниках, подводящих электроэнергию к защищаемой электроустановке. В качестве датчика дифференциального тока и основного функционального элемента УЗО используется трансформатор тока, который часто называют трансформатором тока нулевой последовательности (что не совсем правильно, но думаю приемлемо).
Из выше сказанного следует что изображение условного обозначения УЗО, должно состоять из обозначения выключателя и трансформатора тока нулевой последовательности, сигнал от которого (ток нулевой последовательности), воздействует на механизм отключения контактной группы аппарата.
Этому требованию подходят следующие обозначения:
Дифференциальный автомат, отличается от УЗО тем, что совмещает в одном электрическом аппарате два устройства, автоматический выключатель и устройство защитного отключения. По этому можно использовать следующее обозначение:
Буквенно-цифровое обозначение УЗО и дифференциальных автоматов, на мой взгляд, можно наносить на схеме следующим образом:
| |
Где Q1 и QF1 обозначают функции выключателя и автоматического выключателя соответственно и порядковый номер аппарата в схеме. Значение дифференциального тока, обозначает функцию устройства защитного отключения
Второй вариант буквенно-цифрового обозначения, который часто применяется: QD1 для УЗО и QFD1 для дифференциального автомата. И хотя согласно ГОСТ 2.710 код буквы D обозначает схемы интегральные, более подходящего символа в данном ГОСТ нету. Будем считать, что D, от слова дифференциальный.
Данный вариант условных графических обозначений УЗО и дифференциальных автоматов, до момента публикации каких либо рекомендаций в нормативных документах, на мой взгляд является наиболее приемлемым. Поэтому, я решил включить трафареты рассмотренных выше электрических аппаратов в Комплект для черчения электрических схем.
elektroshema.ru
Обозначение узо на схеме по госту. Как обозначается узо на однолинейной схеме
Ни один человек, каким бы талантливым и смекалистым он не был, не сможет научиться понимать электрические чертежи без предварительного знакомства с условными обозначениями, которые используются в электромонтаже практически на каждом шагу. Опытные специалисты утверждают, что шанс стать настоящим профессионалом своего дела может быть только у того электрика, которые досконально изучил и усвоил все общепринятые обозначения, используемые в проектной документации.
Приветствую всех друзья на сайте «Электрик в доме». Сегодня я бы хотел уделить внимание одному из первоначальным вопросов, с которым сталкиваются все электрики перед монтажом — это проектная документация объекта.
Кто то составляет ее сам, кому то предоставляет заказчик. Среди множества этой документации можно встретить экземпляры, в которых встречаются различия между условными обозначениями тех или иных элементов. Например в разных проектах один и тот же коммутационный аппарат графически может отображаться по разному. Встречалось такое?
Понятно, что обсудить обозначение всех элементов в пределах одной статьи невозможно, поэтому тема данного урока будет сужена, и сегодня обсудим и рассмотрим, как выполняется обозначение узо на схеме
.
Каждый начинающий мастер обязан внимательно ознакомиться с общепринятыми ГОСТами и правилами маркировки электрических элементов и оборудования на план-схемах и чертежах. Многие пользователи могут со мной не согласится, аргументируя это тем, что зачем мне знать ГОСТ, я всего лишь занимаюсь установкой розеток и выключателей в квартирах. Схемы должны знать инженера проектировщики и профессора в университетах.
Уверяю вас это не так. Любой уважающий себя специалист обязан не только понимать и уметь читать электрические схемы, но и должен знать, как графически отображаются на схемах различные коммуникационные аппараты, защитные устройства, приборы учета, розетки и выключатели. В общем, активно применять проектную документацию в своей повседневной работе.
Обозначение узо на однолинейной схеме
Основные группы обозначений УЗО (графические и буквенные) используются электромонтерами очень часто. Работа по составлению рабочих схем, графиков и планов требует очень большой внимательности и аккуратности, так как одно-единственное неточное указание или пометка могу привести к серьезной ошибке в дальнейшей работе и стать причиной выхода из строя дорогостоящего оборудования.
Кроме того, неверные данные могут ввести в заблуждение сторонних специалистов, привлеченных для электромонтажа и стать причиной возникновения сложностей при монтаже электрических коммуникаций.
В настоящее время любое обозначение узо на схеме может быть представлено двумя способами: графическим и буквенным.
На какие нормативные документы следует ссылаться?
Из основных документов для электрических схем, которые ссылаются на графическое и буквенное обозначение коммутационных устройств можно выделить следующие:
- — ГОСТ 2.755-87 ЕСКД «Обозначения условные графические в электрических схемах устройства коммутационные и контактные соединения»;
- — ГОСТ 2.710-81 ЕСКД «Обозначения буквенно-цифровые в электрических схемах».
Графическое обозначение УЗО на схеме
Итак, выше я представил основные документы, по которым регулируется обозначения в электрических схемах. Что нам дают указанные ГОСТы по изучению нашего вопроса? Мне стыдно признаться, но абсолютно ничего. Дело в том, что на сегодняшний день в данных документах отсутствует информация о том, как должно выполняться обозначение узо на однолинейной схеме.
Действующий на сегодня ГОСТ никаких особых требований к правилам составления и использования графических обозначений УЗО не выдвигает. Именно поэтому некоторые электромонтеры предпочитают использовать для маркировки определенных узлов и устройств свои собственные наборы значений и меток, каждая из которых может несколько отличаться от привычных нашему взгляду значений.
Для примера давайте рассмотрим, какие обозначения наносятся на корпусе самих устройств. Устройство защитного отключения фирмы hager:

Или к примеру УЗО от Schneider Electric:

Чтобы избежать путаницы, предлагаю Вам совместно разработать универсальный вариант обозначений УЗО, которым можно руководствоваться практически в любой рабочей ситуации.
По своему функциональному назначению устройство защитного отключения можно описать так – это выключатель, который при нормальной работе способен включать/отключать свои контакты и автоматически размыкать контакты при появлении тока утечки. Ток утечки это дифференциальный ток, возникающий при ненормальной работе электроустановки. Какой орган реагирует на дифференциальный ток? Специальный датчик — трансформатор тока нулевой последовательности.
Если представить все вышеописанное в графической форме, то получается что условное обозначение УЗО на схеме можно представить в виде двух второстепенных обозначений — выключателя и датчика реагирующего на дифференциальный ток (трансформатора тока нулевой последовательности) который воздействует на механизм отключения контактов.
В этом случае графическое обозначение узо на однолинейной схеме будет выглядеть так.



Как обозначается дифавтомат на схеме?
По поводу обозначений дифавтоматов в ГОСТ на данный момент тоже нет данных. Но, исходя из вышеизложенной схемы, дифавтомат графически также можно представить в виде двух элементов — УЗО и автоматического выключателя. В этом случае графическое обозначение дифавтомата на схеме будет выглядеть так.



Буквенное обозначение узо на электрических схемах
Любому элементу на электрических схемах присваивается не только графическое обозначение, но и буквенное с указанием позиционного номера. Такой стандарт регулируется ГОСТ 2.710-81 «Обозначения буквенно-цифровые в электрических схемах» и обязателен для применения ко всем элементам в электрических схемах.
Так, например, согласно ГОСТ 2.710-81 автоматические выключатели принято обозначать путем специальногобуквенно-цифрового позиционного обозначения таким образом: QF1, QF2, QF3 и т.д. Рубильники (разъединители) обозначаются как QS1, QS2, QS3 и т.д. Предохранители на схемах обозначаются как FU с соответствующим порядковым номером.
Аналогично, как и с графическими обозначениями, в ГОСТ 2.710-81 нет конкретных данных, как выполнять буквенно-цифровое обозначение УЗО и дифференциальных автоматов на схемах.
Как быть в таком случае? В этом случае многие мастера используют два варианта обозначений.
Первый вариант воспользоваться самым удобным буквенно-цифровым обозначением Q1 (для УЗО) и QF1 (для АВДТ), которые обозначают функции выключателей и указывают на порядковый номер аппарата, находящегося в схеме.
То есть кодировка буквы Q означает – «выключатель или рубильник в силовых цепях», что вполне может быть применима к обозначению УЗО.
Кодовая комбинация QF расшифровывается как Q – «выключатель или рубильник в силовых цепях», F – «защитный», что вполне может быть применима не только к обычным автоматам, но и к диф.автоматам.
Второй вариант это использовать буквенно-цифровую комбинацию Q1D — для УЗО и комбинацию QF1D — для дифференциального автомата. По приложению 2 таблицы 1 ГОСТ 2.710 функциональное значение буквы D означает – «дифференцирующий».
Я очень часто встречал на реальных схемах такое обозначение QD1 – для устройств защитного отключения, QFD1 – для дифференциальных автоматов.
Какие можно сделать выводы из вышеописанного?
| Ввиду того что обозначение УЗО и дифференциальных автоматов по ГОСТ отсутствует, информация рассмотренная в данной статье, не относится к нормативным документам обязательным для исполнения, а является всего лишь РЕКОМЕНДАЦИЕЙ. Каждый проектировщик может изображать на схемах эти элементы по своему усмотрению. Для этого нужно всего лишь привести условно графические обозначения (УГО) элементов, их расшифровку и пояснения к схеме. Все эти действия предусматриваются в ГОСТ 2.702-2011. |
Как обозначается узо на однолинейной схеме — пример реального проекта
Как говорится в известной пословице «лучше один раз увидеть, чем сто раз услышать», поэтому давайте рассмотрим на реальном примере.
Предположим, что перед нами находится однолинейная схема электроснабжения квартиры. Из всех этих графических обозначение можно выделить следующее:

Вводное устройство защитного отключения расположено сразу после счетчика. Кстати как вы могли заметить буквенное обозначение УЗО – QD. Еще один пример как обозначается узо:

Заметьте, что на схеме помимо УГО элементов также наносится их маркировка, то есть: тип устройства по роду тока (А, АС), номинальный ток, дифференциальный ток утечки, количество полюсов. Далее переходим к УГО и маркировке дифференциальных автоматов:

Розеточные линии на схеме подключаются через диф.автоматы. Буквенное обозначение дифавтомата на схеме QFD1, QFD2, QFD3 и т.д.
Еще один пример как обозначаются диф.автоматы на однолинейной схеме магазина.



Вот и все дорогие друзья. На этом наш сегодняшний урок подошел к концу. Надеюсь, данная статья была для вас полезной и Вы нашли здесь ответ на свой вопрос. Если остались вопросы задавайте их в комментариях, с удовольствием отвечу. Давайте делиться опытом, кто как обозначает УЗО и АВДТ на схемах. Буду признателен на репост в соц.сетях))).
Понравилась статья — сохрани на стену!
electricvdome.ru
Обозначение узо на схеме — советы электрика
Обозначения в эл. схемах

На данный момент в ГОСТ нет каких либо рекомендаций относительно условных графических обозначений УЗО и дифференциальных автоматов. Изображения обозначений, которые используют в схемах отличаются друг от друга.
По этому, в данной статье, я хочу дать свои рекомендации и предложить вариант обозначений УЗО и дифференциального автомата, который по моему мнению, будет соответствовать функциональному назначению этих электрических аппаратов.
Функционально УЗО можно определить как быстродействующий выключатель, реагирующий на дифференциальный ток — ток утечки в проводниках, подводящих электроэнергию к защищаемой электроустановке.
Обратите внимание
В качестве датчика дифференциального тока и основного функционального элемента УЗО используется трансформатор тока, который часто называют трансформатором тока нулевой последовательности (что не совсем правильно, но думаю приемлемо).
Из выше сказанного следует что изображение условного обозначения УЗО, должно состоять из обозначения выключателя и трансформатора тока нулевой последовательности, сигнал от которого (ток нулевой последовательности), воздействует на механизм отключения контактной группы аппарата.
Этому требованию подходят следующие обозначения:
Дифференциальный автомат, отличается от УЗО тем, что совмещает в одном электрическом аппарате два устройства, автоматический выключатель и устройство защитного отключения. По этому можно использовать следующее обозначение:
| С использование распространенного обозначения автоматического выключателя |
| С использованием обозначения автоматического выключателя по ГОСТ 2.755 |
Буквенно-цифровое обозначение УЗО и дифференциальных автоматов, на мой взгляд, можно наносить на схеме следующим образом:
Где Q1 и QF1 обозначают функции выключателя и автоматического выключателя соответственно и порядковый номер аппарата в схеме. Значение дифференциального тока, обозначает функцию устройства защитного отключения
Второй вариант буквенно-цифрового обозначения, который часто применяется: QD1 для УЗО и QFD1 для дифференциального автомата. И хотя согласно ГОСТ 2.710 код буквы D обозначает схемы интегральные, более подходящего символа в данном ГОСТ нету. Будем считать, что D, от слова дифференциальный.
Данный вариант условных графических обозначений УЗО и дифференциальных автоматов, до момента публикации каких либо рекомендаций в нормативных документах, на мой взгляд является наиболее приемлемым. Поэтому, я решил включить трафареты рассмотренных выше электрических аппаратов в Комплект для черчения электрических схем.
Источник: https://elektroshema.ru/2009-02-05-22-57-45/ugo-2/64-uzo.html
Схема включения УЗО, обозначение УЗО на схеме, схема подключения однофазного и трехфазного УЗО

Установка УЗО значительно повышает уровень безопасности при работе на электроустановках. Если УЗО обладает высокой чувствительностью (30 мА), то при этом обеспечивается защита от прямого контакта (прикосновения).
Тем не менее, установка УЗО не означает от выполнения обычных мер предосторожности при работе на электроустановках.
Кнопку тест необходимо нажимать регулярно, как минимум один раз в 6 месяцев. Если тест не срабатывает, то надо задуматься о замене УЗО, так как уровень электробезопасности снизился.
Установите УЗО на панели или корпусе. Подключите оборудование в точном соответствии со схемой. Включите все нагрузки, подключенные к защищаемой сети.
Срабатывает УЗО
Если УЗО срабатывает, выясните, какое устройство является причиной срабатывания, путем последовательного отключения нагрузки (отключаем по очереди эл. оборудование и смотрим результат). При обнаружении такого устройства его необходимо отключить от сети и проверить.
Если электрическая линия имеет очень большую длину, обычные токи утечки могут быть достаточно велики. В этом случае имеется вероятность ложных срабатываний. Чтобы избежать этого, необходимо разделить систему, по крайней мере, на два контура, каждый из которых будет защищен своим УЗО.
Можно расчитать длинну электрической линии.
При невозможности определения документальным способом суммы токов утечки проводки и нагрузок, можно пользоваться примерным расчетом (в соответствии с СП 31-110-2003), принимая ток утечки нагрузки равным 0,4мА на 1А потребляемой нагрузкой мощности и ток утечки электросети равным 10мкА на один метр длины фазового провода электропроводки.
Пример расчета УЗО
Для примера рассчитаем УЗО для электроплиты, мощностью 5 кВт, установленную на кухне малогабаритной квартиры.
Примерное расстояние от щитка до кухни может составлять 11 метров, соответственно расчетная утечка проводки составляет 0,11мА. Электроплита, на полной мощности, потребляет (приближенно) 22.7А и обладает расчетным током утечки 9,1мА.
Таким образом, сумма токов утечки данной электроустановки составляет 9,21мА. Для защиты от токов утечки можно использовать УЗО с номиналом тока утечки 27,63мА, что округляется до ближайшего большего значения существующих номиналов по диф.
току, а именно УЗО 30мА.
Важно
Следующим шагом, является определение рабочего тока УЗО. При указанном выше максимальном токе, потребляемым электроплитой, можно использовать номинал (с небольшим запасом) УЗО 25А, или с большим запасом — УЗО 32А.
Таким образом мы расчетно определили номинал УЗО, которое можно использовать для защиты электроплиты: УЗО 25А 30мА или УЗО 32А 30мА. (надо не забыть защитить УЗО автоматическим выключателем 25А для первого номинала УЗО и 25А или 32А для второго номинала).
Обозначение УЗО
На схеме УЗО обозначается следующим образом рис. 1 однофазное УЗО, рис. 2 –трехфазное УЗО.
Схема подключения УЗО
Схема подключения УЗО рассмотрим на примере. На фото. 1 показан фрагмент распределительного шкафа.
Фото. 1 Схема подключения трехфазного УЗО с автоматическим выключателем (на фото цифра1 УЗО, 2- автоматический выключатель) и однофазных УЗО (3).
УЗО не защищает от токов короткого замыкания, поэтому его устанавливают в паре с автоматическим выключателем. Что ставить раньше УЗО или автоматический выключатель в данном случае не принципиально. Номинал УЗО должен быть равным или немного больше наминала автоматическо выключателя. Например, автоматический выключатель 16 Ампер, значит, УЗО ставим 16 или 25 А.
Как видно на фото. 1 на трехфазное УЗО (цифра 1) подходят три фазных и нулевой проводник, а после УЗО подключен автоматический выключатель (цифра 2). Потребитель будет подключаться: фазные проводники (красные стрелки) с автоматического выключателя; нулевой проводник (синяя стрелка) — с УЗО.
Под цифрой 3 на фото показаны дифференциальные автоматы , соединенные сборной шиной, принцип работы диф. автомата такой же, как у УЗО, но он дополнительно защищает от токов короткого замыкания и не требует дополнительной защита от КЗ.
А подключение, что у УЗО, что у диф. автоматов одинаковое.
Подключаем к клемме L фазу, к N ноль (обозначения нанесены на корпусе УЗО). Потребители подключаются также.
Схема УЗО в квартире
Ниже приведена схема использования УЗО в квартире, для дополнительной защиты от поражения электрическим током.
Рис. 1 Схема УЗО в квартире.
В данном случае УЗО ставится до счетчика, на всю группу автоматических выключателей, чем обеспечивается дополнительная защита от поражения электрическим током и возникновения пожара.
Источник: https://www.mirpodelki.ru/index.php?id=413
Узо в электрике: где ставить, обозначение и схема

Устройство защитного отключения или сокращённо УЗО — это приспособление, которое обеспечивает безопасность электроцепи от перегрузок и короткого замыкания. По некоторым принципам действия оно похоже на хорошо известные многим людям «автоматы», которые обычно устанавливаются в электрощите рядом со счётчиком, отмеряющим количество использованной электроэнергии.
УЗО появились на рынке электротехники СНГ сравнительно недавно, например, люди из старшего поколения большую часть своей жизни прожили, не зная о том, что такое УЗО и зачем оно нужно, потому что примерно лет двадцать-тридцать назад они не были так широко распространены в быту.
Если говорить терминами, принятыми в электротехнике, то УЗО — это прибор механического коммутационного типа, который предназначен для того, чтобы автоматически прервать электрическую цепь в случае, если ток утечки выйдет за пределы максимально допустимого значения, и, таким образом, защитить электроцепь от разрушения, а человека от получения опасных для жизни электротравм.
Как выглядит УЗО
Стандартные устройства защитного отключения, применяемые в электрике для защиты цепей от воздействия тока утечки, обычно делают из поливинилхлорида, обладающего свойствами, препятствующими его возгоранию от перегрева.
В технике, выпускаемой некоторыми производителями, для её защиты от коротких замыканий и других проблем с электричеством по умолчанию стоит устройство, подобное УЗО. Это позволяет людям, купившим эту технику, не беспокоиться о том, как обезопасить её от тока утечки.
Как классифицируются устройства для защиты электрики
Первая и единственная классификация подобных устройств строится на основе следующего критерия: мощность проходящего через них тока утечки. В связи с этим УЗО подразделяются по мощности тока утечки на:
- пропускающие через себя максимум десять миллиампер;
- пропускающие через себя максимальную мощность, равную тридцати миллиамперам;
- обеспечивающие защиту от предельной мощности тока в сто миллиампер;
- защищающие от тока утечки мощностью до 300 миллиампер;
- обеспечивающие безопасность техники и электропроводки от тока утечки, в максимуме равного пятистам миллиампер.
Узо применение
Основное предназначение устройства заключается в защите электропроводки и приборов, запитываемых от электричества. Их нужно применять везде, где невозможно обеспечить безопасность электрических цепей и устройств от потенциального вмешательства посторонних лиц, которые могут нарушить их нормальное функционирование и в итоге получить электротравму.
Тридцать лет назад такой защитой электропроводки обладали, пожалуй, только промышленные предприятия, да и то они использовали более простой по схеме и принципу действия заземляющий контур.
В то же время у людей, проживающих в многоэтажках, не было надёжной защиты их электросетей от утечки тока и от риска получения случайного удара электротоком.
Написанное выше в полной мере относится, например, и к офисным электросетям, где ранее обычно отсутствовало какое-либо заземление, не говоря уже об устройстве защитного отключения.
Итак, УЗО — это электрический прибор, который защищает человека от случайного удара электротоком, если произошла утечка тока на корпус электроприбора в сетях с напряжением двести двадцать и триста восемьдесят вольт.
Чем отличается УЗО от «автомата»
«Автомат» или, иными словами, автоматический выключатель и устройство защитного отключения — это не одно и то же. У этих электроприборов разные принципы действия, а также назначение. Они различаются следующим:
- «Автомат» является по своему основному предназначению прибором защиты электропроводки от коротких замыканий, а также перегрева. Устройство защитного отключения выполняет функцию по обеспечению безопасности людей от поражения электротоком при утечке тока.
- УЗО не предохраняет проводку от воздействия на неё коротких замыканий и не реагирует на перегрев цепи.
Где установить УЗО
Типичное место для размещения устройств защитного отключения — это электрический щит. Обычно УЗО монтируют непосредственно перед самой нагрузкой, но обязательно после электросчётчика.
Если вы планируете установить в электросеть дополнительно ещё и автоматический выключатель, то установите его в цепь после электросчётчика и строго перед устройством защитного отключения.
По каким параметрам осуществляется выбор УЗО
Первое, на что вы должны обратить своё внимание при выборе устройства защитного отключения, — это то, на какой максимальный ток утечки оно рассчитано.
Если вы собираетесь оснастить электропроводку дополнительно автоматическим выключателем, то посмотрите на значение тока нагрузки как для УЗО, так и для «автомата».
Имейте в виду, что в этом случае вам нужно сделать выбор в пользу УЗО, которое может выдержать больший ток нагрузки, чем автоматический выключатель.
Дело в этом случае заключается в том, что устройство защитного отключения — достаточно дорогой прибор, поэтому, приобретая УЗО и автоматический выключатель согласно вышеописанным рекомендациям, вам не придётся покупать УЗО чаще, чем необходимо. При возникновении коротких замыканий в данном случае на себя весь удар примет «автомат», который в результате этого может выйти из строя, а устройство защитного отключения останется работоспособным.
Что влияет на цену УЗО
Как было сказано выше, стоимость устройства защитного отключения на рынке весьма высока. Она такова ввиду следующих причин:
- В конструкцию устройства защитного отключения входит трансформатор дифференциальный, который изготовляется из дорогих полупроводников. Как правило, пятьдесят процентов цены прибора составляет именно этот трансформатор.
- Играет роль и фактор того, сколько полюсов для присоединения проводки предлагает производитель.
- Важное значение имеет следующий факт: конструкция реле в приборе. Оно электронное или электромеханическое? Разумеется, электронное будет стоить дороже.
- Кто производитель прибора? Например, российские фирмы предлагают свои устройства защитного отключения как минимум в два раза дешевле, чем всемирно известный бренд Legrand.
Схема, установка и подключение УЗО самостоятельно
Перед началом работы обязательно найдите схему, которая поможет вам правильно установить устройство защитного отключения в электроцепь, или воспользуйтесь предложенной ниже.
Разобравшись со схемой, начинайте собирать приборы и инструменты, которые потребуются вам для монтажа устройства защитного отключения:
- Непосредственно само устройство защитного отключения;
- Нож монтажный;
- Перфоратор;
- Мультиметр;
- Свёрла;
- Провода для соединения;
- Крестообразная отвёртка;
- Корпус, специально сделанный под УЗО. Он нужен в том случае, если вы планируете установить прибор рядом с потребителем тока.
Этапы монтажа устройства защитного отключения
Если вы монтируете прибор в электрическом щите, то выполните следующую последовательность действий:
- Отыщите требующиеся вам провода и определите, какой из них плюсовой, а какой — минусовой.
- Обесточьте цепь и затем зачистите проводники.
- После этого закрепите устройство защитного отключения на специальную DIN-рейку.
- Прикрутите провода к соответствующим разъёмам УЗО.
- Заново включите питание цепи.
- Проведите тест на работоспособность УЗО.
В том случае, если вы монтируете УЗО рядом с потребителем тока, выполните следующий алгоритм действий:
- Определите место, куда вы хотите установить устройство защитного отключения, и разметьте отверстия.
- Просверлите необходимые для монтажа отверстия.
- Закрепите корпус прибора.
- Подведите провода к устройству защитного отключения.
- Присоедините электропроводку к УЗО, предварительно убедившись, что вы не ошиблись с полярностью.
- Включите электропитание и протестируйте прибор. Для этого нажмите на кнопку, расположенную на корпусе УЗО и называющуюся «TEST».
Источник: https://remontoni.guru/elektrika/chto-takoe-uzo.html
Обозначение электрических элементов на схемах

Чтобы понять, что конкретно нарисовано на схеме или чертеже, необходимо знать расшифровку тех значков, которые на ней есть. Это распознавание еще называют чтением чертежей.
А чтоб облегчить это занятие почти все элементы имеют свои условные значки. Почти, потому что стандарты давно не обновлялись и некоторые элементы рисуют каждый как может.
Совет
Но, в большинстве своем, условные обозначения в электрических схемах есть в нормативны документах.
Условные обозначения в электрических схемах: лампы,трансформаторы, измерительные приборы, основная элементная база
Нормативная база
Разновидностей электрических схем насчитывается около десятка, количество различных элементов, которые могут там встречаться, исчисляется десятками если не сотнями. Чтобы облегчить распознавание этих элементов, введены единые условные обозначения в электрических схемах. Все правила прописаны в ГОСТах. Этих нормативов немало, но основная информация есть в следующих стандартах:
Нормативные документы, в которых прописаны графические обозначения элементной базы электрических схем
Изучение ГОСТов дело полезное, но требующее времени, которое не у всех есть в достаточном количестве. Потому в статье приведем условные обозначения в электрических схемах — основную элементную базу для создания чертежей и схем электропроводки, принципиальных схем устройств.
Некоторые специалисты внимательно посмотрев на схему, могут сказать что это и как оно работает. Некоторые даже могут сразу выдать возможные проблемы, которые могут возникнуть при эксплуатации.
Все просто — они хороша знают схемотехнику и элементную базу, а также хорошо ориентируются в условных обозначениях элементов схем.
Такой навык нарабатывается годами, а, для «чайников», важно запомнить для начала наиболее распространенные.
Обозначение светодиода, стабилитрона, транзистора (разного типа)
Электрические щиты, шкафы, коробки
На схемах электроснабжения дома или квартиры обязательно будет присутствовать обозначение электрического щитка или шкафа. В квартирах, в основном устанавливается там оконечное устройство, так как проводка дальше не идет.
В домах могут запроектировать установку разветвительного электрошкафа — если из него будет идти трасса на освещение других построек, находящихся на некотором расстоянии от дома — бани, летней кухни, гостевого дома.
Эти другие обозначения есть на следующей картинке.
Обозначение электрических элементов на схемах: шкафы, щитки, пульты
Если говорить об изображениях «начинки» электрических щитков, она тоже стандартизована. Есть условные обозначения УЗО, автоматических выключателей, кнопок, трансформаторов тока и напряжения и некоторых других элементов. Они приведены следующей таблице (в таблице две страницы, листайте нажав на слово «Следующая»)
| 1 | Автоматический выключатель (автомат) |
| 2 | Рубильник (выключатель нагрузки) |
| 3 | Тепловое реле (защита от перегрева) |
| 4 | УЗО (устройство защитного отключения) |
| 5 | Дифференциальный автомат (дифавтомат) |
| 6 | Предохранитель |
| 7 | Выключатель (рубильник) с предохранителем |
| 8 | Автоматический выключатель со встроенным тепловым реле (для защиты двигателя) |
| 9 | Трансформатор тока |
| 10 | Трансформатор напряжения |
| 11 | Счетчик электроэнергии |
| 12 | Частотный преобразователь |
| 13 | Кнопка с автоматическим размыканием контактов после нажатия |
| 14 | Кнопка с размыканием контактов при повторном нажатии |
| 15 | Кнопка со специальным переключателем для отключения (стоп, например) |
Элементная база для схем электропроводки
При составлении или чтении схемы пригодятся также обозначения проводов, клемм, заземления, нуля и т.д. Это то, что просто необходимо начинающему электрику или для того чтобы понять, что же изображено на чертеже и в какой последовательности соединены ее элементы.
| 1 | Фазный проводник |
| 2 | Нейтраль (нулевой рабочий) N |
| 3 | Защитный проводник («земля») PE |
| 4 | Объединенные защитный и нулевой проводники PEN |
| 5 | Линия электрической связи, шины |
| 6 | Шина (если ее необходимо выделить) |
| 7 | Отводы от шин (сделаны при помощи пайки) |
Пример использования приведенных выше графических изображений есть на следующей схеме. Благодаря буквенным обозначениям все и без графики понятно, но дублирование информации в схемах никогда лишним не было.
Пример схемы электропитания и графическое изображение проводов на ней
Изображение розеток
На схеме электропроводки должны быть отмечены места установки розеток и выключателей.
Типов розеток много — на 220 В, на 380 в, скрытого и открытого типа установки, с разным количеством «посадочных» мест, влагозащищенные и т.д. Приводить обозначение каждой — слишком длинно и ни к чему.
Важно запомнить как изображаются основные группы, а количество групп контактов определяется по штрихам.
Обозначение розеток на чертежах
Обратите внимание
Розетки для однофазной сети 220 В обозначаются на схемах в виде полукруга с одним или несколькими торчащими вверх отрезками. Количество отрезков — количество розеток на одном корпусе (на фото ниже иллюстрация). Если в розетку можно включить только одну вилку — вверх рисуют один отрезок, если два — два, и т.д.
Условные обозначения розеток в электрических схемах
Если посмотрите на изображения внимательно, обратите внимание, что условное изображение, которое находится справа, не имеет горизонтальной черты, которая отделяет две части значка.
Эта черта указывает на то, что розетка скрытого монтажа, то есть под нее необходимо в стене сделать отверстие, установить подрозетник и т.д. Вариант справа — для открытого монтажа.
На стену крепится токонепроводящая подложка, на нее сама розетка.
Также обратите внимание, что нижняя часть левого схематического изображения перечеркнута вертикальной линией. Так обозначают наличие защитного контакта, к которому подводится заземление. Установка розеток с заземлением обязательна при включении сложной бытовой техники типа стиральной или посудомоечной машины, духовки и т.д.
Обозначение трехфазной розетки на чертежах
Ни с чем не перепутаешь условное обозначение трехфазной розетки (на 380 В). Количество торчащих вверх отрезков равно количеству проводников, которые к данному устройству подключаются — три фазы, ноль и земля. Итого пять.
Бывает, что нижняя часть изображения закрашена черным (темным). Это обозначает что розетка влагозащищенная. Такие ставят на улице, в помещениях с повышенной влажностью (бани, бассейны и т.д.).
Отображение выключателей
Схематическое обозначение выключателей выглядит как небольшого размера кружок с одним или несколькими Г- или Т- образными ответвлениями. Отводы в виде буквы «Г» обозначают выключатель открытого монтажа, с виде буквы «Т» — скрытого монтажа. Количество отводов отображает количество клавиш на этом устройстве.
Условные графические обозначения выключателей на электрических схемах
Кроме обычных могут стоять проходные выключатели — для возможности включения/выключения одного источника света из нескольких точек. К такой же небольшой окружности с противоположных сторон пририсовывают две буквы «Г». Так обозначается одноклавишный проходной переключатель.
Как выглядит схематичное изображение проходных выключателей
В отличие от обычных выключателей, в этих при использовании двухклавишных моделей добавляется еще одна планка, параллельная верхней.
Лампы и светильники
Свои обозначения имеют лампы. Причем отличаются лампы дневного света (люминесцентные) и лампы накаливания. На схемах отображается даже форма и размеры светильников. В данном случае надо только запомнить как выглядит на схеме каждый из типов ламп.
Изображение светильников на схемах и чертежах
Радиоэлементы
При прочтении принципиальных схем устройств, необходимо знать условные обозначения диодов, резисторов, и других подобных элементов.
Условные обозначения радиоэлементов в чертежах
Знание условных графических элементов поможет вам прочесть практически любую схему — какого-нибудь устройства или электропроводки. Номиналы требуемых деталей иногда проставляются рядом с изображением, но в больших многоэлементных схемах они прописываются в отдельной таблице. В ней стоят буквенные обозначения элементов схемы и номиналы.
Буквенные обозначения
Кроме того, что элементы на схемах имеют условные графические названия, они имеют буквенные обозначения, причем тоже стандартизованные (ГОСТ 7624-55).
| 1 | Выключатель, контролер, переключатель | В |
| 2 | Электрогенератор | Г |
| 3 | Диод | Д |
| 4 | Выпрямитель | Вп |
| 5 | Звуковая сигнализация (звонок, сирена) | Зв |
| 6 | Кнопка | Кн |
| 7 | Лампа накаливания | Л |
| 8 | Электрический двигатель | М |
| 9 | Предохранитель | Пр |
| 10 | Контактор, магнитный пускатель | К |
| 11 | Реле | Р |
| 12 | Трансформатор (автотрансформатор) | Тр |
| 13 | Штепсельный разъем | Ш |
| 14 | Электромагнит | Эм |
| 15 | Резистор | R |
| 16 | Конденсатор | С |
| 17 | Катушка индуктивности | L |
| 18 | Кнопка управления | Ку |
| 19 | Конечный выключатель | Кв |
| 20 | Дроссель | Др |
| 21 | Телефон | Т |
| 22 | Микрофон | Мк |
| 23 | Громкоговоритель | Гр |
| 24 | Батарея (гальванический элемент) | Б |
| 25 | Главный двигатель | Дг |
| 26 | Двигатель насоса охлаждения | До |
Обратите внимание, что в большинстве случаев используются русские буквы, но резистор, конденсатор и катушка индуктивности обозначаются латинскими буквами.
Есть одна тонкость в обозначении реле. Они бывают разного типа, соответственно маркируются:
- реле тока — РТ;
- мощности — РМ;
- напряжения — РН;
- времени — РВ;
- сопротивления — РС;
- указательное — РУ;
- промежуточное — РП;
- газовое — РГ;
- с выдержкой времени — РТВ.
В основном, это только наиболее условные обозначения в электрических схемах. Но большую часть чертежей и планов вы теперь сможете понять. Если потребуется знать изображения более редких элементов, изучайте ГОСТы.
Источник: https://stroychik.ru/elektrika/uslovnye-oboznacheniya-na-shemah
Сходство и различия УЗО и дифференциального автоматического выключателя

Сходства:
— Однообразный принцип контроля тока утечки – с внедрением дифференциального трансформатора тока
— Однообразный метод защиты персонала – методом отключения от электронной сети всех рабочих проводников, подходящих к электроустановке с внедрением высоконадежного механического расцепителя с сильной контактной группой и механизмом взвода отключающих пружин с индикатором положения.
— Однообразный метод проверки работоспособности – методом искусственно создаваемого дифференциального тока с внедрением специальной электронной цепи тестирования.
Различия:
— Наличие только у УЗО (дифференциального выключателя) чувствительного элемента, который не имеет собственного употребления электроэнергии и потому всегда сохраняет работоспособность.
У дифференциального автомата этот чувствительный элемент представляет собой электрическое пороговое устройство с источником питания, которое может утратить работоспособность при выходе из строя электрических компонент, также при обрыве фазного либо нулевого проводника до места установки дифференциального автомата.
— Наличие только у дифференциального автомата интегрированной защиты от перегрузок и всех видов тока недлинного замыкания в электронной сети и потому наличие у него более массивных силовых контактов с системой дугогашения.
В отличие от этого, поочередно с УЗО рекомендуется устанавливать автоматический выключатель с номинальным током расцепителя на ступень ниже, чем его номинальный ток, тем не допускается отключение токов однофазового недлинного замыкания самим УЗО (на токи трехфазного и двухфазного недлинного замыкания УЗО не реагирует).
— Наличие только у дифференциального автомата электромагнита сброса, который накрепко сдергивает защелку механизма независящего расцепления. Но этот электромагнит также запитан от источника питания средством электрического усилителя с пороговым устройством.
У УЗО воздействие на механизм свободного расцепления производит магнитоэлектрическая защелка, которая не имеет специального источника питания и потому всегда сохраняет работоспособность.
Электронные схемы и условное графическое обозначение УЗО и дифференциального автомата
Рис. 1. Дифференциальный выключатель (УЗО): а) электронные схемы б) условное графическое обозначение
Важно
Рис. 2. Дифференциальный автомат: а) электронные схемы б) условное графическое обозначение
Школа для электрика
Источник: http://elektrica.info/shodstvo-i-razlichiya-uzo-i-differentsial-nogo-avtomaticheskogo-vy-klyuchatelya/
orenburgelectro.ru
Обозначение УЗО на однолинейной схеме
Содержание:
- УЗО на однолинейной схеме
- Обозначение УЗО на схеме по госту
- Видео: Как начертить однолинейную схему щита
Электротехника не может существовать без сопутствующих ей специальных схем и проектов. Поэтому для специалиста является очень важным умение их правильно прочитать и использовать точно по назначению. Во многих случаях все элементы, в том числе и обозначение УЗО на однолинейной схеме, выполнены довольно условно, для того чтобы можно было ясно представить себе полную картину всего графического проекта. Как правило условное изображение УЗО напоминает обычный выключатель, с полюсами, проводами и другими деталями, изображенными символически. Опытный электрик хорошо разбирается в таких схемах, уверенно читает их и не допускает ошибок во время работы.
УЗО на однолинейной схеме
Прежде чем выполнять какие-либо практические действия, каждый электрик должен предварительно ознакомиться с проектной документацией, разработанной для объекта. Она может составляться самостоятельно или заказываться в специализированной организации. Поэтому нередки случаи, когда графические изображения тех или иных элементов различаются между собой. Это касается многих элементов, в том числе и устройств защитного отключения. В связи с этим нужно знать, как на схеме обозначается УЗО в различных вариантах.

В первую очередь необходимо заранее изучить общепринятые правила графических обозначений и маркировки оборудования и других элементов, представляемых на электрических чертежах и план-схемах. Некоторые электрики считают, что им не нужен весь объем таких знаний, поскольку большинство информации на практике может не пригодиться. Однако такие рассуждения абсолютно неверны.
Каждый специалист-электротехник, уважающий свою профессию, должен не только освоить чтение электрических схем, но и основные графические изображения различных средств коммуникации, защитных устройств, приборов учета, розеток, выключателей, светильников и других элементов. Такие знания служат хорошим подспорьем в практической работе.

Основные виды маркировок, в том числе и обозначение УЗО на схеме, постоянно используются электриками при выполнении практических работ. Предварительное составление графиков и рабочих схем требует аккуратности и повышенного внимания, поскольку даже маленькая неточность или неправильно нанесенный значок, могут вызвать в дальнейшем серьезную ошибку.
Неверные данные могут быть неправильно истолкованы специалистами сторонних организаций, задействованными для выполнения электромонтажных работ. По этой причине часто возникают серьезные трудности во время прокладки электрических сетей.
Обозначение УЗО на схеме по госту
Все устройства защитного отключения наносятся на схемы с помощью графических и буквенных изображений. Данная символика определяется нормативными документами: ГОСТ 2.755-87 ЕСКД «Обозначения условные графические в электрических схемах. Устройства коммутационные и контактные соединения». Маркировка определяется согласно ГОСТ 2.710-81 ЕСКД «Обозначения буквенно-цифровые в электрических схемах».

Однако в целом данные документы не дают полной информации о том, каким именно должно быть обозначение УЗО на схеме однолинейного типа. То есть каких-либо особенных требований в данном случае не выдвигается. Поэтому многие электрики маркируют некоторые узлы и устройства собственноручно разработанными значениями и метками, немного отличающимися от привычных стандартных обозначений.
Иногда за основу берутся символы, нанесенные на корпус защитного устройства. Поэтому. исходя из предназначения УЗО, данный прибор на электрических схемах разделен на две составляющих – выключатель и датчик, реагирующий на дифференциальный ток и приводящий в действие механизм отключения контактов.
electric-220.ru
Обозначение УЗО на однолинейной схеме
Действующие государственные стандарты (ГОСТ) не регламентируют графическое и буквенное обозначение УЗО (устройства защитного отключения), отсутствуют дополнительные графические символы, позволяющие точнее описать основные функции и свойства стандартного оборудования.
УЗО является одним из основных элементов электрических однолинейных схем, поэтому производителями модульного оборудования и проектировщиками принято следующее условное обозначение для него:

Такое схематическое отображение устройств защитного отключения, наиболее точно показывает его принцип работы и отличает от другого модульного оборудования, если знать, что такое УЗО и как оно работает.
При этом, так как государственные стандарты не регламентируют вид УЗО, обязательно на схемах и планах нужно показывать блок с условными графическими обозначениями (УГО), в котором давать расшифровку и пояснения к графическим элементам, даже если решено использовать иной от представленного вид. Возможность самим разработать условные обозначения, если их нет в стандартах указана в ГОСТ 2.702-2011.
Буквенная маркировка УЗО — QF, если пользоваться правилами их формирования по ГОСТ 2.710-81 ЕСКД (ЧИТАТЬ PDF) «Обозначения буквенно-цифровые в электрических схемах«. Это полностью совпадает с обозначением автоматического выключателя и некоторых других модульных устройств, делая однолинейные схемы менее читаемыми и понятными.

Многие вводят свои буквенные обозначения: Q, QFD, QDF и т.д. которые, если опираться на актуальные стандарты, неверны, не раскрывают функции УЗО, но помогают отличать от других элементов защитной автоматики на однолинейных схемах.
Это бывает важно, особенно если на схеме одновременно присутствуют УЗО, и дифавтоматы. Их графические обозначения похожи и не всегда их легко отличить друг от друга.Учитывая, что проектировщики электроустановок нередко максимально упрощают применяемые графические символы, опуская важные детали.
Рассмотрим условное Обозначение дифференциального автоматического автомата на однолинейной схеме и сравним его с УЗО.
rozetkaonline.ru
Обозначение дифавтоматов на однолинейной схеме
Для автоматического выключателя дифференциального тока (АВДТ или дифавтомат) нет утвержденного в ГОСТ или СП, индивидуального графического и буквенного обозначения.
Даже в современном ГОСТ Р МЭК 60617-DB-12M-2015, содержащем в себе все условные графические знаки для электрических схем, который введен в действие в 2016г, не представлен АВДТ.
Поэтому, обозначение дифавтомата на электрических схемах, формируется согласно ГОСТ 2.702-2011 «Единая система конструкторской документации (ЕСКД), который разрешает самим создавать схематические обозначения оборудования или устройств, если они не определены в других нормативах, стандартах и правилах.
Согласно нему, дифавтомат на однолинейной схеме показывается следующим образом:

Как и сам дифференциальный автомат, его схематический вид, образуется слиянием обозначений АВ (автоматического выключателя) и УЗО, сочетая в себе их графические признаки.
Так как государственные стандарты не регламентируют вид дифавтомата, на всех планах, в обязательном порядке, добавляется блок с условными графическими обозначениями (УГО), в котором даётся расшифровка и пояснение использованным символам.
Буквенное обозначение
Правильная буквенная маркировка дифавтомата на схемах — QF, только она полностью соответствует ГОСТ 2.710-81 ЕСКД. При этом, такое буквенное обозначение не даёт точного определения функций устройства, не раскрывает принципа действия.
Более того, согласно того же стандарта, маркируются и АВ, и устройства защитного отключения- УЗО. Это часто вводит в заблуждение электриков или электромонтажников, поэтому проектировщики в электропроектах нередко самостоятельно вводят маркировки: Q, QD, QFD, QDF и т.д.

Различие УЗО и ДИФАВТОМАТА на схемах
Из-за внешнего сходства дифавтомата и УЗО на однолинейных схемах, многие их путают, хотя, при прямом сравнении, видны явные различия:

У автоматического выключателя дифференциального тока, в отличии от УЗО, добавлены дополнительные графические знаки, присущие модульным автоматам, это — автоматическое срабатывание и функция выключателя (отмечены на изображении выше).
Функция выключателя часто вообще не показывается проектировщиками электросхем, они оставляют лишь знак автоматического срабатывания, поэтому, лучше всегда ориентируйтесь именно на него и тогда точно не перепутаете эти устройства.
rozetkaonline.ru
Примеры подключения УЗО и дифференциального автомата
Вернутся в раздел: ⇒ УЗО и Дифзащита ⇔ Электрика
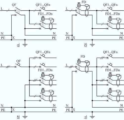
В данной статье рассмотрены несколько примеров подключения УЗО и Дифференциальных автоматов.
Основным условием при выборе УЗО и диф. автомата является соблюдение селективности (ПУЭ.РАЗДЕЛ 3):

Рис. 1
В электротехнике под «селективностью» понимают совместную работу последовательно включенных аппаратов защиты электрических цепей (автоматические выключатели, УЗО, диф. автомат и т.п.) в случае возникновения аварийной ситуации. На рис. 1 привёден пример работы такой схемы, с учётом общего наминала автоматических выключателей 40 А (4шт. по 10А), вводный автомат 63 А.
Селективность используется при выборе номинала устройств защиты для отключения от общей системы питания только той ее части, где произошла авария. Это достигается за счет срабатывания только того автоматического выключателя, который защищает аварийную линию питания.
Во общем, для селективной работы автоматических выключателей при перегрузках нужно, чтобы номинальный ток (In) автоматического выключателя со стороны питания был больше In автоматического выключателя со стороны потребителей.
Условное обозначение УЗО и дифавтомата на электрических схемах:
Обозначение УЗО на принципиальных электрических схемах см. рис. 2. Слева – однофазное УЗО с током срабатывания 30 мА, справа – трехфазное УЗО на 100 мА. Сверху развернутое изображение, снизу однолинейное. Число полюсов при однолинейном представлении можно изображать и числом (вверху) и числом черточек. Условное обозначение Дифавтомата на принципиальных схемах см. рис. 3 и на однолинейных схемах рис. 4. Буквенное обозначение QF.

Рис. 2
Рис. 4
Рис. 3
Схемы включения УЗО:
Рис. 5, а
По конструкции УЗО различных производителей могут отличаться друг от друга не только параметрами, но и схемами подключения. На рис. 5 приведены наиболее распространенные схемы включения УЗО в различных вариантах:
Двухполюсные УЗО Рис. 5 (а).
Рис. 5, б
Четырехполюсные УЗО, в которых резистор, имитирующий дифференциальный ток, подключен в фазное напряжение (Рис. 5 (б).
Рис. 5, в
Четырехполюсные УЗО, в которых резистор, имитирующий дифференциальный ток, подключен на линейное напряжение (Рис. 5 (в).
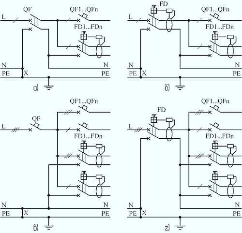
При включении УЗО (дифавтомата) в любом случае смотрите схему, схема подключения приведена на лицевой или боковой поверхности корпуса УЗО, а также в паспорте технического устройства.
Ниже приведены монтажные схемы подключения УЗО (Рис. 6) и дифавтомата (Рис. 7).

Рис. 6

Рис. 7
- Вводный автомат.
- Прибор учёта (электросчетчик).
- УЗО или дифавтомат.
- Автоматический выключатель (освещения, как правило 6 ÷ 10 А, в зависимости от нагрузки светильников).
- Автоматический выключатель (розетки, как правило 16 ÷ 25 А, в зависимости от группы розеток).
- Автоматический выключатель (розетка «силовая», 16 ÷ 25 А, в зависимости от нагрузки электроплиты).
- Нулевая рабочая N — шина.
- Нулевая защитная РЕ — шина.
Более подробно про системы заземления и зануления см. в разделе
Вернутся в раздел: ⇒ УЗО и Дифзащита ⇔ Электрика
energetik.com.ru
