В узо – подключение, схема, принцип работы, устройство, выбор
УЗО.Выбор УЗО для квартиры или частного дома.
УЗО – устройство защитного отключения. В настоящее время, УЗО применяется практически везде, а в новостройках оно обязательно.

УЗО мы устанавливаем в квартирных щитках, в электрощитах частных домов. И это, конечно, правильно, только УЗО спасает человека от удара током. Также УЗО защищает нашу квартиру или частный дом от пожаров, которые возникают из-за неисправностей в электропроводке (плохой контакт, разрушение изоляции проводов). На мой взгляд, на такой вопрос, как ставить УЗО или не ставить, ответ может быть только один — УЗО нужно устанавливать в электрощит ОБЯЗАТЕЛЬНО.

Согласно ГОСТ 51326.1-99 «Выключатели автоматические управляемые дифференциальным током бытового и аналогичного назначения без встроенной защиты от сверхтоков» автоматы управляемые диф. током (УЗО) имеют сокращение ВДТ (выключатели дифференциального тока). Такое название УЗО вы можете встретить в технической литературе, в наименовании товаров интернет магазинов. Во Франции УЗО обозначают ID (Шнайдер), в Англии — RCCD’s.
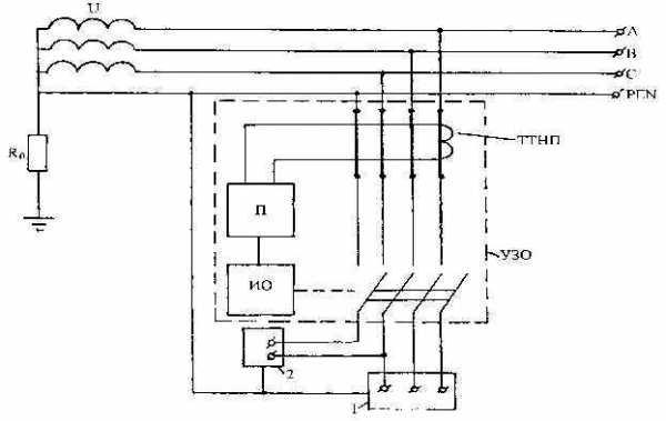
Принцип действия УЗО
Принцип действия УЗО основан на сравнении токов, которые протекают через УЗО, т.е. если своими словами – какая величина тока прошла через УЗО
к потребителям, такая же величина тока должна и выйти обратно из УЗО через нулевой проводник. На картинке I1 – ток в УЗО к электроприемнику, I2 – ток в УЗО от электроприемника. I1 = I2 – это условие выполняется при качественно выполненной электропроводки или нет какого-либо вмешательства в работу электропроводки.
Предположим человек, коснулся какого-то проводника (фаза или ноль), в этом случае человек «забирает» на себя часть тока I∆n, и равенства между I1 и I2 уже не будет, т.к. I1 > I 2 — I∆n. УЗО это почувствует и отключится, тем самым УЗО спасет человека от вероятной смерти из-за поражения током. УЗО обязано срабатывать за 25-40 мсек, чтобы ток, который будет протекать через организм, не увеличился до смертельно-опасного.
УЗО по количеству фаз
УЗО бывают однофазные и трехфазные. Здесь думаю всё понятно, если однофазная сеть, то УЗО однофазное – занимает 2 модуля (фаза и ноль). Если трехфазная сеть, то УЗО трехфазное – занимает 4 модуля (три фазы и ноль).

Отмечу, что в частных домах, где в последнее время подключают по три фазы мощностью 15 кВт, неправильно для защиты человека от поражения электрическим током или пожарной безопасности, устанавливать общее трехфазное УЗО, т.к. при утечке тока на одной из фаз, трехфазное УЗО отключит все три фазы. Трехфазное УЗО устанавливается на отдельных трехфазных потребителей, варочные панели (электроплиты), котлы в частных домах.
Выбор УЗО по номинальному току

Важно знать, что УЗО не имеет защиты от сверхтоков (токи короткого замыкания, перегруз) и поэтому его следует всегда защищать автоматическим выключателем, номинальный ток которого меньше или равен номинальному току УЗО — это по правилам. Но я подбираю УЗО по-другому, строго на ступень выше автомата.
Объясню почему, автомат, как известно пропускает ток до 1,13 от I ном. бесконечно долго, а в интервале от 1,13-1,45 I ном. в тчение 1 часа. Предположим выбрали мы автомат на 25А и УЗО тоже на 25А. В итоге, в течение целого часа УЗО, которое рассчитано на 25А будет пропускать ток величиной 25*1,45=36А, что будет с УЗО в этом случае я не знаю, но думается, что УЗО на 25А с высокой вероятностью сгорит.
Номинальный ток УЗО указан на его лицевой части.


Встречаются УЗО на номинальные токи и 32А, и 50А, но это китайские УЗО, серьезные бренды, такие как ABB, Шнайдер Электрик или Легранд, УЗО такого номинала не выпускают.
Примеры, как правильно выбрать УЗО по номинальному току:


При этом запомните, что если «сверху» УЗО уже защищено автоматом, номинал которого меньше номинала УЗО, то после этого УЗО можно подключать автоматы, суммой номиналов хоть на 1000 А.
Номинальный отключающий ток УЗО
Номинальный отключающий ток УЗО
Номинальный отключающий ток УЗО I∆n или ток утечки также указывается на лицевой панели УЗО.


УЗО 10 мА используют для защиты электроприемников во влажных помещениях или мокрых потребителей, т.е. стиральные и посудомоечные машинки, розетки которые находятся внутри ванны или туалета, свет в ванной, теплый пол в ванной или туалете, свет или розетки на балконах и лоджиях.
СП31-110-2003 п.А.4.15 Для сантехкабин, ванных
и душевых рекомендуется устанавливать УЗО с номинальным дифференциальным отключающим током до 10 мА, если на них выделена отдельная линия, в остальных случаях, например при использовании одной линии для сантехкабины, кухни и коридора, следует использовать УЗО с номинальным дифференциальным током до 30 мА.Т.е. УЗО с уставкой 10 мА устанавливают на отдельный кабель, к которому подключается только стиральная машинка. Но если от кабельной линии еще запитаны другие потребители, например, розетки коридора, кухни, то в этом случае устанавливают УЗО с током срабатывания (уставкой) в 30 мА.
УЗО с током утечки 10 мА у АВВ выпускают только на 16А. У Шнейдер Электрик и Хагер, есть в линейке продукции УЗО на 25/10 мА и 16/10 мА.
УЗО 30 мА устанавливают на стандартные линии, т.е. обычные бытовые розетки, свет в комнатах и т.д.
[note] ПУЭ п.7.1.79.
УЗО 100, 300, 500 мА называют противопожарными, такие УЗО не спасут вас от смертельного удара током, но уберегут квартиру или частный дом от возникновения пожара из-за неисправностей в электропроводке. Такое УЗО на 100-500 мА устанавливаются в вводных щитках, т.е. в начале линии.
В США используют УЗО с номинальным отключающим током 6 мА, в Европе до 30 мА.
Следует отметить, что УЗО отключается в пределах уставки 50-100%, т.е. если у нас УЗО на 30 мА, то отключаться оно должно в пределах 15-30 мА.
Есть проектировщики, которые продвигают двойные диф. защиты «мокрых» потребителей. Это когда, например стиральная машинка, подключена к УЗО 16/10 мА, которое в свою очередь подключено к групповому УЗО 40/30 мА.
В итоге, что мы получим? При малейшем «чихе» стиральной машинки, мы отключаем всю группу автоматов (свет кухни, бойлер и свет комнаты), т.к. в большинстве случаев неизвестно, какое сработает УЗО 25/30 мА или 16/10 мА, либо сработают оба.
Согласно свода правил по проектированию электроустановок жилых и общественных зданий:
[note]СП31-110-2003 п.А.4.2 При установке УЗО последовательно должны выполняться требования селективности. При двух- и многоступенчатой схемах УЗО, расположенное ближе к источнику питания, должно иметь уставки тока срабатывания и время срабатывания не менее чем в три раза большие, чем у УЗО, расположенного ближе к потребителю. [/note]
Но справедливости ради, следует отметить, что если электропродка смонтирована качественно, то УЗО не срабатывают годами. Поэтому в данном случае — последнее слово за заказчиком.
Типы УЗО по принципу срабатывания
По принципу срабатывания УЗО подразделяют на электронные и электромеханические. Электронные УЗО на порядок дешевле, чем электромеханические УЗО. Это объясняется его меньшей надежностью и дешевизной производства. Электронное УЗО «питается» от сети, и работа электронного УЗО зависит от параметров и качества этой самой электросети.
Приведу такой пример, у нас отгорел ноль в этажном щитке, соответственно пропадет питание электронного УЗО и оно не будет работать. И если в этом время произойдет замыкание фазы на корпус прибора, а человек его коснется, то электронное УЗО не сработает, т.к. оно просто напросто не работает, нет питания электроники из-за обрыва нуля. Или если по-простому электроника – это электроника, а китайская электроника – это вдвойне «электроника», которая может отказать в любой момент. Поэтому электромеханическое УЗО, которое не зависит от состояния сети, намного надежнее, чем электронное УЗО.
В основе принципа действия лежит сравнение входящего и выходящего тока УЗО обычного дифференциального трансформатора тока, и если ток не равен и больше уставки (номинальный отключающий ток УЗО в мА), как уже указывалось выше, то УЗО отключается.

По этим схемам можно определить, электронное УЗО или электромеханическое, схемы наносят на корпуса УЗО.


Известные производители, такие как ABB, Шнайдер Электрик, Хагер или Легранд не производят электронных УЗО, только электромеханические УЗО. Я ставлю в свои электрощиты электромеханические УЗО.
Для сравнения электронного и электромеханического УЗО предлагаю фото с их «внутренностями». Я бы выложил электронное УЗО, какого-либо известного бренда, а не китайского, но, как писал выше, АББ, Шнайдер Электрик, Легранд и другие серьезные производители, не выпускают электронных УЗО.

Типы УЗО АС, А, В
В зависимости от типа, УЗО обязано отключаться от разного вида утечек тока, есть УЗО, которые отключают только переменный ток, есть УЗО которые переменный и пульсирующий ток:
УЗО тип АС реагирует на мгновенный переменный дифференциальный ток утечки, т.е. это обычные потребители: освещение, теплые полы, холодильники, конвекторы и др. Тип УЗО АС обозначается на панели, это либо буквы АС, либо специальный символ (пиктограмма) или и то и другое вместе.

УЗО тип А реагирует, как на переменный, так и на пульсирующий ток утечки, который может медленно нарастать или возникать внезапно. Это приборы, в которых используются выпрямители и импульсные блоки питания: компьютеры, стиральные машинки, телевизоры, посудомойки, микроволновки, т.е. там, где всем управляет электроника. В некоторых инструкциях на современные электроприборы отдельно указывается, что необходима установка УЗО типа А. Пиктограмма для УЗО тип А выглядит следующим образом


УЗО тип А дороже, чем УЗО тип АС, т.к. «охватывает» бОльшую зону защиты. Но следует отметить, что уровень защиты с УЗО типа АС выше, чем если бы УЗО не было бы вообще.
[note] ПУЭ 7.1.78. В зданиях могут применяться УЗО типа «А», реагирующие как на переменные, так и на пульсирующие токи повреждений, или «АС», реагирующие только на переменные токи утечки.
Источником пульсирующего тока являются, например, стиральные машины с регуляторами скорости, регулируемые источники света, телевизоры, видеомагнитофоны, персональные компьютеры и др. [/note]
Часто у читателей возникает вопрос: «Какое УЗО поставить на холодильник, стиральную машинку, посудомойку, варочную панель и т.д.?». Самый правильный ответ, вы найдете в инструкциях на бытовую технику.
Но, например, в Европе разрешено устанавливать УЗО только тип А. УЗО тип АС запрещены.
УЗО тип В — редкость в России, их применяют в промышленности, где помимо прочих видов утечек, есть утечки выпрямленного тока, в быту УЗО тип В не применяют.
Задержка отключения (селективность) УЗО
По выдержке времени срабатывания УЗО разделяют на 3 типа:
УЗО без выдержки времени, применяют для защиты человека от поражения током и от возгораний вследствие неисправностей электропроводки. УЗО без выдержки времени устанавливают на линии электроприемников. И являются первой ступенью защиты.
УЗО тип S (селективное), также его называют противопожарным. Данное УЗО тип S срабатывает с задержкой (0,2-0,5 сек), поэтому человека оно не защищает, а лишь защищает от возникновения пожаров. Противопожарное УЗО устанавливается в начале линии после вводного автомата и защищает вводной кабель и подключение автоматики в щитке, а также является второй ступенью диф. защиты всего дома от пожара.
Определить, что это УЗО селективное, можно по букве «S» на панели, которая и обозначает, что УЗО селективное с выдержкой времени на отключение.
Примеры однофазного селективного противопожарного УЗО ABB с током утечки на 100мА и трехфазного противопожарного УЗО на 300 мА от Шнейдер Электрик.


УЗО тип S выбирают с номинальным током утечки 100-300 мА. Протипожарное УЗО с уставкой 100-300 мА является второй ступенью защиты, а согласно правил, если в схеме установлены на одной линии несколько УЗО, то каждая последующая ступень должна быть с бОльшей выдержкой времени на срабатывание и уставкой по току.
[note] СП31-110-2003 п.А.4.2 При установке УЗО последовательно должны выполняться требования селективности. При двух- и многоступенчатой схемах УЗО, расположенное ближе к источнику питания, должно иметь уставки тока срабатывания и время срабатывания не менее чем в три раза большие, чем у УЗО, расположенного ближе к потребителю. [/note]
Если б не было выдержки времени, а на линии у нас стоит два УЗО, одно на 30 мА, другое на 100 мА, то при утечках тока срабатывали бы оба УЗО и УЗО на 100 мА обесточило бы весь дом. Поэтому, чтобы не выбегать в труселях по морозу на улицу и включать противопожарное УЗО в уличном щитке, противопожарное УЗО выбирается с уставкой, достаточной для предотвращения пожара.
УЗО тип G, тоже самое, что и тип S, только с меньшей выдержкой времени 0,06-0,08 сек. УЗО редкие, и ждать их «приезда» приходилось по 2-3 месяца, что для меня очень неудобно,т.к. электрощитки зависают на долгий срок.
Схема подключения УЗО
Питание (электричество) можно подавать, как на нижние, так и на верхние контакты УЗО — это утверждение относится ко всем ведущим производителям электромеханических УЗО.
Пример из инструкции для УЗО ABB F200

Я разделяю схемы подключения УЗО на 2 вида:
- Это стандартная схема подключения, одно УЗО один автомат. Помним, что УЗО выбирается с номинальным током на ступень выше, чем автомат? Если автомат у нас на кабельной линии 25А, то УЗО следует выбрать на 40А. Ниже показан пример схемы подключения УЗО для электроплиты (варочной поверхности).

- Это стандартная схема подключения, одно УЗО один автомат. Помним, что УЗО выбирается с номинальным током на ступень выше, чем автомат? Если автомат у нас на кабельной линии 25А, то УЗО следует выбрать на 40А. Ниже показан пример схемы подключения УЗО для электроплиты (варочной поверхности).
- Но, если у нас квартира или частный дом, где кабельных линий штук 20-30, то щиток у нас по первой схеме подключения будет огромных размеров, да и стоимость его выйдет, как бюджетная иномарка)). Поэтому производителями допускается установка одного УЗО на группу автоматов. Т.е. одно УЗО на несколько автоматов. Но здесь важно соблюдать следующее правило, сумма номинальных токов автоматов не должна превышать номинальный ток УЗО. Если у нас УЗО на три автомата, например автомат 6 А (освещение) + 16 А (розетки в комнате)+16 А (кондиционер) = 38 А. В этом случае мы может выбрать УЗО на 40 А. Но не стоит «навешивать» на УЗО более 5 автоматов, т.к. любая линия имеет естественные утечки тока (соединения кабелей, сопротивления контактов автоматов, розетки и т.д.) в итоге получите сумму утечек, которая превышает ток отключения УЗО, и оно у вас будет периодически срабатывать без видимой на то причины. Или если установить перед УЗО автомат с меньшим номинальным током, то можно «цеплять» к УЗО автоматы, не задумываясь об их номинальных токах, но, конечно, помним, что более 5-ти автоматов подсоединять к УЗО не следует, т.к. сумма естественных утечек тока в кабелях и приборах будет высока, и близка к уставке УЗО. Что приведет к ложным срабатываниям.
Из данной схемы видно, что сумма номинальных токов отходящих автоматов 16+16+16=48 А, а УЗО у нас на 40А, но перед УЗО у нас стоит автомат на 25А и в этом случае УЗО у нас защищено от сверхтоков. Данная схема позаимствована из статьи, где я менял автоматы и УЗО в квартирном щитке.
Схема подключения трехфазного электродвигателя через УЗО
Часто в комментариях спрашивают о подключении трехфазного двигателя (насоса) через УЗО, вопрос возникает из-за отсутствия в трехфазных электродвигателях нейтрали.

Собственно ничего сложного в этом нет, для корректной работы трехфазного УЗО нулевой проводник мы подключаем на нулевую клемму УЗО со стороны питания, а со стороны двигателя она остается пустая.
УЗО следует проверять не реже, чем 1 раз в месяц. Делается это достаточно просто, достаточно нажать на кнопку «ТЕСТ», которая есть на любом УЗО.

УЗО обязано отключиться, делать это следует при снятой нагрузке, когда выключены телевизоры, компьютеры, стиральная машинка и т.д., чтобы лишний раз не «дергать» чувствительное оборудование».
Мне нравятся УЗО АББ, у которых как и у выключателей АББ серии S200, есть индикация включенного (красный цвет) или отключенного (зеленый цвет) положения.

Также, как у выключателей ABB S200, есть по два контакта на каждом полюсе сверху и снизу.

Спасибо за внимание.
Цитата с обтеканием
Цитата с обтеканием
elektroschyt.ru
что это такое и особенности правильного подключения
Ссылка на статью успешно отправлена!
Отправим материал вам на e-mail
Увы, но одна особенность практически каждого человека — это экономия. Причём сэкономить мы любим на тех вещах, которые в быту никогда не пригодятся (так, по крайней мере, все думают). Вот как раз такого рода «безделушку», мы и разберём по косточкам в этой статье. Вы когда-нибудь слышали аббревиатуру УЗО? Что это такое узнаете прочитав обзор до конца. Вкратце хочется добавить, что это устройство способно уберечь жильё и всех его обитателей от ЧП, связанных с электричеством.

Безопасный дом
Содержание статьи
Принцип работы УЗО: что это такое?
Расшифровав УЗО, мы узнаем, что это устройство защитного отключения, которое на протяжении не одного десятка лет, инженеры пытались довести до совершенства и максимально заточить под бытовые нужды. Итак, всё началось в 1950 году. В это время вышло первое издание ПУЭ (правила устройства электроустановок). Конечно, в то время не было споров насчёт защиты от утечки тока, но вот ближе к 80-м годам всё изменилось. В правилах никогда не разрешалось устанавливать УЗО в бытовых сетях, потому что составные узлы прибора не позволяли улавливать перебои в электричестве малых токов (в отличие от больших предприятий). Но упорство разработчиков и новые технологии, дали официальный старт приборам такого рода, что отражено в седьмой главе ПУЭ.

Первые приборы
Суть работы УЗО
Ток, попадающий в квартиру от сети, течёт по проводу фазы, подвергаясь нагрузке от всех приборов. При достижении конечной точки, он возвращается по нейтральному кабелю обратно. Значения при входе в сеть помещения и при выходе должны быть одинаковыми. В случае если входящий показатель больше, чем выходящий, значит, где-то в проводке происходит утечка, что может привести к пожару. Во избежание таких случаев ставят УЗО. Его главное предназначение, улавливать любые изменения в электросети, и производить аварийное отключение при скачках напряжения.

Внешний вид УЗО
УЗО изнутри
Прибор состоит из простых элементов:
- Дифференциальный трансформатор (или устройство с нулевой токовой последовательностью), который имеет три обмотки. Первая и вторая замыкаются на нуле и фазе. Третья подключена к подвижному органу запуска, который выполнен из реле либо электроники.

Трансформатор защиты
- Пусковой механизм заключён в узле с силовым приводом и контактной группой.

Контактный узел
- Тестовая кнопка. Служит для пробного отключения сети (с её помощью проверяют работоспособность защитного устройства).

Внешний вид тестовой кнопки
Пример работы автомата
УЗО установлено на входе сети в помещение, через него ток заходит, и выходит назад. В этом процессе участвуют первичная и вторичная обмотки, первая пропускает через себя входящий ток, а вторая выходящий. При нормальной работе сети, силы равны и магнитное поле внутри трансформатора равно нулю, потому что по обмоткам ток движется в разных направлениях. В таком режиме УЗО бездействует. Теперь представим, что где-то в проводке оголился провод, и происходит утечка тока в землю. Следовательно, выходящее напряжение изменяется и силы сопротивления двух обмоток не равны. Лишний ток уходит на третью катушку, которая приводит в действие силовой механизм, отключающий всю электроэнергию в квартире. Но это происходит не сразу, так как существует запас для мелких скачков напряжения, дабы не происходило ложное срабатывание.

Схема работы УЗО
Обратите внимание! Специалисты категорически не рекомендуют устанавливать защиту в квартирах со старой проводкой, аргументируя это тем, что провода изношены временем и могут создавать утечку. Прибор в таком случае будет нарушать работу сетей. Но всё как раз наоборот, ведь таким образом, вы и сможете выявить наличие пробоя в проводах.
Статья по теме:
Какой выбрать стабилизатор напряжения 220В для дома. Вам знакома проблема перебоев напряжения, что проявляется в мигании лампочек. В статье мы поговорим о том, как правильно выбрать стабилизатор напряжения 220в для дома, чтобы раз и навсегда забыть об этой проблеме?
УЗО или дифференциальный автомат: как отличить и что выбрать?
Оба прибора очень схожи друг с другом, но если копнуть глубже, то всё становится на свои места. Давайте разберёмся как работают УЗО и дифференциальные автоматы. Разница достаточно существенна.

Отличия дифавтомата от УЗО
Отличия в работе
- УЗО — работает только на утечку тока во избежание пожара, и на защиту человека от удара электричеством. При коротком замыкании или избыточной нагрузке сети прибор не отреагирует.

Схема при срабатывании
- Дифференциальный автомат — работает при любых неисправностях в проводке, короткое замыкание, большая нагрузка, утечка, перегрев проводов.

Схема при срабатывании ДИФ
Особенности подключения
- Защитное устройство нужно подключать параллельно со стандартными автоматами. Необходимо, чтобы они всегда работали в паре, так как один, дополняет другой нужными свойствами.

Схема подключения УЗО и автомата
- В дифференциале присутствует весь набор безопасности. Этот прибор соединил в себе УЗО и автомат.

Как подключать ДИФ
Что выбрать?
- Первый вариант покупают, когда в щитке уже установленны автоматы просто параллельно к ним подключают УЗО.
- Второй вариант приемлемо использовать в местах, где наново делают проводку и щиток электрооборудования.
Теперь вы знаете чем отличается УЗО от дифференциального автомата.
Обратите внимание! Стоимость устройства защиты гораздо ниже, чем монтаж множества дифференциальных автоматов. Но, второе стоит дешевле, чем УЗО + автомат. Выбор за вами.
Таблица 1. Средние цены на однофазные устройства
Варианты подключения УЗО к однофазной сети с заземлением и без

Стандартная схема однофазного подключения
На рисунке выше, указана стандартная схема подключения УЗО в квартире, которая заземлена стационарным контуром. Устройство врезается максимально близко к счётчику, но после главного автомата. Также схема показывает, что в системе TN-C (это старая разводка электросети) общее защитное устройство включать запрещено.
Если необходимо в старую систему поставить УЗО, то его место за второстепенными автоматами, которые идут на отдельные приборы. Максимальный ток таких приборов берут на пару ступеней выше, чем у автомата, за которым оно стоит.
А если заземления нет?
Когда отсутствует земля в квартире, то вариант подключения устройства следующий

Подключение УЗО к розетке
Провода нужно подключать только в той последовательности, которая указана на рисунке выше.
Использование фильтров в паре с УЗО
Помешать нормальной работе всей системы могут помехи, которые создают некоторые бытовые и цифровые приборы. В помощь приходят магнитные кольца-фильтра, которые разряжают созданные помехи, до попадания их в защитное устройство. Существует два варианта монтажа.

Впаиваемый фильтр
Фильтр впаивается непосредственно в корпусе отключающего устройства. Работа проводится только профессиональным электриком.

Готовый фильтр
Этот набор колец просто надевается на силовой кабель, сразу после выхода с коробки.
Распространённые ошибки в процессе подключения
- Установка девайса, с использованием двухжильного кабеля, сечение которого менее 2.5. Приведёт к неправильному определению устройством потери в напряжении;
- Соединение заземления и нейтрального провода после корпуса УЗО. Это приведёт к ложным срабатываниям;
- Нельзя соединять ноль и фазу, которые прошли через прибор, со сторонними нулями и фазами. В противном случае будут постоянные отключения света;
- Запрещено подключать нагрузочный провод до УЗО к рабочему проводнику. В таком случае нагрузка станет дифференциальной для устройства и оно сработает на отсечение электричества;
- Иногда, при монтаже розеток, ошибочно соединяют ноль с защитным проводом. При такой схеме подключения беды не произойдёт, пока вы не вставите любой прибор в эту розетку;
- Если спутать полярности при подключении УЗО, то есть фазу засунуть сверху, а ноль снизу, это приведёт одностороннему движению тока в катушках, что сделает прибор бесполезным.
Чтобы не допускать ошибок, нужно знать что это такое УЗО.
Трёхфазное устройство защиты от утечки тока
Такой девайс работает так же как и однофазное устройство. Разница в том, что у первого на обмотку идёт два провода, а у второго их четыре. Ниже прилагается схема подключения трёх фаз.

Схема подключения трёхфазного УЗО
Подробный принцип работы описан в следующем видео:
Давайте подведём итоги
Пренебрегать собственной безопасностью просто недопустимо, не жалеете себя, пожалейте своё имущество. Электробезопасность очень важна, особенно в наше время, когда количество бытовых приборов весьма велико. Нужно ставить УЗО не задумываясь, ведь скрытая угроза в ваших стенах в любой момент может нанести удар.
Видео: схема подключения УЗО

Экономьте время: отборные статьи каждую неделю по почте
homemyhome.ru
Зачем ставят узо дома и нужны ли его функции вообще
Для того чтобы защитить электрическую сеть дома или квартиры, применяются автоматические выключатели или плавкие предохранители. Эти элементы позволяют избежать возгорания, во время короткого замыкания, но совершенно не способны защитить от удара электрическим током. Изделие для защитного отключения электричества, принцип работы которого направлен на предотвращение утечки тока на корпус устройства, позволяет мгновенно обесточить всю домашнюю сеть, если фазный ток оказался за пределами «разрешённого» участка проводника.

Применение УЗО позволяет защитить не только домашнюю электросеть, но и мощные трёхфазные установки на производстве. Для чего устанавливать такие электротехнические изделия и как это делать правильно, будет подробно рассказано далее.
Для чего нужно УЗО в квартире
В старых многоквартирных домах, нередко в электропроводке отсутствует третий защитный проводник, в котором должно находиться заземление. При такой схеме электромонтажа, мощные приборы, «масса» которых соединяется с заземляющим выводом розетки, не оказываются защищены, и если произойдёт утечка фазного тока на корпус, то прибор может представлять серьёзную угрозу для жизни и здоровья. Если установить УЗО в квартире, не оснащённой заземляющим проводником, то при утечке электричества, домашняя электропроводка не будет автоматически отсоединена от общей сети.

Как правило, воздействие тока, при прикосновении человека к корпусу прибора, в этом случае будет составлять ничтожно малое время, поэтому негативное проявление опасного напряжения, практически не наблюдается.
Если квартира подключена к общему заземлению, то произойдёт автоматическое отключение электричества в момент, когда произойдёт «пробой» на корпус.
Для чего нужно УЗО в квартире, теперь понятно, но для чего использовать данное устройство для частного домовладения?
УЗО в частном доме
Многие частные застройщики не понимают, для чего нужно УЗО в доме, ведь такой объект можно без труда оборудовать качественным заземлением, которое обеспечит «утилизацию» опасного напряжения с корпуса любого электроприбора. Так для чего же нужно устройство защитного отключения в частном доме?

Подключение качественного заземляющего проводника, позволяет предохранить человека от тяжёлых электротравм при прикосновении к корпусу, на который произошла утечка, но в этом случае отключение тока не происходит, а между «землёй» и фазой, в самом устройстве, может образоваться электрическая дуга, которая часто является причиной возникновения пожара.
Чтобы обезопасить внутренние проводники от такого эффекта, необходимо все приборы, оснащённые заземляющим проводом отключать из розетки после использования из, либо нужно ставить УЗО в цепь электрического прибора. Далее пойдёт речь о том для чего устанавливать защитное устройство в ванной комнате.
УЗО в ванной комнате
В ванной комнате также следует установить прибор для защиты от поражения электрическим током. Даже если ванная комната находится в квартире или доме, не оснащённом заземлением, прибор всё равно отключит подачу электричества в момент утечки. Так для чего же нужно устанавливать защитное устройство в ванной?

Чтобы максимально повысить эффективность такого предохранительного механизма, следует выбрать модель, чувствительность которого составляет не более 30 мА. Если в ванной комнате не подключаются мощные приборы, то идеальным вариантом для помещения с повышенной влажностью, будет установка защитного изделия с током утечки 10 мА. Такие устройства будут стоить значительно дороже, но их применение позволит максимально обезопасить людей от воздействия электричества. Для чего нужно УЗО для ванной комнаты несложно понять, но для чего устанавливать защиту на осветительные приборы?
УЗО для освещения
УЗО на освещение также нужно устанавливать по всем правилам. Для чего это нужно сделать, будет рассказано далее. Даже в том случае, когда фазный провод был пущен через выключатель, нужно устанавливать защитное изделие на всю цепь осветительного прибора, ведь экстренное отключение электричества может понадобиться, при нестандартной работе светильника.
Например, может оторваться тяжёлая люстра и вместе с включёнными лампочками упасть на людей. В этот момент гарантированно произойдёт отключение электричества при его утечке. Предохранит изделие от поражения электрическим током и в сырых помещениях с низким потолком.
Например, в сыром подвале обязательно нужно установить прибор, который отключит подачу электрического тока к осветительному элементу в момент,
когда человек дотронется до влажной изоляции проводника или патрона лампы.
Также нужно оборудовать защитным устройством все уличные светильники, ведь эксплуатация таких изделий происходит в очень неблагоприятных условиях жары, повышенной влажности или низких температур, в зимнее время. Несмотря на повышенную защиту светильников для улицы от влаги, со временем от механического повреждения, либо по другим причинам, может значительно истончаться изоляционный слой, и металлическая поверхность
осветительного прибора, будет находиться под опасным для жизни напряжением.
Для чего устанавливать защитный механизм для освещения понятно, но для чего УЗО для трёхфазной сети, если его функция может быть заменена мощными автоматические выключатели?
УЗО для трёхфазной сети
Всё оборудование работающее от трёхфазной сети также нужно подключить к системе защитного отключения электроэнергии. Величина тока утечки в таких сетях бывает слишком высокой, поэтому данные изделия не защищают человека от удара электричества, но позволяют отключить потребителей электроэнергии при возникновении пробоя фазы на «массу» устройства. Таким образом удаётся полностью исключить вероятность появления опасного электрического потенциала на корпусе прибора. Данная схема подключения может быть подключена только при наличии защитного заземления в проводке дома или квартиры.

Для чего устанавливать УЗО подробно описано выше, но где лучше всего разместить данное устройство?
Где установить УЗО
Систему защитного отключения электричества нужно устанавливать таким образом, чтобы мощность подключаемых устройств к электрической сети не была выше максимально допустимой для данной модели УЗО, для чего прежде чем осуществлять монтажные работы следует изучить инструкцию к защитному устройству.

Для более качественной и надёжной защиты домашней электропроводки, нужно установить одно устройство большей мощности в щитке, а дополнительными приборами с меньшим током утечки оснастить ванную комнату и другие наиболее опасные, в электротехническом смысле, помещения. Если нужно установить защитное устройство для отдельно стоящего мощного электроприбора с металлическим корпусом, то монтажные работы можно осуществить в непосредственной близости от защищаемого объекта. В этом случае наиболее подходящей моделью будет защитное изделие, которое имеет встроенный автоматический выключатель. Монтаж такого УЗО позволяет не только обеспечить минимальную вероятность поражения электричеством, но и защитить электрическую цепь от короткого замыкания.
Зачем же нужно УЗО устанавливать в электрическую цепь, и для чего это делать в соответсвии с правилами техники безопасности и руководством по эксплуатации данного устройства? Многие домашние мастера не понимают для чего это нужно и расплачиваются серьёзными последствиями, ведь поражение электрическим током, является довольно распространённой причиной гибели не только людей, чья профессия связана с электричеством, но и обычных пользователей домашними приборами.
Обычно многих домашних мастеров уже не волнует вопрос: «Для чего нужно устанавливать защитное устройство», после того, как они ощутят на себе воздействие электрического тока напряжением 220 В. Для чего это нужно делать по правилам, подбирая защитный прибор по мощности, также часто выясняется в процессе проб и ошибок.
Назначение УЗО и его использование заключается в том, чтобы спасти человеческую жизнь, поэтому в некоторых странах европейского союза такая защита является обязательной для установки в частном домовладении. Желательно, чтобы данное правило было введено и в нашей стране, тогда количество несчастных случаев значительно сократится.
evosnab.ru
что это такое в электрике? Цена и расшифровка, отличия от автомата
УЗО – устройство защитного отключения, отсекающее подачу тока в цепь при утечке на землю и тем самым предохраняющее от поражения током. Этот тип электрооборудования используется там, где нет возможности подключиться к заземлению, а это не только в быту, но и на производстве, где утечка тока через металлический корпус, также очень распространенное явление.

Некоторые производители оснащают свою технику УЗО, благодаря чему, пользователю не приходится отдельно приобретать и устанавливать его.
Устройства защитного отключения – это электротехническая защитная аппаратура, предназначенная для работы в сетях переменного тока 220 и 380 вольт, в однофазных и трехфазных цепях. Прибор выполнен в корпусе из негорючего ПВХ и рассчитан на протекание тока различной величины.
УЗО выпускаются с пределом по току утечки с номиналами, согласно стандарту:
- 10 мА;
- 30 мА;
- 100 мА;
- 300 мА;
- 500 мА;
Еще один параметр прибора – это номинальный ток нагрузки, который устройство может транзитом пропускать через себя.
Область применения
Поскольку устройства используются для защиты, то применять их целесообразно везде, где работают электрические аппараты, не оснащенные защитой от постороннего доступа, то есть там, где возможно случайное прикосновение.
В промышленности, для этих целей применяется заземляющий контур, однако, в большинстве жилых домов постройки советского периода, он отсутствует, и до появления УЗО в широком доступе, жители квартир подвергали себя опасности.
То же самое относится и к офисным электрическим сетям, серверным и другим помещениям, где используется электрическое оборудование и нет заземляющей шины.
УЗО используется в электрических сетях 220/380 вольт, для предотвращения электротравм, при пробитии фазы на корпус.
В большинстве случаев, появление потенциала на корпусе, не приводит к сбою в функционировании, поэтому, человеку, несведущему в вопросах электробезопасности, может показаться, что никакой опасности нет.
Устройство может устанавливаться перед конкретным прибором или на вводе в квартиру, в зависимости от необходимости.
Устройство

Не следует путать УЗО и автоматический выключатель, между ними есть существенные различия в конструкции, принципе действия и назначении:
- АВ предназначен для подачи или отключения нагрузки, защиты от короткого замыкания и перегрева.
- УЗО предназначено для предотвращения токов утечки и защиты от поражения током.
- АВ реагирует на выделение тепла при прохождении больших токов и токи КЗ.
- УЗО реагирует на ток утечки и не предохраняет цепь от КЗ и перегрева.
Тем не менее, очень часто можно встретить конструктивное исполнение в виде автомата и УЗО в одном корпусе, что достаточно удобно, особенно, если аппаратура размещается в небольшом щитке. Также, можно приобрести и отдельно каждое из устройств.
Работа УЗО построена на использовании дифференциального трансформатора тока, имеющего три обмотки – две первичных, включенных последовательно в фазный и нулевой провод и одну вторичную, от которой питается поляризованное реле.
Оно может быть электромеханическим или электронным, из-за чего различают электронные или механические устройства ЗО. Когда ток утечки отсутствует, первичные обмотки не возбуждаются.
В случае появления утечки на землю через корпус, сила тока в обмотках увеличивается, что приводит к появлению напряжения во вторичной обмотке, питающей поляризованное реле. Последнее приводит в действие пружинный механизм и отсекает потребителя от сети одновременно по нулю и фазе.
Где устанавливается?
Устройства защиты устанавливаются в электрическом щите, либо непосредственно перед нагрузкой, но только после узла учета электрической энергии. Последний вариант, как правило, используется в технологических помещениях, и для нагрузки без стационарного сетевого шнура.
Обычно, применяется установка для отсечки какой-то конкретной нагрузки, так как УЗО установленное на вводе, отключит всю электросеть.
Порядок установки, начиная от счетчика:
- Автоматический выключатель.
- УЗО.
При установке комбинированного прибора, необходимость в сохранении такой последовательности отпадает.
Типы и классификация
МаркировкаПринято различать три типа УЗО по роду дифференциального тока утечки, для чего наносится соответствующая маркировка на корпусе:
- АС – синусоидальный переменный, внезапный, либо нарастающий.
- А – синусоидальный переменный, внезапный, либо нарастающий и выпрямленный пульсирующий.
- В – переменный и постоянный.
Устройства классифицируются по следующим параметрам:
- По стойкости при импульсном напряжении:
- отключающие ток при его наличии;
- устойчивые к импульсному напряжению;
- По способу действия:
- не имеющие вспомогательного питания;
- подключаемые к вспомогательному питанию;
- с питанием и автоматическим отключением при его отказе;
- По способу установки:
- По числу полюсов:
- двухпроводные с одним полюсом;
- двухполюсные;
- трехпроводные двухполюсные;
- трехполюсные;
- четырехпроводные трехполюсные;
- четырехполюсные;
- По виду защиты от перегрузок:
- оснащаемые защитой от перегрузок;
- без защиты;
- По возможности регулирования:
- не регулируемые.
- с плавной регулировкой;
- со ступенчатой регулировкой;
- Технические параметры:
- для однофазных цепей;
- для трехфазных цепей;
Критерии выбора и стоимость
При покупке УЗО учитывается значение тока утечки, а также номинальный ток нагрузки, на который был рассчитан автоматический выключатель. Однако, для устройства защиты, данное значение должно выбираться на порядок выше, чем у автомата.
Дело в том, что диффавтомат довольно дорогостоящее оборудование и, как правило, дешевле приобрести модель без функции отключения в случае возникновения КЗ.
Выбранный же в соответствии с вышеописанным порядком, он не выйдет из строя, если произойдет замыкание, а выключатель обесточит цепь. Для жилых помещений рекомендуется устанавливать дифавтоматы с током утечки не более 30 мА, поскольку большее значение уже опасно для жизни.
Это оборудование, даже для бытовой установки, имеет достаточно высокую стоимость, что объясняется несколькими причинами.
Основная из них – это наличие дифференциального трансформатора, он выполняется из дорогостоящих материалов, и составляет до 50% всей стоимости.
Чем большее количество полюсов в аппарате, тем он дороже, кроме того, имеет значение конструкция реле – электромеханическое или электронное, а также наличие дополнительных опций.
Играет роль и название торговой марки. Так, например, аппарат на 30 мА, для установки дома, от российской компании IEK можно приобрести в среднем за 10 $. От известной же во всем мире французской Legrand минимум в два раза дороже.
Как правильно установить и подключить?
Схема подключенияУстановка и монтаж любого электротехнического оборудования требует соответствующей квалификации, тем более, если это касается средств безопасности.
Для работы понадобится:
- УЗО.
- Крестообразная отвертка.
- Индикатор напряжения, мультиметр.
- Монтажный нож.
- Соединительные провода.
- Перфоратор, сверло и корпус для УЗО – в том случае, если монтаж производится непосредственно возле потребителя.
Этапы работы
Монтаж возле потребителя:
- Размечаем место установки корпуса и просверливаем отверстия для монтажа.
- Монтируем корпус и подводим провода.
- Проверяем отсутствие напряжения на фазе, зачищаем провода ножом и заводим в соответствующие разъемы с маркировкой L и N, строго соблюдая полярность, как указано на схеме.
- УЗО фиксируется на DIN рейке в корпусе, после чего можно подать напряжение и проверить работу нажав кнопку «TEST»
Монтаж в электрощите:
- Найти необходимую пару проводов и определить полярность.
- Отключить питание и зачистить проводники.
- Установить УЗО на DIN рейку и подсоединить провода, к соответствующим разъемам, соблюдая полярность.
- Включить питание и протестировать работу.
Современные аппараты защиты выполнены таким образом, что ошибиться в установке невозможно. Основная ошибка допускается на стадии расчета, как правило, это неверный выбор предела рабочего тока относительно параметров автоматического выключателя.
Если данное значение ниже или соответствует тому, на которое рассчитан АВ, то устройство защиты выходит из строя и в большинстве случаев, восстановлению не подлежит.
househill.ru
Тонкости подключения автоматов и УЗО в щитке: нюансы монтажа + схемы
От правильного подключения электропроводки в доме зависит комфортное проживание всех его обитателей и бесперебойная работа бытовых приборов. Согласны? Чтобы обезопасить технику, находящуюся в доме, от последствий перенапряжения или короткого замыкания, а обитателей от опасностей, связанных с электрическим током, нужно включить в схему защитные аппараты.
При этом необходимо выполнить главное требование — подключение УЗО и автоматов в щитке должно быть сделано правильно. Не менее важно не ошибиться с выбором этих устройств. Но не волнуйтесь, мы расскажем вам о том, как все сделать правильно.
В этой статье речь пойдет о том, по каким параметрам выбирают УЗО. Кроме того, здесь вы найдете особенности, правила подключения автоматов и УЗО, а также множество полезных схем по подключению. А приведенные в материале видеоролики помогут реализовать все на практике даже без привлечения специалистов, если вы хоть немного разбираетесь в электрике.
Содержание статьи:
Основные принципы подключения
Для подключения УЗО в щитке нужны два проводника. По первому из них ток поступает к нагрузке, а по второму — уходит от потребителя по внешнему контуру.
Как только происходит утечка тока, появляется разность между его величинами на входе и выходе. Когда результат превосходит заданную величину, срабатывает в аварийном режиме, защищая тем самым всю квартирную линию.
На аппараты защитного отключения негативно воздействуют КЗ (короткое замыкание) и перепады напряжения, поэтому они сами нуждаются в прикрытии. Задачу решают путем включения в схему автоматов.

В составе УЗО имеется кольцеобразный сердечник с двумя обмотками. По своим электрическим и физическим характеристикам обмотки идентичны
Ток, питающий электроприборы, поступает через одну из обмоток сердечника в одну сторону. Другую направленность он имеет во второй обмотке после прохождения через них.
Самостоятельное выполнение работ по монтажу устройств защиты предполагает использование схем. Как модульные УЗО, так и автоматы для них устанавливают в щитке.
Прежде чем начинать монтаж нужно решить следующие вопросы:
- сколько УЗО следует установить;
- где они должны находиться в схеме;
- как подключить, чтобы УЗО работало корректно.
Правило электромонтажа гласит, что все соединения в должны входить в подключаемые устройства сверху вниз.
Профессиональные электрики объясняют это тем, что если завести их снизу, то КПД у подавляющего большинства автоматов снизится на четверть. Кроме того, мастеру, работающему в щитовой, не придется дополнительно разбираться в схеме.
УЗО, рассчитанные для установки на отдельных линиях и обладающие малыми номиналами, в общую сеть монтировать нельзя. В случае несоблюдения этого правила возрастет как вероятность утечек, так и КЗ.
Выбор УЗО по главным параметрам
Все технические нюансы, связанные с выбором УЗО, знают только профессиональные монтажники. По этой причине специалисты должны делать подбор устройств еще при разработке проекта.
Критерий #1. Нюансы подбора аппарата
При выборе аппарата в качестве основного критерия выступает номинальный ток, проходящий через него в длительных режимах работы.

Исходя из стабильного параметра — утечки тока, есть два основных класса УЗО: «А» и «АС». Аппараты последней категории более надежные
Величина In находится в диапазоне 6-125 А. Дифференциальный ток IΔn — вторая по важности характеристика. Это фиксированное значение, по достижении которого срабатывает УЗО. При его выборе из ряда: 10, 30, 100, 300, 500 мА, 1 А приоритет имеют требования безопасности.
Влияет на выбор и цель установки. Для обеспечения безопасной работы одного прибора ориентируются на значение номинального тока с небольшим запасом. Если защита нужна для дома в целом или для квартиры, все нагрузки суммируют.
Критерий #2. Существующие типы УЗО
Следует различать УЗО и по типам. Их всего два — электромеханические и электронные. Основной рабочий узел первого — магнитопровод с обмоткой. Его действие заключается в сравнении значений тока, уходящего в сеть и возвращающегося обратно.
Есть такая функция и в аппарате второго типа, только выполняет ее электронная плата. Работает она исключительно при наличии напряжения. Из-за этого электромеханический прибор защищает лучше.

У аппарата электромеханического типа имеется дифференциальный трансформатор+реле, а у электронного типа УЗО присутствует электронная плата. В этом заключается различие между ними
В ситуации, когда потребитель случайно коснется к фазному проводу, а плата окажется обесточенной, в случае установки электронного УЗО человек попадет под напряжение. При этом защитное устройство не сработает, а электромеханическое в таких условиях останется работоспособным.
Тонкости выбора УЗО описаны в .
Установка УЗО и автоматов в щитке
Электрощит, в котором находятся устройства учета и распределения нагрузки, обычно является местом и для монтажа УЗО. Независимо от выбранной схемы, существуют правила, обязательные при подключении.
Главные правила подключения
Наряду с устройством автоматического отключения, на щиток устанавливают и . Все что нужно для этого — минимум инструментов и грамотная схема.
Стандартный набор должен состоять:
- из пакета отверток;
- пассатижей;
- бокорезов;
- тестера;
- торцевых ключей;
- кембрика.
Также для монтажа потребуется кабель ВВГ разных цветов, подобранный по сечению в соответствии с токами. Изоляционной трубкой ПВХ выполняют маркировку проводников.
Когда на DIN-колодке, имеющейся на щите, есть место, на него монтируют устройство защитного отключения. В противном случае устанавливают дополнительную.
Ключевой принцип монтажа следующий: соприкосновение нулевого проводника после УЗО ни с входным нулем, ни с заземлением недопустимо, поэтому его изолируют по аналогии с другими жилами.
Последовательно с УЗО необходимо включать защитный автомат. Это также одно из важнейших правил.
Когда защита всего жилья выполнена с применением одного УЗО, используют схему, включающую несколько автоматов.

Чтобы исключить присутствие дополнительных проводов на щите, что выглядит не очень эстетично, для подключения пучка жил применяют гребенчатую (распределительную) шину
В проект включают, кроме добавочных АВ, еще одну составляющую — изолятор нулевой шины. Монтируют его на корпус щитка или на din-рейку.
Вводят это дополнение из-за того, что при большом числе нулевых проводников, подключаемых к выходной клемме отключающего устройства, они просто не поместятся в одном зажиме. Изолированная нулевая шина — лучший выход из этой ситуации.
Иногда электрики, чтобы поместить весь пучок нулевых проводов в гнездо, принимают решение о подпиливании жил одножильного кабеля. В случае когда кабель многожильный несколько жилок удаляют.
Этот вариант лучше не использовать, поскольку из-за уменьшения сечения проводников увеличится сопротивление, следовательно, возрастет нагрев.
Как число монтажных отверстий, так и их диаметр может быть разным. Шина земли крепится непосредственно на корпус.
Нулевые провода в одной скрутке — дополнительное неудобство при выявлении повреждений на линии, а также когда нужно демонтировать один из кабелей. Здесь не обойтись без откручивания зажима, разматывания жгута, что обязательно спровоцирует появление трещин в жилах.
Нельзя монтировать синхронно и два провода в одно гнездо. Входы автоматов защиты связывают перемычками. В качестве последних при профессиональном монтаже применяют специальные стыковочные шины под названием «гребенка».
Особенности схем подключения
Выбор схемы предусматривает учет особенностей конкретной электрической сети. Среди многочисленных вариантов есть всего две схемы, использующиеся для подключения автоматов и УЗО в , считающиеся основными.
Самая простая схема монтажа автоматов и защитного устройства. Она может быть применена для подключения от одной до нескольких нагрузок, соединенных параллельно
В первом и самом простом способе, когда одно УЗО защищает всю электрическую сеть, кроются недостатки. Основной — трудности в выявлении конкретного места повреждения.
Второй — когда в функционировании УЗО произойдет какой-то сбой, из работы будет выведена вся система. Прибору защитного отключения отводят место сразу после счетчика.
Следующий способ предусматривает наличие таких аппаратов на каждой индивидуальной линии. При сбое на одной из них, все остальные будут в рабочем состоянии. Для реализации этой схемы требуется более габаритный щиток и большие затраты в финансовом плане.
Подробно о простой схеме
Рассмотрим подключение УЗО с автоматами на простой квартирный щит. На входе стоит автомат включения двухполюсный. К нему подключено двухполюсное УЗО, к которому два однополюсных автомата.
К выходу каждого из них подключена нагрузка. В принципе УЗО вводят в схему также, как и .

На корпусе УЗО имеется кнопка «Тест». Она предназначена для тестирования его работы. Производители советуют не реже одного раза в месяц пользоваться этой клавишей и проверять работу самого устройства
Фаза, подведенная к автомату включения, заходит на вход УЗО с выводом на автоматы. Нулевой выход с автомата идет на нулевую шину, а с нее — на вход в аппарат.
С его выхода нулевой проводник направляется уже на вторую нулевую шину. В наличии этой второй шины и заключается особый нюанс, не зная о котором невозможно добиться нормального функционирования схемы.
УЗО в процессе работы контролирует как входящее, так и выходящее напряжение — сколько зашло на входе, столько должно быть и на выходе.
Если равновесие нарушено и на выходе оно больше на величину уставки, на которую настроено УЗО, происходит его срабатывание и автоматическое отключение питания. За этот процесс как раз и отвечает нулевая шина.
В электрических схемах, где не предусмотрен монтаж аппарата защитного отключения, только один общий ноль.
В схемах с УЗО картина другая — здесь уже присутствует несколько таких нолей. При использовании одного устройства их два — общий и тот, относительно которого работает защитный аппарат.
Если подключено два УЗО — нулевых шин три. Обозначают их индексами: N1, N2, N3 и т.д. В целом нулей всегда на один больше, чем устройств защитного отключения. Один из них основной, а все остальные привязаны непосредственно к УЗО.

Цветовое обозначение электрических проводов согласно правилам, установленным ПУЭ. Эту маркировку нужно изучить, прежде чем приступать к установке защитных аппаратов
Если предполагается подключать через УЗО не все оборудование, то ноль подают с общей шины. Прибор защитного отключения в этом случае исключают из цепи.
При добавлении однополюсного автомата, работающего от УЗО, с выхода последнего фазу подают на вход автоматического выключателя. С выхода выключателя проводник подключают к одному контакту нагрузки. Ноль на нее подводят ко второму выводу. Поступает он с нулевой шины, созданной УЗО.
На щите имеется еще один элемент — шина защитного заземления. Корректная работа УЗО без нее невозможна.
Трехпроводная сеть есть только в новых домах. В ней обязательно присутствует нулевая фаза и заземление. В домах, построенных давно, имеется только фаза и ноль. В таких условиях УЗО также будет функционировать, но немного иначе, чем в трехфазной сети.
Как выход из положения заземление выводится третьим проводником на розетки, а затем на потолок к тому месту, где подключаются люстры. К выключателям «землю» не подают.
Вариант подключения автоматов без УЗО
Бывают случаи, когда один из автоматов нужно подключить, минуя устройство защитного отключения. Питание подключают не с выхода УЗО, а со входа в него, т.е. непосредственно с автомата. Фазу подают на вход, а с выхода ее подключают к левому выводу нагрузки.
Ноль берут с общей нулевой шины (N). Если случится повреждение на участке, подконтрольном УЗО, он будет выведен из схемы, а вторая нагрузка не будет обесточена.
УЗО в трехфазной сети
В сеть такого вида включают или специальное трехфазное УЗО с восемью контактами, или три однофазных.

Размещают схему подключения УЗО на его корпусе. Провода, отходящие от выходных клемм, подводят к распредсети квартиры
Принцип подключения полностью идентичен. Монтируют его согласно схеме. Фазы А, В и С подают питание на нагрузки, рассчитанные на 380 В. Если рассматривать каждую фазу отдельно, то в тандеме с кабелем N (0), она обеспечивает серию однофазных потребителей 220 В.
Производители выпускают трехфазные аппараты защиты отключения, адаптированные к большим токам утечки. Они предохраняют электропроводку только от возгорания.

На фото две схемы: аппарат защиты отключения в однофазной и трехфазной сети системы TN-C-S. Это обозначает, что нулевой кабель делится на рабочий и защитный
С целью защиты людей от воздействия электрического тока, на отходящих ветках монтируют однофазные двухполюсные УЗО, настроенные на ток утечки в диапазоне 10-30 мА. Для прикрытия перед каждым вставляют автомат. В схеме после УЗО нельзя соединять рабочий ноль и заземление.
УЗО и автоматы на трехфазном щите
Разберем подробно не совсем стандартную схему, собранную на трехфазном распределительном щитке.
На нем находятся:
- трехфазные вводные автоматические выключатели — 3 шт.;
- трехфазное устройство защитного отключения — 1 шт.;
- однофазные УЗО — 2 шт.;
- однополюсные однофазные автоматы — 4 шт.
С первого вводного автомата напряжение поступает на второй трехфазный автомат через верхние клеммы. Отсюда же одна фаза идет на первое однофазное УЗО, а вторая — на следующее.

Напряжение со второго входного автомата поступает на трехфазное УЗО, на нижние клеммы которого подключена трехфазная нагрузка. Это защитное устройство предохраняет от токов утечки, а второй вводный автомат — от КЗ
Однофазные УЗО, установленные на щиток, являются двухполюсными, а автоматы — однополюсными. Для корректного функционирования защитного устройства необходимо, чтобы рабочие нули после него больше нигде не соединялись. Поэтому после каждого УЗО здесь установлена нулевая шина.
Когда автоматы не одно-, а двухполюсные, то отдельную нулевую шину устанавливать не придется. Если две нулевые шины объединить, будет происходить ложное срабатывание.
Каждое из однополюсных УЗО рассчитано на два автомата (1-3, 2-4). К нижним клеммам автоматов подключена нагрузка.
Общая шина заземления установлена отдельно. На вводный автомат заходят три фазы: L1, L2, L3, рабочий нулевой провод N и PE — защитный.
Ноль подключен на общий ноль, а с него уходит на все УЗО. После он идет на нагрузку: с первого аппарата — на трехфазную, а со следующих однофазных — каждый на свою шину.

В трехфазной сети электрические величины векторные, поэтому их суммарное значение определяют не алгебраической, а векторной суммой этих величин
Хотя в этом распределительном щитке ввод трехфазный, разделение провода на PEN и PE не выполнено, т.к. ввод пятипроводный. На щит приходит три фазы, ноль и заземление.
Выводы и полезное видео по теме
Нюансы установки всех элементов :
Подробности монтажа УЗО:
УЗО и автоматы — оборудование технически сложное. Его целесообразно устанавливать в местах, где электрический ток может нести угрозу как безопасности людей, так и домашней технике.
Монтаж его предусматривает учет многих параметров, поэтому как расчет, так и установку лучше выполнят квалифицированные специалисты.
Если у вас есть опыт самостоятельного монтажа УЗО, пожалуйста, поделитесь им с нашими читателями. Расскажите, каким моментам стоит уделить особое внимание. Оставляйте свои комментарии, задавайте вопросы в блоке под статьей.
sovet-ingenera.com
Что такое УЗО в электрике. Устройство защитного отключения – электрик в доме
Многие люди слышали о том, что существует устройство защитного отключения – УЗО, но, что такое узо, для чего оно нужно в электрике, какие функции должно выполнять и можно ли вообще его не использовать в сети, знает не так много человек. Для того чтобы получить полное представление о том, что такое узо в электрике, о его функциях, устройстве, принципе работы нужно работать в области электрики, иметь диплом, но общие принципы действия и описание этого устройства сможет понять любой человек.
В большинстве квартир и домов не применяется и не применялось раньше УЗО, поэтому многие и не знают для чего его устанавливать, как оно работает. Если говорить языком принятым среди электриков, то УЗО, или устройство защитного отключения, представляет собой механический коммутационный прибор служащий для автоматического прерывания цепи при превышении тока небаланса заданного значения возникающего при определенных условиях.

Разные модели УЗО уже довольно давно продаются на рынке, многие профессионалы отлично знакомы с принципом их устройства, работы и активно применяют их при построении электрической проводки. Но многие электрики, хозяева домов и квартир, которые сами занимаются монтажом электрической системы не зная о преимуществах применения УЗО пренебрегают этим мощным средством предназначенным для защиты.
УЗО отлично защищает людей от поражения электричеством в случаях когда произошло нарушение изоляции, при случайных прикосновениях к токопроводящим неизолированным частям различного вида электрического оборудования и защищает имущество от теплового воздействия тока.
Самым вероятным местом поражения током в доме или квартире является кухня и ванная, где установлено очень большое количество электрических приборов, есть естественные заземлители – газовые, водопроводные трубы, мало свободного места и повышенная влажность воздуха. Практика показала, что УЗО, которое еще иногда называют дифференциальным выключателем, очень эффективное защитное устройство для быта, и сегодня только в одной Западной части Европы применяется сотни миллионов этих приборов разного типа.
Но все же, что такое узо в электрике? – это современное, очень эффективное, во многих схемах безальтернативное средство призванное защищать людей от поражения электричеством. УЗО также защищает электроустановки от возникновения пожара, от возгорания, которое может произойти в результате протекания тока утечки.
Понятие – устройство защитного отключения, принятое в литературе, самым точным образом определяет значение этого прибора, само название говорит за себя – это оборудование отключающее электричество с целью защиты. Но, что и кого оно защищает? Если автоматический выключатель должен защищать электрическую проводку, то УЗО служит на страже безопасности людей. Оно обеспечивает отключение напряжения при утечке тока на землю. Что понимается под выражением утечка тока?

Под этим выражением понимается любой ток проходящий мимо электропроводки или мимо подключенных в сеть приборов. Вот как раз на эту утечку тока и реагирует УЗО, если ток пошел мимо электропроводки или электроприбора УЗО срабатывает и отключает сеть.
Токи утечки обычно имеют малые значения, поэтому защита от короткого замыкания и от перегрузки, которую обеспечивают обычные автоматические выключатели, на токи утечки не реагируют. Как видим УЗО защищает от возникновения пожара возникающего из-за замыкания и тлеющей изоляции и от поражения током людей.
Для чего устанавливают устройства защитного отключения
Практически каждый человек за свою жизнь подвергался удару током в домашней сети напряжением 220 вольт. Этот ток составляет примерно 4-5 миллиампера, а если бы сила тока была большей, то опасность для здоровья и жизни значительно увеличилась.
Чтобы человека ударило током не обязательно нужно ковыряться в розетке или лезть в распределительный щит, достаточно просто дотронуться до стиральной машинки или холодильника, плойки и других приборов. Но почему так происходит?

Ответ простой – в том случае если в любом электрическом приборе нарушается изоляция токоведущих проводов, они начнут пропускать ток на корпус. То есть корпус прибора окажется под напряжением, а это все равно, что прикоснутся к оголенному проводу. При прикосновении к такому прибору возникает ток замыкания с землей и если прибор не имеет заземления, то током ударит человека.
В большей части домов и квартир нет возможности заземлить корпуса электрических приборов, это не предусмотрено конструкцией, схемой проводки. От такого удара не сможет защитить никакой супер автоматический выключатель, установленный в щитке. Гарантию от поражения током в таких случаях дает только применение более надежного и совершенного прибора, каким и является УЗО.

Так, что такое узо? – это прибор защищающий от токов утечки путем отключения сети в случае их появления. В случае когда произойдет выше описанная ситуация с повреждением изоляции какого-либо прибора, то по телу человека, который замыкает цепь фаза-земля ударит током.
Но поскольку сила тока утечки не очень большая, в сравнении с номинальным током, то обычные автоматы этого не чувствуют и не отключатся. А человек в тоже время может и погибнуть при определенных условиях. УЗО, в отличии от автоматов, сразу среагирует на возникновение тока утечки и моментально разорвет цепь.
Где устанавливается УЗО
УЗО чаще всего устанавливают в тех цепях, в которых возможны утечки тока и может возникнуть опасность поражения людей электрическим током.
В доме или квартире такими опасными местами являются кухня и ванна, по вполне понятным всем причинам, поскольку там чаще всего существует повышенная влажность и именно эти места наиболее насыщены разного рода электрическими приборами, в которых может образоваться ток утечки, например, это может произойти со стиральной машиной или бойлером.

Поэтому, все бытовые приборы и розетки в этих и других помещениях должны быть защищены путем установки такого прибора защиты как УЗО.
Надо отметить тот факт что устройство защитного отключения хоть и предназначено для защиты человека от поражения электрическим током но работает оно только когда появляются утечки тока. То есть если человек возьмет и засунет два пальца в розетку – УЗО не сработает. А не сработает оно, потому что нет утечки тока, а человек в такой ситуации является обычной нагрузкой.
Надеюсь, данная статья помогла вам разобраться с вопросом, что такое УЗО в электрике. Если будут вопросы пожалуйста обращайтесь в комментариях, с удовольствием отвечу.
Понравилась статья — сохрани на стену!
electricvdome.ru
УЗО — что это такое?

На сегодняшний день уже многие люди, даже не связанные профессионально с электричеством, слышали о таком понятии, как УЗО. Что это такое? Где применяются подобные устройства? Каково их функциональное назначение? Может ли современная электрика обходиться без УЗО? Видите, как много вопросов. Попытаемся на всё дать ответы.
Чтобы разобраться досконально, понадобится, по меньшей мере, техническое образование, потому что принцип действия, схема подключения, конструктивные особенности у этого устройства достаточно сложные. Мы в такие дебри лезть не будем, и расскажем вкратце основные моменты, чтобы вы хотя бы правильно смогли представить себе, что такое УЗО. В электрике подобные элементы защиты применяются сравнительно недавно. Лет двадцать назад ни одно жилое помещение такими устройствами оборудовано не было, а сейчас без них уже трудно представить распределительный щиток.
Для того чтобы понимать как именно работает это устройство, желательно сначала разобраться, для чего нужно УЗО?
Основное предназначение устройства
Вы в курсе, как расшифровывается УЗО? Устройство защитного отключения. Большинство ошибочно полагает, что автоматические выключатели (в простонародье именуемые автоматами) и УЗО это одно и то же.

Здесь важно уловить, в чём разница, что и от чего защищает каждое из этих устройств?
Автоматы защищают подающую сеть напряжения. Например, каждая комната в вашем доме запитана от отдельного автомата. В случае если в какой-то электрической ветви возникнет короткое замыкание или перегруз, автоматический выключатель отключится и тем самым отсечёт повреждённый участок, спасая общую сеть.
УЗО в квартире устанавливается, чтобы обезопасить людей. Сама расшифровка об этом говорит – «защитного отключения», то есть элемент защищает человека от случайного поражения электричеством.
Каким образом он это делает?
Наши дома сейчас напичканы огромным количеством бытовой техники, причём некоторые электроприборы очень мощные. В то же время электрическая проводка имеет определённый срок эксплуатации и со временем есть вероятность выхода из строя изоляции, что повлечёт за собой соединение проводки с землёй. В результате ток начнёт двигаться не по заданному пути, а произойдёт утечка на землю, проводником для этого может стать человек. Тоже рассмотрим это на примере.
Предположим, что в каком-то электрическом бытовом приборе (чайник, посудомоечная либо стиральная машинка, пылесос) произошёл пробой изоляции.

В результате корпус электроприбора будет обладать неким потенциалом. Коснувшись корпуса, можно получить токовый удар. Как видите, для того чтобы заработать электрическую травму необязательно влезть в розетку, всё гораздо банальнее, потому так важно защищать себя от подобных случайных прикосновений.
Конечно, если в помещении есть заземляющий контур и установлены коммутационные аппараты (розетки) с заземлением, они спасут от электротравмы. Но иногда электрика в наших квартирах не вполне соответствует нормативам и правилам. Согласитесь, не у всех и не в каждой комнате имеются розетки с заземляющим контактом, а в качестве и надёжности контура заземления у нас вообще нет никакой уверенности.
Наглядно про УЗО на видео:
Значит, придётся защищать себя, установив в распределительных щитках УЗО. Как только появляется токовая утечка, оно отключается, таким образом, спасая человеческую жизнь.
Не менее важным назначением устройства считается защита домов от возможности возгорания и пожара, которые возникают при нарушениях изоляции проводки.
Рабочие характеристики
Если вы никогда не встречались с УЗО и пытаетесь мысленно нарисовать себе картину, что это такое, достаточно вспомнить обыкновенный автомат.

Аналогично с этим коммутационным аппаратом без УЗО не обходится современная защитная автоматика электросети. Служит устройство для коммутации цепей (то есть отслеживает проходящий по цепи ток и, если обнаружит утечку, разрывает её).
Если посмотреть на корпус, вы обнаружите на нём множество букв и цифр, которые характеризуют устройство. Как они расшифровываются?
- В самом верху указан завод или фирма-производитель устройства.
- Далее следует наименование модели.
Здесь не всегда есть аббревиатура – УЗО, иногда пишут ВДТ (выключатель дифференциального тока), или УДТ (устройство дифференциального тока). Можно считать всё это синонимами – принципиально это все одно и то же устройство.
- Затем написано цифровое значение рабочего тока (это максимальная величина тока, который может коммутировать данное устройство).
- Следующими указаны стандартные параметры бытовой электрической сети – напряжение 220-230 В, частота – 50 Гц.
- Далее идёт ток утечки (это величина, при котором УЗО сработает).
- Потом обозначается тип устройства (он может быть написан буквами либо нарисован значками, о которых мы поговорим чуть ниже).

- Диапазон рабочих температур. Как правило, для УЗО минимальный предел -25 градусов, максимальный + 40.
- Следующая токовая величина соответствует условному номинальному току КЗ. Эта цифра означает, какой максимальный ток при коротком замыкании выдерживает УЗО, не отключаясь, если при этом ему будет обеспечена защита подходящим автоматом.
- Однолинейная схема УЗО.
Разные производители данные на корпусе могут менять (кто-то добавляет дополнительные характеристики, другие фирмы наоборот, убирают некоторые параметры). Но основная информация указывается всегда, особенно такая важная, как величины токов (утечки и рабочего).
Как правильно выбирать УЗО – на следующем видео:
Как видите характеристик у устройства очень много, в зависимости от них производятся различные виды УЗО. Как и чем они различаются друг от друга, поговорим ниже.
Разновидности
Классифицируют все устройства по нескольким параметрам:
- по форме токовой утечки;
- по способу действия;
- по временной выдержке;
- по конструктивному исполнению.
Рассмотрим вкратце, в чём особенности и зачем нужно то или иное УЗО.
По форме токовой утечки
Все устройства в зависимости от токовой утечки классифицируются на три типа:
- «АС». Наиболее распространённое и доступное по цене УЗО. Работает на отключение, если в цепях возникает переменная синусоидальная токовая утечка (плавно нарастающая либо мгновенная). Корпус такого УЗО имеет буквенное обозначение «АС» либо значок:

- «А». Отключается, если в цепях мгновенно возникают либо плавно нарастают токи утечки переменной синусоидальной или постоянной пульсирующей формы. Подобные УЗО используют повсеместно. Правда за счёт того, что они ведут контроль не только за переменным, но и за постоянным током, возникающим в блоке питания, цена их намного больше.
В паспортных документах на некоторую бытовую технику иногда даются конкретные рекомендации, что подключать её надо обязательно через УЗО типа «А».
На таких УЗО вы найдёте букву «А» либо значок, который выглядит следующим образом:

- «В». Это УЗО срабатывает при трёх разновидностях токовой утечки: пульсирующая постоянная, выпрямленная и синусоидальная переменная. Подобные устройства чаще всего применяют для объектов промышленности, приобретать их для гаража, дома либо дачного строения не стоит.
Обозначение таких устройств вы определите аналогичным образом – по буквенному символу «В» либо по значку, нарисованному на корпусе:

Время отключения для вышеперечисленных типов УЗО («АС», «А», «В») варьируется в пределах от 0,02 до 0,03 с.
По принципу действия
По принципу действия УЗО подразделяются на электронные и электромеханические.
Со вторыми всё намного проще, электромеханические устройства не имеют зависимости от питающей сети. Для их срабатывания достаточно, чтобы в повреждённой электрической ветви возникла токовая утечка.
Для электронных УЗО токовой утечки недостаточно, им ещё понадобится питающая сеть. Чтобы подобное устройство отключило повреждённый участок, должно быть питание от внешнего источника для электронного усилителя, встроенного в электрическую схему. За счёт этого УЗО электронного типа считаются не такими надёжными, как устройства электромеханические, соответственно получили не столь широкое распространение.
Чтобы вам было более понятно, рассмотрим эту теорию на примере. Предположим, что розеточная линия, от которой запитана микроволновая печка, защищена УЗО электронного типа. По стечению обстоятельств произошло одновременно две аварийные ситуации:
- в подъездном распределительном щитке повредилась нулевая жила;
- внутри микроволновой печки случилось повреждение электрической проводки, в результате которой фаза замкнула на корпус.

При этом корпус микроволновки оказался под опасным потенциалом. Если случайно прикоснуться к печи, УЗО электронного типа не отработает, потому что его встроенная схема осталась не запитанной из-за повреждения ноля в щитке. Вероятность подобного случая минимальна, однако он может случиться.
Из подобных ситуаций был придуман выход иностранными производителями электронных устройств. Они решили дополнять корпуса УЗО электромагнитными реле, которые отключат защищаемую цепь сразу же, как только пропадёт питание от внешнего источника.
Советуем вам всё-таки ставить УЗО электромеханического типа, хоть оно и превышает по цене электронное.
По временной выдержке
Согласно этой характеристике все устройства подразделяются на два типа: «S» и «G».
УЗО типа «S» обладает селективностью, то есть срабатывает через определённое время (от 0,15 до 0,5 с). Устройства такого типа, как правило, используют, когда в цепи их установлено несколько.
Рассмотрим, небольшой пример. Допустим, в домашнем распределительном щитке есть две розеточные группы. Каждую из них защищает УЗО, не имеющее временной выдержки (типа «А» или «АС»), а сам ввод оборудован защитным устройством типа «S».

Если на одной из розеточных групп произошла токовая утечка и УЗО, защищающее эти розетки, не отреагировало по какой-то причине (электрики называют подобную ситуацию пропуск защит), то через определённое время отключится устройство на вводе.
Обратите внимание! Не всегда селективность действия УЗО достигается выдержкой по времени, иногда этого добиваются за счёт уставок по дифференциальному току (этот способ сейчас более распространённый).
Устройство типа «G» обладает аналогичной селективностью, его отличие в меньших пределах выдержки времени (от 0,06 до 0,08 с).
Про основные характеристики УЗО на видео:
По конструктивному исполнению
Конструктивно УЗО различаются в зависимости от количества полюсов:
- в сетях однофазного напряжения применяют двухполюсные модели;
- в сетях трёхфазного напряжения монтируют УЗО с четырьмя полюсами.
По другим параметрам
Есть ещё несколько параметров, по которым классифицируются УЗО:
- По установке (стационарные и переносные).
- По монтажу (с помощью стационарной электропроводки либо с использованием гибких проводов с удлинителями).
- По оснащению защитами. Есть устройства совсем без защит, а есть со встроенными – от перегруза и тока КЗ.

- По возможности регулировки дифференциального тока (нерегулируемые, регулируемые плавно либо дискретно).
Мы предоставили вам информацию о том, что такое УЗО в электрике. Надеемся, из статьи понятно, что современная система автоматики и защиты без этого элемента обойтись не может. Если вам дорого имущество, а тем более человеческая жизнь, то не пренебрегайте установкой устройств защитного отключения.
yaelectrik.ru
