Заземляющий контур – Контур заземления: разновидности, подключение
Контур защитного заземления. Схема, фото, пояснения
Контуром заземления называют находящееся в земле соединение горизонтальных и вертикальных заземлителей (электродов).

Совокупность помещённых в грунт электродов и заземляющего провода, который соединяет данный контур и главную заземляющую шину (ГЗШ) являет собой заземляющее устройство (ЗУ). Важнейшей характеристикой ЗУ является переходное сопротивление (металлосвязь) и сопротивление контура растеканию токов в земле.
От качества выполненных работ зависит заземление каждой розетки в доме и надёжность молниезащиты.
Расчет контура
Сопротивление контура заземления зависит от:
- параметров заземлителей: длины, площади контакта, количества электродов, расстояния между ними;
- длины соединяющих заземлители проводников;
- удельного сопротивления грунтов;
- влажности почвы;
- солёности грунта;
- температуры времени года;
Из практического опыта известно, что ни одна из методик расчета не учитывает в полной мере все факторы, поэтому после выполнения работ результаты измерений практически всегда неожиданны. Поэтому часто пользуются типичным проектом, проверяя соответствие параметров у готового контура.
Естественно, что в отношении контура заземления для электростанции или большого производства расчеты обязательны, но для бытового использования можно выбрать подходящую схему заземляющего устройства и качественно её воплотить в металле, правильно выбрав место установки.
Даже без произведения расчётов из таблицы можно понять, какой тип грунта будет лучше всего для заземляющего устройства.
Как правило, в частном секторе для заземления используют одноконтурную схему, которая состоит из трёх вертикальных штырей, труб или уголков, соединённых между собой
infoelectrik.ruУстройство контура заземления — схема и монтаж
Контур заземления – это устройство, которое соединяет с грунтом заземляемое электрическое оборудование для обеспечения прохождения заряда по наиболее легкому пути. Множество электроприборов, которое есть практически в любом современном доме, делает жилье небезопасным при отсутствии заземления.

При повреждении защищающей изоляции у аппаратуры, элементы, по поверхности которых не должен проходить заряд, могут оказаться под воздействием напряжения. Взявшись за ручку или прикоснувшись к корпусу, человек превращается в проводник электричества в землю, и его ударяет током. Силы тока всего в 1/10 Ампера достаточно, чтобы убить человека.
Сопротивление человеческого тела находится между 100 и 1000 Ом, поэтому устройства даже с небольшим напряжением становятся небезопасными. Поэтому необходимо заземлять металлические корпусы разных приборов и их элементы, каркасы и стенки электрощитов управления или распределения, кабельные муфты, металлические обмотки, кабелепроводы, если они состоят из проводящего материала, вторичные обмотки трансформаторов. Контур заземления в этом случае — эффективный способ защиты от электропоражения.
Типы заземляющих устройств
Заземляющее устройство (ЗУ) имеет несколько разновидностей. В первую очередь оно может быть искусственным и естественным. К естественным относится металлическая арматура фундамента, различные подземные коммуникации из металла. Обычно подобных заземлителей достаточно, но поскольку они не всегда отвечают всем предъявляемым к ним требованиям, то в ряде случаев прибегают к применению искусственных.

Помимо этого, заземлители делятся на вертикальные и горизонтальные, а также заглубленные. Горизонтальные и заглубленные по конструкции похожи, они изготавливаются их стальных полос или круглой арматуры, закладываются в ямы, когда устанавливаются опоры электропередач. Вертикальные ЗУ – трубы, арматура, металлические штыри, пруты и пр., забитые вертикально в землю.
Все ЗУ в соответствии с ПУЭ должны быть из меди либо черной или оцинкованной стали, их нельзя окрашивать.
Чаще всего заземлители для контура заземления используют форму равностороннего треугольника из металлопроката либо три вертикальных штыря, прута, трубы, соединеннын между собой стальной полосой, – такие одноконтурные схемы, как правило, применяют в частном секторе.
Если здание или сооружение имеет значительную площадь, то устанавливают многоконтурное устройство, в первую очередь кольцевое или прямоугольное, смонтированное вокруг дома. Это более надежная схема, так как различные части грунта на участке с заземлением могут менять свои свойства в результате изменений погодных условий, например промерзают, пересыхают и пр..
Для сложных конструкций рекомендуется прокладывать горизонтальные ЗУ из нескольких контуров по периметру фундамента, но на некотором отдалении от него.
Монтаж

Перед началом использования, необходимо проверить заземляющее устройство частного дома на сопротивление
Оно зависимо от множества факторов, вот главные из них:
- Состояние поверхности почвы
- Глубина расположения контура;
Тип грунта;
- Количество электродов, помещенных в грунт;
- Площадь соприкосновения и металла, из которого сделаны электроды.
Заземлительные элементы рекомендуется помещать в чернозём, глину или суглинок. Ни в коем случае нельзя помещать контур в каменную породу или скалу.
- Там, где планируется проводить монтаж контура заземления, должно располагаться на расстоянии более 3 метров от места входа тока в дом. Под контуром не должны проходить газовые либо какие-либо другие коммуникации.
- Вертикальные электроды для ЗУ можно сделать из стальных уголков 5*5*0,5 см с поперечным сечением 48 кв. см. Горизонтальные электроды – из стальной полосы 4*0,4 см с поперечным сечением 1,6 кв. см.

- Перед укладкой роется яма в виде треугольника примерно 3*3*3 м либо траншея длиной 4-5 м, шириной 30-50 см и глубиной 50-80 см.
- В треугольной яме нужно на 2,5-3 м в глубину вертикально забить уголки в вершинах треугольника. Для этого можно воспользоваться кувалдой или буром. В траншее 4-5 треугольников забиваются на расстоянии 90-100 см. Забивать их нужно так, чтобы над поверхностью оставалось примерно 20 см.
- К оставшейся части уголков по периметру или прямой линией нужно приварить стальную полосу, которая идет в электрощит к шине PE. Это заземляющий проводник, который соединяет заземляющий контур с заземляющим выходом электрооборудования (вводным распределителем).
- Места сварки покрыть антикоррозийным покрытием, например битумом, яму засыпать однородным грунтом без камней.
Можно также использовать другой способ, который допускают ПУЭ, — вывести на поверхность горизонтальный проводник (стальную полосу), прикрутить к нему проводник, идущий на шину РЕ главной заземляющей шину, с помощью болта.
Дополнительный проводник может быть:
- медным с сечением от 10 кв. мм;
- алюминиевым с сечением от 16 кв. мм;
- стальным с сечением от 75 кв. мм.

Вместо стальных уголков можно взять специальные стержни, которые сейчас производятся специально для устройства заземлителей. После монтажа необходимо проверить сопротивление ЗУ.
Бытовое заземление
Правильно обустроенное заземление обеспечивает безопасную и нормальную работу электроприборов.
Стоит отметить, что постоянное заземление требуется в промышленности, в быту достаточно заземлить приборы через ноль обычной электророзетки.
Однако некоторые приборы нуждаются в заземлении наглухо. Например, электроемкая стиральная машина-автомат, особенно при повышенной влажности, может пробивать заряд на корпус, в результате чего при прикосновении к ней или мокрому белью можно ощутить легкий удар тока.
Для микроволновок предусмотрена клемма, с помощью которой можно установить дополнительное заземление. Обычно она расположена на задней панели прибора. Она нужна для того, чтобы в случае недостаточного контакта в розетке печь не выдавала волны на опасном на здоровье уровне. Помимо этого, наглухо заземляют варочные поверхности, духовки, индукционные печи, холодильники.
Также рекомендуется заземлять стационарные ПК, у которых изменения напряжений в сети приводят к ухудшению качества работы. В этом случае заземлитель можно закрепить к любому винту задней панели.
Стоит помнить, что качественное заземление обезопасит дом, его жителей, убережет от поломок бытовую технику. При этом ЗУ несложно сделать самостоятельно.
pauk.top
Контур заземления: нормы и правила заземления (ПУЭ) | ENARGYS.RU

В современном мире практически невозможно представить жизнь без техники, работающие с помощью электричества. Можно сказать, что она довольно прочно вошла в жизнь многих и без нее трудно представить «нормальную» жизнь. Но бывает такое что любимое и такое нужно оборудование может внезапно превратиться в источник опасности для жизни. Именно, чтобы избежать таких ситуаций и нужно использовать контур заземления.(рис.1)

Рис. 1. Пример устройства контур заземления
Почти все современные дома оснащены всевозможной электротехникой, которая является частью нашей повседневной жизни. Но в случае нарушения изоляции она может превратиться из незаменимого помощника в оборудование, представляющее реальную угрозу для жизни. Чтобы она не возникала, в домах устраивают контур заземления.
Для чего нужен контур заземления?
Заземление – это устройство специальной конструкции, которое будет соединяться с землей (грунтом). В таком случае в такое соединение включают электрические приборы, которые в нормальном своем состоянии не находятся под напряжением. А вот при нарушении условий эксплуатации или иных причин приведших к повреждению изоляции – оно может возникнуть. Поэтому так важно соблюдать нормы заземления контура заземления.
Все дело заключается в следующем – ток всегда стремиться туда, где находиться наименьшее сопротивление. Так при нарушении в оборудование происходит выход тока на корпус изделия. Техника начинает работать с перебоями и постепенно приходить в негодность. Но намного страшнее другое – при прикосновении к такой поверхности, человек получает такой разряд, что просто погибает.
Но при использовании – контура заземления будет происходить следующие. Напряжение будет распределяться между существующим контуром и человеком. Вот только контур заземления в данном случае будет обладать меньшим сопротивлением. И это значит, что человек хоть и почувствует неудобство, но все же весь основной ток уйдет через контур в грунт.
Важно! При устройстве контура заземления важным будет помнить, и соблюдать все необходимое для устройства его с минимальным сопротивлением.
Контур заземления – виды и его устройство
В основном для заземления используются металлические стрежни, которые играют роль электродов. Они соединяются между собой и углубляются на достаточное расстояние в землю. Такая конструкция соединяется с щитом, установленным в доме. Для этого используется полоса из металла нужной толщины. (рис.2)

Рис 2. Контур заземления
Само расстояние, на которое погружают электрод, напрямую зависит от высоты расположения грунтовых вод. Чем их залегание выше, тем и выше система заземления. Но при всем этом удаление ее от нужного объекта составляет от одного метра до десяти метров. Это расстояние является важным условием и должно строго соблюдаться.
Расположение электродов зачастую носить форму геометрической фигуры. Зачастую – это треугольник, линия или квадрат. На форму влияет площадь, которую следует обязательно обхватить и удобство монтажа.
Важно! Система заземления в обязательном порядке располагается ниже уровня промерзания грунта, которое существует в конкретном месте.
Основные типы контуров заземления
Так существуют два основных типа технологических решений. Это контуры заземления – глубинный и традиционный.
Так при традиционном способе расположение электродов следующие – одни располагается горизонтально, а остальные вертикально. Первым электродом является стальная полоса, а вторыми являются соответственно стрежни из металла. Все они должны иметь допустимые значения по своему размеру.
Необходимо учитывать, что место для устройства конура необходимо подбирать из того, что он должно быть мало людным. Наилучшим для этого будет подходить теневая сторона с постоянной влажностью почвы.
Но у данного контура заземления существуют и свои минусы:
- довольно трудное и физически тяжелое его устройство;
- металлические изделия, из которой состоит контур подвержено коррозии, что не только его разрушает, но им ожжет служить причиной ухудшения проводимости;
- так как он расположен в верхней части земли, то очень сильно зависит от параметров окружающей среды, которые могут изменить его проводимые характеристики.
Глубинный способ намного эффективнее традиционного. Его изготавливают специализированные производства. И он обладает рядом достоинств:
- соответствует всем установленным нормам;
- срок службы значительно продолжительный;
- не зависит от окружающей среды, благодаря глубине залегания;
- монтаж довольно прост.
Необходимо учитывать, что после устройства любого из типов контура заземления, необходимо проверить его соответствие на все требования и надежность. Для этого необходимо пригласить специализированных экспертов. У них должна быть лицензия на проведения такой деятельности. После проверки выдается соответствующие заключение. На контур заземления необходимо завести паспорт к нему приложить протокол об проводимых испытаниях и разрешение на использование.(рис. 3)
Рис. 3. Проверка контура заземления
Важно! Нельзя экономить на материалах при устройстве контура заземления (рис. 4). Иначе его работа будет полностью сведена к нулю.

Рис. 4. Устройство контура заземления
Контур наружного заземления
Эта система служит для подстанции трансформатора и является замкнутой. Состоит из небольшого количества электродов. Они располагаются по вертикали. Заземлитель по горизонтали, он изготавливается, и полос стали 4*40 мм.
Контур заземления должен обладать сопротивление в 40 м, не как не больше, а земля максимально – 1000 м/м. В настоящее время согласно правилам можно увеличить значения, но не более чем в десять раз для грунта. Из этого можно сделать вывод, что для достижения значения в 40 м нужно произвести вертикальную установку восьми электродов по пять метровых. Они должны быть изготовлены из круга при его диаметре 16 мм. Или можно использовать десять трех метровых, при использовании уголка из стали 50*50 мм.
Наружный контур отводиться от края здания больше чем на метр. Элементы располагающиеся горизонтально закапываются в траншею на расстояние 700 мм от уровня поверхности почвы. Полоску располагают ребром.
Таким образом понятно, что следует четко руководствоваться существующими нормами. Так контур заземления ПУЭ отражен в главе 1.7. Н так же необходимо следить за всеми изменениями в требованиях, которые могут случаться довольно часто.
enargys.ru
Как сделать контур заземления?
Всем известно, что заземление служит для защиты человека от поражения электрическим током, а также это устройство отлично защищает от возникновения пожаров, которые могут возникать в результате замыканий фазных проводников на землю, в жилых и различных других помещениях.
Если брать квартиру, то с устройством заземления в ней все понятно, оно смонтировано при строительстве многоэтажного дома согласно его проекту.
А когда взять частные дома, которые находятся в сельской местности, то здесь проблема устройства заземления ложится на плечи его владельца, с которой ему можно легко справится.
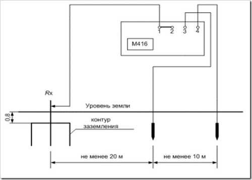
Как замерить сопротивление контура заземления.

Если контур заземления уже смонтирован, то перед его использованием, необходимо произвести его испытание сопротивления по отношению к земле, которое не должно превышать допустимых стандартных значений.
И чтобы получить правильные числа, которые являются результатом испытаний контура заземления, необходимо использовать специальный для таких испытаний прибор М416.
Перед тем, как выполнить измерения заземлителей нужно запомнить следующие соотношения, что сопротивление заземляющего контура должно равняться:
- 2Ом для однофазной сети напряжением 380В;
- 4Ом для однофазной сети напряжением 220В;
- 8Ом для однофазной сети напряжением 127В;
- 2Ом для трех фазной сети напряжением 660В;
- 4Ом для трехфазной сети напряжением 380В;
- 8Ом для трехфазной сети напряжением 220В.
Схема подключения прибора для измерения заземляющего контура показана на рисунке.
Как сделать контур заземления 380в.

Перед тем как приступить к монтажу контура заземления необходимо правильно подобрать материал для этой цели, а также вооружится некоторыми знаниями, которые помогут правильно выполнить такую работу.
И первым шагом устройства заземляющего контура – это правильный его расчет, который можно произвести с помощью следующей формулы: R=R1/Ku*N, где R1 – это сопротивление одного электрода, Кu – коэффициент использования, характеризующий нагрузку электрической сети, N – количество заземлителей.
Второй шаг заключается в подборе материала, из которого будет смонтирован заземляющий контур, при учете следующих к нему требований:
- если в качестве электрода берется водопроводная металлическая труба, то вне зависимости от ее диаметра, толщина стенки должна быть не менее 3,5мм;
- если в качестве электрода берется уголок, то вне зависимости от его размеров, толщина должна быть не менее 4мм;
- если в качестве электрода берется арматура, то ее диаметр должен быть не менее 16мм;
- полоса, которая будет связывать заземляющие электроды, должна быть размером не менее 25*4мм.
Третий шаг это монтаж элементов заземляющего контура, который выполняется по периметру выбранной фигуры. Чаще всего заземляющий контур монтируют в виде треугольника.
Для этого делают треугольную разметку, в которой длинна одной стороны этой фигуры, должна быть равна длине одного электрода, а именно 2м. Потом в траншее глубиной 0,5 м, которая выкопана по периметру этого треугольника, в углы забивают три электрода, и связывают их металлической полосой при помощи сварки.
Четвертый шаг заключается в том, что при помощи той же металлической полосы производят ввод заземляющего устройства в дом, которое должно подключаться к главному распределительному щитку.
Как проверить контур заземления мультиметром.

Часто так бывает, что когда необходимо произвести замеры параметров заземляющего устройства возникают трудности из-за отсутствия специального прибора, о котором было рассказано выше в этой статье.
И какой же выход в такой ситуации? Все очень просто. Существует метод проведения замеров заземляющего устройства с помощью мульти метра.
Для этого, нужно найти какой ни будь заведомо заземленный предмет в доме, например ванну в ванной комнате, к которому необходимо подключить один из измерительных щупов мульти метра.
Смотрите также:
![]()
Как измерить заземление? http://euroelectrica.ru/kak-izmerit-zazemlenie/.
Интересное по теме: Как сделать заземление в квартире?
Советы в статье «Как заземлить дачу?» здесь.
На следующем этапе надо переключатель этого прибора поставить в положение измерения сопротивления, а вторым измерительным щупом коснуться заземляющего контакта розетки, к которому должен быть подключен заземляющий проводник.
Результатом такого измерения должно быть значение, которое не превышает 4Ом.
euroelectrica.ru
Контур заземления — GLHouse.ru
Если вы приобрели частный дом или построили его на своем участке, то вам обязательно следует организовать контур заземления. Во первых это следует сделать для улучшения собственной электросети и конечно же для того, что бы выполнить требования организаций энергосбыта, в противном случае вам просто не дадут подключить ваш дом. Построив свой дом и столкнувшись с этим пунктов в условиях подключения многие не знают каким образом все должно быть грамотно организованно. Давайте разбираться по порядку.Немного теории о заземлении
Заземление — соединение участка сети или электроприбора с устройством заземления. Другими словами, если мы подключим корпус нашего щита к проводнику контура заземления — мы его заземлим.
Заземляющее устройство — это все части заземления собранные воедино. Включает в себя заземлители, заземляющий проводник,
Заземлитель — это часть заземляющего устройства, другими словами вся та часть заземляющего устройства, которая находится под землей. Это вертикальные штыри, вбиваемые в землю, полоса, которой они соединены между собой и заземляющая часть проводника, отходящая от полосы и находящаяся под землей.
Электрод заземлителя — Это вертикальная составляющая заземлителя. Чаще всего в качестве электрода используется металлический уголок. Так же в качестве электрода заземлителя может быть использован штырь, труба, металлическая сетка.
Сопротивление заземления
Правильно организованное заземление должно выполнять свои функции ровно так, как ему и положено, а для этого ему необходимо соответствовать определенным характеристикам. Сопротивления заземления — одна из основных его характеристик. Именно она определяет на сколько хорошо электрические токи от устройства перейдут в заземлитель. Лучшим показателем сопротивления будет ноль, но в реальных условиях эту величину получить трудно.

для частных домов величина сопротивления заземления с электросетью 220 и 380 Вольт в системе TN-C-S не более 30 Ом, а в системе TT не более 500 Ом.
Как же правильно организовать заземляющее устройство, что бы сопротивление заземления было как можно лучше и какие факторы влияют на эту величину.
- площадь поверхности заземлителя. Другими словами чем больше поверхность заземлителя тем лучше. Для того, что бы увеличить площадь заземлителя мы можем соединить несколько заземлителей, увеличить длину вертикальных заземлителей, увеличить количество заземлителей. В нашем случае проще всего конечно же увеличить длину заземлителей.
- сопротивление грунта. Каждый вид грунта имеет собственно сопротивление, у кого то больше, у кого то меньше. Лучшими в этом плане грунтами являются суглинок, глина и торф. А вот непригодными являются каменистые грунты. Если рассмотреть в идеальных примерах то лучшим грунтом будет являться морская вода, а худшим сухой песок.
Устройство заземления
Заземлитель — его роль может выполнять стальной уголок, труба, стальной пруток. Основные требования к вертикальному заземлителю следующие:
- при использовании стального уголка, прямоугольного профиля и металлической полосы толщина их стенки должна быть не менее 5 мм, а площадь поперечного сечения не менее 100 мм. кв.
- при использовании прутка его диаметр должен быть не менее 18 мм
- при использовании трубы толщина ее стенок должна быть не меньше 3,5 мм, а диаметр не менее 32 мм.
Для того, чтоб организовать контур заземления, нам необходимо произвести разметку на нашем участке. Представим себе равносторонний треугольник 3 х 3 х 3 метра. По периметру этого треугольника необходимо выкопать траншею глубиной в 80 см, а по углам нашего треугольника вбить уголки, длинной не менее 3 метров. Чем больше длинна вертикального заземлителя, тем меньше сопротивление заземления, а на больших глубинах почва более влажная, что способствует лучшей проводимости почвы. К тому же глубина промерзания редко доходит до глубин более 2 метров.
Если у нас нет возможности организовать такой треугольник, можно сделать прямую траншею, глубиной в 80 см и длинной 5 метров, в которой через каждый метр необходимо вбить вертикальный заземлитель.
После монтажа вертикальных заземлителей их необходимо обварить предварительно подготовленной полосой. Никаких других способов соединения не допускается — только качественная сварка!
Далее нашу полосу мы в земле подводим к дому и выводим вертикально в электрический щит. Как выше указывалось, чаще всего мы используем полосу 40 х 4 мм.
Если у вас нет возможности вывести стальную полосу непосредственно в щит, то вы можете вывести часть полосы вертикально закрепив ее на стене дома. Далее на нее необходимо наварить болт, к которому присоединяется проводник заземления. Проводником заземления может быть медный проводник, сечением не менее 10 кв. мм, алюминиевый, сечением не менее 16 кв. мм. и стальной, сечением не менее 75 кв. мм. Заземляющий проводник необходимо надежно закрепить на полосе и провести в электрический щит. В щите же расключить согласно вашей схеме.
Схемы подключения заземления в щите
В системе TN-C-S

В системе TT

Замер сопротивления заземления
Для того, чтобы убедиться в качестве выполненного заземления, необходимо произвести соответствующие замеры. Грамотно произвести замер вам может помочь организация, проводящая измерения или электромонтажная организация, которой вы поручите выполнить монтаж контура заземления. Заземление — очень ответственная часть вашей электрической сети и должна быть выполнена в соответствии со всеми нормативными документами. Правильно выполненное заземление защитит вас от поражения электрическим током.
На этом я заканчиваю статью о заземлении, если у вас появились вопросы, вы можете смело задавать — я обязательно отвечу. До новых встреч в следующих статьях.
www.glhouse.ru
Как делается заземляющий контур своими руками

Содержание:
1. Как делается заземляющая шина;
2. Видео.
Если Вы решили сделать заземляющий контур у себя в частном доме, то в качестве заземлителя можно будет применить один из следующих естественных металлических заземлителей:
- Железобетонные столбы или сваи;
- Металлические элементы – трубы и т.п.;
- Другие строительные элементы, которые заглублены в землю.
Если случилось так, что ничего подобного не имеется, то придется выполнить заземлитель своими силами. О том, как делается заземляющий контур сейчас и поговорим.
Для выполнения заземляющего контура нужно сделать из любого металлического профиля три электрода, которые нужно вбивать в землю таким образом, чтобы у Вас получился треугольник, обладающий сторонами примерно 1,2-1,5 метра.

Результативность работы конструкции будет напрямую зависеть от площади поперечного сечения применяемых электродов. Например, если возьмете обычную трубу, то ее размеры должны быть не менее следующих: диаметр – не меньше 30 см, а толщина стенок – не менее 3,5 мм. Если применяются электроды произвольного сечения, то их площадь поперечного сечении должна быть не меньше, чем 150 мм2, а их длина не меньше, чем 2 метра.
До того, как электроды станете размещать в грунте, грунт, соответственно, нужно подготовить под всю конструкцию. Для этого необходимо будет выкопать три канавки, которые имеют глубину 0,5 метра и имеющие стороны примерно по 1,2 метра. После этого по углам треугольника нужно забить подготовленные электроды. Когда забили электроды, они должны быть соединены тоже стальным проводником, имеющим сечение не меньше 50 мм2. Если ничего не сможете найти, то примените обычную стальную полосу размером 4Х40 мм.

У Вас начинает получаться контур заземления, у которого все металлические части обязательно должны быть сварены между собой. Правда в Правилах устройства электроустановок оговариваются отдельные случаи, когда эти стыки могут быть выполнены болтовыми соединениями.
После того, как Вы завершили соединение и закрепление заземляющего контура, нужно, если это стальная полоса, протянуть ее до места ввода заземляющей шины в дом. При этом рекомендуется подводить эту шину как можно ближе к вводному распределительному устройству (ВРУ). На месте окончания шины заземлителя должен быть приварен болт размера не менее М8 или сделать специальный хомут. Они потребуются для того, чтобы соединить заземляющее устройство с заземляющим проводником подключенным в ВРУ.

Заземляющий проводник из ВРУ, который должен быть выполнен из медного провода не менее 6 мм2, нужно провести через стену и одним концом закрепить на приваренном болте М8, а другим закрепить за главной заземляющей шине, расположенной в вводном электрическом щитке. После выполнения этой операции можно начинать разводку защитного заземления, совестно со всей основной электропроводкой.
Общее сопротивление всего заземляющего контура должно получиться больше 4-30 Ом.
Как делается заземляющая шина

Разъяснения к изображению:
1. Водонагреватель;
2. Заземлитель, выполненный для молниезащиты;
3. Трубы водопровода, газопровода, канализационные;
4. Главная заземляющая шина;
5. Непосредственно заземлитель. Выполнен в арматуре фундамента.
Когда начинается практическое решение вопроса того, как делается заземляющий контур в области размещения нагрузки конечных потребителей, обычно используется метод разделения проводника PEN (нулевой рабочий и защитный проводник) на отдельно на нулевой защитный PE-проводник и нулевой рабочий N-проводник. Это разделение, как правило, проводят на главной заземляющей шине, которая располагается в распределительном шкафу.

Кроме PEN-проводника, который подводится с воздушной линии в распределительный шкаф подводится и приготовленный Вами заземляющий проводник от заземляющего контура. Подобным образом выполняется повторное заземление в области потребителя.
После выполнения подобных подключений к главной заземляющей шине, Вы сможете развести отдельно нулевой рабочий проводник (N) и нулевой защитный проводник (PE) по всему периметру дома.
Правила устройства электроустановок, которые действуют в настоящее время, накладывают ограничения на выполнения повторного заземления на стороне потребителя. Они распространяются на сети, которые работают по схеме с глухозаземленной нейтралью (промышленные сети). Подобное включение позволяет сохранить защитные заземляющие функции всей системы, если вдруг произойдет обрыв PEN-проводника.
Стоит отметить, что выполнение повторного заземления в домах городской застройки не разрешается.

Видео. Как делается заземляющий контур
postroy-prosto.ru
Контур заземления: устройство и схема монтажа
В случае внезапного нарушения изоляции проводника в каком-либо электроприборе его поверхность неожиданно может оказаться под напряжением. Прикоснувшись к нему, можно получить удар током. Поэтому основной защитой от поражения электричеством может являться только контур заземления. Это система, которая снимает напряжение с корпуса электроприбора и отводит ток за пределы здания.
Устройство контура заземления
Заземляющий контур — это защитное устройство, состоящее из нескольких металлических электродов, вертикально забитых в грунт на определенную глубину. Они соединены между собой горизонтальным заземлителем, который изготавливается из стальной полосы и с помощью сварки крепится к верхней части электродов. Собранный таким образом контур при помощи специального кабеля или стальной полосы соединяется с внутренней схемой заземления дома, которая выводится на наружную сторону стены здания.
Все металлические элементы внешнего заземления, находящегося в земле, охватывают определенную площадь соприкосновения с грунтом, который позволяет быстро рассредоточить электрический ток по всему контуру, обозначенному электродами.
Принцип действия защитной цепи
Правильно собранные в одну цепь заземляющие элементы защищают человека от внезапного удара током, а бытовые электроприборы — от поломки в случае пробоя напряжения на их корпус.
Это происходит таким образом. Во время короткого замыкания или утечки тока на обшивку прибора, с него снимается напряжение и через проводник отводится в грунт на заземляющее устройство. Поэтому, чтобы схема контура заземления работала четко, она выполняется строго по требованиям ГОСТа, где специально предусмотрены нормативы внешнего сопротивления всей цепи заземления с учетом таких факторов, как:
- Вид почвы и его влажность.
- Уровень подпочвенных вод.
- Количество электродов, их размер и расположение в контурном заземлении.
- Глубина погружения электродов.
- Материал электродов и линейных заземлителей, соединяющих их между собой, и внутренним заземлением здания.
По геометрической форме вертикальные электроды, в соответствии с нормативами СНиП, должны забиваться в землю на определенную глубину, с одинаковым расстоянием друг от друга, и представлять собой равнобедренный треугольник.
Расчет профиля схемы
Для правильного функционирования системы защиты желательно произвести расчет ее сопротивления. Для этого нужно учитывать следующее:
- Количество и параметры заземляющих электродов: длину, контактную площадь соприкосновения с землей и расстояние между собой.
- Общую линейную длину горизонтальных заземлителей, соединяющих электроды и внутренний контур в доме.
- Удельное сопротивление грунта.
- Влажность грунта и его соленость.
- Время года (температуру почвы).
Но как показывает практический опыт, ни одна расчетная методика полностью не учитывает приведенные факторы, а просто используется типичный образец конструкции ранее спроектированного и уже смонтированного контура.
Например, то, что является заземляющим контуром в частных домах, — это простая одноконтурная схема, собранная из трех вертикальных арматурных стержней, металлических уголков или труб, которые соединяются между собой полосой из стали.
Разновидности токоотводящих приспособлений
Наружный контур из искусственных элементов заземления подбирается согласно правилам ПУЭ. В нем четко дано определение основных видов контурных систем, которые могут быть:
- Традиционными заземляющими конструкциями.
- Глубинными модулями
- Наружными заземляющими системами.
Следует подробнее остановиться на каждой из них.
Традиционные конструкции
Такое контурное заземление собирается из одного горизонтального металлического электрода и трех вертикальных стержней. Горизонтальный (линейный) электрод представляет собой металлическую полосу, а забитые вертикально в землю стержни делаются из толстой арматуры. Эти элементы должны иметь определенную, заранее рассчитанную для данной местности и здания длину.
К недостаткам традиционного заземления можно отнести:
- Сложность монтажа.
- Сильная коррозия. Большинство элементов контура собирается из непокрашенного черного металла, который из-за лучшего контакта с землей нельзя красить.
- Влияние температурных перепадов и переменчивой влажности на верхнюю часть устройства.
Глубинные модули
Эта система заземляющего устройства изготавливается в заводских условиях и практически не имеет тех недостатков, которые существуют у традиционного заземления.
К достоинству глубинной модульной системы относится:
- Точность и качество всех элементов контура.
- Длительная эксплуатация.
- Благодаря тому, что электроды устанавливаются на большую глубину, погодные условия практически не влияют на работу заземления.
- Отсутствие необходимости частого обслуживания контура.
- Простота расчет сопротивления.
- Несложный монтаж заземления.
После монтажа контура необходимо проверить все соединительные стыки заземления, а также его работу. Если монтаж произведен точно по расчетам сотрудников специализированной и лицензированной лаборатории, которые производили замер и расчет контурного сопротивления, модуль будет безупречно работать на протяжении долгих лет.
Наружное обустройство
Применяется для заземления трансформаторных подстанций и состоит из вертикальных и горизонтальных электродов. Заземляющий контур собирается из 4 стальных полос шириной 40−50 мм и толщиной 8−10 мм на расстоянии не ближе 1 м от стены строения.
Полосы укладываются на дно траншеи глубиной 500 — 700 мм от поверхности земли. При монтаже используется заранее приготовленный рабочий чертеж, который проектируется под определенное электрооборудование.
Кроме этого, горизонтальное заземление может быть смонтировано в котловане под фундаментом здания и опорами воздушных линий электропередач.
Также для наружного заземления электрооборудования могут использоваться естественные заземлители в виде металлических трубопроводов, обсадных труб, металлических и ж/б сооружений и других токопроводящих конструкций, тесно связанных с грунтом. К заземлителям можно отнести и оболочки свинцовых кабелей, а также нулевой рабочий провод, имеющий повторный заземлитель.
К контурному заземлению не подключаются только трубопроводы со взрывчатыми и легковоспламеняющимися веществами.
Монтаж заземляемого профиля
В соответствии с пунктом 1.7.111 ПУЭ практически все электроды, независимо от того, как они расположены в заземляемом контуре (горизонтально или вертикально), должны быть медными, оцинкованными или стальными. При этом их поверхность для лучшего отведения напряжения ни в коем разе нельзя покрывать краской или другими покрытиями.
Монтаж должен производиться по заранее подготовленным схемам, соответствующим ПУЭ. А работы по подготовке к монтажу заземляющего устройства, к которым относится рытье траншей, пробивка или бурение отверстий под электроды, установка закладных деталей в заливаемый бетоном фундамент, осуществляется на начальном этапе заземления.
Конструктивные параметры
Установка защитного заземления не является сложной. Кроме того, его можно довольно быстро сделать своими силами. Для этого следует просто приготовить:
- Для вертикальных электродов — трубы или уголки с толщиной стенок не меньше 4 мм или металлические стержни диаметром от 14 мм.
- Для вертикального заземления — стальную полосу с поперечным сечением 100х4 мм.
- Для подвода заземления к дому — жесткий кабель сечением от 10 мм2 (можно полосу сечением 30х2.5 мм).
- Из инструментов понадобится лопата, большая кувалда, болгарка и сварочный аппарат.
Площадь заземления зависит от модели выбранного контура. Он может быть смонтирован по периметру всего здания, подсоединен к какой-либо подземной коммуникации, но самой распространенной схемой установки заземления является треугольная модель контура.
Полный комплект всех заземляющих элементов можно заказать в специализированных мастерских, где налажено производство медных электродов. Такие комплекты, имея небольшую стоимость, отличаются надежностью и долговечностью.
Порядок установки
При сборке элементов контура следует использовать только материалы, которые являются хорошими проводниками электротока. Сам монтаж защитной системы заземления производится таким образом:
- В пределах 3−5 м от здания раскапывается площадка глубиной в пределах 500 мм и площадью примерно 2х2 м. После этого от выкопанной площадки, на той же глубине, к дому копается траншея. Она должна подходить к точке выхода внутреннего контура из стены дома.
- На выкопанной площадке размечается равнобедренный треугольник, вершины которого должны располагаться на расстоянии 1−1.5 м друг от друга.
- В размеченные точки при помощи кувалды забиваются металлические стержни (электроды). Для облегчения работы концы желательно заострить болгаркой.
- Используя сварку, забитые в землю электроды соединяют между собой стальной полосой. После этого на ближней стороне полученного контура приваривается болт для крепления кабеля, идущего от расположенного в доме электрощита. Вместо кабеля можно уложить в траншею стальную полосу, которая приваривается к смонтированному заземлению, а болт приваривается уже на конце полосы выведенной на стену дома.
- Все сварные соединения (швы) должны быть очищены от шлака, прогрунтованы и покрашены, иначе в земле под действием сырости они быстро разрушатся.
- Выведенную из земли полосу желательно покрасить чередующимися полосками зеленого и желтого цвета.
- Также перед засыпанием траншеи рекомендуется измерить сопротивление смонтированного заземления специальными приборами. Если оно будет недостаточным, следует забить дополнительный электрод и соединить его сваркой с основной заземляющей конструкцией. Сопротивление всей системы должно быть в пределах 4 Ом.
- Траншея должна засыпаться чистым грунтом без остатков строительного мусора.
- В расположенном в доме электрощите нужно установить дополнительную шину — РЕ (если она отсутствует) и соединить ее проводником с выводом от смонтированного заземляющего конура.
- Все находящиеся в доме электроприборы соединить с шиной РЕ.
Правила устройства энергоустановок (ПУЭ)
Монтаж защитного заземления рекомендуется производить с учетом норм контура заземления ПУЭ, что обеспечит надежную защиту электроприборов и людей от поражения током.
Нормативы ПУЭ — это собирательная группа специализированных правовых актов, которые были утверждены Министерством энергетики еще при Советском Союзе. Данные ПУЭ описывают правила правильной закладки электропроводки в промышленных помещениях, жилых здания, частных домах и других объектах, а также разъясняют подключение различного электрооборудования и принцип их устройств.
ПУЭ содержат в себе требования по прокладке коммуникаций к электроустановкам, узлам, определенным энергосистемам и их отдельным элементам.
Проверка системы
Проверка сварных швов производится визуальным осмотром. Затяжка гаек проверяется при помощи гаечного ключа. Для замера сопротивления лучше пригласить специалиста из специализированной электролаборатории.
Но проверить сопротивление можно и собственными силами. Для этого берется переносная розетка и подключается одним проводом к фазе, а другим — к заземлению. После этого в розетку подключается какой-либо мощный электроприбор.
Практически контур считается правильным, если подключенный к фазе и заземлению прибор, мощность которого должна составлять 2 кВт, будет работать исправно, даже если напряжение в этом промежутке понизится в пределах 10 В.
chebo.biz

