Автономное отопление в многоквартирном доме что это такое – плюсы и минусы, разрешение, стоимость, отзывы и что это такое
плюсы и минусы, разрешение, стоимость, отзывы и что это такое
Один из самых инертных вопросов в нашей стране касается обеспечения владельцев квартир качественным отоплением. Для этого используются традиционные централизованные системы отопления. Однако, они уже давно устарели не только морально, но и физически. Выход из сложившейся ситуации заключается в установке автономного отопления в многоквартирном доме.

Наиболее популярными являются варианты с общим котлом, который монтируется в единственном экземпляре для всего дома или с множеством котлов для каждой квартиры. Оба варианта имеют право на существование, тем более, что они уже опробованы в реальных условиях городских многоэтажек.
Позитивные стороны
Стоит учесть, что методика является эффективной не только для нашей страны, но также проявила себя за ее пределами. Выясняя, что такое автономное отопление в многоквартирном доме, нужно обязательно определиться с его преимуществами для жильцов:
Реальная стоимость
Такой аргумент является наиболее действенным для большинства жильцов, решившихся на отказ от централизованного обогрева своих квартир. В платежках за данный вид услуг будет обозначена сумма, которая использовалась для обогрева в предыдущем месяце. Она зависит от площади квартиры, так как расчет ведется исходя из общего метража дома. Суммарные затраты газа делятся на общую площадь дома, включая территорию совместного использования. При введении этой системы появится реальная экономия.
Возможность отопления даже при отсутствии централизованного подключения к теплосети
В некоторых районах, где строятся новые дома, не имеется возможности довести к ним централизованный обогрев. Но после появления автономки, всем стало ясно, как отопить квартиру без центрального отопления, ведь зачастую это является единственным вариантом обогрева жилья. В некоторых крупных городах есть целые кварталы из таких домов, построенные в конце 90-х годов.
Значительная экономия ресурсов
Такой плюс можно отметить при использовании всех типов автономного отопления. Это связано с тем, что на транспортировку подогретой воды тратятся колоссальные ресурсы, в которых отпадает нужда после максимального приближения теплогенератора к потребителям. Владельцы могу по своему усмотрению добавлять/убавлять подачу газа для лучшего прогрева помещений. Таким образом экономится топливо.
Качество отопления значительно улучшается
Это отмечают те, кто успел оценить отключение от центрального отопления в пользу автономного. Повышение КПД удается достигнуть за счет минимизации потерь при транспортировке энергии, так как плечо доставки сокращено до минимально допустимого значения.
Дополнительным позитивом служит удешевление обслуживания за счет избавления от бойлерной.
ВИДЕО: Автономное отопление квартиры — плюсы и минусы
Минусы системы
Чтобы быть до конца честным, объясняя, что значит автономное отопление, необходимо обозначить и негативные стороны монтажа. Они заключаются в следующих пунктах:
- Недобросовестное отношение пользователей к любой системе способно разрушить любые начинания. В таком случае понадобится проводить регулярную чистку, профилактический ремонт и обслуживание системы. Сервисные работы должны проводиться не реже одного раза в год. Для этого вызывают профильного специалиста, который сможет упредить возникновение поломок.
- Внутри помещения и к самому котлу монтируют эффективную вентиляцию. Такие работы являются часто затратными и требуют разрушения боковой стены помещения для организации выхода наружу продуктов горения. Важно уделять этому пункту достаточное количество внимания, ведь от этого зависит здоровье хозяев квартиры.
- Система будет иметь слабую эффективность в том случае, если отапливаемые помещения буду соседствовать с неотапливаемыми. Там могут не жить соседи, а поэтому их квартиры станут источником холода.
Эксплуатация поквартирного обогрева
Даже учитывая, что в мире используют несколько разновидностей котлов, они действуют по схожему принципу. Установив в свою квартиру один из них, можно самостоятельно распоряжаться своим теплом в полной мере, включая/выключая его в нужное жильцам время, а не тогда, когда удобно это сделать жилищной конторе.
Разбирая, что значит автономно, необходимо чтобы при установке соответствующего котла в нем присутствовал второй контур, отвечающий за горячее водоснабжение. Таким образом удастся сэкономить на монтаже бойлера под горячее водоснабжение.
Не стоит в индивидуальном или автономном отоплении эксплуатировать систему на максимальных параметрах, так как чрезмерно интенсивный ее износ существенно снизит время общей эксплуатации.
Схемы системы автономного отопления
При поквартирном обогреве удастся добиться таких показателей:
- Произойдет значительная экономия природного газа до 2 раз, а для системы горячей воды этот показатель станет равным в 3 раза.
- Платежки за обогрев снизятся также почти пропорционально: за тепло понижение произойдет в 2-3 раза, а за горячее водоснабжение счета упадут еще больше — в 3-4 раза.
Популярные котлы
При монтаже поквартирных систем важно подобрать наиболее качественный котел. Эти аппараты можно условно поделить на три сегмента:
- Премиальный класс, включающий немецких, швейцарских либо французских производителей (Vaillant, De Dietrich, Viessmann и пр.)

Viessmann
- Средний ценовой диапазон, который по большинству параметров схож с премиальным, предлагает продукцию от итальянского, корейского либо чешского производителя климатического оборудования (Dakon, Mora, Ariston, Baxi, Beretta).
Beretta
- Бюджетный аппарат можно купить отечественного производства. Их делают как в Нижнем Новгороде, Жуковском, Подольске.
Стоит учитывать, что страна-производитель часто определяется скорее условно, по принадлежности товарного бренда. Это связано с тем, что периферийные компании, не имеющие свои громкие названия, способны предложить продукцию не худшего качества, чем премиальные, пытаются получить имя на рынке.

Желательно выбирать продукцию компании, которая занимается исключительно котлами. Это помогает ее владельцам сконцентрироваться на выпуске узко профильной продукции, заботясь о качестве готового изделия.
Схема отопления и бюрократический вопрос
Самый основной момент – выбрать схему отопления в зависимости от площади квартиры и подачи теплоносителя. Существует 2 основных схемы – одно- и двухтрубная, которые отличаются друг от друга последовательностью подключения радиаторов и движением горячей воды.
При однотрубной радиаторы подключаются друг за другом. Такая схема удобна при малом количестве батарей, когда теплоноситель просто не успевает остыть, а в комнатах поддерживается относительно одинаковая температура.
С этой статьей читают: Система отопления — однотрубная с нижней разводкой
Двухтрубная система основана на подключении к каждому радиатору двух труб – подающей и обратной, за счет чего каждая батарея, по сути, автономна от другой. Каждую из них можно регулировать по температуре и даже отключать без риска остановить работу следующих по цепи.
С этой статьей читают: Двухтрубная система отопления частного дома: схема
Вопрос выбора схемы лучше отнести к специалистам, которые займутся разводкой системы отопления в доме, а вам придется заняться куда более сложной работой — согласованием.

Определить единый принцип бюрократического согласования невозможно – он зависит от региона, от требований энергоснабжающих организаций, от полномочий и компетенции управляющей компании и т.д. В любом случае, первое, с чего придется начинать – с заявления в ДЭЗ или УК о желании перейти на автономное отопление в многоквартирном доме.
Каким бы ни был сложный процесс, он преодолим, и в итоге можно получить эффективную и экономную систему отопления, при которой вы уже не зависите от времени начала и окончания отопительного сезона, от средней температуры и общего счетчика.
ВИДЕО: Монтаж автономного отопления в квартире с подключением к центральному отоплению
www.portaltepla.ru
Что такое автономное отопление в многоквартирном доме
Автономное отопление в многоквартирном доме: особенности устройства
Отопление дома можно организовать различными способами, которых на рынке несчетное количество. Однако потребитель вполне резонно ищет вариант, который поможет сэкономить денег и энергоноситель, но что же выбрать? Самое большое количество положительных качеств сочетается в автономном отоплении жилья, сулящее, наверное, главное для современного человека – независимость от обстоятельств.
Что дает установка автономной системы?
Главное достижение автономных аппаратов отопления – повышение уровня комфорта, так как с помощью агрегатов можно контролировать тепло в доме, а значит, больше не придется открывать окно только для того, чтобы немного сбавить жару от перегретых батарей. Может быть наоборот, что отопление так плохо работает, что приходится дополнительно изолировать помещение, перекрывая доступ свежему воздуху и подключая дополнительные системы.

Автономное отопление в многоквартирном доме позволяет сэкономить, обеспечив финансовый комфорт. Кроме того, ее можно включить, когда хочется владельцу квартиры, а не коммунальным службам, ведь даже летом могут быть промозглые дни, а управляющая компания не будет включать стояки ради 2-3 дней. А ведь еще случаются ремонты труб в самый неподходящий момент, обязательно зимой, потому дом размораживается, а его обитатели начинают массово простывать.
Персональная отопительная система поможет не только избавиться от постоянных проблем с компанией поставщиком тепла и гигантских счетов, но и позволит поддерживать нужную температуру в квартире в течение всего года, даже во время планового отключения отопления и горячей воды.
Котлы для автономии
Для того, чтобы подключить автономное отопление в многоквартирном доме обязательно потребуется двухконтурный котел. Его отличием от аналогов является наличие закрытой камеры сгорания. Для него не придется монтировать специфический газонепроницаемый газоход, так как аппарат применяет вентиляционную систему, которая пропускает через машину уличный воздух и выводит продукты сгорания в специально отведенную трубку.

Двухконтурные котлы производители смогли отладить так, что излишки потребления попросту невозможны, а аппараты очень надежны и сбои случаются очень редко. Кроме того, подача газа в аппарат происходит только в тот момент, когда датчики в квартире просигнализируют о понижении температуры. В это мгновенье сразу включается насос, качающий воду и разгоняющий нагревшуюся жидкость по трубам помещения (прочитайте: “Подбор насоса системы отопления: важные нюансы “).
Очистка камеры сгорания происходит через вентиляционную систему, после чего запускается искра и цикл продолжается, а тепло поступает в квартиру.
Преимущества автономных систем
Автономное теплоснабжение многоквартирного дома несет множество плюсов его обладателям:
- Теплоснабжение многоквартирного дома почти полностью автоматизировано, потому можно задать определенный режим температуры и он будет соблюдаться аппаратом. Кроме того, можно будет поставить минимальные температурные параметры в случае отъезда, так что излишки тепла не будут уходить в пустоту.
- Автономность позволяет зависеть только от себя, потому постоянные прорывы труб у коммунальных компаний больше не будут выключать отопление. В то время как многие будут ждать момента возврата отопления, владелец автономного отопления в квартире может спокойно греться в своих апартаментах.
- Аппараты проходят техническую проверку, потому поломки происходят крайне редко и можно полноценно положиться на отопительную систему и не бояться отключения подачи тепла в самый неподходящий момент.

Оформление документов и его трудности
Если обычно в роли катализатора всех проблем выступает денежная сумма за услугу, то в случае автономного отопления это сбор всех необходимых подтверждений и разрешений на монтаж.
Кроме того, разрешения можно и не получить вовсе, так как чиновники очень неохотно идут навстречу и могут просто застопорить вопрос, особенно если квартира в доме является единственной, претендующей на отопительную независимость. Если случается отказ, то необходимо обязательно созвать комиссию, которая при поддержке независимых экспертов должна будет обосновать решение коммунальщиков и вынести финальный вердикт.
С другой стороны, если дом не является многоквартирным, а собственным, то проблем становится на порядок меньше. Это связано с тем, что можно будет просто обратиться в монтажную компанию, которая займется решением всех проблем: от получения необходимых документов до монтажа котла.
Планировка будущей системы
После того, как финальное решение вынесено и сделан выбор в пользу автономности, стоит обратиться к специалисту, который поможет с решением ряда важных вопросов:
- Как лучше расположить котел в помещении
- Каковы должны быть его габариты
- Какая будет нагрузка на систему индивидуального отопления в многоквартирном доме
- Сколько топлива будет потреблять система
- Какое количество воды будет уходить на обслуживание

Только решив все эти вопросы, стоит идти в кабинеты чиновников за подписями на разрешение строительства, иначе очень вероятен процесс отказа в первом же кабинете.
Сама автономная система будет состоять из следующих элементов:
- Нескольких конвекторов;
- Радиаторов;
- Насосов циркуляции;
- Труб;
- Котла отопления.
Кроме того, каждый аппарат отличается по принципу выдачи тепла, который может быть в виде:

По принципу теплоотдачи бывает два типа систем: конвективные и лучистые.
Если рассматривать их с позиции циркуляции, то выделяются:
- Аппараты с механической циркуляцией, которая запускается насосом;
- Приборы с естественной или гравитационной циркуляцией, работающие на принципе разной плотности переносчика тепла.
Паровое отопление также дробится на две различных системы нагрева:
- Замкнутую, имеющую самостоятельный возврат конденсата в котел;
- Разомкнутую, имеющую возврат конденсата в котел с помощью насоса (прочитайте также: “Схема парового отопления – разбираемся в принципе работы и устройстве системы “).
Для замкнутой системы отопления потребуется выбрать тип монтируемого оборудования и лишь затем подбирать системы автоматизации, трубопровод, котел нагрева и радиаторы. Это обусловлено тем, что каждое устройство имеет свои особенности, потому не каждый условный радиатор ему подойдет.
Что касается автоматики для системы отопления. то стоит отнестись к ее приобретению максимально ответственно, так как именно она обеспечит минимальное потребление энергии вкупе с максимальной отдачей тепла. Кроме того, только хорошее оборудование способно работать без сбоев и обеспечивать нужную температуру в течение больших временных промежутков.
Автономное отопление многоквартирного дома можно оборудовать инфракрасными системами, которые устанавливаются везде без каких-либо проблем, а главное – не требуют специальных разрешений.

Полезные функции автоматизированной автономной системы
Почти каждая система автономного отопления снабжена рядом функций, значительно упрощающих жизнь ее владельцев:
- Автоматизированные системы могут различать резкие изменения температурного режима снаружи, настраивая внутренний климат помещения нужным образом. Благодаря этому, даже в отсутствие хозяев жилища, температура не упадет, и котел вовремя начнет нагревать воду.
- Если температура повышается снаружи, то система снизит потребление энергии, сохранив прежнюю температуру в помещении.
- Автоматические системы способны снижать работоспособность днем и ночью, но при этом нагнетают тепло вечером и утром, когда это особенно необходимо. Благодаря этому создается приятный температурный режим в помещении, а топливо не расходуется излишне.
- Систему можно оснастить датчиком температуры в комнате. Для этого происходит его монтаж в помещениях, не совмещенных с котельной. Если происходит изменение температуры, то система отопления запускается и регулирует температуру в нужную сторону.
Подбор топлива и котла
Для автоматической системы отопления чаще всего применяется газ, так как это один из самых дешевых природных ресурсов. Кроме того, многие котлы проектируются именно под него и имеют возможность размещения, как на полу, так и на стене.
Что касается самого котла, то здесь ключевой выбор заключается между чугунным или стальным оборудованием.
Стальные котлы подвержены коррозии, а потому не столь долговечны как модели из чугуна. С другой стороны, монтировать стальной агрегат гораздо проще, чем чугунный, из-за веса прибора. Кроме того, стальной котел гораздо проще повесить на стену, именно потому большинство подобных моделей делается из данного материала.
Как рассчитать стоимость автономного отопления, смотрите пример на видео:
Особенности настенных котлов
Данные модели котлов набирают все большую популярность, так как позволяют сэкономить пространство, ведь они не занимают место на полу, а их небольшой размер позволяет помещать их где угодно. В то же время, небольшой размер не должен смущать, ведь настенный котел является почти полноценной котельной, которой по плечу обогреть довольно большое жилое помещение.
В состав стандартного настенного котла входят:
- Прибор управления котлом либо горелка;
- Расширительный бак;
- Циркуляционный насос;
- Устройства, поддерживающие безопасность эксплуатации;
- Системы автоматизации, барометр и термометр.
Висящие на стене газовые котлы готовы пережить любой перепад давления без потери качества обогрева. Кроме того, в некоторых приборах устанавливается плавная регулировка горелки, что позволяет предотвратить образование накипи в трубопроводе и обеспечить большую долговечность системы.

Автономность сулит множество плюсов:
- Независимость от желаний и стремлений коммунальщиков отключить тепло в самый холодный момент года или летом, когда тоже надо мыться;
- Возможность полностью регулировать количество потребляемой энергии;
- Отсутствие тепловых потерь;
- Повышение комфорта жилища;
- Понижение стоимости горячей воды.
Подключение автономной системы существенно облегчает жизнь, так как многие вопросы будет решать техника. Современные технологии позволяют говорить о надежности аппаратов, так что замена централизованного отопления пройдет не только безболезненно, но и на положительном эмоциональном фоне, так что можно сделать отличное семейное фото: до и после установки автоматической системы.
Подведение итогов
Резюмируя все вышесказанное, необходимо отметить, что автономная система отопления необходима в любом помещении. Однако стоит уделить максимум внимания монтажу, так как малейшие отклонения могут привести к потерям ресурсов и денег на переделку. Именно поэтому лучше позволить профессиональным сертифицированным компаниям проводить установку котла и всей системы, так как они могут дать гарантию на несколько лет, и в случае необходимости все недостатки системы можно будет исправить бесплатно.
Таким образом, даже если имеется уверенность в собственных силах, но нет большого опыта работы сантехником или слесарем, то лучше не монтировать отопительную систему, так как схемы проведения труб и подключение котла очень замысловатое. У работы множество тонкостей, потому лучше не рисковать, ведь от качества монтажа будет зависеть комфорт и климат помещения, а это слишком высокая цена за небольшие оплошности и небольшую сэкономленную сумму.

Среди главных проблем, которые могут постигнуть – возникновение протечек, заморозка теплоносителя, возгорание котла. Эти неприятности будет трудно и муторно устранять, кроме того, это съест те деньги, которые могли бы пойти на работу профессионалов своего дела, так что большой финансовой выгоды получить едва ли выйдет.
Таким образом, подключение автономной системы позволит значительно повысить качество и комфорт жилья. Кроме того, независимость от коммунальных служб позволит сохранить время, деньги и нервы, так как не придется каждый раз идти разбираться в их офисы из-зав очередной раз неверно насчитанного счета. Более того, не придется оплачивать счета за те месяцы, когда тепла в квартирах еще нет, как это часто происходит в октябре и мае, а ведь выставляемая сумма ничуть не отличается от январской! Иными словами, установка автономной системы отопления – решение большинства коммунальных проблем.
Оставляйте отзывы:
Как сделать автономное отопление в многоквартирном доме
Экономия средств и энергоресурсов во многом зависит от способа подачи энергоносителя в квартиры. Вопрос выбора системы считается одним из актуальных для собственников современных квартир. Обусловлено это стремительно растущими ценами на топливо, значительными теплопотерями, неэффективным расходованием теплоэнергии и нестабильным графиком подачи тепла. Большинство этих проблем позволяет решить автономное отопление в многоквартирном доме.

Самым оптимальным решением считается отопление с присоединением к центральному газопроводу или электрической сети. Для квартир целесообразно применять котлы настенного типа, которые также подразделяются на газовые и электрические.
Преимущества автономной системы
При децентрализованном отоплении качество услуг зависит не от внешних условий, а от мощности используемого оборудования, которое позволяет получать комфортную температуру в любое время года. По сравнению с централизованной системой индивидуальное отопление имеет ряд преимуществ:
- Снижение расходов на оплату теплоэнергии. Автономным оборудованием можно пользоваться в случае необходимости, самостоятельно регулируя показатели нагрева. В случае отъезда систему можно вовсе отключить, что существенно сэкономит средства.
- Повышение качества услуги. Каждый, кто решил перевести жилье на автономное отопление, отмечают повышение качества обогрева. Это связано с отсутствием утечек тепла, которые нередко возникают в централизованной системе. Кроме того, установленный элемент теплоснабжения находится в непосредственной близости от квартиры, что сокращает сроки подачи ресурсов, уменьшает затраты на содержание, сервис и ремонт сетей.
- Независимость от общего городского трафика и начала отопительного сезона, а также аварий на трассе, проблем с работой коммунальных служб и других факторов.
- Экономия природных ресурсов, которая достигается благодаря рациональному расходованию энергии.
Недостатки автономных систем отопления
- Необходимость ремонта. Любая отопительная требует регулярных проверок и обслуживания. Эффективность работы оборудования может снижаться по причине длительного отсутствия ремонта, который должен который должен осуществляться ежегодно. Некоторые собственники часто забывают об этом или избегают расходов, что нередко приводит к серьезным поломкам.
- Снижение эффективности оборудования из-за отсутствия отопления в соседних квартирах. Такая проблема актуальна для новых многоквартирных домов, где большое количество квартир длительное время пустуют. Общие стены с соседскими пустыми помещениями остаются холодными, что снижает уровень обогрева в заселенных квартирах. Владельцы решают эту проблему установкой современных отопительных систем в каждой квартире, оборудование обеспечивает автоматическое поддержание минимального уровня тепла без постоянного контроля.
- Перевод на автономное отопление требует получения разрешительных документов на монтаж выбранного оборудования.
Существенные сложности может вызвать и выбор места для отдельной котельной, чаще всего систему приходится устанавливать во дворе многоэтажного дома. Для газовой котельной потребуется сделать вспомогательный блок для удаления отработанных газов.
Для организации децентрализованного отопления для целого многоквартирного дома необходима установка котельной. Самый оптимальный вариант в данном случае – использование отдельного помещения на небольшом расстоянии от дома. Также встречаются проекты, которые предполагают размещение в подвальных помещениях или на чердаке. В таких системах объединяются несколько массивных котлов, объединенных с коллекторами и нагревателями, при этом часто используются несколько нагревательных контуров.

Полноценная отдельностоящая котельная – дорогостоящая система, которая окупается через длительный срок. Популярной альтернативой выступает модульная или блочная конструкция. Для такой котельной выделяется отдельная небольшая площадка, на которой устанавливаются блоки и соединяются в единую систему. Все элементы комплектуются в заводских условиях, каждое устройство подобрано в соответствии с техническими параметрами.
Самое главное – правильно соединить все блоки, выполнить пусконаладочные работы и ввести систему в эксплуатацию.
Особенности настенного оборудования

Настенные газовые и электрические котлы – самое популярное и эффективное решение для автономного отопления. Целесообразность использования таких установок обусловлена следующими факторами:
- Благодаря компактным размерам оборудование можно устанавливать даже в малогабаритных кухнях, при этом их внешний вид не нарушает целостность интерьера.
- По своей конструкции котел представляет собой мини-котельную, он состоит из циркулярного насоса, расширительного бака и датчиков, которые обеспечивают максимальную безопасность в использовании.
- Современное оборудование рассчитано на высокую мощность для 35 кВт, которой достаточно для обогрева 100 кв.м.
- Выбор представлен одноконтурными и двухконтурными котлами. Последний вариант служит еще и для нагрева воды.
Электрические системы отопления
На сегодняшний день электрическое оборудование для децентрализованного отопления считается самым экономным. В работе таких устройств, как правило, используется принцип поляризации воды под воздействием переменного тока.
Подключение одной квартиры предполагает простую автономную систему с монтажом электрокотла с анодным принципом действия. Использование двухконтурных систем предполагает возможность обустройства теплых полов через отдельный контур. Для малогабаритных помещений оптимальным вариантом станут специальные батареи с индивидуальным отоплением, которые позволяют самостоятельно регулировать показатели тепла.

Более сложный процесс – перевод всего жилого дома на автономную электрическую систему. Для этого первоначально следует решить вопросы с подстанцией, рассчитать предполагаемые нагрузки на электросеть в соответствии с мощностью трансформатора. При необходимости следует сделать замену распределительных устройств. Это мероприятие должно быть согласовано с энергетической компанией.
Важно! Большинство старых систем и электропроводок не смогут справляться с высокими нагрузками. Поэтому в переведенном на автономное отопление доме рекомендуется заменить лампы накаливания светодиодными источниками, а также и сократить другие расходы электроэнергии.
Газовое оборудование
Монтировать газовое оборудование для децентрализованных систем отопления достаточно трудно, поскольку установка требует заранее подготовленного технического проекта, допусков и высокой компетенции специалистов.

Подключение одной квартиры предполагает установку газового котла, при котором специалист опломбирует оборудование и фиксирует это в журнале учета. Монтаж газовых устройств требует наличия мощной вентиляционной системы. Именно этот фактор в большинстве случаев является причиной отказов в выдаче разрешительной документации. Решить эту проблему можно с помощью отдельного дымохода, который выводится наружу с установкой фильтра. Обычная вентиляционная система в данном случае не подойдет, в нее необходимо добавить дополнительный приточный клапан.
Для квартиры используются настенные установки с двумя контурами – они обеспечивают достаточную мощность для обогрева маленького помещения и при этом служат в качестве бойлера для нагрева воды. Газовый котел оснащается открытой или закрытой камерой сгорания и не требует дополнительного монтажа газохода. Вентилятор выполняет функцию подачи и забора воздуха с улицы, а продукты сгорания устраняются через специальные трубы. Аппарат не нуждается в отдельном помещении и может быть установлен на кухне, поскольку это самое проветриваемое помещение.
Экономное использование теплоресурсов уже в течение нескольких ближайших лет эксплуатации позволяет окупить стоимость котла. Многоступенчатая система безопасности защищает оборудование от перегревания при поломках водяного насоса, при этом происходит автоматическое отключение горелки. Внешние датчики температуры с помощью внешнего управления сохраняют оптимальный уровень тепла и стабилизируют интенсивность нагрева воды.
Условия размещения настенных отопительных котлов
К помещениям, в которых будет размещаться настенный газовый или электрический котел, предъявляются определенные требования.
- Соблюдение условий обеспечивает поддержание комфортной температуры в холодное время года, а также высокий уровень безопасности во время эксплуатации.
- Комната не должна быть меньше 4 кв. м по площади, высота потолков – больше 2,5 м, а ширина входного проема – больше 80 см.
- В помещении должно быть, как минимум одно окно для естественного освещения.
- Другие газовые или электрические приборы не рекомендуется располагать около котла ближе, чем на 40 см.
- Помимо обустройства вентиляции необходимо установить слой несгораемого материала между котлом и стеной.

Важно! Индивидуальное отопление многоквартирного дома– эффективная система, но ее работа будет безрезультатной, если не снизить теплопотери, возникшие конструктивных проблем здания. Для этого необходимо заменить устаревшие оконные блоки, утеплить стены здания снаружи, а также крышу и чердачный пол.
Особенности монтажных работ
Монтаж газового котла отличается от электрического, в первую очередь, необходимостью обустройства дымохода и вентиляционной системы. В случае с электрическим оборудованием требуется только отдельное подсоединение к водоснабжению и сливу.

Оборудование необходимо устанавливать на прочную несущую стену, перед монтажом выбирается определенная высота, ставятся метки и фиксируются планки в местах будущего крепления. Рекомендуемая высота размещения от пола составляет от 1 до 1,5 м. К оборудованию прилагаются монтажные схемы и инструкции изготовителя, которые необходимо соблюдать в процессе монтажных работ. В зависимости от устанавливаемых труб используется муфтовый, резьбовой или фланцевый способ соединения. Также применяются обжимные фитинги и холодная сварка.
Автономная система отопления – это высокопроизводительный модуль многоквартирного дома, который позволяет существенно снизить расходы на оплату теплоэнергии. Котельные для целого дома и котлы для отдельных квартир предполагают проведение специальных мероприятий по обслуживанию и ремонту оборудования, однако все затраты компенсируются экономией денежных средств и ресурсов. Одна система способна полностью обеспечить нужды жильцов в качественном отоплении и своевременной подаче горячей воды.
В последнее время все чаще владельцы квартир отказываются от услуг городских теплоснабжающих организаций и обустраивают системы автономного газового отопления. Но перед тем как принимать такое решение необходимо понять, в чем преимущества и недостатки перехода на автономный режим, какие сложности при этом могут возникнуть, и каким образом можно их избежать.

Как известно, не очень просто получить разрешение теплоснабжающих организаций на установку автономного отопления в городской квартире. Попробуем разобраться, с чем это связано.
Если при строительстве многоквартирный дом был рассчитан на централизованное теплоснабжение, то установка индивидуальных котлов в определенной степени нарушает баланс системы отопления жилого дома в целом. Кроме того, профессионалы-тепловики понимают насколько опасно стихийное обустройство автономных систем отопления, которое в нашей стране очень часто проводится при отсутствии качественной проектной документации и с нарушением правил техники безопасности.
Говоря понятным языком, выгоду получают только те жильцы многоквартирного дома, которые отделяются от системы централизованного теплоснабжения. Разбалансировка системы отопления приводит к нарушению гидравлического баланса системы. Это значит, что в некоторых квартирах люди получат больше тепла, а в других жильцы будут замерзать в холодное время года. И это при том, что температура теплоносителя, подаваемого на дом, будет соответствовать нормативному значению. Как результат, тепловики будут обязаны отреагировать на жалобы жильцов и провести переналадку системы отопления дома.
Кроме этого, обустраивая систему автономного отопления, все сразу же забывают, что часть тепла от централизованной отопительной системы уходит на обогрев подъездов. А законодательная система нашей страны не предусматривает заключения отдельных договоров на отопление мест общественного пользования. Следовательно все затраты ложатся либо на жильцов, пользующих централизованным отоплением, либо на убытки теплоснабжающих организаций. Естественно теплоснабжающему предприятию более выгодно подавать тепло в многоэтажное жилое здание, чем в малоэтажный дом.Что каcается собственника квартиры, то он видит в автономном отоплении выгоду исключительно для себя, как правило, проблемы соседей сегодня никого не волнуют.
Кроме технических и экономических сложностей, возникающих при массовой установке автономных систем отопления, существует также экологическая проблема, которая, несомненно, должна интересовать каждого жителя нашей планеты.
Если выполняется реконструкция отопительных систем в старых домах, где раньше имелось печное отопление, то продукты сгорания выводятся через дымоходы на крышу здания. Но таких жилых домов осталось в наше время мало, а в домах современного типа вентиляция под автономную систему отопления не предусмотрена. Поэтому владельцы квартир, как правило, устанавливая газовый котел на кухне, предусматривают специальную дымоходную трубу, которая выводится через стену под окно. При этом редко кто задумывается, что все вредные дымовые газы, среди которых угарный газ – СО и углеродный газ – СО2, попадают в определенном количестве обратно в жилое помещение через открытую форточку или окно. При этом заметьте, что дышать вредными веществами приходится не только владельцам систем автономного отопления, но и их соседям.
Справедливости ради следует отметить, что при установке современных котлов, оснащенных камерой горения закрытого типа и коаксиальными дымоходами, количество отравляющих газов снижается практически в два раза. Но, тем не менее, факт остается фактом, поэтом до установки автономной системы отопления в многоквартирном доме следует вначале поинтересоваться, к чему может привести отравление угарным газом. Особенно неприятной может быть ситуация для жильцов, к примеру, девятого этажа, если живущие под ним соседи решат одновременно установить автономные системы отопления. Вряд ли захочется в этом случае выходить на балкон подышать «свежим» воздухом или проветривать квартиру. Со временем, особенно в холодную безветренную погоду, вокруг дома с большим количеством систем автономного отопления может образоваться «кокон» состоящий из большого количества вредных для здоровья человека газов. Все вышесказанное подтверждается экологами, и в этом можно убедиться, полистав странички в Интернете.
То, что газовые котлы безопасны при эксплуатации известно всем. Но при этом они требуют обязательного проведения регулярного профилактического обслуживания. Кроме того в связи со сложностью конструкции современных моделей важно помнить о качественной первоначальной наладке.

Одним из главных компонентов автономной системы отопления является дымоход. Продукты сгорания выпадают в нем слоем сажи, которую необходимо своевременно убирать, то есть следует чистить дымоход как минимум один раз в год. Если этого не делать, КПД котла уменьшается. Это значит, что качество сгорания газа ухудшается, что приводит к повышенному выделению СО и СО2. Причем количество вредных продуктов при несвоевременной чистке дымохода увеличивается в геометрической прогрессии.
Автоматика безопасности отключает подачу газа при понижении его давления до определенного уровня. Но если не была проведена правильная наладка опытным специалистом, датчики могут не сработать, что может привести к загазованности котла, а в некоторых случаях и помещения, что в принципе маловероятно. Следует помнить, что котел, который был выключен, может быть запущен только после предварительной продувки.
Сегодня существует большое количество специализированных организаций, которые проводят первоначальную наладку оборудования и дальнейшее обслуживание газовых котлов. Поэтому не следует ждать, когда отопительное оборудование выйдет со строя, а тем более устанавливать его самостоятельно. Для владельцев автономных систем правилом должно стать проведение регулярного технологического обслуживания установленного отопительного оборудования.
Все выше сказанное можно подытожить следующим образом. В связи с тем, что на сегодняшний день в нашей стране нет четкой законодательной базы в области оборудования квартир автономным отоплением, большой ущерб наносится системам централизованного отопления. Убытки при этом несут теплоснабжающие организации, и наносится значимый вред окружающей среде.
Плюсы и минусы с точки зрения владельца квартиры при переходе на автономное отопление квартиры.
Плюсы заключаются в следующем:
- Оплачивать приходится только израсходованное количество тепловой энергии. Поскольку, тепловые потери при транспортировке от централизованного источника составляют около 30% полученного тепла, следовательно, удается получить существенную экономию.
- Имеется возможность самостоятельно решать, когда необходимо начать отапливать квартиру, и при этом имеется возможность устанавливать требуемую температуру, что увеличивает комфортность проживания.
- Обеспечение горячего водоснабжения в течение всего года.
Минусы заключаются в следующем:
- Горячее водоснабжение и отопление всецело зависит от наличия газа. Более того при его перебоях могут возникнуть определенные проблемы при эксплуатации котла.
- В связи с тем, что газовое оборудование требует проведения регулярного профилактического обслуживания, потребуются дополнительные финансовые затраты;
- Высокой стоимости современных качественных газовых котлов с высоким КПД, которые действительно могут обеспечить безопасность при эксплуатации.
Делая выводы из всей вышеприведенной информации, можно утверждать, что жильцы малоэтажных многоквартирных домов с дымоходами, которые соответствуют существующим требованиям, могут смело устанавливать системы автономного отопления. Но в многоэтажных домах с центральным отоплением, в которых большинство жильцов пользуются централизованным отоплением лучше от автономного отопления отказаться.
Но если все же желание установить индивидуальный газовый котел непреодолимо, то следует поступить следующим образом:
- Предусмотреть возможность установки в каждой квартире индивидуального котла. Это очень сложно и затратно, потому что для этого понадобиться капитальная реконструкция жилого дома, которая будет включать:
– оборудование уличных дымоходов, которые способны выводить продукты горения выше уровня крыши.Такие дымоходы уже предусматриваются при проектировании современных жилых домов, независимо от того имеется ли централизованная система отопления.
– переделку внутридомовых газопроводов. В связи с тем, что они рассчитаны только на подачу газа для газовых кухонных плит, давления газа для отопительного котла может не хватить.
– реконструкцию системы отопления. - Установить крышную котельную. В этом случае понадобится один мощный газовый котел, который зачастую устанавливается на крыше или чердаке. Необходимо также будет выполнить реконструкцию существующий системы отопления, поставить регуляторы температуры и счетчики тепла в каждой отдельной квартире. В этом случае отопление хоть и не является автономным, но все его основные плюсы учитываются, причем сразу для всех жильцов.
Ну а тем владельцам, которые стремятся перейти на автономное отопление и не всегда прислушиваются к мнению окружающих, рекомендуется обратить внимание на современные конденсационные котлы.
Похожие новости
Комментарии (0)
Источники: http://teplospec.com/montazh-remont/avtonomnoe-otoplenie-v-mnogokvartirnom-dome-osobennosti-ustroystva.html, http://klivent.biz/otopleniye/avtonomnoe-v-mnogokvartirnom-dome-html.html, http://postroy-dom.com/vodosnabzhenie-otoplenie/219-avtonomnoe-otoplenie-kvartiry-dostoinstva-i-nedostatki.html
teplosten24.ru
плюсы и минусы установки децентрализованного теплоснабжения
Использование современных отопительных систем влечет за собой существенные затраты. Чтобы сэкономить средства, нужно выбрать наиболее подходящий способ подачи тепла. Автономное отопление в многоквартирном доме имеет достоинства и недостатки. Перед тем как их изучить, следует узнать принцип действия агрегатов, используемых для независимой подачи тепловой энергии.
Перед установкой автономного отопления, советую подробнее ознакомится с преимуществами и недостатками данной системыПлюсы и минусы автономного отопления
Автономное отопление многоэтажного дома представляет собой систему, находящуюся в отдельном помещении, где размещены котлы высокой мощности, которые обеспечивают дома не только теплом, но и горячей водой. Мини-котельная оборудована необходимыми приборами и устройствами.
В этом видео вы узнаете, как установить автономное отопление своими руками:
Ее эксплуатация имеет ряд преимуществ:
- Уменьшается расстояние от генератора до тепловых приборов, находящихся в квартирах, а это значит, что сокращается теплопотеря.
- Выбрав автономное отопление многоквартирного дома, потребитель снижает расходы на обслуживание теплосетей.
- Агрегат, нагревающий носитель тепла, располагается в непосредственной близости к потребителю.
- Для запуска центральной тепловой сети местные власти должны получить соответствующий приказ. Если в доме или квартире имеется автономная система, потребитель может включить ее в любой момент. Такие системы целесообразно устанавливать в регионах с холодным климатом.
- В квартире располагаются терморегуляторы, с помощью которых потребитель выбирает тепловой режим. При необходимости можно менять его, экономя денежные средства.
- При возведении жилого здания застройщик должен получить разрешение, позволяющее «врезаться» в тепловую магистраль. Длительность оформления документа — 1-2 месяца. Для застройщика самым оптимальным вариантом будет автономная котельная.
Автономное отопление квартиры – плюсы и минусы:
Несмотря на преимущества, система имеет и недостатки. Чтобы создать котельную для большого количества квартир, нужно выделить под неё отдельную территорию (по возможности возле дома размещают пристройку). Также следует учитывать, что агрегат загрязняет окружающую среду. Чтобы устранить такую проблему, нужно приобрести очистительные устройства.
Частное отопление пока еще имеет мало поклонников, большинство потребителей предпочитает централизованное. Из-за того, что выпуск агрегатов не поставлен на поток, стоят они очень дорого. Не каждый застройщик может себе их позволить.
Под автономное отопление можно выделить отдельную комнатуПроектировщики заявляют, что котельная компактна и ее можно установить даже на чердаке. Но если разместить агрегат в небольшом помещении, тогда оно будет отапливаться, а это дополнительный плюс. Единственное требование для установки — плоская и ровная кровля.
Автономное (индивидуальное) отопление в многоквартирном доме:
Виды децентрализованного теплоснабжения
Есть несколько видов котельных. Каждый из них требует значительных финансовых затрат на покупку. К разновидностям автономного отопления относятся:
- Блочно-модульная система отопления. Она представляет собой блоки, соединяющиеся в единую конструкцию. Блочно-модульные агрегаты размещают на заранее отведенной территории. Внешне они выглядят эстетично, имеют утеплитель. Чтобы мини-котельная работала слаженно, нужно правильно выполнить монтаж и подсоединение агрегатов. Система становится готовой к эксплуатации через 2-3 дня. Сборкой должны заниматься исключительно профессионалы. Раньше модульная котельная использовалась для обогрева бытовок и дачных домиков. Спустя годы она усовершенствовалась и стала применяться для подачи тепловой энергии в жилые дома.
- Настенные котлы. Эти устройства пользуются большей популярностью. Они удобнее в эксплуатации, экономят затраты. Настенные котлы функционируют от электричества. Важное преимущество таких устройств — компактность. Их устанавливают в помещениях разной площади. Настенный газовый котел эстетичен, он не бросается в глаза и не портит интерьер. Конструкция имеет циркулярный насос, а также дополнительные элементы, отвечающие за безопасную работу. Несмотря на компактные размеры, мощность у агрегата высокая — в среднем 20 кВт.
Котельные могут хорошо ударить по вашему кошелькуБлагодаря газовому котлу можно обогревать помещение площадью до 90 м². Устройства бывают одноконтурные и двухконтурные. При установке вторых потребитель обеспечивается горячей водой.
Автономное отопление квартиры. Какие документы необходимо оформить для отключения от теплосети:
Выбор котла и другие нюансы
Перед покупкой агрегата следует изучить его конструктивные особенности. Он должен иметь насос, бак и дымоход. Последний обеспечивает выход продуктов распада топлива, а также запускает свежий воздух.
Настенное устройство должно иметь закрытую камеру. Рекомендуется выбирать автоматический агрегат, который обеспечивает удобство в эксплуатации и позволяет сэкономить средства при покупке топлива.
Электрические котлы более удобны, чем газовые. Кроме этого, их проще монтировать.
Электрические котлы имеют ряд преимуществУстановка автономного отопления в многоквартирном доме экономит денежные средства, но все жильцы не могут одновременно перейти на нее, так как организации, поставляющие тепловую энергию, не дают на это разрешения. Несмотря на запреты, предполагается, что автономная система станет очень востребованной в будущем.
Автономное отопление – цена пользования:
‘; blockSettingArray[0][«setting_type»] = 1; blockSettingArray[0][«element»] = «h2»; blockSettingArray[0][«elementPosition»] = 1; blockSettingArray[0][«elementPlace»] = 1; blockSettingArray[4] = []; blockSettingArray[4][«minSymbols»] = 0; blockSettingArray[4][«minHeaders»] = 0; blockSettingArray[4][«text»] = ‘
‘; blockSettingArray[4][«setting_type»] = 5; blockSettingArray[8] = []; blockSettingArray[8][«minSymbols»] = 0; blockSettingArray[8][«minHeaders»] = 0; blockSettingArray[8][«text»] = ‘
‘; blockSettingArray[8][«setting_type»] = 1; blockSettingArray[8][«element»] = «h3»; blockSettingArray[8][«elementPosition»] = 1; blockSettingArray[8][«elementPlace»] = 4; blockSettingArray[9] = []; blockSettingArray[9][«minSymbols»] = 0; blockSettingArray[9][«minHeaders»] = 0; blockSettingArray[9][«text»] = ‘
‘; blockSettingArray[9][«setting_type»] = 6; blockSettingArray[9][«elementPlace»] = 90; var jsInputerLaunch = 15;
kaminguru.com
плюсы и минусы, нужно ли разрешение на установку системы в квартире
Для многих владельцев квартир вопрос обогрева в зимний период становится острой проблемой.
Как показывает опыт, централизованное отопление уже себя не оправдывает, так как, либо оборудование старое и попросту «не тянет», либо тарифы неоправданно высоки.
Можно ли делать автономное отопление в квартире? Автономное отопление квартиры в многоквартирном доме – это сегодняшняя реальность, но прежде чем принимать решение установить газовый котел или монтировать теплый пол, следует выяснить, насколько это юридически законно, и какая система будет рентабельна и надежна.
Как сделать автономное отопление в квартире читайте в статье.
Автономное отопление в многоквартирном доме
Можно ли в квартире установить автономное отопление своими руками? Хотя законодательного запрета на проведение автономного отопления нет, все равно желательно проконсультироваться у юриста, так как на некоторые обогревательные системы наложен запрет. Например, водяные теплые полы в квартирах нельзя монтировать из-за того, что они могут перегрузить систему, лишив, таким образом, тепла других жильцов дома.
В остальных случаях, требуется собрать необходимые документы и предъявить их в органы местного самоуправления:
- техпаспорт на жилье;
- заявление об отказе от центрального отопления;
- документ на право собственности;
- схему новой системы отопления;
- согласие всех жильцов квартиры.
Как правило, такая на первый взгляд простая просьба, как отказ от центрального отопления и переход на само обеспечение теплом, оказывается длительной бюрократической проблемой.
Еще большими неприятностями станет установка автономного отопления в квартире без соответствующего на то разрешения. Это может закончиться не только большим штрафом, но и судебным разбирательством, так что перед тем, как решиться обустраивать квартиру какими-либо отопительными системами, нужно получить консультацию в соответствующих органах и разрешение на автономное отопление в квартире.
Схемы автономного отопления квартиры:



Достоинства и недостатки
Если на автономное отопление в многоквартирном доме разрешение уже получено, то можно приступать к выбору альтернативного вида тепла. Это проще сделать, зная плюсы и минусы автономного отопления в квартире.
Впервые автономная система отопления квартиры появилась в Европе. Благодаря ее явным преимуществам перед централизованными способами обогрева помещений, она довольно быстро распространилась по всему миру.
Преимущества:
- Главное преимущество системы – это значительная экономия средств. Владелец квартиры самостоятельно решает, когда ему включать, а когда выключать обогрев. Например, сегодня существуют терморегуляторы, в которых можно установить таймер на определенное время, что позволяет либо полностью, либо частично отключать систему, когда дома никого нет, и включать за полчаса до прихода жильцов.
- Владелец квартиры может в каждой комнате создать нужный микроклимат.
- Платить исключительно по отопительному счетчику и не зависеть от коммунальщиков и государственных тарифов.
Делая выбор в пользу альтернативного тепла, нужно заранее узнать, сколько стоит автономное отопление в квартире, и какой его вид будет не только экономным, но и эффективным.
Среди недостатков подобной системы можно отметить следующие нюансы:
- Регулярная ее профилактическая проверка раз в год, для чего нужно вызывать специалиста. Это не так дорого стоит, но все равно многие пользователи либо игнорируют эту необходимость, либо попросту забывают о ней.
- Устанавливая даже самые лучшие радиаторы отопления для квартиры, следует помнить о возможных теплопотерях, которые часто вызывают наружные стены, неотапливаемые снизу помещения или некачественное остекление.
Сегодня многие строительные организации возводят жилые многоквартирные дома с уже готовыми автономными системами обогрева. Такое жилье пользуется большим спросом, так как стоит несколько дешевле и позволяет владельцам самостоятельно решать, какой вид отопления выбрать.
Газовое отопление
Как правило, перед собственниками квартир стоит выбор между двумя видами альтернативных источников тепла:
- Конструкции, в основе которых находится газовый котел.
- Электрические системы обогрева.
Газовое отопление обладает рядом преимуществ:
- Современные котлы оснащены повышенной системой безопасности и работают автономно, поддерживая тот уровень тепла, который необходим жильцам.
- Такие котлы имеют малые габариты, поэтому их можно устанавливать в помещениях даже небольшого размера.
- Его легко монтировать, так что при должном внимании и наличии некоторых инструментов и навыков это сможет сделать даже новичок.
- Автономное газовое отопление в квартире оснащено системой дымохода и ее не придется проводить отдельно.
- Газовые котлы работают абсолютно бесшумно, так что не станут причиной жалоб соседей.
- Доступная цена и полная укомплектованность всеми узлами и деталями делают газовое отопление наиболее частым выбором у потребителей.
Устанавливая новое отопление, старую систему нужно демонтировать. Легче и дешевле поставить новые радиаторы, чем пытаться подогнать под нее старые. Хотя современные газовые котлы имеют самую высокую степень защиты, утечка газа все же возможна.
Выбор труб, котла и радиаторов
От правильного выбора котла зависит работа всей системы.
Они бывают:
- одноконтурные;
- двухконтурные.
Например, если для подогрева воды требуется установка бойлера, то можно обойтись вариантом одноконтурного газового котла.
Делая выбор в пользу отопления газом, лучше приобрести котел из чугуна или специального прочного металла. Хотя они и тяжелые, но будут служить намного дольше.
А вот трубы для подобной системы отопления подойдут полипропиленовые или металлопластиковые, как бюджетный вариант, и медные, если кошелек это позволяет.
С радиаторами так же придется определяться заранее. Сегодня большую популярность у потребителей получили биметаллические радиаторы отопления.
Какие лучше для квартиры на самом деле, можно определить по количеству их теплоотдачи, например:
- батареи из чугуна отдают 110 Вт;
- алюминиевые – 199 Вт тепла;
- стальные до 85 Вт;
- биметаллические – 199 Вт.
Перед покупкой радиаторов, необходимо заранее просчитать, сколько секций потребуется на каждое помещение. Для этого теплоотдачу материала нужно разделить на 100. Например, для биметаллического радиатора она составляет 199 Вт/100, что равняется 1.99 Вт на 1м2.
Существует несколько нюансов, которые следует учесть при выборе радиаторов и расчете их количества:
Если установка батарей предполагается в угловой комнате, то к тем результатам, что получились при расчетах, нужно добавить 2-3 секции.- Когда устанавливаются декоративные панели, скрывающие за собой батареи, то теплоотдача уменьшается на 15%, что следует учесть перед расчетами.
- Утепленные стены или металлопластиковые окна способны уменьшить теплопотери.
- Установка счетчика позволит самостоятельно регулировать потребление газа.
Сделав все расчеты и добавив к ним стоимость самой автономной газовой системы отопления, можно принимать решение об ее покупке, а можно сравнить эти цифры с электрическими видами отопления.
Электрическое отопление
Если выбирать в качестве источника тепла электричество, то можно остановить свой выбор:
- на электро котле;
- системе кабельного теплого пола;
- на инфракрасном пленочном поле;
- на тепловом насосе.
Электрический котел монтируется так же, как и газовый, но все упрощается тем, что ему не требуется дымоход и система вентиляции.
Теплые полы, особенно нагревательные маты и пленочные системы, уже давно покорили сердца многих потребителей. Они являются достойной альтернативой централизованному отоплению, а при качественном терморегуляторе способны значительно экономить средства при их эксплуатации.
В основе работы тепловых насосов находится закачка воздуха с улицы и его нагрев. Современные кондиционеры так же способны обеспечить необходимым количеством тепла все помещения в квартире, но, как указывают отзывы потребителей, по-настоящему комфортные условия позволяют создать именно теплые полы.
netholodu.com
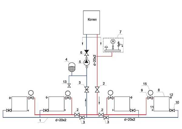
Система автономного отопления многоквартирного дома, схема и проектирование
В нашей стране вопрос качественного отопления в квартирах является достаточно важным – ведь преимущественное количество жителей проживает именно в многоэтажках. И, увы, состояние тепловой сети даже в новопостроенных домах крайне редко может обеспечить качественный обогрев каждой квартиры в холодное время года. Поэтому неудивительно, что в последнее время многие владельцы квартир стали искать альтернативный вариант отопления. И чаще всего останавливают свой выбор на таком варианте, как система автономного отопления дома.

Котельная многоквартирного дома
Преимущества автономных систем
Система автономного отопления дома появилась впервые в Европе. Однако, имея весомый рад преимуществ, она довольно быстро распространилась по всему миру. На сегодняшний день в большинстве стран жители предпочитают пользоваться именно индивидуальными системами для обогрева своих квартир. И не зря, поскольку данный метод имеет рад преимуществ перед централизованной системой:
Рекомендуем к прочтению:
- доступная стоимость. Именно это достоинство системы нередко становится решающим при отказе от централизованной системы. Дело в том, что даже с учетом того, что предстоит оплачивать количество газа, используемого для обогрева, вы будете платить значительно меньшие суммы за коммунальные услуги. Помимо этого, в отличие от централизованной системы, автономным отоплением вы сможете пользоваться в том случае, когда оно необходимо. То есть, при необходимости можно скорректировать интенсивность нагрева, а в случае отъезда – просто на время отключить его вовсе. Это значительно экономит средства. Кроме того, вы не будете испытывать неудобства, которое возникает при поломке одного из отопительных элементов стояка централизованной системы – ведь в таком случае без отопления остается сразу несколько квартир.
Кроме того, стоимость новостройки с автономным отоплением значительно ниже. Ведь планирование и монтаж централизованной системы требует от застройщика значительного капиталовложения, что существенно поднимает и цену самого жилья.
- увеличение жилого фонда. Нередки ситуации, когда постройка многоквартирного дома является невозможной по простой причине – в районе строительства отсутствует возможность подключения к центральной тепломагистрали города. А это значит, что единственным вариантом для поддержания тепла в каждой квартире является использование систем автономного отопления. Следует отметить, что в последнее время домов именно с такой отопительной системой появляется все больше. Во многих городах России (Санкт-Петербург, Калининград, Екатеринбург, Брянск и пр.) многоквартирные дома с автономными системами отопления сдавались в эксплуатацию еще в 1999 году. И с того времени количество многоэтажек с индивидуальным отоплением каждой квартиры стремительно увеличивается.

Схема теплоснабжения многоэтажного дома
- экономия природных ресурсов. При постепенном отказе от централизованного отопления пользователи, тем самым, в значительной мере помогают экономить огромное количество ресурсов, которые ранее требовалось потратить на обогрев дома. Кроме того, при индивидуальном отоплении появляется возможность самостоятельно корректировать уровень нагрева. Но и в таком случае нагревательный котел достаточно часто отключается пользователем – то есть, происходит дополнительная экономия природного газа.
- повышение качества отопления. На самом деле, те, кто перешел от централизованной системы отопления на автономное отопление в многоквартирном доме, отмечают значительное улучшение уровня обогрева. Довольно часто это связано с тем, что в централизованной системе постоянно происходит утечка тепла. Кроме того, автономное отопление жилого дома, расположенное в одной квартире, значительно меньше требует средств и времени на профилактику.

Принципиальная схема отопления многоэтажки
Еще одним достоинством автономного отопления можно назвать и то, что система позволяет также постоянно нагревать воду. То есть, в использовании столь ресурсоемких бойлеров просто отпадает необходимость.
Недостатки автономного отопления
Как и любая другая система отопления, индивидуальная также имеет свои недостатки. Наиболее серьезными можно назвать:
Рекомендуем к прочтению:
- халатность пользователей. Любая система в доме, будь то отопительная или канализационная, требует периодического профилактического осмотра и обслуживания. И нередко причиной значительного снижения эффективности работы системы является как раз продолжительное отсутствие сервисного ремонта.Как правило, осмотр системы специалистом должен производиться минимум раз в год. Но многие пользователи просто забывают об этом, или же попросту не хотят лишний раз тратить средства. На самом же деле, профилактический осмотр системы, проводимый специалистом, стоит недорого, зато сможет в дальнейшем избавить вас от крупной поломки.
- необходимость создания качественной вентиляционной системы и отрицательное воздействие на окружающую среду. Следует отметить, что на сегодняшний день проблема является менее актуальной, нежели 10 лет назад. Проекты и правила создания вентиляционных систем утверждены законодательно, да и при планировании дома этому вопросу уделяется довольно большое внимание.

Система вентиляции многоквартирного дома
- снижение эффективности работы системы из-за неотапливаемых соседних помещений. К сожалению, данная проблема весьма актуальна. Особенно она затрагивает тех, кто, приобретя квартиру с индивидуальным отоплением в новом доме, не имеет соседей. В пустующих квартирах по причине отсутствия жильцов автономное отопление домов не работает. То есть – общие стены всегда остаются холодными. В результате, это в значительной мере снижает уровень отопления в заселенных квартирах. Впрочем, многие владельцы многоквартирных домов смогли решить и эту проблему. В каждой отдельной квартире устанавливается современная отопительная система, которая позволяет автоматически поддерживать минимальный уровень отопления, не требуя при этом постоянного контроля.
С каждым годом в эксплуатацию сдается все больше домов, в которых каждая отдельная квартира имеет собственную систему отопления. Системы регулярно модернизируются, что делает их внедрение и использование максимально эффективным и все более доступным.
otoplenie-doma.org
Автономное отопление и котельная в многоквартирном многоэтажном жилом доме
С каждым годом стоимость коммунальных услуг, будь то электроэнергия или горячее водоснабжение, стремительно растет. Увы, это происходит как по причине обычной инфляции и удорожании энергоносителей, так и из-за банальной жадности поставщиков услуг. Именно поэтому сегодня все больше и больше людей ищут альтернативу, позволяющую снизить поборы, которые, судя по всему, через несколько лет станут просто неподъемными.
Автономная котельная в многоквартирном домеИ многие люди находят решение этой проблемы. Одна котельная на многоквартирный дом способна полностью удовлетворить потребности всех жильцов, обеспечивая им качественное отопление, а также подачу нужного количества горячей воды. Однако установка собственной автономной котельной — это крайне серьезное решение, которое нельзя принимать, не обдумав все и не взвесив сто раз все «за» и «против». А для этого следует знать как о плюсах, так и о минусах данного решения.
Вернуться к оглавлениюСодержание материала
Достоинства и недостатки автономной котельной
Итак, вы раздумываете над возможностью установки собственной котельной, которая бы обогревала весь многоквартирный дом и подавала горячую воду в каждую из квартир. О каких достоинствах и недостатках вам следует знать, чтобы принять верное решение, которое не заставит вас раскаиваться в будущем?
Схема отопительной системы в многоквартирном домеДля начала стоит рассказать о недостатках, так как их значительно меньше.
- Высокая изначальная стоимость проекта – закупка самого оборудования, его монтаж и подведение коммуникаций к каждой из квартир. Да, изначально каждому из владельцев квартиры в доме придется вложить немалую сумму, чтобы коллектив жильцов смог совершить столь дорогостоящую покупку. Многие из владельцев могут просто отказаться от столь значимой траты, хоть и разовой.
- Необходимость поддержания всей системы в рабочем положении. Если при подключении к теплоцентрали все обязанности по обслуживанию оборудования ложатся на плечи специалистов компании, предоставляющей услуги, то теперь при любой поломке решать проблему придется своими силами. А значит, нужно будет нанимать специалистов, которые будут проводить регулярный осмотр техники, а при выявлении поломок – чинить их. Это может доставить лишние хлопоты и финансовые затраты.

На этом основные недостатки автономной котельной исчерпываются. Конечно, они весьма значимы, из-за чего сегодня далеко не в каждом доме установлена мини-котельная. Но все же количество таких мини котельных стремительно растет. Почему? Из-за приведенных ниже достоинств автономного отопления.
- Полная независимость от городских монополистов в ЖКХ. Всем прекрасно известно, что в каждом городе существует всего одна компания, предоставляющая услуги по отоплению и подаче горячей воды в жилые многоквартирные дома. И они могут практически неконтролируемо повышать стоимость своих услуг. Если же вы устанавливаете собственную котельную, то у монополистов больше не будет рычагов давления на вас.
- Сведение теплопотерь к минимуму. Как показывает практика, проходя через многокилометровые теплотрассы, теплоноситель (горячая вода) теряет до 30% полученного тепла (в зависимости от удаленности от городской котельной).
Пример теплопотерь в многоквартирном домеА за это тепло вынуждены платить также конечные потребители. В автономных же отопительных системах теплопотери измеряются долями процентов. Так что уже за счет этого оплата снижается на треть.
- Котельная, отапливающая один дом, а не тысячи, легко настраивается. Если в квартирах становится слишком жарко, можно легко уменьшить расход топлива, а в морозные дни – увеличить. Благодаря этому температура в помещениях всегда будет оптимальной, устраивающей каждого из обитателей. Не придется проветривать помещения, снижая температуру и вместе с тем выпуская на улицу тепло, за которое заплачены немалые деньги. Но в то же время не придется пользоваться дополнительными источниками тепла (электрическими нагревателями), чтобы поддерживать достаточно высокую температуру в квартире.

- Чтобы котельная многоквартирного жилого дома содержалась в идеальном порядке, достаточно нанять одного диспетчера, следящего за показаниями всех приборов, а также одного-двух приходящих наладчиков, которые задействуются только при обнаружении поломок. Если же ваш дом подключен к городской теплотрассе, вам придется оплачивать услуги не только десятков (или даже сотен) рядовых монтажников, но и сотен бухгалтеров, директоров, их заместителей, секретарей, водителей и многих других. На этом также экономятся немалые деньги.
- В большинстве случаев отопление домов, подключенных к городской теплоцентрали, начинается с 15 октября и заканчивается к 15 апреля. И даже если осень и весна выдаются необычно холодными или теплыми для данной местности, сменять даты начала и конца отопительного сезона никто не будет.
Поэтому в межсезонье в квартирах нередко бывает слишком жарко или слишком холодно. Наличие автономной котельной позволяет включать и отключать отопление именно тогда, когда это необходимо. Чаще всего такие решения принимаются советом жильцов дома. Конечно, это позволяет не только сократить расходы на отопление, но и поддерживать оптимальную температуру в помещениях, независимо от температуры за стенами дома.
Какой же вывод можно сделать из всего вышесказанного?
Автономная котельная нуждается в большем внимании и постоянном уходе со стороны жильцов или специально нанятых специалистов.
Зато она позволяет ежемесячно экономить немалые деньги. Поэтому все первоначальные затраты довольно быстро будут компенсированы, и совсем скоро вы заметите, что у вас появились свободные деньги, которые раньше уходили на оплату счетов за коммунальные услуги.
Вернуться к оглавлениюГде должна быть расположена котельная
Очень серьезным вопросом является правильное расположение котельной. Чаще всего в многоквартирных домах котельные устанавливают либо на крыше, либо в подвале. Проекты частных домов с котельной предусматривают наличие последней только в подвале или цокольном этаже.
Правда, иногда также можно увидеть котельные, расположенные в небольших постройках, стоящих в нескольких десятках метров от дома. Это может стать удачным решением: нет необходимости поднимать и монтировать оборудование на крыше здания, но в то же время не создается угрозы взрыва из-за утечки топлива и его скопления в подвале здания.
Но все же этот способ не слишком популярен: необходимость дополнительной постройки, заливки фундамента и проведения большого объема земельных работ отпугивает многих потенциальных владельцев автономных отопительных котлов. Поэтому обычно рассматривается только два варианта – котел на крыше и в подвале. И о них стоит рассказать чуть подробнее.
Так выглядит котельная на крышеВернуться к оглавлениюЧем хороша котельная в подвале
Монтаж котельной в подвале обычно доставляет значительно меньше хлопот и проблем: не нужно поднимать оборудование, весящее много центнеров, на крышу пятиэтажного (или более высокого) здания. Кроме того, не нужно проводить ряд сложных расчетов, позволяющих определить, выдержит ли крыша дополнительную нагрузку, а если нет, то насколько и как лучше укрепить несущие конструкции.
Однако есть и определенные ограничения: котельная в подвале не должна работать на взрывоопасном топливе.
Поэтому газовые и дизельные котлы нельзя устанавливать в подвале. Дело в том, что возгорание и взрыв резервуаров с топливом в подвале здания ставит под угрозу целостность всего многоквартирного дома, а также жизнь и здоровье жильцов. В подвале можно устанавливать только твердотопливные и электрические котельные.
Пример котельной в подвале домаПоследняя неудобна из-за высокой стоимости электроэнергии: расходы на содержание электрического отопительного котла практически невозможно окупить. Твердотопливные сложны в обслуживании: топливо (дрова, кокс, уголь, торф) необходимо загружать вручную, от 2 до 4 раз в сутки.
Также стоит отметить, что при установке котельной в подвале серьезные проблемы могут возникнуть при монтаже и установке дымохода. Его верхняя точка должна быть выше, чем дом, в подвале которого установлена котельная, а также выше домов, находящихся поблизости. Хотя некоторые современные проекты многоквартирных домов эту проблему учитывают.
Вернуться к оглавлениюПочему крышные котельные более популярны
По приведенным выше причинам большей популярностью пользуются крышные котельные для многоквартирных домов. Здесь нет никаких ограничений по виду используемого топлива. Поэтому в большинстве случаев на крышах можно увидеть газовые котлы – экономичные, эффективные, удобные в эксплуатации.
Схема работы крышной котельнойСерьезный плюс: нет нужды ломать голову над обеспечением достаточной вентиляции, необходимой для каждого помещения котельной. Сложностей при расчете и монтаже дымоотводов обычно также не возникает.
Использование газа в качестве основного энергоносителя значительно облегчает процесс эксплуатации. Установка специализированного дополнительного оборудования позволяет запускать отопительный котел автоматически, как только температура в помещениях достигнет установленного минимума. Как только температура повысится до должного уровня, котел сразу отключится, благодаря чему экономится большое количество топлива и, соответственно, деньги владельцев квартир.

Другими словами, необходимость в постоянном присутствии диспетчера становится ненужным: весь процесс работы отопительного котла становится автоматизированным.
Современные газовые котельные максимально просты в эксплуатации.
Поэтому не обязательно быть дипломированным инженером, чтобы разобраться в его устройстве. Включить или отключить котел, а также повысить или понизить его мощность может любой из жильцов дома.
Вернуться к оглавлениюКак подобрать оборудование для котельной
Люди, хотя бы раз в жизни сталкивающиеся с подбором и покупкой оборудования для отопления, прекрасно знают, насколько обширный и сложный комплекс представляет собой отопительный котел. Так что если вам нужна котельная на крыше многоэтажного дома, лучше будет обратиться к специалистам.
Опытные инженеры смогут провести все необходимые расчеты. При этом учитывается средняя зимняя температура, а также минимумы по месяцам, интенсивность и направление ветра, утепление квартир, материал и толщина стен, вид используемого топлива и многое другое. В результате они подберут котел подходящей мощности, а также соответствующее оборудование, чтобы в каждой из квартир было тепло и уютно круглый год.proekt-sam.ru
Что такое автономное отопление в многоквартирном доме
Автономное отопление в многоквартирном доме: особенности устройства
Отопление дома можно организовать различными способами, которых на рынке несчетное количество. Однако потребитель вполне резонно ищет вариант, который поможет сэкономить денег и энергоноситель, но что же выбрать? Самое большое количество положительных качеств сочетается в автономном отоплении жилья, сулящее, наверное, главное для современного человека – независимость от обстоятельств.
Что дает установка автономной системы?
Главное достижение автономных аппаратов отопления – повышение уровня комфорта, так как с помощью агрегатов можно контролировать тепло в доме, а значит, больше не придется открывать окно только для того, чтобы немного сбавить жару от перегретых батарей. Может быть наоборот, что отопление так плохо работает, что приходится дополнительно изолировать помещение, перекрывая доступ свежему воздуху и подключая дополнительные системы.

Автономное отопление в многоквартирном доме позволяет сэкономить, обеспечив финансовый комфорт. Кроме того, ее можно включить, когда хочется владельцу квартиры, а не коммунальным службам, ведь даже летом могут быть промозглые дни, а управляющая компания не будет включать стояки ради 2-3 дней. А ведь еще случаются ремонты труб в самый неподходящий момент, обязательно зимой, потому дом размораживается, а его обитатели начинают массово простывать.
Персональная отопительная система поможет не только избавиться от постоянных проблем с компанией поставщиком тепла и гигантских счетов, но и позволит поддерживать нужную температуру в квартире в течение всего года, даже во время планового отключения отопления и горячей воды.
Котлы для автономии
Для того, чтобы подключить автономное отопление в многоквартирном доме обязательно потребуется двухконтурный котел. Его отличием от аналогов является наличие закрытой камеры сгорания. Для него не придется монтировать специфический газонепроницаемый газоход, так как аппарат применяет вентиляционную систему, которая пропускает через машину уличный воздух и выводит продукты сгорания в специально отведенную трубку.

Двухконтурные котлы производители смогли отладить так, что излишки потребления попросту невозможны, а аппараты очень надежны и сбои случаются очень редко. Кроме того, подача газа в аппарат происходит только в тот момент, когда датчики в квартире просигнализируют о понижении температуры. В это мгновенье сразу включается насос, качающий воду и разгоняющий нагревшуюся жидкость по трубам помещения (прочитайте: «Подбор насоса системы отопления: важные нюансы «).
Очистка камеры сгорания происходит через вентиляционную систему, после чего запускается искра и цикл продолжается, а тепло поступает в квартиру.
Преимущества автономных систем
Автономное теплоснабжение многоквартирного дома несет множество плюсов его обладателям:
- Теплоснабжение многоквартирного дома почти полностью автоматизировано, потому можно задать определенный режим температуры и он будет соблюдаться аппаратом. Кроме того, можно будет поставить минимальные температурные параметры в случае отъезда, так что излишки тепла не будут уходить в пустоту.
- Автономность позволяет зависеть только от себя, потому постоянные прорывы труб у коммунальных компаний больше не будут выключать отопление. В то время как многие будут ждать момента возврата отопления, владелец автономного отопления в квартире может спокойно греться в своих апартаментах.
- Аппараты проходят техническую проверку, потому поломки происходят крайне редко и можно полноценно положиться на отопительную систему и не бояться отключения подачи тепла в самый неподходящий момент.

Оформление документов и его трудности
Если обычно в роли катализатора всех проблем выступает денежная сумма за услугу, то в случае автономного отопления это сбор всех необходимых подтверждений и разрешений на монтаж.
Кроме того, разрешения можно и не получить вовсе, так как чиновники очень неохотно идут навстречу и могут просто застопорить вопрос, особенно если квартира в доме является единственной, претендующей на отопительную независимость. Если случается отказ, то необходимо обязательно созвать комиссию, которая при поддержке независимых экспертов должна будет обосновать решение коммунальщиков и вынести финальный вердикт.
С другой стороны, если дом не является многоквартирным, а собственным, то проблем становится на порядок меньше. Это связано с тем, что можно будет просто обратиться в монтажную компанию, которая займется решением всех проблем: от получения необходимых документов до монтажа котла.
Планировка будущей системы
После того, как финальное решение вынесено и сделан выбор в пользу автономности, стоит обратиться к специалисту, который поможет с решением ряда важных вопросов:
- Как лучше расположить котел в помещении
- Каковы должны быть его габариты
- Какая будет нагрузка на систему индивидуального отопления в многоквартирном доме
- Сколько топлива будет потреблять система
- Какое количество воды будет уходить на обслуживание

Только решив все эти вопросы, стоит идти в кабинеты чиновников за подписями на разрешение строительства, иначе очень вероятен процесс отказа в первом же кабинете.
Сама автономная система будет состоять из следующих элементов:
- Нескольких конвекторов;
- Радиаторов;
- Насосов циркуляции;
- Труб;
- Котла отопления.
Кроме того, каждый аппарат отличается по принципу выдачи тепла, который может быть в виде:

По принципу теплоотдачи бывает два типа систем: конвективные и лучистые.
Если рассматривать их с позиции циркуляции, то выделяются:
- Аппараты с механической циркуляцией, которая запускается насосом;
- Приборы с естественной или гравитационной циркуляцией, работающие на принципе разной плотности переносчика тепла.
Паровое отопление также дробится на две различных системы нагрева:
- Замкнутую, имеющую самостоятельный возврат конденсата в котел;
- Разомкнутую, имеющую возврат конденсата в котел с помощью насоса (прочитайте также: «Схема парового отопления — разбираемся в принципе работы и устройстве системы «).
Для замкнутой системы отопления потребуется выбрать тип монтируемого оборудования и лишь затем подбирать системы автоматизации, трубопровод, котел нагрева и радиаторы. Это обусловлено тем, что каждое устройство имеет свои особенности, потому не каждый условный радиатор ему подойдет.
Что касается автоматики для системы отопления. то стоит отнестись к ее приобретению максимально ответственно, так как именно она обеспечит минимальное потребление энергии вкупе с максимальной отдачей тепла. Кроме того, только хорошее оборудование способно работать без сбоев и обеспечивать нужную температуру в течение больших временных промежутков.
Автономное отопление многоквартирного дома можно оборудовать инфракрасными системами, которые устанавливаются везде без каких-либо проблем, а главное – не требуют специальных разрешений.

Полезные функции автоматизированной автономной системы
Почти каждая система автономного отопления снабжена рядом функций, значительно упрощающих жизнь ее владельцев:
- Автоматизированные системы могут различать резкие изменения температурного режима снаружи, настраивая внутренний климат помещения нужным образом. Благодаря этому, даже в отсутствие хозяев жилища, температура не упадет, и котел вовремя начнет нагревать воду.
- Если температура повышается снаружи, то система снизит потребление энергии, сохранив прежнюю температуру в помещении.
- Автоматические системы способны снижать работоспособность днем и ночью, но при этом нагнетают тепло вечером и утром, когда это особенно необходимо. Благодаря этому создается приятный температурный режим в помещении, а топливо не расходуется излишне.
- Систему можно оснастить датчиком температуры в комнате. Для этого происходит его монтаж в помещениях, не совмещенных с котельной. Если происходит изменение температуры, то система отопления запускается и регулирует температуру в нужную сторону.
Подбор топлива и котла
Для автоматической системы отопления чаще всего применяется газ, так как это один из самых дешевых природных ресурсов. Кроме того, многие котлы проектируются именно под него и имеют возможность размещения, как на полу, так и на стене.
Что касается самого котла, то здесь ключевой выбор заключается между чугунным или стальным оборудованием.
Стальные котлы подвержены коррозии, а потому не столь долговечны как модели из чугуна. С другой стороны, монтировать стальной агрегат гораздо проще, чем чугунный, из-за веса прибора. Кроме того, стальной котел гораздо проще повесить на стену, именно потому большинство подобных моделей делается из данного материала.
Как рассчитать стоимость автономного отопления, смотрите пример на видео:
Особенности настенных котлов
Данные модели котлов набирают все большую популярность, так как позволяют сэкономить пространство, ведь они не занимают место на полу, а их небольшой размер позволяет помещать их где угодно. В то же время, небольшой размер не должен смущать, ведь настенный котел является почти полноценной котельной, которой по плечу обогреть довольно большое жилое помещение.
В состав стандартного настенного котла входят:
- Прибор управления котлом либо горелка;
- Расширительный бак;
- Циркуляционный насос;
- Устройства, поддерживающие безопасность эксплуатации;
- Системы автоматизации, барометр и термометр.
Висящие на стене газовые котлы готовы пережить любой перепад давления без потери качества обогрева. Кроме того, в некоторых приборах устанавливается плавная регулировка горелки, что позволяет предотвратить образование накипи в трубопроводе и обеспечить большую долговечность системы.

Автономность сулит множество плюсов:
- Независимость от желаний и стремлений коммунальщиков отключить тепло в самый холодный момент года или летом, когда тоже надо мыться;
- Возможность полностью регулировать количество потребляемой энергии;
- Отсутствие тепловых потерь;
- Повышение комфорта жилища;
- Понижение стоимости горячей воды.
Подключение автономной системы существенно облегчает жизнь, так как многие вопросы будет решать техника. Современные технологии позволяют говорить о надежности аппаратов, так что замена централизованного отопления пройдет не только безболезненно, но и на положительном эмоциональном фоне, так что можно сделать отличное семейное фото: до и после установки автоматической системы.
Подведение итогов
Резюмируя все вышесказанное, необходимо отметить, что автономная система отопления необходима в любом помещении. Однако стоит уделить максимум внимания монтажу, так как малейшие отклонения могут привести к потерям ресурсов и денег на переделку. Именно поэтому лучше позволить профессиональным сертифицированным компаниям проводить установку котла и всей системы, так как они могут дать гарантию на несколько лет, и в случае необходимости все недостатки системы можно будет исправить бесплатно.
Таким образом, даже если имеется уверенность в собственных силах, но нет большого опыта работы сантехником или слесарем, то лучше не монтировать отопительную систему, так как схемы проведения труб и подключение котла очень замысловатое. У работы множество тонкостей, потому лучше не рисковать, ведь от качества монтажа будет зависеть комфорт и климат помещения, а это слишком высокая цена за небольшие оплошности и небольшую сэкономленную сумму.

Среди главных проблем, которые могут постигнуть – возникновение протечек, заморозка теплоносителя, возгорание котла. Эти неприятности будет трудно и муторно устранять, кроме того, это съест те деньги, которые могли бы пойти на работу профессионалов своего дела, так что большой финансовой выгоды получить едва ли выйдет.
Таким образом, подключение автономной системы позволит значительно повысить качество и комфорт жилья. Кроме того, независимость от коммунальных служб позволит сохранить время, деньги и нервы, так как не придется каждый раз идти разбираться в их офисы из-зав очередной раз неверно насчитанного счета. Более того, не придется оплачивать счета за те месяцы, когда тепла в квартирах еще нет, как это часто происходит в октябре и мае, а ведь выставляемая сумма ничуть не отличается от январской! Иными словами, установка автономной системы отопления – решение большинства коммунальных проблем.
Оставляйте отзывы:
Как сделать автономное отопление в многоквартирном доме
Экономия средств и энергоресурсов во многом зависит от способа подачи энергоносителя в квартиры. Вопрос выбора системы считается одним из актуальных для собственников современных квартир. Обусловлено это стремительно растущими ценами на топливо, значительными теплопотерями, неэффективным расходованием теплоэнергии и нестабильным графиком подачи тепла. Большинство этих проблем позволяет решить автономное отопление в многоквартирном доме.

Самым оптимальным решением считается отопление с присоединением к центральному газопроводу или электрической сети. Для квартир целесообразно применять котлы настенного типа, которые также подразделяются на газовые и электрические.
Преимущества автономной системы
При децентрализованном отоплении качество услуг зависит не от внешних условий, а от мощности используемого оборудования, которое позволяет получать комфортную температуру в любое время года. По сравнению с централизованной системой индивидуальное отопление имеет ряд преимуществ:
- Снижение расходов на оплату теплоэнергии. Автономным оборудованием можно пользоваться в случае необходимости, самостоятельно регулируя показатели нагрева. В случае отъезда систему можно вовсе отключить, что существенно сэкономит средства.
- Повышение качества услуги. Каждый, кто решил перевести жилье на автономное отопление, отмечают повышение качества обогрева. Это связано с отсутствием утечек тепла, которые нередко возникают в централизованной системе. Кроме того, установленный элемент теплоснабжения находится в непосредственной близости от квартиры, что сокращает сроки подачи ресурсов, уменьшает затраты на содержание, сервис и ремонт сетей.
- Независимость от общего городского трафика и начала отопительного сезона, а также аварий на трассе, проблем с работой коммунальных служб и других факторов.
- Экономия природных ресурсов, которая достигается благодаря рациональному расходованию энергии.
Недостатки автономных систем отопления
- Необходимость ремонта. Любая отопительная требует регулярных проверок и обслуживания. Эффективность работы оборудования может снижаться по причине длительного отсутствия ремонта, который должен который должен осуществляться ежегодно. Некоторые собственники часто забывают об этом или избегают расходов, что нередко приводит к серьезным поломкам.
- Снижение эффективности оборудования из-за отсутствия отопления в соседних квартирах. Такая проблема актуальна для новых многоквартирных домов, где большое количество квартир длительное время пустуют. Общие стены с соседскими пустыми помещениями остаются холодными, что снижает уровень обогрева в заселенных квартирах. Владельцы решают эту проблему установкой современных отопительных систем в каждой квартире, оборудование обеспечивает автоматическое поддержание минимального уровня тепла без постоянного контроля.
- Перевод на автономное отопление требует получения разрешительных документов на монтаж выбранного оборудования.
Существенные сложности может вызвать и выбор места для отдельной котельной, чаще всего систему приходится устанавливать во дворе многоэтажного дома. Для газовой котельной потребуется сделать вспомогательный блок для удаления отработанных газов.
Для организации децентрализованного отопления для целого многоквартирного дома необходима установка котельной. Самый оптимальный вариант в данном случае – использование отдельного помещения на небольшом расстоянии от дома. Также встречаются проекты, которые предполагают размещение в подвальных помещениях или на чердаке. В таких системах объединяются несколько массивных котлов, объединенных с коллекторами и нагревателями, при этом часто используются несколько нагревательных контуров.

Полноценная отдельностоящая котельная – дорогостоящая система, которая окупается через длительный срок. Популярной альтернативой выступает модульная или блочная конструкция. Для такой котельной выделяется отдельная небольшая площадка, на которой устанавливаются блоки и соединяются в единую систему. Все элементы комплектуются в заводских условиях, каждое устройство подобрано в соответствии с техническими параметрами.
Самое главное – правильно соединить все блоки, выполнить пусконаладочные работы и ввести систему в эксплуатацию.
Особенности настенного оборудования

Настенные газовые и электрические котлы – самое популярное и эффективное решение для автономного отопления. Целесообразность использования таких установок обусловлена следующими факторами:
- Благодаря компактным размерам оборудование можно устанавливать даже в малогабаритных кухнях, при этом их внешний вид не нарушает целостность интерьера.
- По своей конструкции котел представляет собой мини-котельную, он состоит из циркулярного насоса, расширительного бака и датчиков, которые обеспечивают максимальную безопасность в использовании.
- Современное оборудование рассчитано на высокую мощность для 35 кВт, которой достаточно для обогрева 100 кв.м.
- Выбор представлен одноконтурными и двухконтурными котлами. Последний вариант служит еще и для нагрева воды.
Электрические системы отопления
На сегодняшний день электрическое оборудование для децентрализованного отопления считается самым экономным. В работе таких устройств, как правило, используется принцип поляризации воды под воздействием переменного тока.
Подключение одной квартиры предполагает простую автономную систему с монтажом электрокотла с анодным принципом действия. Использование двухконтурных систем предполагает возможность обустройства теплых полов через отдельный контур. Для малогабаритных помещений оптимальным вариантом станут специальные батареи с индивидуальным отоплением, которые позволяют самостоятельно регулировать показатели тепла.

Более сложный процесс – перевод всего жилого дома на автономную электрическую систему. Для этого первоначально следует решить вопросы с подстанцией, рассчитать предполагаемые нагрузки на электросеть в соответствии с мощностью трансформатора. При необходимости следует сделать замену распределительных устройств. Это мероприятие должно быть согласовано с энергетической компанией.
Важно! Большинство старых систем и электропроводок не смогут справляться с высокими нагрузками. Поэтому в переведенном на автономное отопление доме рекомендуется заменить лампы накаливания светодиодными источниками, а также и сократить другие расходы электроэнергии.
Газовое оборудование
Монтировать газовое оборудование для децентрализованных систем отопления достаточно трудно, поскольку установка требует заранее подготовленного технического проекта, допусков и высокой компетенции специалистов.

Подключение одной квартиры предполагает установку газового котла, при котором специалист опломбирует оборудование и фиксирует это в журнале учета. Монтаж газовых устройств требует наличия мощной вентиляционной системы. Именно этот фактор в большинстве случаев является причиной отказов в выдаче разрешительной документации. Решить эту проблему можно с помощью отдельного дымохода, который выводится наружу с установкой фильтра. Обычная вентиляционная система в данном случае не подойдет, в нее необходимо добавить дополнительный приточный клапан.
Для квартиры используются настенные установки с двумя контурами – они обеспечивают достаточную мощность для обогрева маленького помещения и при этом служат в качестве бойлера для нагрева воды. Газовый котел оснащается открытой или закрытой камерой сгорания и не требует дополнительного монтажа газохода. Вентилятор выполняет функцию подачи и забора воздуха с улицы, а продукты сгорания устраняются через специальные трубы. Аппарат не нуждается в отдельном помещении и может быть установлен на кухне, поскольку это самое проветриваемое помещение.
Экономное использование теплоресурсов уже в течение нескольких ближайших лет эксплуатации позволяет окупить стоимость котла. Многоступенчатая система безопасности защищает оборудование от перегревания при поломках водяного насоса, при этом происходит автоматическое отключение горелки. Внешние датчики температуры с помощью внешнего управления сохраняют оптимальный уровень тепла и стабилизируют интенсивность нагрева воды.
Условия размещения настенных отопительных котлов
К помещениям, в которых будет размещаться настенный газовый или электрический котел, предъявляются определенные требования.
- Соблюдение условий обеспечивает поддержание комфортной температуры в холодное время года, а также высокий уровень безопасности во время эксплуатации.
- Комната не должна быть меньше 4 кв. м по площади, высота потолков – больше 2,5 м, а ширина входного проема – больше 80 см.
- В помещении должно быть, как минимум одно окно для естественного освещения.
- Другие газовые или электрические приборы не рекомендуется располагать около котла ближе, чем на 40 см.
- Помимо обустройства вентиляции необходимо установить слой несгораемого материала между котлом и стеной.

Важно! Индивидуальное отопление многоквартирного дома– эффективная система, но ее работа будет безрезультатной, если не снизить теплопотери, возникшие конструктивных проблем здания. Для этого необходимо заменить устаревшие оконные блоки, утеплить стены здания снаружи, а также крышу и чердачный пол.
Особенности монтажных работ
Монтаж газового котла отличается от электрического, в первую очередь, необходимостью обустройства дымохода и вентиляционной системы. В случае с электрическим оборудованием требуется только отдельное подсоединение к водоснабжению и сливу.

Оборудование необходимо устанавливать на прочную несущую стену, перед монтажом выбирается определенная высота, ставятся метки и фиксируются планки в местах будущего крепления. Рекомендуемая высота размещения от пола составляет от 1 до 1,5 м. К оборудованию прилагаются монтажные схемы и инструкции изготовителя, которые необходимо соблюдать в процессе монтажных работ. В зависимости от устанавливаемых труб используется муфтовый, резьбовой или фланцевый способ соединения. Также применяются обжимные фитинги и холодная сварка.
Автономная система отопления – это высокопроизводительный модуль многоквартирного дома, который позволяет существенно снизить расходы на оплату теплоэнергии. Котельные для целого дома и котлы для отдельных квартир предполагают проведение специальных мероприятий по обслуживанию и ремонту оборудования, однако все затраты компенсируются экономией денежных средств и ресурсов. Одна система способна полностью обеспечить нужды жильцов в качественном отоплении и своевременной подаче горячей воды.
В последнее время все чаще владельцы квартир отказываются от услуг городских теплоснабжающих организаций и обустраивают системы автономного газового отопления. Но перед тем как принимать такое решение необходимо понять, в чем преимущества и недостатки перехода на автономный режим, какие сложности при этом могут возникнуть, и каким образом можно их избежать.

Как известно, не очень просто получить разрешение теплоснабжающих организаций на установку автономного отопления в городской квартире. Попробуем разобраться, с чем это связано.
Если при строительстве многоквартирный дом был рассчитан на централизованное теплоснабжение, то установка индивидуальных котлов в определенной степени нарушает баланс системы отопления жилого дома в целом. Кроме того, профессионалы-тепловики понимают насколько опасно стихийное обустройство автономных систем отопления, которое в нашей стране очень часто проводится при отсутствии качественной проектной документации и с нарушением правил техники безопасности.
Говоря понятным языком, выгоду получают только те жильцы многоквартирного дома, которые отделяются от системы централизованного теплоснабжения. Разбалансировка системы отопления приводит к нарушению гидравлического баланса системы. Это значит, что в некоторых квартирах люди получат больше тепла, а в других жильцы будут замерзать в холодное время года. И это при том, что температура теплоносителя, подаваемого на дом, будет соответствовать нормативному значению. Как результат, тепловики будут обязаны отреагировать на жалобы жильцов и провести переналадку системы отопления дома.
Кроме этого, обустраивая систему автономного отопления, все сразу же забывают, что часть тепла от централизованной отопительной системы уходит на обогрев подъездов. А законодательная система нашей страны не предусматривает заключения отдельных договоров на отопление мест общественного пользования. Следовательно все затраты ложатся либо на жильцов, пользующих централизованным отоплением, либо на убытки теплоснабжающих организаций. Естественно теплоснабжающему предприятию более выгодно подавать тепло в многоэтажное жилое здание, чем в малоэтажный дом.Что каcается собственника квартиры, то он видит в автономном отоплении выгоду исключительно для себя, как правило, проблемы соседей сегодня никого не волнуют.
Кроме технических и экономических сложностей, возникающих при массовой установке автономных систем отопления, существует также экологическая проблема, которая, несомненно, должна интересовать каждого жителя нашей планеты.
Если выполняется реконструкция отопительных систем в старых домах, где раньше имелось печное отопление, то продукты сгорания выводятся через дымоходы на крышу здания. Но таких жилых домов осталось в наше время мало, а в домах современного типа вентиляция под автономную систему отопления не предусмотрена. Поэтому владельцы квартир, как правило, устанавливая газовый котел на кухне, предусматривают специальную дымоходную трубу, которая выводится через стену под окно. При этом редко кто задумывается, что все вредные дымовые газы, среди которых угарный газ – СО и углеродный газ — СО2, попадают в определенном количестве обратно в жилое помещение через открытую форточку или окно. При этом заметьте, что дышать вредными веществами приходится не только владельцам систем автономного отопления, но и их соседям.
Справедливости ради следует отметить, что при установке современных котлов, оснащенных камерой горения закрытого типа и коаксиальными дымоходами, количество отравляющих газов снижается практически в два раза. Но, тем не менее, факт остается фактом, поэтом до установки автономной системы отопления в многоквартирном доме следует вначале поинтересоваться, к чему может привести отравление угарным газом. Особенно неприятной может быть ситуация для жильцов, к примеру, девятого этажа, если живущие под ним соседи решат одновременно установить автономные системы отопления. Вряд ли захочется в этом случае выходить на балкон подышать «свежим» воздухом или проветривать квартиру. Со временем, особенно в холодную безветренную погоду, вокруг дома с большим количеством систем автономного отопления может образоваться «кокон» состоящий из большого количества вредных для здоровья человека газов. Все вышесказанное подтверждается экологами, и в этом можно убедиться, полистав странички в Интернете.
То, что газовые котлы безопасны при эксплуатации известно всем. Но при этом они требуют обязательного проведения регулярного профилактического обслуживания. Кроме того в связи со сложностью конструкции современных моделей важно помнить о качественной первоначальной наладке.

Одним из главных компонентов автономной системы отопления является дымоход. Продукты сгорания выпадают в нем слоем сажи, которую необходимо своевременно убирать, то есть следует чистить дымоход как минимум один раз в год. Если этого не делать, КПД котла уменьшается. Это значит, что качество сгорания газа ухудшается, что приводит к повышенному выделению СО и СО2. Причем количество вредных продуктов при несвоевременной чистке дымохода увеличивается в геометрической прогрессии.
Автоматика безопасности отключает подачу газа при понижении его давления до определенного уровня. Но если не была проведена правильная наладка опытным специалистом, датчики могут не сработать, что может привести к загазованности котла, а в некоторых случаях и помещения, что в принципе маловероятно. Следует помнить, что котел, который был выключен, может быть запущен только после предварительной продувки.
Сегодня существует большое количество специализированных организаций, которые проводят первоначальную наладку оборудования и дальнейшее обслуживание газовых котлов. Поэтому не следует ждать, когда отопительное оборудование выйдет со строя, а тем более устанавливать его самостоятельно. Для владельцев автономных систем правилом должно стать проведение регулярного технологического обслуживания установленного отопительного оборудования.
Все выше сказанное можно подытожить следующим образом. В связи с тем, что на сегодняшний день в нашей стране нет четкой законодательной базы в области оборудования квартир автономным отоплением, большой ущерб наносится системам централизованного отопления. Убытки при этом несут теплоснабжающие организации, и наносится значимый вред окружающей среде.
Плюсы и минусы с точки зрения владельца квартиры при переходе на автономное отопление квартиры.
Плюсы заключаются в следующем:
- Оплачивать приходится только израсходованное количество тепловой энергии. Поскольку, тепловые потери при транспортировке от централизованного источника составляют около 30% полученного тепла, следовательно, удается получить существенную экономию.
- Имеется возможность самостоятельно решать, когда необходимо начать отапливать квартиру, и при этом имеется возможность устанавливать требуемую температуру, что увеличивает комфортность проживания.
- Обеспечение горячего водоснабжения в течение всего года.
Минусы заключаются в следующем:
- Горячее водоснабжение и отопление всецело зависит от наличия газа. Более того при его перебоях могут возникнуть определенные проблемы при эксплуатации котла.
- В связи с тем, что газовое оборудование требует проведения регулярного профилактического обслуживания, потребуются дополнительные финансовые затраты;
- Высокой стоимости современных качественных газовых котлов с высоким КПД, которые действительно могут обеспечить безопасность при эксплуатации.
Делая выводы из всей вышеприведенной информации, можно утверждать, что жильцы малоэтажных многоквартирных домов с дымоходами, которые соответствуют существующим требованиям, могут смело устанавливать системы автономного отопления. Но в многоэтажных домах с центральным отоплением, в которых большинство жильцов пользуются централизованным отоплением лучше от автономного отопления отказаться.
Но если все же желание установить индивидуальный газовый котел непреодолимо, то следует поступить следующим образом:
- Предусмотреть возможность установки в каждой квартире индивидуального котла. Это очень сложно и затратно, потому что для этого понадобиться капитальная реконструкция жилого дома, которая будет включать:
— оборудование уличных дымоходов, которые способны выводить продукты горения выше уровня крыши.Такие дымоходы уже предусматриваются при проектировании современных жилых домов, независимо от того имеется ли централизованная система отопления.
— переделку внутридомовых газопроводов. В связи с тем, что они рассчитаны только на подачу газа для газовых кухонных плит, давления газа для отопительного котла может не хватить.
— реконструкцию системы отопления. - Установить крышную котельную. В этом случае понадобится один мощный газовый котел, который зачастую устанавливается на крыше или чердаке. Необходимо также будет выполнить реконструкцию существующий системы отопления, поставить регуляторы температуры и счетчики тепла в каждой отдельной квартире. В этом случае отопление хоть и не является автономным, но все его основные плюсы учитываются, причем сразу для всех жильцов.
Ну а тем владельцам, которые стремятся перейти на автономное отопление и не всегда прислушиваются к мнению окружающих, рекомендуется обратить внимание на современные конденсационные котлы.
Похожие новости
Комментарии (0)
Источники: http://teplospec.com/montazh-remont/avtonomnoe-otoplenie-v-mnogokvartirnom-dome-osobennosti-ustroystva.html, http://klivent.biz/otopleniye/avtonomnoe-v-mnogokvartirnom-dome-html.html, http://postroy-dom.com/vodosnabzhenie-otoplenie/219-avtonomnoe-otoplenie-kvartiry-dostoinstva-i-nedostatki.html
msklimat.ru
