Как сделать отопление в двухэтажном доме самому – Схема водяного отопления двухэтажного дома с радиаторами и теплым полом
Как правильно сделать отопление в двухэтажном доме
Сооружение системы отопления может озадачить еще на стадии расчетов, поскольку зависят от многих факторов. Разберем основные моменты, которые необходимо учесть перед тем, как провести отопление в двухэтажный частный дом.
Решение переехать из городских джунглей в частный дом — это всегда начало чудесной новой жизни. Близость к природе, свежий воздух и большие пространства вокруг определенно делают нас более счастливыми. Но такой переход будет легким, если покупать готовый дом. Если же вы решили построить его сами, то придется вложить немало сил и ответственности.
Система отопления в двухэтажном доме
- Способ циркуляции воды
- Естественная циркуляция
- Принудительная циркуляция
- Методы разводки
- Однотрубная разводка
- Двухтрубная разводка
- Схемы подключения
- Горизонтальное подключение
- Элементы системы
- Выбор теплоносителя
- Выбор котла
В любом жилом строительстве важно не только возведение стен, но и прокладка необходимых коммуникаций, ведь без них комфортная жизнь будет просто невозможной. Эти операции могут озадачить еще на стадии расчетов, поскольку зависят от многих факторов. Например, сегодня мы будем разбирать вопрос, как правильно сделать отопление в двухэтажном доме. Именно в двухэтажном, поскольку одноэтажное строение требует несколько иного подхода.
В чем именно заключаются отличия, станет понятно по ходу прочтения статьи. Мы разберем все основные нюансы, касающиеся циркуляции, схемы разводки, выбора теплоносителя, а также коснемся некоторых других моментов. Так что, запасайтесь блокнотом и карандашом, чтобы делать необходимые пометки.
Способ циркуляции воды
Первым делом, разберем наиболее важные моменты. Одним из них является способ циркуляции воды. Основной принцип работы системы отопления довольно прост. В специальном котле, виды которого мы обсудим позже, происходит нагрев теплоносителя. Затем горячая вода (или то, что ее заменяет) по трубам идет в место назначения, а точнее — в радиаторы. Этот маршрут называется прямым током.
В процессе своего путешествия теплоноситель естественным образом потихоньку остывает. Пройдя через радиаторы, он должен вернуться обратно для повторного подогрева. Таким образом, вода беспрестанно «бегает» по кругу. И это движение может происходить либо естественным, либо принудительным путем.
Естественная циркуляция
Циркуляция воды естественным способом происходит исключительно под влиянием законов физики, которые мы знаем еще из школьного курса. Если кто-то напрочь забыл, о чем говорилось на некоторых уроках, напомним: плотность горячей воды отличается от того же показателя холодной.
Что это нам дает? То, что более плотная холодная вода по факту возвращения в котел вытесняет горячую, как бы выпихивая ее оттуда и, тем самым, провоцируя на новый заход по нужному маршруту. С такой подачи теплоноситель устремляется в стояк, из которого разбегается по сделанным ответвлениям, ведущим к радиаторам.
Чтобы этот путь был еще проще, трубы, ведущие от стояка к батареям, монтируются под небольшим уклоном. Буквально 3–5 градусов в сторону радиатора — и вот уже воде ничто не мешает достичь цели.
С одной стороны, это самый простой способ получить тепло в доме. Единственная сложность заключается, пожалуй, в соблюдении необходимого уклона труб во время установки. Поэтому справиться с монтажом такой системы может даже неопытный мастер.
С другой стороны, давление при естественной циркуляции довольно невелико. И это приводит нас к первому различию систем в одноэтажном и двухэтажном доме. Дело в том, что при естественной циркуляции длина контура довольно ограничена, как и количество радиаторов, которые можно к нему присоединить.
Вода идет по трубам не слишком быстро, а в процессе постепенно остывает. Если маршрут будет слишком длинным, то к его концу теплоноситель уже не сможет выполнять свои функции, и вы получите практически неотапливаемые помещения. Да и для поднятия на второй этаж давления просто не хватит. Поэтому для двухэтажного здания такой вариант не подходит.
Принудительная циркуляция
В отличие от предыдущего метода, здесь все решает дополнительное оборудование — циркуляционный насос. Он отвечает за движение воды и, соответственно, за давление в трубах. С помощью циркуляционного насоса необходимое ускорение задается как прямому, так и обратному ходу теплоносителя.
Это оборудование может обладать различной мощностью, а потому вполне реально подобрать необходимые параметры для здания с любыми габаритами. Циркуляционный насос легко загонит воду и на второй этаж, и на третий, при этом она не успеет остыть. То есть ограничение длины контура, свойственное случаям с естественной циркуляцией, здесь не имеет значения.
Монтаж системы с циркуляционным насосом не вызывает особых затруднений. Некоторые моменты реализуются даже проще, чем при естественной циркуляции — например, отпадает нужда соблюдать необходимый уклон участков трубопровода, подводящих теплоноситель к радиаторам.
Но есть, конечно, и минусы. Помимо самого факта необходимости приобретения оборудования (и сопутствующих этому затрат), необходимо учитывать еще и то, что для работы циркуляционного насоса необходима электроэнергия. Если в вашем месте проживания отключение света является довольно регулярным событием, то необходимо позаботиться о приобретении и установке запасного генератора.
В противном случае, при отключении электричества в зимний период вы рискуете получить не только охлаждение помещений, но и нарушение работоспособности всей отопительной системы. Если насос простоит долгое время, а во внешней атмосфере будет температура ниже нуля, то вода в трубах замерзнет и расширится. Это напрямую скажется на состоянии трубопровода.
Впрочем, запасной генератор, в любом случае, является полезной вещью, поэтому его приобретение наверняка не раз вас выручит. Если же не зацикливаться на зависимости от электроэнергии, то принудительная циркуляция является оптимальным — а для двухэтажных домов и единственно возможным — вариантом.
Методы разводки
Вторым важнейшим моментом для отопления является способ разводки труб от основного источника. Существует два основных метода:
- однотрубный;
- двухтрубный.
Однотрубная разводка
В соответствии с названием, магистраль, по которой идет теплоноситель, состоит из одной трубы. Это, во-первых, значительно упрощает процедуру монтажа, а во-вторых, снижает затраты на приобретение материалов. Кроме того, одну трубу гораздо проще спрятать под полом или в стене, чем две.
Но далее мы сталкиваемся все с тем же основным недостатком, о которым мы говорили в пункте про естественную циркуляцию. Подключение радиаторов к магистрали происходит последовательно. То есть, чтобы дойти до последней батареи, теплоноситель должен пройти через все предыдущие.
Понятно, что за это время он успевает отдать значительную часть тепла, поэтому к концу маршрута радиаторы становятся все холоднее. А значит, мы снова получаем ограничение на их количество.
Кроме того, если монтировать самую простую однотрубную схему, то при отключении одной из батарей, например, для проведения ремонтных работ, вы автоматически прекратите работы и всех других, которые следуют после отключенной. Впрочем, это решается с помощью установки байпасов, которые позволят теплоносителю двигаться обходным путем.
Если сочетать однотрубную разводку с естественной циркуляцией воды, то такая система отопления подойдет только для небольшого одноэтажного домика. Для двухэтажного здания необходимо иное решение. В принципе, однотрубную разводку можно использовать и здесь, но только с применением мощного циркуляционного насоса. Тем не менее, даже принудительное движение воды не защитит в данном случае от ее быстрого остывания.
Двухтрубная разводка
Двухтрубная разводка решает все перечисленные выше проблемы, тем самым обеспечивая живущим в доме людям необходимый уровень комфорта. Суть такой системы заключается в использовании двух труб, подведенных к каждому радиатору: по одной из них к батарее идет нагретый теплоноситель, а по другой он уходит обратно в котел.
Такой способ позволяет избежать каких-либо ограничений в количестве радиаторов. Более того, вы можете подключить к системе не только батареи, но и теплые полы, конвекторы и прочее подобное оборудование. При этом качеству не нанесется никакого ущерба, во всех помещениях прогрев будет одинаковым.
Конечно, монтировать двухтрубную систему разводки своими руками на порядок сложнее и дороже, чем однотрубную. Впрочем, можно сэкономить, например, на насосе, поскольку в данном случае его мощность может быть не слишком высокой. В результате же вы получите необходимый уровень тепла во всем доме.
Схемы подключения
Третьим важным фактором, влияющим на качество отопления, является схема подключения магистралей. Поскольку мы уже определились, что лучше всего для двухэтажного дома подходит двухтрубная разводка с принудительной циркуляцией, говорить мы будем именно о ней.
Подключение может быть вертикальным и горизонтальным. Первый вариант делится еще на два: с верхней и нижней разводкой. Разница между ними заключается в том, какой маршрут приходится проделывать теплоносителю.
При верхней разводке вода сначала идет от нагревшего ее котла на второй этаж или на чердак. Оттуда она расходится по радиаторам, затем по стоякам и спускается по ним вниз, там тоже проходит через батареи и возвращается в первоисточник.
При нижней разводке все происходит в обратном порядке: теплоноситель сначала идет по первому этажу или по подвалу, затем поднимается наверх, там проходит через радиаторы и сливается обратно вниз, в котел.
В обоих вариантах вертикальной разводки необходимо предусмотреть возможность выпуска скопившегося воздуха, чтобы избежать образования пробок в радиаторах. Для этого вам понадобится сделать три шага:
- поставить расширительный бак;
- установить воздушную трубу;
- в каждый имеющийся в доме радиатор отопления вмонтировать кран Маевского. Это не спасет от появления воздуха в системе, но поможет его выпустить без особого труда. Кран Маевского устанавливается довольно просто. Спуск воздуха происходит посредством поворота ключа и занимает считанные минуты. На облик помещения кран никак не влияет, поскольку современные варианты выглядят довольно эстетично. На нашем сайте вы можете найти статьи, посвященные выбору, установке и использованию этого необходимого элемента системы отопления.
Горизонтальное подключение
Про горизонтальное подключение поговорим немного подробнее, поскольку такой метод является оптимальным для двухтрубной разводки. Существует три схемы: попутная, тупиковая и лучевая. В первом случае и горячий, и остывший теплоноситель идут в одном направлении. Такой метод хорош тем, что нагрев осуществляется равномерно и своевременно.
При тупиковой схеме картина несколько иная. Горячий и холодный теплоносители движутся навстречу друг другу. При такой разводке влияние на температуру радиатора оказывает его близость к нагревательному котлу. Чем ближе батарея к источнику, тем она горячее. Это ведет к неравномерному прогреву помещений в доме — наиболее удаленные от котла будут гораздо холоднее.
Оптимальной схемой разводки является лучевая. От главного коллектора к каждому отопительному прибору идет своя магистраль. Конечно, в плане затрат — как денежных средств, так и усилий — такая система наиболее требовательна. Но в итоге мы получаем максимальный уровень комфорта.
Это происходит за счет двух моментов. Во-первых, прогревание происходит равномерно и одновременно, поэтому во всех помещениях поддерживается необходимая температура воздуха. Во-вторых, при возникновении необходимости ремонта одного из отопительных приборов отключение нужного участка никоим образом не затрагивает остальные.
Есть и третий плюс: при лучевой разводке трубы, как правило, располагаются под полом, что позволяет сохранить общий эстетический вид помещения на нужном уровне.
Элементы системы
Поскольку мы разобрались со схемами и методами подключения системы отопления, давайте теперь поговорим о том, из чего она, собственно, состоит. Трубы обсуждать не будем — в этом качестве давно и прочно выступает металлопластик и полипропилен, причем это вполне заслуженно. О том, как производится монтаж тех и других, какие фитинги использовать и каким образом с ними работать, вы можете получить подробную информацию в других статьях на нашем портале.
А сейчас поговорим о двух важнейших составляющих системы, за счет которых она работает. Это, конечно, теплоноситель, а также котел, с помощью которого происходит его нагрев.
Выбор теплоносителя
Тепло может перемещаться по комнатам с помощью либо воздуха, либо жидкого теплоносителя. Воздушный обогрев довольно успешно справляется со своими функциями, но у него есть значительные минусы. В числе них можно назвать низкую теплоемкость, теплоотдачу и тому подобное.
Главным преимуществом использования нагретого воздуха является скорость, с которой повышается температура в помещениях. Включив отопительное оборудование, вы сможете ощутить комфорт буквально через полчаса. Но по факту выключения дом остынет столь же быстро.
Поэтому оптимальным вариантом являются все же жидкие теплоносители. В их качестве может выступать либо антифриз, либо вода. Чаще всего используется последняя. Вода прекрасно переносит и отдает тепло, абсолютно экологична, недорого стоит и, как правило, не является предметом дефицита.
Впрочем, следует учитывать, что просто зачерпнуть из ближайшей речки не получится. Вода должна быть либо дождевой, либо (в идеале) дистиллированной. Это связано с тем, что химический состав жидкости из природных источников оказывает очень негативное влияние на состояние труб, из которых сделана система отопления.
Но даже дистиллированная вода обладает невысокой стоимостью, поэтому относить этот фактор к недостаткам не стоит. А вот способность замерзать — это действительно значительный минус. Все мы знаем, что при превращении в лед вода расширяется. Тем самым она деформирует трубы, и работоспособность всей системы отопления будет нарушена.
Подобное может произойти в двух случаях:
- на улице очень низкая температура. Чтобы мороз не влиял на состояние теплоносителя, трубы, расположенные снаружи жилища, необходимо тщательно теплоизолировать;
- в доме произошло отключение электроэнергии на длительное время. Поскольку в сегодняшней статье мы говорим о двухэтажном строении, то подразумеваем использование циркуляционного насоса, который не может работать без электричества. Вода в трубах встанет и, как только помещения окончательно остынут, замерзнет. Вот почему мы не устаем повторять о необходимости заранее позаботиться о наличии резервного генератора. В подобных ситуациях он является настоящим спасением. В противном случае можно получить не только дискомфорт от нахождения в промерзших помещениях, но и немалые затраты на восстановление работоспособности системы отопления.
Именно этот недостаток нередко заставляет хозяев отказаться от воды в пользу другого варианта — антифриза. Это вещество славится именно своей способностью спокойно переносить даже очень низкие температуры. В крайнем случае, антифриз просто превратится в гель, а по мере потепления снова разжижится и продолжит выполнять свои функции в том же объеме.
Это качество антифриза послужило росту его популярности в качестве теплоносителя. Конечно, без минусов не обошлось и здесь. Первый — это стоимость, которая гораздо выше, чем у воды. Второй — это токсичность. Дешевый антифриз на основе этиленгликоля способен вызвать отравление у всей семьи в случае протечки. А последние периодически возникают, поскольку «незамерзайка» очень текуча и способна просачиваться сквозь многие соединения, на первый взгляд кажущиеся надежными.
Впрочем, если отказаться от дешевого антифриза в пользу более дорогого, но с другим составом, то насчет отравлений и вредного влияния на окружающую среду можно не беспокоиться.
Кроме того, при выборе следует обращать внимание еще и на дополнительные компоненты, называемые присадками. Они призваны улучшить работу антифриза, но при этом некоторые из них рассчитаны на использование в трубах из определенного материала, на другие же «незамерзайка» может очень негативно повлиять.
Антифриз стоит выбирать в том случае, если вы живете в регионе с сильными и длительными заморозками. «Незамерзайка» просто спасает в подобных ситуациях, стабильно и надежно перенося тепло по дому. Если же проблема промерзания труб вам не грозит, то вода в качестве теплоносителя будет идеальным вариантом.
Выбор котла
Второй важной составляющей является котел, в котором происходит нагрев теплоносителя. Поскольку мы уже определились, что лучшим для отопления частного дома является жидкий теплоноситель, будь то вода или антифриз, поговорим о соответствующих видах оборудования. Котлы бывают следующих разновидностей:
- газовые. Самый популярный вариант — в первую очередь, из-за низкой стоимости и высокой доступности газа. Кроме того, такой котел экономичен в работе и не требует сложного обслуживания. Современные модели оснащены множеством датчиков, контролирующих работу системы, поэтому такое оборудование можно просто единожды поставить, настроить, а затем вспоминать о нем лишь при периодическом осмотре специалистом. Газ в котел может поступать из трех источников: магистрали, газовых баллонов и газгольдера. Конечно, оптимальным вариантом является первый, поскольку это и удобнее, и дешевле. Но в том случае, если регион вашего проживания не газифицирован, топливо придется покупать. Поставка в баллонах не слишком удобна, поскольку они обладают небольшим объемом, в связи с чем придется производить регулярную замену — примерно каждые 2–3 дня. Газгольдер снимает этот вопрос, поскольку в нем может храниться до 20 кубометров газа. Но к его установке есть определенные требования, связанные с техникой безопасности: в частности, установка этого оборудования допустима на расстоянии не менее десяти метров от дома;
- жидкотопливные. В качестве топлива выступает, как правило, дизель. Он практически не токсичен, обладает очень высоким КПД и удобен в использовании. Недостаток заключается в высокой стоимости, а также в необходимости монтажа очистительного фильтра;
- твердотопливные. Такие котлы работают на дровах, угле и других подобных вариантах. Процесс происходит за счет горения, что сразу дает неоспоримое преимущество — независимость от наличия электроэнергии. Кроме того, стоимость как топлива, так и котла не слишком высока. Но обслуживание оборудования довольно трудоемко, а отдача низкая, если сравнивать с выше описанными разновидностями. К тому же, для хранения дров или другого вида топлива необходимо много места — как правило, отдельное помещение. Естественно, чем больше дом, тем больше расход, поэтому для двухэтажного строения это все же не самый подходящий вариант;
- электрические. Работают, естественно, от сети. В качестве преимущества можно назвать отсутствие необходимости делать запасы какого-либо топлива. Но зависимость от наличия электроэнергии, а также размер счетов на оплату услуг заставляют задуматься. Впрочем, если вы живете в каком-нибудь очень отдаленном регионе, куда сложно добраться для доставки газа, дров или другого топлива, электрический котел будет оптимальным вариантом. Но не забудьте запастить резервным генератором.
Существуют также комбинированные котлы. Они могут работать как на жидком топливе, так и на газе. Вы можете переключать режимы в зависимости от того, какое топливо у вас есть в наличии в данный момент. С одной стороны, это удобно. С другой — такое оборудование весьма габаритно, а также обладает немалой стоимостью.
Дорогие друзья, мы разобрали основные моменты, которые необходимо учесть перед тем, как провести отопление в двухэтажный частный дом. Уверены, что наши советы помогут и вам, и вашим знакомым, с которыми вы можете поделиться этой статьей в социальных сетях. опубликовано econet.ru
Подписывайтесь на наш канал Яндекс Дзен!
Если у вас возникли вопросы по этой теме, задайте их специалистам и читателям нашего проекта здесь.
P.S. И помните, всего лишь изменяя свое потребление — мы вместе изменяем мир! © econet
econet.ru
Схема отопления двухэтажного частного дома, проекты, видео
Очень важно перед строительством дома определиться с системой отопления, от этого зависит ваш комфорт в холодное время года. Схема отопления двухэтажного дома должна выполнять свои функции обогрева здания без каких-либо проблем, это зависит и от правильного выбора материалов, и от правильной установки. Если же схема отопления двухэтажного частного дома выполнена из качественных материалов, она может прослужить нескольким поколениям без необходимости ремонта или смены оборудования. Наиболее оптимальным вариантом в данное время является водяная система отопления, она подходит для двухэтажных домов и коттеджей.

Схема отопления двухэтажного дома
Виды водяного отопления для двухэтажных домов
Наиболее приемлемы схемы отопления двухэтажных домов с принудительной и естественной циркуляцией. Система отопления с естественной циркуляцией не зависит от электроэнергии, что очень удобно в наше время, не возникнет различных непредвиденных ситуаций, связанных с отключением электроэнергии. При установке системы используются трубы крупного диаметра, а разводка выполняется под уклоном.

Отопление двухэтажного дома с естественной циркуляцией
Для отопления двухэтажных домов более подходит система с принудительной циркуляцией носителя тепла. Необходимо иметь отопительный котёл, расширительный бак, коллектор, трубопровод и отопительный прибор. Вода в такой схеме отопления двухэтажного частного дома циркулирует при помощи циркуляционного насоса, а для нагрева котла применяют и уголь, и дрова, и керосин, и газ. Также можно это делать, используя электричество или какие-либо иные альтернативные виды энергии.

Отопление двухэтажного дома с принудительной циркуляцией
Трубы, используемые для водяного отопления
Если вы используете трубы из стали, надо учитывать её недостаток – низкую коррозионную стойкость. Трубы их нержавеющей стали и оцинкованные не имеют этого недостатка. При монтаже лучше всего применять резьбовые соединения. Трубы из металла в данное время при устройстве схемы разводки отопления двухэтажного дома используются достаточно редко.
Как один из самых надёжных вариантов, представляющих отопление 2 этажного дома схема использует трубы из меди, они выносят наиболее высокие температуры, а также высокое давление.
Соединяют трубы из меди при помощи пайки высоких температур с «серебросодержащим» припоем. При желании их можно спрятать в стены дома, что очень удобно и эстетично. Минус таких труб – в высокой цене, но это единственный минус, такие трубы очень надёжны и рекомендованы, так как при их правильной установке они прослужат нескольким поколениям владельцев жилища, при этом не будет необходимости их менять или ремонтировать. Такие трубы очень надёжны и качественны.

Отопление из медных труб
Полимерные трубы имеют плюсы: они удобны при монтаже, который может произвести даже человек без специального образования, что может сэкономить деньги; на внутренней поверхности не откладывается осадок, а значит, они не будут быстро забиваться; достаточно стойки к коррозии. Монтируются такие трубы с помощью резьбовых или же прессовых соединений, сварка не используется. Недостаток: коэффициент теплового расширения достаточно большой, что может привести к возникновению течи.
Рекомендуем к прочтению:

Полимерный трубы отопления и фитинги
Когда составляются проекты отопления частного двухэтажного дома, необходимо продумать, какие трубы наиболее подходят для данного строения, учитывая аварийное и альтернативное отопление. Конечно, многое зависит и от материального фактора, но на отоплении лучше всё-таки не экономить, ведь от этого зависит то, как вы будете жить зимой: будете ли мёрзнуть, или наслаждаться жизнью в тепле и уюте.
Специалисты советуют сделать выбор в пользу медного трубопровода, он прослужит верой и правдой своим владельцам несколько поколений. Пусть он и стоит дороже, но зато он надёжен.
Схемы разводки отопления
В двухэтажных домах используют такие схемы разводки отопления: однотрубная, двухтрубная, а также коллекторная. При однотрубной достаточно сложно регулировать температуру в здании. Это происходит от того, что нет возможности перекрыть один из радиаторов, когда все остальные отопительные приборы работают. Поэтому, когда горячая вода переходит от одной батареи к другой, она всё больше охлаждается.
Двухтрубная схема разводки отопления двухэтажного дома является более подходящей для двухэтажных домов.
Так как у каждого агрегата отопления есть по две трубы, по одной идёт горячая вода, а по другой – уже остывшая. Ещё эта система отличается от однотрубной тем, что у неё иной порядок подключения приборов отопления. Специалисты рекомендуют перед каждым радиатором монтировать регулировочный бак.

Схема двухтрубной системы отопления
Для того чтобы в двухэтажном доме была нормальная циркуляция, достаточно дистанции между центром котла и верхней точкой подающей магистрали, при этом можно ставить расширительный бак на верхнем этаже, а не на чердаке. А трубу подачи прокладывают под потолком или под подоконниками.
При использовании двухтрубной схемы с естественной циркуляцией в двухэтажном доме необходимо делать длительный прогрев системы.
Поэтому рекомендуется ставить дополнительный байпас вместе с циркуляционным насосом, что значительно сэкономит время при запуске такой системы, как схема отопления двухэтажного загородного дома, и при этом в здании будет более равномерно распределяться тепло.
Рекомендуем к прочтению:

Схема отопления с байпасом и насосом
Кроме установки радиаторов, в двухэтажном доме с использованием котла вместе с встроенным насосом циркуляции можно устанавливать и систему «тёплый пол», подключать полотенцесушитель одновременно на двух этажах. Специалисты советуют стояки второго этажа подключать возле самого котла.
При выполнении монтажа лучше всего использовать лучевую и коллекторную систему, она наиболее удобна, можно регулировать температуру во всех помещениях. Для всех отопительных приборов проводят по две трубы: прямую и обратную. Коллекторы размещают на каждом этаже, очень важно при этом, чтобы они находились в специально отведённом для этого шкафу, в котором располагают и всю запорную арматуру.

Комбинированная система отопления: радиаторы и теплый пол
Коллекторные системы
Это универсальная схема отопления двухэтажного дома видео по устройству которой можно посмотреть ниже. Такие системы дают возможность выполнять отопление двухэтажного коттеджа схемы со скрытыми проводимыми трубами. Установка производится очень легко, поэтому ее может произвести даже человек без наличия специальных навыков.

Схема коллекторного отопления двухэтажного дома
Водяное отопление можно проводить как только на одном этаже, так можно и на всех сразу, но котёл рекомендовано размещать только на первом этаже, а на втором можно поставить расширительный бак. Рекомендуется трубы с горячей водой проложить под потолком или под подоконником, то есть, в наиболее уязвимых местах для холодного воздуха. Обязательно на каждый радиатор ставить отдельный регулирующий кран.
Выбирая план отопления двухэтажного дома, очень важным моментом является принять правильное решение, от этого зависит, насколько комфортно будет вам в холодную погоду, как долго прослужит вся принципиальная схема отопления двухэтажного дома, как часто нужно будет производить ремонт или менять трубы и многое другое. При неправильном выборе, при желании сэкономить сейчас может случиться так, что вам придётся постоянно что-то ремонтировать, менять, нанимать работников, а значит, тратить деньги, поэтому ни о какой экономии в данном случае нет и речи.
Лучше в самом начале установить качественные трубы, радиаторы и другое, пусть и обойдётся это всё дороже сейчас, зато прослужит дольше и всё равно выйдет дешевле в дальнейшем. Правильно установленная схема системы отопления двухэтажного дома из качественных устойчивых материалов прослужит нескольким поколениям.
otoplenie-doma.org
видео-инструкция по монтажу своими руками, особенности отопительных печей, водяных систем, разводки, цена, фото
К большому сожалению, вопросом, как провести отопление в двухэтажном доме, задаются уже после постройки здания, где напрочь отсутствуют какие-либо ниши для прокладки коммуникаций. А порой даже разводка электропроводов сделана малым сечением, так что туда опасно подключать электроприборы более 1 кВт мощностью.
Тем не менее, отапливать помещение надо, так что приходится исходить из того, что есть, то есть, штробить каналы, менять отдельные участки электропроводки, а порой даже делать перепланировку комнат (случалось и такое). Мы сейчас обратим внимание на два основных вида отопления — это система водяного тёплого пола и радиаторный контур, а нам в помощь будет тематический видео ролик.

Технический план отопления двухэтажного дома
Отопление
Примечание. Сразу можно сказать, что обычная отопительно-варочная печь на два этажа не будет достаточным источником обогрева — здесь необходимы водонагревательные котлы.
Конечно, помещение вполне можно нагреть и с помощью ИПО (инфракрасного плёночного отопления), но речь у нас пойдёт именно о жидких теплоносителях.
Отопители

Двухэтажные отопительные печи для загородного дома
Пожалуй, самое простое решения для обогрева — это отопительная печь на два этажа — по сути, она ничем не отличается от обычной печи, только разделена на две части и на неё уйдёт почти в два раза больше строительных материалов. Но делать такую конструкцию в качестве основного источника отопления не совсем удобно.
Всё-таки здесь для хорошего обогрева здания понадобится много дров и угля, которые, к тому же, будут создавать мусор в помещении и всё это, не учитывая хлопот по заготовке топлива, чистке зольника и так далее.
Примечание. Печное отопление двухэтажного дома хорошо в тех случаях, когда оно является вспомогательным, так как такой способ обогрева отнимает много времени.

KLIVER-18П
KLIVER-18П — это твердотопливный котёл прямого горения, который вполне может обеспечить водяное отопление двухэтажного дома с жилой площадью 180м2, к тому же, наличие варочной плиты позволяет готовить на нём пищу. Основным видом топлива здесь служат дрова и уголь, которые легко загружаются в топку — по объёму она позволяет вместить в себя полуметровое полено, а уголь можно загружать прямо из ведра. Твердотопливный котёл гораздо эффективнее, нежели печь для отопления двух этажей — для него нужно меньше топлива и он априори предназначен для контура водяного отопления.

Пиролизный котёл
Из твердотопливного оборудования в последнее время очень большим способом начали пользоваться пиролизные или генераторные агрегаты, которые разработаны на основе канадской печи булерьян. Они обладают огромной экономичностью.
Например, если вы используете дрова, то для поддержания интенсивного горения на сутки обычно достаточно двух охапок, которые закладываются дважды — одна утром, а другая вечером. Такая экономичность достигается благодаря пиролизу, то есть, остатки от сгорания топлива попадают в другую камеру, где догорают практически до конца, почти без остатка (такие печи используются как с водяной рубашкой, так и без неё).

Жидкотопливный котёл
Отопительные агрегаты на жидком топливе, как правило, работают на соляре и мазуте, поэтому, их также называют дизельными. Происходит почти идентичная система впрыска и возгорания топлива, что и в двигателе.
Такие котлы подходят для любых регионов нашей страны, так как могут работать при любых погодных условиях, к тому же, на полном автономном обеспечении. Хотя некоторые из них нуждаются в подключении к сети 220В для работы автоматического управления отопителем. Основной минус такого оборудования, это высокая цена соляры, которую вы растратите в холодное время года — например, газ или дрова вам обойдутся гораздо дешевле.

Принцип работы «Галан»
Среди электрических обогревателей сейчас во многих странах лидируют электродные котлы «Галан». А в последнее время они всё большую популярность приобретают и в Российской Федерации, как экономные и эффективные отопители (по сравнению с ТЭНовым котлом он экономнее на 20%, а его КПД составляет до 98%).
Суть нагрева заключается в следующем — жидкость, которая находится между полярными электродами, точнее, ионы, меняют своё направление движения 50 раз в секунду (частота тока у нас в сети 50Гц), от чего её температура резко повышается. Получается, что жидкость здесь выполняет функцию электрической спирали ТЭНа.

Принцип работы конвекционного котла
В большинстве регионов РФ есть возможность использования природного газа и даже там, где такая возможность отсутствует, используют для отопления сжиженный пропан, так как это очень эффективно, выгодно и удобно. Конвекционные котлы работают в автоматическом режиме (настройки задаются вручную) и позволяют отсутствовать хозяевам по нескольку месяцев (есть режим отпуск) и их оптимальная температура работы 60-80 ⁰C, хотя это не обязательное условие.
Эффективность во многом зависит от теплообменника, который чаще всего делают из стали или хромо-никеля, но есть также из чугуна и меди, кстати, от материала зависит и срок службы, так как конденсат (критическая точка 55-57 ⁰C) вызывает коррозию металла.

Принцип работы конденсационного котла
Скажем сразу, что на отопление двухэтажного дома с теплыми полами конденсационный агрегат является самым приемлемым вариантом отопителя. Его КПД составляет порядка 105-107%, а диапазон температуры может колебаться от 30 ⁰C до 90 ⁰C без вреда для теплообменника.
Но всё же эта система больше подходит именно для низкотемпературных контуров (тёплые полы), где средняя температура воды составляет 30-60 ⁰C, а вот точка образования конденсата — 50-57 ⁰C. Следовательно, при атмосферной горелке конденсат там будет всегда, а это дополнительные 10-15% тепловой энергии.
Конечно, конденсат не используется в чистом виде, так как там есть кислоты и он проходит через рекуператор — именно этому дополнительному источнику КПД обязан таким чересчур высоким процентом.
Способы разводки
Примечание. Вне зависимости от того, какой вы предпочтёте котёл отопления (печь), схема разводки контура (радиаторы, тёплый пол, радиаторы плюс тёплый пол) у вас всегда останется одинаковой.
Исключение будет составлять лишь коллекторная трубная разводка с автономией приборов.

Схема подключения радиаторного контура: а) одноконтурного; б) двухконтурного
- Чаще всего, отопление двухэтажного дома своими руками осуществляется при помощи радиаторного контура, который может быть либо однотрубным, либо двухтрубным, где система подачи и горячей и отвода («обратки») холодной воды монтируются отдельно друг от друга. Суть однотрубного принципа достаточно проста — по закольцованной магистральной трубе под давлением, создаваемым расширением воды и/или циркуляционным насосом, теплоноситель по отводам попадает в радиаторы.
- У этой системы есть один существенный минус — чем дальше радиатор расположен по цифровому ряду, тем холоднее он будет получать воду, которая уже прошла сквозь другие батареи и утратила свою температуру. В некоторых случаях на магистрали между входом и выходом подключения крайних батарей устанавливают запорные краны, переводя циркуляционный поток через секции обогревателя. Как показывает практика, для системы однотрубного отопительного контура можно без потери температуры использовать не более 3-4 радиаторов.
- При использовании двухтрубного контура потери тепла почти отсутствуют, так как охлаждённая жидкость отводится по другому каналу, следовательно, если вы даже установите в двухэтажном доме три десятка радиаторов, то охлаждение в конце магистрали будет практически незаметным. И в одном и в другом случае очень важно обеспечить достаточную циркуляцию, чего достигают либо уклоном труб, либо циркуляционным насосом, где уклон не является обязательным. В некоторых случаях на «обратку» устанавливается дополнительный насос, который помогает встроенному двигателю котла отопления.

Схема подключения тёплого пола
- Если вы хотите осуществить отопление частного двухэтажного дома своими руками с помощью тёплого пола, то вам, конечно, лучше всего использовать конденсационный котёл, а сама схема подключения здесь очень похожа на двухтрубный радиаторный контур, где вместо батареи будет спираль или змейка из водяной трубы. В тех случаях, когда комнаты очень большие, то их лучше всего разделять на два или даже три крыла, запитывая каждое из них через гребёнку, соединённую с подачей и отводом.

Гребёнки. Вверху подача, внизу обратка. Фото
- Как вариант, можно установить по две гребёнки на каждом этаже (одну для подачи, другую для обратки), но тогда, скорее всего, вам придётся монтировать очень большие гребёнки, а это неудобно. Такие устройства лучше распределять по разным частям здания, чтобы на один узел приходилось не более 4-5 подключений.

Коллекторное отопление
- В тех случаях, когда разводка отопления в двухэтажном доме осуществляется с помощью разных контуров, радиаторного и тёплого пола, тогда вам нужно использовать принцип коллекторного отопления, где каждая группа обогревателей имеет автономную температуру. Если для обогрева помещения радиаторами вам нужна температура воды 60-80 ⁰C, то для тёплого пола будет вполне достаточно 30-50 ⁰C, чтобы достичь одинакового микроклимата.
- Но теплоноситель подаётся с одного и того же котла, поэтому температура подачи здесь регулируется трёхходовым автоматическим клапаном, который, по сути, выполняет функцию байпаса. То есть, жидкость подаётся, к примеру с температурой 70 ⁰C на радиаторы, тогда как для пола нужно всего 40 ⁰C и в этом случае клапан автоматически перенаправляет поток в обратку. Когда вода в напольном контуре охлаждается ниже 40 ⁰C, клапан выдаёт новую порцию горячего теплоносителя.
Заключение
Если вы раньше никогда не делали своими руками некоторые подобные вещей, то информации из этой статьи вам будет недостаточно. В таком случае для самостоятельной работы вам придётся обратить внимание на нюансы монтажа котлов, печей и контуров.
gidroguru.com
Разводка отопления в двухэтажном доме: способы и особенности монтажа
Содержание статьи:
Разводка отопления в двухэтажном доме: система стояков
Как сделать разводку отопления в двухэтажном доме: коллекторная схема
Система отопления двухэтажного частного дома: однотрубная схема
Эффективность работы любой современной системы отопления дома зависит от двух факторов – от правильно подобранного оборудования и схемы разводки, в задачи которой входит транспортировка теплоносителя и равномерное его распределение между всеми потребителями. Именно о ней мы и поговорим в этой статье, в которой вместе с сайтом stroisovety.org ответим на вопрос, какой может быть разводка отопления в двухэтажном доме – мы рассмотрим все возможные варианты, а вы уже выберете из них наиболее подходящий для вашего строения.

Разводка отопления в двухэтажном доме фото
Разводка отопления в двухэтажном доме: система стояков
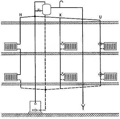
Конструктивно данную схему разводки отопления двухэтажного дома можно представить следующим образом – это один главный стояк большого диаметра, поднимающийся строго вертикально от котла к чердачному помещению дома. Там он разветвляется на несколько крыльев, от которых теплоноситель распределяется по малым подающим стоякам, а уже к ним производится подключение отопительных приборов в доме. Дальше все эти стояки собираются в обратный трубопровод, по которому остывший теплоноситель возвращается назад к котлу на очередной цикл подогрева.
Такое отопление двухэтажного дома выглядит достаточно просто и, кроме того, отличается небольшим количеством вспомогательного оборудования – как правило, для нормальной работы подобных систем достаточно всего одного мощного циркуляционного насоса, а также системы запорной арматуры на стояках и непосредственно на самих сантехнических приборах. Запорная арматура необходима для отладки равномерной работы радиаторов отопления. Кстати, такая система отлично может работать и без циркуляционного насоса – если правильно соблюсти уклоны лежаков подающих и обратных трубопроводов, то от использования электричества в системе отопления можно отказаться полностью. Такое отопление называется система с естественной циркуляцией теплоносителя. В ней очень важно правильно соблюсти диаметры труб – чем дальше от котла отопления, тем трубопроводы становятся тоньше.

Отопление двухэтажного дома фото
Несмотря на всю простоту данной разводки отопления двухэтажного дома, ее создание неотменно сопряжено с массой тонкостей и нюансов, нарушение которых ведет к снижению эффективности работы системы в целом. Мало того, подобные схемы отопления не без недостатков.
- Сами стояки изрядно портят внешний вид помещений дома.
- Большие потери тепла, которые происходят благодаря расположению подающего трубопровода на чердаке. Его, конечно, можно опустить под потолок верхнего этажа дома, но это, опять же, нарушение эстетики.
- Обратный трубопровод, проходящий над полом первого этажа, также имеет неприглядный вид – по большому счету, его нужно опускать в подвал, но, как и в случае с чердаком, это снова теплопотери. К тому же, при такой постановке вопроса в подвал придется перенести и топочную, а это не всегда возможно – как правило, при работе газового оборудования в помещении мини котельной должно быть окно определенных размеров.
В большинстве случаев такие системы хороши для больших многоэтажных домов – практически в каждой высотке отопление собрано по такому принципу.
Как сделать разводку отопления в двухэтажном доме: коллекторная схема
Считается, что коллекторная разводка отопления на сегодняшний день является наиболее продвинутой и эффективной, но достаточно сложной в сборке. Основным узлом данной схемы является коллектор, или, как его еще называют, распределительная гребенка. По сути, это труба большого диаметра, из которой осуществляет забор теплоносителя через патрубок меньшего диаметра – таких точек забора в гребенке может быть несколько, и каждая из них осуществляет запитку теплоносителем отдельно взятого крыла. Гребенка монтируется и на подачу и на обратку котла и соединяется так называемой гидрострелкой, через которую осуществляется циркуляция теплоносителя, что позволяет поддерживать в ней определенную температуру – таким образом в каждое отдельно взятое крыло подается теплоноситель одинаковой температуры. На вопрос, что такое крыло отопления, можно ответить просто – это группа из нескольких отопительных приборов. Но группы можно разбивать по-разному – это может быть целый этаж либо какая-то его часть. Мало того, каждое из отдельно взятых крыльев может быть оборудовано небольшим коллектором, который распределяет теплоноситель уже непосредственно к радиаторам или другим элементам системы (например, к участку теплого пола).

Коллекторная разводка отопления фото
Коллекторное отопление двухэтажного дома имеет массу преимуществ, но в первую очередь к ее достоинствам относят удобство эксплуатации – по сути, каждое разветвление подобной системы оборудуется запорной арматурой, что позволяет включать, отключать или регулировать ту или иную часть отопительной системы. Но кроме удобства эксплуатации существуют и другие положительные моменты.
- Практически вся разводка по помещениям делается трубами тонкого диаметра, что позволяет их с легкостью прятать даже в пол.
- Мало того, современное коллекторное оборудование также не отличается большими габаритами, что вполне позволяет спрятать его в специальный ящик в стене. По сути, самым большим элементом подобной системы является центральный коллектор, который устанавливается непосредственно в топочной, возле массивного котельного оборудования.
- Также не лишним будет отметить и экономичность работы такой системы отопления. Достигается высокая степень экономичности за счет того, что из коллектора берется только необходимое количество теплоносителя, а оставшийся невостребованным отправляется назад в топку котла на подогрев.
Не обходится дело и без недостатков, которых, в общем-то, не мало – самым главным из них можно назвать стоимость коллекторной системы отопления двухэтажного дома. Она довольно высокая, так как на ее монтаж уходит гораздо большее количество труб и прочего оборудования. Кроме этого недостатка, также можно отметить и отсутствие естественной циркуляции. Такой системой обычно управляет несколько циркуляционных насосов. Сколько контуров, столько и насосов. А это, по меньшей мере, энергозависимость – пропало напряжение в сети, и нет тепла в доме. В этом отношении лучше, чем система отопления с естественной циркуляцией теплоносителя, ничего нет.
Система отопления двухэтажного частного дома: однотрубная схема
Однотрубная система отопления известна в народе под названием «ленинградка» – почему ее так назвали, не знаю. Наверное потому, что впервые ее использовали в этом городе, и там она получила широкое распространение. Суть этой системы заключается в том, что теплоноситель движется от подачи к обратке по одной закольцованной магистрали – отопительные приборы своими двумя подводками врезаются в одну трубу, в чем и заключается ее основной недостаток – самые последние по ходу движения теплоносителя батареи, получают меньше всего тепловой энергии. Исправить такое положение дел можно только установив на подводки к радиаторам и между ними на магистраль регулирующую запорную арматуру – как вариант, на одну из подводок можно монтировать трехходовой кран. В любом случае это дополнительные сложности.

Как сделать разводку отопления в двухэтажном доме фото
Если говорить о преимуществах, которые предоставляет однотрубное отопление двухэтажного дома, то здесь можно отметить возможность естественной циркуляции теплоносителя. При соблюдении правильных уклонов отопление, собранное по такой схеме, может работать без электроснабжения. Также в качестве достоинств можно выделить меньшее количество трубопроводов, что одновременно и снижает стоимость системы в целом, и делает ее более эстетичной на вид.

Двухтрубное отопление двухэтажного дома фото
И в заключение несколько слов про двухтрубное отопление двухэтажного дома – это, можно сказать, стандартный вариант, при котором теплоноситель подается посредством двух трубопроводов (подающего и обратного). По сути, это та же система стояков, только в несколько видоизмененной форме – имеется два центральных стояка, от них на каждом этаже дома делается ответвление, к которым и цепляются радиаторы отопления. Без циркуляционных насосов в чистом виде такая система работать в двух- и более этажном доме будет с натяжкой, и то если вообще будет работать. Именно поэтому в большинстве случаев такая разводка отопления в двухэтажном доме комбинируется либо с коллекторной схемой, либо со стояковой схемой, что бывает чаще всего.
Автор статьи Александр Куликов
stroisovety.org
Отопление в двухэтажном доме – как сделать – Свой дом мечты
Проектирование системы отопления частного домостроения должно иметь научную основу и базироваться на расчетах теплотехнических характеристик. При этом следует учитывать все нюансы конструкции дома и факторы, оказывающие влияние на выбор отопительной системы. Решающее значение имеет планировка и конфигурация помещений. Организация отопления в двухэтажном доме имеет определенные сложности и более строгие требования по сравнению со строениями, выполненными в одном уровне.
Особенности отопления двухэтажного дома
Обогрев строения, имеющего два уровня, имеет следующие особенности.
Этажность
Отопительный агрегат располагается в месте, которое является наиболее низким в системе отопления. При использовании любого оборудования, в том числе размещаемого на стене, присутствует участок подачи, который имеет вертикальное расположение. Возникает задача по осуществлению подъема теплоносителя на верхний этаж с преодолением гравитации.
Увеличение отапливаемой площади
Суммарный внутренний объем помещений двухэтажного дома превышает аналогичный показатель одноуровневого сооружения. Вследствие увеличения отапливаемой площади растет потребность в энергии и возникает необходимость передачи его на более протяженное расстояние в больших количествах. Кроме этого возрастает материалоемкость отопительной системы и повышаются требования к генераторам тепловой энергии и приборам.
Изоляция помещений друг от друга
Дом с большей площадью, как правило, характеризуется присутствием значительного числа внутренних перегородок и изолированных помещений. Помимо этого, разделение уровней здания осуществляется при помощи перекрытий. Эти обстоятельства являются препятствием переносу тепловой энергии естественным путем. Таким образом, возникает проблема равномерного распределения тепла в доме.
СхемаВыбор теплоносителя и способа транспортировки тепловой энергии
Наиболее рациональным решением в двухэтажных домах, в которых располагается большое число комнат и присутствует перекрытие между этажами, является реализация водяного отопления. При сложной конфигурации здания, в подавляющем числе случаев, альтернативы такому отоплению нет. Система представляет собой закольцованную конструкцию из труб, по которым протекает теплоноситель, а передача тепла осуществляется посредством радиаторов или калориферов.
Также в качестве дополнительного или единственного источника тепла может быть устроено отопление при помощи теплого пола. Принцип работы его подобен отоплению при помощи радиаторов.
Выбор теплоносителя крайне важенПрименение теплого пола, работающего на электроэнергии в помещениях всего дома, теоретически осуществимый вариант. Однако при этом возникает ряд проблем при его реализации. Во-первых, с экономической точки зрения организованное подобным образом отопление не всегда выгодно. Во-вторых, имеется вероятность того, что технически осуществить задачу воздушного отопления не представляется возможным.
Теплый полВ качестве теплоносителя в многоуровневых домах можно использовать воздух. В этом случае необходимо решить задачу по его транспортировке. Для осуществления такого проекта возникает необходимость создания системы каналов в пространстве строения, а также оборудование их вентиляторами для нагнетания потока воздуха. Только таким образом организованное отопление может обеспечить доставку тепла в отдаленные помещения и комнаты, расположенные на втором этаже.
Воздушное отопление
Применяется воздушное отопление для двухэтажного дома относительно недавно. Иногда использование подобного варианта отопления является единственно возможным в определенных условиях. Он характеризуется тем, что достаточно быстро доставляет тепло и имеет доступную стоимость, а также не имеет необходимости в воде, масле или антифризе. Горячий воздух является переносчиком тепла, нагрев которого осуществляется в результате соприкосновения с нагревательным элементом.
Печное отопление
Печь Булерьян
Подобное теплотехническое устройство имеет оригинальную конструкцию и способно создать условия, при которых происходит равномерное распределение тепла в доме. Эта печь состоит из металлических частей, где топливник является основным элементом, так как именно там происходит горение топлива. Отличительной характеристикой булерьяна является соединение труб с топливником практически по всей его площади. При этом забор холодного воздуха происходит снизу, а отдача горячего идет вверх.
Печь булерьян в интерьереРеализация отопления при помощи подобного устройства дает возможность осуществить обогрев нескольких помещений за счет сооружения разводки по ним. Перемещение нагретого воздуха может происходить естественным путем или принудительно.
Эти печи зарекомендовали себя с положительной стороны, так как имеют ряд преимуществ:
- Сгорание топлива происходит практически без остатка. Это становится возможным за счет его тления на протяжении длительного периода времени при ограниченной подаче воздуха. Вследствие чего КПД по сравнению с традиционной буржуйкой значительно выше.
- Компактность печи позволяет осуществлять установку в любых помещениях. При этом организация котельной не требуется.
- Полное отсутствие неприятных запахов и копоти.
- Монтаж воздуховодов имеет меньшую стоимость относительно установки труб водяного отопления.
Организация подобного отопления имеет некоторыми недостатками:
- Проект строительства здания должен предусматривать наличие воздуховодов. Монтаж их в готовом здании невозможен.
- Для хранения твердого топлива, необходимого для работы печи, требуется организовать специальное место.
Кирпичная печь
Классический вариант русской печи обладает значительными габаритами. Для отопления двухэтажного дома размеры печи возрастают в соответствии с его площадью.
Преимуществами традиционных печей являются:
- Определенных стандартов при сооружении кирпичной печи не предусмотрено. Поэтому имеется возможность кладки в соответствии с индивидуальными пожеланиями заказчика.
- Тепловой мощности одного устройства может быть достаточно для отопления двухуровневого строения.
- Установка печи может быть осуществлена в любом удобном месте дома.
- Если отсутствует возможность газового отопления, то применение твердотопливных печей наиболее оптимально в плане экономической целесообразности.
Кирпичная печьК недостаткам кирпичных печей относят:
- Необходимость в сооружении склада для хранения топлива.
- Эффективность работы устройства зависит от правильности выполнения кирпичной кладки.
- Необходимость периодического контроля над работой агрегата.
Для реализации отопления двухэтажного здания при помощи русской печи возводят топливник на нижнем уровне, а на верхний проводится колпак, называемый парусом. Кроме этого специалисты усовершенствуют обычную печь и оборудуют ее теплообменником, который присоединяется к отопительной системе.
Водяное отопление
Схема с естественной циркуляцией
Нередко, многие застройщики желают иметь независимую от электроэнергии систему отопления двухэтажного дома, чтобы при этом эффективность ее не снижалась. Естественную циркуляцию теплоносителя в системе реализовать довольно проблематично, так как имеется перепад высот. Для этого трубопровод на всех участках располагают под небольшим углом 3-5 градусов, генерирующее оборудование располагается в точке, которая имеет минимальную высоту, а конструкция разгонного коллектора монтируется на максимальной высоте здания. Чтобы подобная система работала в нормальном режиме, следует правильно произвести расчеты гидравлики и сбалансировать ее при помощи дросселей.
Схема системыВозможность автономности отопления, бесспорно, является значительным преимуществом, но и создает ряд неудобств:
- Диаметр труб увеличивается.
- Возникает необходимость соблюдения уклонов.
- Температура теплоносителя имеет существенную разницу на выходе и на входе.
- Затруднено регулирование температурного режима в разных помещениях.
- Частичное испарение теплоносителя обуславливает необходимость контроля его объема и пополнение.
- Низкая мощность системы.
Установка в отопительную систему насоса для принудительной циркуляции теплоносителя дает возможность более эффективно расходовать тепловую энергию, упрощает монтаж трубопровода и выбор оборудования.
Виды разводки трубопроводов
В зависимости от конкретных условий, разводка отопления двухэтажного дома может быть выполнена различными способами. Она может различаться от направления движения теплоносителя, по расположению относительно пола и по конструктивному решению в целом.
Коллекторная разводка
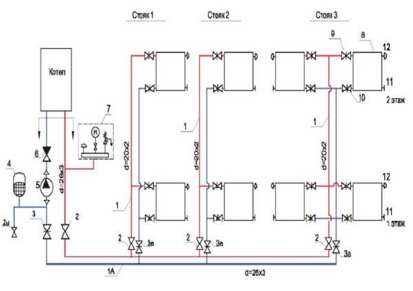
Коллекторная разводкаСуть лучевой или коллекторной системы отопления двухэтажного дома заключается в том, что запитка каждого из отопительных приборов происходит независимо друг от друга. Подобная система легко балансируется. Прокладка труб происходит по полу или в перекрытиях от коллектора, который монтируется на стене с заглублением в нише.
В зданиях, состоящих из двух уровней, на каждом из них имеется индивидуальный коллектор. Это дает в результате два автономных контура отопительной системы. Разводка при этом выполняется горизонтально, а теплоноситель перемещается принудительно.
Однотрубная схема отопления
Создание отопления двухэтажного дома по принципу ленинградской системы характеризуется последовательным подключением радиаторов, причем отдельная труба для обратной подачи отсутствует.
Движение теплоносителя из радиатора происходит в трубопровод, который служит для подачи. Отопление каждого уровня сооружение производится в двух параллельных контурах. При этом один из контуров ведет на второй этаж, и после запитки радиаторов идет на первый этаж, где соединяется с трубопроводом, который там пролегает. Каждый из контуров оборудуется краном, который располагается в его начале. При их помощи производится регулирование теплоотдачи и, при необходимости, прекращается подача на определенный этаж.
В работе однотрубной системы могут участвовать насосы или ее функционирование может осуществляться без них естественным образом. Существенным преимуществом этой конструкции является значительное снижение потребности в трубах. При этом очень затруднена балансировка системы, что связано с тем, что в каждый из последующих радиаторов поступает теплоноситель, потерявший температуру.
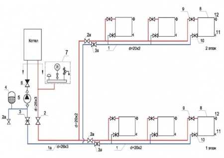
Двухтрубное отопление
Классической схемой отопления двухэтажного дома является сооружение двухтрубной горизонтальной системы. Не исключается возможность вертикального расположения стояков. Подобная конструкция предусматривает наличие линии, по которой производится подача теплоносителя, и труб, по которым теплоноситель, потеряв тепловую энергию, отводится в магистраль.
По сравнению с однотрубной системой, эта схема несколько дороже, но значительно практичней. С помощью двухтрубной системы имеется возможность регулировать индивидуально температурный режим в каждом помещении и этаже. На возможность реализации этой системы не оказывает влияние сложная конфигурация планировки и площадь дома.
Смотрите также
small-house.ru
Схема отопления частного двухэтажного дома своими руками
Одним из самых главных заданий перед окончательным ремонтом является именно установка системы отопления. Сначала нужно сделать правильную схему отопления двухэтажного дома для того, чтобы все удалось. Ведь с отопительной системой Вы будете чувствовать себя комфортно и уютно в своем собственном частном доме.
Рис. 1 План отопления двухэтажного домаОт правильного проекта отопления двухэтажного дома зависит эффективность и срок службы одноконтурного или двухконтурного отопительного оборудования, поэтому к этому делу нужно отнестись со всей серьезностью. Самое первая задача перед установкой одноконтурных отопительных агрегатов – это сделать расчет по поводу того, сколько нужно приобрести труб и других обязательных элементов крепления. Схема отопления двухэтажного дома зачастую требует установку двухтрубной системы.
Что нужно приобрести для того, чтобы установить одноконтурное или двухконтурное отопительное оборудование в доме:
- Во-первых, нужно определиться с выбором газового котла.
- Во-вторых, нужно приобрести батареи (радиаторы).
- Далее нужно подумать о количестве труб и о месте, где они будут устанавливаться.
- Стоит также подумать о том, как сделать правильную разводку.
- Далее нужно приобрести различные краники, фитинги и приборы для контроля и регулирования аппаратуры.
Если все правильно подобрать и следовать проекту отопления частного двухэтажного дома, то установка отопительной системы пройдет гладко и без проблем.
Какими бывают схемы отопления
Для того чтобы сделать правильную разводку отопления в двухэтажном доме необходимо решить, какую именно схему отопительной системы Вы будете себе устанавливать.
Их есть всего несколько:
- Схемы отопления двухэтажного дома могут быть как однотрубными, так и двухтрубными.
- Также они могут иметь верхнюю или нижнюю разводки.
- Стояки могут быть установлены как горизонтально, так и вертикально.
- Теплоноситель отопительных систем в коттеджах может иметь естественную или принудительную циркуляцию (что встречается гораздо чаще).
Самым идеальным типом газового отопления для большого дома является коллекторная система отопления двухэтажного дома. Если Вы решили установить у себя именно такую отопительную систему, то тогда в нее еще будут входить сам коллектор, циркуляционный насос (для принудительной циркуляции) и расширительный бак.
Рис. 2 Проект системы отопления двухэтажного домаДостоинства коллекторной схемы отопления двухэтажного дома:
- Благодаря такой схеме газового отопления тепло в коттедже расходится равномерно. А все из-за того, что она имеет циркуляционный насос, который принудительно циркулирует воду в системе.
- Коллекторное отопление двухэтажного дома распределяет равномерно теплую воду по всем радиаторам и трубам, благодаря чему создается одинаковая температура во всех комнатах.
- Из-за коллекторной системы разводка труб будет точной и правильной. Также, благодаря коллекторному отопительному оборудованию, температура может контролироваться на одном из этажей, или в одной из комнат, и даже в отдельной батарее. Это очень хорошо тогда, когда в доме живет много людей – один человек любит низкую температуру, другой – высокую, то есть каждый может в своей комнате выставлять комфортную для себя температуру.
Что такое отопительная система Ленинградка
Если Вы хотите сделать отопление частного двухэтажного дома своими руками, то тогда отопительная схема Ленинградка – это то, что нужно. Проект Ленинградки необычайно прост, поэтому имея минимальный опыт в этом деле, можно начинать устанавливать данное одноконтурное отопительное оборудование. Ленинградка – это однотрубная система, поэтому и считается, что ее легче всего установить.
Рис. 3 Схема газового отопления двухэтажного домаКак можно устанавливать систему отопления двухэтажного частного дома:
- Горизонтально.
- Вертикально (если помещение имеет больше одного этажа).
Так же, как и другое отопительное оборудование, теплоноситель проекта (схемы) Ленинградки может иметь как естественную циркуляцию, так и принудительную. Второй вариант разводки встречается гораздо чаще, так как его устанавливать гораздо проще, и он лучше работает. Есть еще и различные типы теплоносителя.
Это:
- Водяной тип теплоносителя.
- Антифризовый тип теплоносителя.
Схемы Ленинградки бывают как закрытыми, так и открытыми. Чаще всего закрытый проект Ленинградки, который имеет вертикальную разводку, встречается в схемах разводки отопления двухэтажного дома.
Достоинства данной отопительной системы:
- Ее схема проста и доступна практически каждому человеку.
- Стоит такое отопительное оборудование недорого, поэтому позволить себе его приобрести может тоже практически каждый житель нашей страны.
- Отдельные элементы, которые нужно приобрести по расчету к оборудованию, стоят также дешево.
- Хорошо еще и то, что данное оборудование легко поддается ремонту, с чьей бы то ни было стороны.
Что собой представляет лучевая отопительная система
Лучевая разводка – это очень удобная система для обогрева большого помещения с множеством комнат. Лучевая система отопления двухэтажного дома представляет собой обогрев помещения за счет инфракрасного излучения.
Лучевая конструкция – это достаточно сложная вещь, поэтому устанавливать и делать ее расчет должен только мастер.
Лучевая конструкция совмещает в себе:
- Газовый агрегат – это основной элемент отопительного оборудования в любой конструкции.
- Лучевая система требует принудительную циркуляцию, поэтому нужно еще и приобрести циркуляционный насос для этого дела. Благодаря ему в каждой комнате будет одинаковая комфортная температура. Циркуляционный насос – это гарантия успешной работы всего отопительного оборудования лучевого проекта.
- Еще одним из самых главных элементов лучевого оборудования – это приобретение коллектора. Если Ваш частный дом имеет больше одного этажа, то тогда следует ставить коллектор на каждом из них.
- Элементы разводки лучевого оборудования нужно куда-то прятать, потому что оно занимает достаточно много места. Для этого лучше сделать шкаф, который можно установить как внутри помещения, так и снаружи. А лучшим вариантом будет – это встроить его в стену.
Преимущества расчета системы отопления двухэтажного дома для лучевого оборудования:
- Очень хорошо то, что все элементы лучевой системы спрятаны от чужих, да и своих глаз. То есть можно с уверенностью сказать, что она никак не сможет испортить Ваш интерьер.
- Если изучить хорошо инструкцию, то монтаж данного отопительного оборудования можно произвести своими руками.
- Если все сделано по правильной схеме разводки, то тогда данная система будет работать долгое время без поломок.
- Такое отопительное оборудование является достаточно доступным по ценовой политике, поэтому позволить себе его приобрести может практически каждый житель РФ.
Печной и водяной обогрев помещения
Печное отопление двухэтажного дома имеет свое начало еще с очень давних времен. Печная конструкция представляет собой непосредственно печь, которая может обогреть небольшое помещение – максимум одноэтажное здание. Ее можно сделать и своими руками – главное, чтобы был правильно сделан дымоход. Схема и расчет печи должен делать профессионал, или можно просто обратиться к нему за помощью и самому сделать схему.
Особенно хороша печная конструкция для тех зданий (дач, например), которые находятся далеко от централизованной газовой магистрали. Так как для печной системы нужно твердое топливо, то есть дрова. Печная конструкция способна быстро обогреть помещение – буквально за час.
Рис. 4 Схема водяного отопительного оборудованияЕсли здание имеет больше 2 этажей, то тогда печная конструкция не сумеет обогреть его. Но зато печная конструкция может служить в качестве дополнительного источника тепла, а также в печной конструкции можно даже что-нибудь вкусненькое приготовить – получается невероятно вкусно. Идеальное место для установки печной конструкции – это центр помещения (центральное помещение в здании). Печная конструкция использует в качестве топлива древесину, дрова, уголь, кору и т. д. Поэтому печная конструкция и считается одной из самой экономной.
Есть еще одна отличная отопительная система (водяная) – это схемы водяного отопления двухэтажного дома. Это одна из наиболее популярных схем отопления двухэтажного коттеджа, так как цена на водяное отопительное оборудование низкая, а также водяное отопительное оборудование можно установить своими руками.
Статьи по теме:
Автономное отопление частного дома
Отопление двухэтажного дома с естественной циркуляцией
Схема отопления одноэтажного дома
kotlomaniya.ru
Схема отопления двухэтажного дома: виды и особенности
Оглавление:
Схема отопления двухэтажного дома: система стояков
Проект отопления двухэтажного дома с естественной циркуляцией теплоносителя
Коллекторная система отопления двухэтажного дома
Двухтрубная система отопления двухэтажного дома
Схема однотрубного отопления двухэтажного дома
Если сравнивать систему отопления одноэтажного строения и двухэтажного дома, то можно прийти только к одному выводу – двухэтажные постройки оборудуются более сложной системой обогрева. И дело здесь не только в наличии большой разветвленной системы трубопроводов – вся сложность заключается в изобилии всевозможного оборудования, без которого о высокой эффективности работы системы не может быть и речи. В этой статье вместе с сайтом stroisovety.org мы поговорим о том, какой должна быть схема отопления двухэтажного дома – мы выберем из всех возможных вариантов наиболее эффективный и подходящий именно для вашей постройки.

Как сделать отопление двухэтажного дома
Схема отопления двухэтажного дома: система стояков
Это одна из простейших систем, которая для своей работы требует минимум оборудования – по большому счету, она вполне может обойтись только циркуляционным насосом и стандартным вариантом расширительного бачка. Работает она довольно просто – нагретый теплоноситель выталкивается насосом в самую верхнюю точку системы отопления, после чего он продолжает двигаться по трубам за счет силы гравитации. Нагретая жидкость опускается по стоякам и, проходя через приборы отопления, отдает свою тепловую энергию в окружающую среду. Дальше теплоноситель попадает в систему обратного трубопровода, где под воздействием все того же циркуляционного насоса возвращается в котел на очередной цикл подогрева.
Кроме минимального количества оборудования, такая система отопления обладает и другими преимуществами. К ним можно отнести вполне приличную эффективность работы, которая выражается и в равномерном нагреве практически всех радиаторов; и минимальные расходы на материалы и оборудование; и возможность ее использования в безэлектрическом режиме работы – так сказать, в системе естественной циркуляции теплоносителя. Об этом немного позже, а пока сосредоточимся на ее недостатках. Самый главный из них – это невозможность использования такой схемы при обустройстве домов большой площади, т.е. чем большее количество стояков задействовано в схеме, тем ее работа становится менее эффективной. Решается этот момент либо с помощью установки более мощного циркуляционного насоса, либо посредством оборудования системы массой кранов, регулирующих токи воды.

Схема отопления двухэтажного частного дома
Проект отопления двухэтажного дома с естественной циркуляцией теплоносителя
По большому счету, это все та же система стояков, только работает она уже без использования циркуляционного насоса. Такая схема разводки технологически выглядит достаточно просто, но в монтаже имеет массу нюансов, упустить которые равносильно заранее снизить эффективность обогрева дома. Единственный ее плюс – это отсутствие необходимости использования электрической энергии, что немаловажно в местах, удаленных от линий электропередач.
Работает отопление с естественной циркуляцией исключительно согласно законам природы – с повышением температуры жидкости ее плотность изменяется, в результате чего появляется эффект расслоения. Горячий теплоноситель просто выталкивается холодным вверх, где горячая жидкость, достигая самой высокой точки системы отопления, начинает постепенно опускать вниз благодаря трубам, расположенным под небольшим уклоном. Следует понимать, что подающий и обратный трубопроводы имеют кардинально различное направление этих уклонов – подача заставляет течь теплоноситель от котла, а обратка, соответственно, к котлу.
К недостаткам систем с естественной циркуляцией теплоносителя можно отнести медленный прогрев системы и большой расход топлива на начальной стадии ее работы, большую вероятность завоздушивания и плохо контролируемую наполненность системы жидкостью. В принципе, в наш век дорогих энергетических ресурсов все эти недостатки блекнут с возможностью применения в таких отопительных системах котлов, работающих на любом виде топлива.

Система однотрубного отопления фото
Коллекторная система отопления двухэтажного дома
На сегодняшний день она считается наиболее продвинутой и эффективной – эта система способна обогревать дома даже огромной площади. Для ее работы нужна масса всевозможного вспомогательного оборудования – здесь, как правило, одним циркуляционным насосом дело не обходится. Основным узлом такой системы является коллектор – по-другому он называется распределительная гребенка. Если объяснять просто ее смысл, то это труба большого диаметра (он зависит от величины самой системы), установленная и на подачу, и на обратку, которая имеет несколько отводящих патрубков. На эти патрубки монтируются циркуляционные насосы, которые подают нагретый теплоноситель на отдельные ветки системы обогрева – таких веток может быть достаточно много. Следует отметить, что каждая из отдельных веток также может оборудоваться более мелким коллектором, который распределяет теплоноситель по зонам – достаточно часто такие распределительные гребенки применяют для устройства водяных теплых полов в помещениях с большой площадью.
Недостатком такой системы, как и говорилось выше, является очень сложное устройство, в котором главенствующую роль играет сама топочная – именно в ней сосредотачивается все оборудование, необходимое для отопления дома. К преимуществам, кроме указанных выше, можно отнести универсальность – с помощью дополнительного оборудования такая система может одновременно обеспечивать дом еще и горячей водой, причем в очень большом объеме.

Коллекторная система отопления двухэтажного дома фото
Двухтрубная система отопления двухэтажного дома
Это наиболее распространенная схема, согласно которой может выполняться монтаж отопления двухэтажного дома своими руками – ее особенность заключается в использовании двух отдельных трубопроводов (подающего и обратного), закольцованного между собой через отопительные приборы (батареи). Ее основное преимущество, по сравнению с однотрубной схемой отопления (о ней мы поговорим дальше), заключается в том, что нагретый теплоноситель попадает в радиаторы, так сказать, напрямую, минуя все остальные приборы отопления. Благодаря этому все участники данной системы прогреваются примерно одинаково. Потери тепла по пути следования воды, конечно, есть, но они распределяются равномерно путем регулировки подачи воды кранами.
По сути, такая схема монтажа может применяться ко всем вышеописанным системам, в том числе и к естественному отоплению, как и у них, здесь может использоваться дополнительное оборудование в виде насосов, теплообменников и тому подобных вещей. На сегодняшний день в паре с коллекторной схемой двухтрубная система отопления считается наиболее эффективной в работе, особенно если речь идет о многоэтажных домах большой площади. Недостатком можно считать сложный монтаж и дороговизну изготовления.

Двухтрубная система отопления двухэтажного дома фото
Схема однотрубного отопления двухэтажного дома
Монтаж отопления в таком доме согласно этой схеме используется только в том случае, когда система состоит из минимума отопительных приборов и имеет небольшую длину трубопроводов. Смысл этой системы заключается в кольцевом движении теплоносителя от подачи к обратке котла, практически минуя отопительные приборы. Они устанавливаются на одну трубу – то есть и подача батареи, и ее обратка врезаются в один единый магистральный трубопровод. Отсюда и ее главный недостаток – к последним на этом трубопроводе батареям доходит практически охлажденный теплоноситель. Такую систему можно считать примитивной и малоэффективной для больших домов. Ее работоспособность несколько увеличивается при использовании мощного циркуляционного насоса и радиаторов отопления с малым объемом жидкости. Если говорить о достоинствах отопления двухэтажного дома ленинградка, то здесь можно указать только одно – хорошая работа в небольших строениях площадью до 120 квадратных метров.

Схема однотрубного отопления двухэтажного дома фото
И в заключение этого небольшого обзора схем отопления добавлю только одно – как правило, в чистом виде они используются редко, особенно если речь идет о внушительных отапливаемых площадях. В большинстве случаев встречаются комбинированные варианты – в частности, объединяется в одну систему и коллекторная схема отопления двухэтажного дома, и схема со стояками, которые могут транспортировать теплоноситель по одной, но чаще всего по двум трубопроводам.
Автор статьи Александр Куликов
stroisovety.org
