Провести проводку в доме своими руками видео – Электропроводка в доме своими руками пошаговая. Проводка в частном доме
Проводка в доме своими руками
При работе с электричеством крайне важно соблюдать ряд правил и предосторожностей, так как электрический ток способен нанести вред здоровью и жизни человека. Именно потому монтируя проводку в доме своими руками, важно помнить о них и хорошо представлять особенности обращения с токопроводящими устройствами.
Основы техники безопасности
Выбирайте медные провода- При проведении любых работ, связанных с электричеством, важно перед началом отключить электропитание в помещении.
-
Клемма для соединения медного и алюминиевого провода в случае необходимости Выбирая новые провода, обращайте внимание на то, что все провода должны быть из меди с двойной изоляцией для защиты. Если в доме где-то сохранились участки проводки из алюминия, их лучше сразу заменить. Соединение алюминиевых элементов с медными со временем может привести к короткому замыканию и плавлению. При установке счетчика нужно выбирать место при входе для безопасности дальнейших работ. Желательно сразу предусмотреть установку УЗО – устройства защитного отключения, а также заземляющие контуры.- Все провода должны быть изолированы, даже те, что располагаются в труднодоступных местах. Соединения обязательно помещают в специальные изоляционные короба для безопасности эксплуатации.
- Перед началом работ важно начертить подробный план укладки сетей, особенно если проводка будет скрываться под штукатуркой. Тогда в дальнейшем вы сможете проводить ремонт отдельных участков или добавлять розетки без риска повреждения существующих линий.
-
Схема правильного расположения проводки Есть правило размещения электропроводки, которого нужно строго придерживаться: все линии укладываются только прямо по горизонтали или вертикали, при этом категорически запрещено прокладывать проводку по диагоналям или кривым. - Если вы уложили проводку открытым способом, то она должна быть помещена в изоляционные короба для сохранности. Для удобства эксплуатации розеток и включателей их располагают на одном уровне, с одной стороны от дверей.
Виды проводки
Для укладки в помещениях используют 2 вида проводки: открытую и скрытую. У каждого из них есть свои преимущества и недостатки и это нужно учитывать при выборе.
Открытая проводка может протягиваться в любом месте стены, поскольку ее для удобства и безопасности накрывают специальными коробами и защитными элементами. К ней всегда есть доступ для ремонта или подключения дополнительных элементов электросети. Однако этот вид не очень эстетично смотрится в помещениях, а декорировать его обоями или карнизами нежелательно – это увеличивает опасность возгорания. Данный способ используют, только если нет возможности уложить кабели закрытым методом.

Скрытая проводка прячется в специальные штробы, которые пробивают в стенах. Иногда сети укладывают в короба и прячут под штукатуркой или другой стеновой отделкой. В дальнейшем такой вид электропроводки сложно ремонтировать, ведь найти поврежденный участок достаточно проблематично, для этого необходимо аккуратно демонтировать покрытие и только потом вести ремонтные работы. Если у вас выполнен закрытый монтаж, то при сверлении стен важно не повредить кабели. Такой способ не портит внешний вид стен в процессе эксплуатации, но при каждом ремонте нужно быть готовым к дополнительным расходам по восстановлению покрытия.
Прокладка скрытой проводкиНередко используют комбинированный вид укладки, когда важные соединения оставляют на виду, а остальные провода прячут в штробы.
Подготовка к работам
Необходимый инвентарьПеред началом работ составляется подробная схема укладки проводки и расположения электроприборов. Основными элементами здесь являются:
- провода;
- счетчики;
- выключатели;
- розетки;
- защитные устройства, предохранители и реле;
- короба установочные или монтажные.
Термоусадочная трубкаДополнительно приобретают также переходники для соединения проводов, изоляционную ленту и тестеры. Из инструментов понадобятся отвертки с индикаторами, плоскогубцы, болгарка и диэлектрические перчатки, в которых необходимо вести работы по соединению кабелей.
Монтаж проводки в доме
Начинаются работы с монтажа счетчика, затем устанавливаются защитные устройства. После этого необходимо пробить штробы под сети, это делается при помощи болгарки или долота. В готовые углубления укладываются провода и крепятся специальными петлями. Сверху все закрывается гипсовой или алебастровой смесью.
Скобы для проводкиВ случае открытого монтажа сети крепятся прямо на стены особыми электроустановочными скобами, а затем закрываются коробами.
Обратите внимание! В деревянном доме безопаснее и проще выполнять открытую проводку.
Штробление под розеткуДля розеток и выключателей выполняются углубления при помощи бура или перфоратора. Подрозетники также крепятся алебастром или на шпаклевку. Таким же образом крепят и короба для соединений и разводок. После соединения и подключения всех элементов необходимо проверить исправность сети.
Видео
Инструкцию по монтажу электропроводки смотрите ниже:
Фото
Крепление скобами
Короб для проводки
Открытая проводка в гофре
Винтажная открытая проводкаСхемы
Простейшая схема подключения выключателя
Схема подключения УЗО
Схема подключения люстры к двухклавишному выключателю 
stroysvoimirukami.ru
Проводка в доме своими руками – электрика без посторонней помощи + видео
Не каждый домашний умелец знает, как правильно прокладывается электропроводка в доме своими руками. Мы поможем сформулировать основы для начинающего мастера и оснастить дом светом и теплом.
Монтаж проводки в доме – выбираем способ
Устройство электрокоммуникаций можно осуществлять как открытым, так и закрытым способом. Открытый тип прокладывают на поверхности стены, прикрывая кабели пластиковыми трубками или плинтусами. Уровень высоты для этого типа не регламентируется и выбирается произвольно. При выполнении монтажных работ открытой проводки запрещено совмещение кабелей различной мощности в одном плинтусе. Причем данные декоративные элементы необходимо выбирать из несгорающего материала, который, к тому же, обладает изоляционными свойствами. В подвальных и чердачных помещениях кабели укрепляют при помощи специальных скоб.
Электропроводка скрытого типа располагается в специально предназначенных для этой цели пустотах, внутри конструкций подвесных потолков или перегородок. Прокладывание силового кабеля рекомендуется делать одновременно с устройством полов. Если готовых ниш нет, то производится штробление стен, а в полученные борозды и укладывается провод. При устройстве электросистемы для осветительных приборов под слоем штукатурки необходимо применять кабели, имеющие защитную изоляцию.

Как проложить проводку в доме – особенности планирования
Делая монтаж электропроводки в частном доме, необходимо помнить, что скрытые штукатуркой коммуникации должны пролегать идеально ровно по горизонтали или вертикали. Прокладывая кабели во всевозможных пустотах, можно выискивать кратчайшие пути, экономя при этом провод. Монтируя электричество в подвесных конструкциях потолков, необходимо применять материалы, которые не поддерживают горение. Выполняя монтаж в помещениях с высокой влажностью, не применяйте провода, имеющие защитную оболочку из металла.
Прежде чем начинать работы, необходимо тщательно продумать, как провести электропроводку в доме, соблюдая все правила безопасности. Ведь неправильно выполненные работы могут иметь неприятные последствия. В местах разветвления кабеля необходимо устанавливать специальные распределительные коробки, которые будут скрывать места соединений и предохранять их от нежелательного замыкания. Выполняя монтаж скрытого типа проводки, необходимо устанавливать розетки и выключатели особого вида.

Высота установки электрокабеля регулируется самостоятельно, но должна быть не менее 40 см от пола, для безопасности жильцов дома от поражения электричеством в случае непредвиденного затопления. Следуя регламентам техники безопасности, розетки следует устанавливать на значительном расстоянии от раковин и радиаторов отопления. Расстояние между этими объектами должно быть не менее 50 см.
Установка же розеток в помещениях, предрасположенных к высокой влажности (бани, сауны), допускается на расстоянии, превышающем 2,6 м от источника воды.
При установке электродвигателей и различного другого силового оборудования необходимо выбирать модели, доступ к внутренней части которых возможен только при помощи специальных инструментов. Подключение приборов и электроплит требует применения кабеля, имеющего соответствующее сечение и обязательно покрытого металлической оболочкой. Такой провод можно прокладывать под полом, выбирая наиболее короткий путь от автоматов к прибору.
До того, как проложить проводку в доме, необходимо составить на бумаге подробный план, отмечая на нем каждый выключатель и места расположения отопительных и силовых приборов. При помощи схемы можно точно рассчитать необходимое количество кабелей определенного сечения, что позволит серьезно сэкономить средства. Далее мы расскажем, как выполнить электропроводку в доме, и даже самый далекий от электричества человек сможет это сделать самостоятельно.
Проводка в доме своими руками – приступаем к работам
Монтаж электрокоммуникаций не представляет ничего сложного, главное – это соблюдение необходимой последовательности, и обязательно все получится. Так что теперь самое время приступить непосредственно к обсуждению процесса, как сделать электропроводку в доме.
Как сделать проводку в доме своими руками — пошаговая схема
Шаг 1: Разметка
Прежде чем начинать монтаж, независимо от выбранного типа, необходимо сделать разметку, начертив непосредственно на стене места, где будут располагаться распределительные коробки, выключатели и, конечно же, розетки. Также необходимо отметить трассу прохождения проводов, где они будут монтироваться. Разметка делается при помощи мелка или маркера и длинной линейки. В качестве упрощенного варианта, чтобы разметить места прохождения кабеля, можно использовать капроновый шнур, окрашенный яркой краской.
Шаг 2: Подготовка посадочных мест
С помощью перфоратора в местах, где будут располагаться распределительные коробки, необходимо высверлить отверстия, диаметр которых не должен превышать 70 мм. А там, где предполагается вход провода, пробиваются дополнительные углубления для облегчения монтажных работ. При работе с перфоратором желательно место сверления периодически смачивать водой. Это поможет сохранить сверло, да и пыли будет значительно меньше.
В местах проведения электроосвещения сквозь стену в другое помещение необходимо сделать отверстия небольшого диаметра. Если создаваемая своими руками электропроводка частного дома по плану будет монтироваться в стену, в ней необходимо выштробить борозды, точно соответствующие схеме. Для этого подойдет болгарка или специально предназначенный строительный штроборез. Работая с болгаркой или перфоратором, для сохранения своего здоровья необходимо соблюдать определенные меры безопасности.

Шаг 3: Монтаж электропроводки
Укладывая провода, необходимо двигаться от распределительного щита в направлении монтажных коробок, постепенно переходя на осветительные приборы. Фиксацию кабеля на стене нужно делать при помощи крепежей, которые устанавливаются на расстоянии около 30 см. Места входа провода в распределительную коробку, а также все изгибы закрепляются дополнительно. Для фиксации можно использовать всевозможные остатки и обрезки провода, которые прибивают к стене, захватывая при этом монтируемый кабель. Также можно закреплять коммуникации, уложенные в углубления, при помощи раствора с добавлением алебастра.
Шаг 4: Установка монтажных коробок
Прокладка электропроводки в доме делается до проведения оштукатуривания помещения. Распределительные коробки устанавливают при помощи алебастрового раствора, небольшое количество которого закладывается в углубление. Прежде чем установить этот элемент, в него заводят провода, затем с применением определенной силы вдавливают в растворную массу, но так, чтобы края коробки выступали над поверхностью стены. Все подобные элементы должны находиться на одной горизонтали для ровного распределения выключателей.

Шаг 5: Соединение проводов
Прежде всего, с проводов снимается слой изоляции на расстоянии до 5 см от концов, тщательно при этом их зачищаем. Затем, внимательно следя за тем, чтобы ничего не перепутать, скручиваем их при помощи пассатижей, откусывая лишние концы кусачками, при этом оставляя скрутку не более 3 см. Соединив в нужном порядке провода, их изолируют обычной изолентой и закрывают крышки коробок. Выполнив таким образом монтаж, можно делать подключение электропроводки в доме к сети центральных электропередач.
Оцените статью: Поделитесь с друзьями!
remoskop.ru
Проводка в доме своими руками

В данной статье мы расскажем как сделать проводку в доме своими руками, покажем схемы монтажа, а также фото/схемы и видео инструкции.
Техника безопасности

- При выполнении всех работ дом должен быть обесточен. При этом не имеет значения, проводится в нем электричество в первый раз или просто производится замена проводки.
- При выборе проводов надо остановиться на медных с двойной защитной изоляцией. Однако если в доме есть старые электросистемы, надо убедиться, что в них не устанавливались алюминиевые элементы. Соединение меди с алюминием ведет к плачевным последствиям. Все старые алюминиевые элементы лучше заменить на новые.
- При установке счетчика электричества надо выбрать место на входе. Это значительно упрощает в будущем различные ремонтные работы.
- Лучше сразу обеспечить электросистему устройством защитного отключения (сокращенно УЗО). Это обезопасит всех жильцов дома. Также надо заранее продумать расположение контура заземления, если он еще не установлен.
- Никогда не надо использовать оголенные провода, даже если речь идет о труднодоступных местах. Такая экономия может обойтись очень дорого.
- Все ответвленные части и их соединения надо поместить в короба. Это необходимая мера безопасности. Электропроводка обязательно должна находиться в защитной оболочке.
- Во время ее прокладки надо составить план расположения. Это особенно важно, если проводка устанавливается скрытым методом. В будущем такая предусмотрительность облегчит жизнь.
- Провода следует располагать строго по прямым горизонтальным и вертикальным линиям. Нельзя прокладывать их по диагонали или кривой, даже в целях экономии.
- Во время любых строительных работ надо сверяться с планом. Особенно это касается различных сверлильных работ, когда велик риск, задеть провод.
- Если коммуникации расположены открытым методом, то их необходимо поместить в короб.
- Все выключатели и розетки должны быть расположены с одной стороны от двери и на одинаковой высоте. Такая мера гарантирует удобство эксплуатации.
Разновидности монтажа проводки

Перед тем как провести проводку в доме, следует вспомнить, что сделать это можно двумя способами: открытым и закрытым. Закрытый метод имеет свои достоинства и недостатки. Основной плюс такого способа проведения электричества — проводов не видно.

Наружный вид стен не портят короба и другие конструкции. Однако спрятанный в толще стены провод легче повредить во время различных строительных работ, поэтому лучше иметь подробный план электрокоммуникаций в доме. К тому же, любые работы с проводами автоматически в этом случае предполагают новый ремонт.

Скрытая проводка возможна далеко не в каждом доме. А вот открытую можно разместить где угодно, даже там, где есть шанс скрыть ее в штробах. Открытый монтаж дает возможность работы с электричеством без предварительного демонтажа покрытия стен. Такой короб очень просто вскрыть. Однако сама конструкция, по мнению некоторых, уродует внешний вид стен и плохо поддается декорированию.
Для облегчения доступа к проводам при скрытой прокладке возможен частично скрытый монтаж. Некоторые наиболее важные узлы оставляют открытыми, чтобы обеспечить доступ к проводу.
Проектирование

Перед тем как провести электричество в дом, надо составить подробный план проводки с условными обозначениями различных приборов. При этом совсем нет необходимости изучать обозначения, которые приняты официально. Здесь подойдут собственные условные символы, главное, чтобы они были понятны мастеру. Вот основной список приборов, которые будут использоваться при работе и которые надо как-то обозначить на плане:
- провода;
- счетчик;
- выключатель;
- розетка;
- предохранители;
- реле напряжения;
- установочные и монтажные коробки;
- УЗО.
Все обозначенные приспособления придется приобрести в магазине. Также надо купить клеммники для соединения , изоленту и «пробники». В заключение понадобится различный инструмент. Все работы желательно проводить в резиновых перчатках для безопасности.
Скрытая

УЗО, счетчик и реле надо вмонтировать в учетный щит. После этого можно приступать к остальным работам.
- При помощи зубила надо провести в стенах помещения штробы — борозды, в которых будет размещаться провод. Эту же работу можно легко сделать болгаркой со специальным абразивным диском. Подойдет для работы и долото, но с ним придется попотеть.
- Для закрепления в штробах надо воспользоваться специальными петлями. Сверху провода закрываются алебастром или гипсом.
- При помощи бура и перфоратора надо сделать углубления для розеток и выключателей. Подрозетник устанавливается в выемку на алебастр.
- Распаячные коробки устанавливаются точно так же.
Открытая

Открытая проводка устанавливается еще проще, чем скрытая. Именно с нее лучше начинать новичкам. Единственная сложность, которая может тут возникнуть, это установка закрывающих коробов. Однако такие работы не должны вызвать существенных затруднений при использовании современных материалов.
Открытый монтаж настоятельно рекомендуется в деревянных домах. Скрытая проводка может вызвать возгорание. К тому же, проделывать штробы в бревнах и брусе не слишком легкое занятие.
Провод крепится к стене электроустановочной скобой, а потом прикрывается декоративным коробом. Короб служит не только для декоративных целей, но также защищает коммуникации. Внешнего вида помещения он не портит.
Полезные советы

Соединение новых медных и старых алюминиевых проводов возможно, но это не должно производиться на длительный срок. Для соединения применяют клемники. Рано или поздно соединение двух металлов произведет коррозию, что небезопасно. Лучше заранее заменить старые коммуникации.
При работе с приборами и инструментами, когда еще нет электричества в доме, возникает проблема подачи энергии. Спасти может автономный электрогенератор или соседи.

Внутренняя проводка в доме — это только половина решения проблемы. Вторая половина — подсоединение к внешним источникам питания. Подключение к энергосетям можно получить только предоставив документ на то, что проводка проводилась фирмами, имеющими соответствующее разрешение на такие работы. Поэтому без приглашения специалистов не обойтись. Однако в этом случае все обойдется намного дешевле. Если проводилась замена старых коммуникаций, то проблем вообще не возникнет.
Видео
Узнайте о нюансах организации проводки в деревянном доме.
Вот еще один видеоматериал об организации проводки.
Схемы
Ниже приводится ряд схем, которые можно взять за основу для изготовления проводки в частном доме:

















www.stroitelstvosovety.ru
Монтаж электропроводки своими руками видео
По просьбам моих читателей и подписчиков сделал 4 части пошаговых видео уроков. В которых, очень подробно представлено выполнение работ по прокладке электропроводки, на примере детской комнаты. С удовольствием, предлагаю вам к просмотру данный пошаговый видео курс, «как выполнить монтаж электропроводки своими руками».
Хочу отметить, что первым этапом выполнения монтажа электропроводки является составление ее схемы. В которой необходимо учесть:
- особенности помещения;
- места расположения мебели;
- места расположения электроприборов.
Более подробно о первом этапе можно почитать в соответствующей статье, «Схема электропроводки в квартире».
Монтаж электропроводки своими руками Видео инструкция
Часть 1
Содержание:
- разметка мест расположения розеток и светильников;
- разметка маршрута прокладки провода;
- крепление провода к стене;
- прокладка провода по подготовленному маршруту.
Электропроводка своими руками Видео инструкция
Часть 2
Содержание:
- разметка мест расположения розеток и выключателя;
- разметка маршрута прокладки провода;
- крепление провода к стене;
- прокладка провода по подготовленному маршруту.
Срытая электропроводка своими руками Видео инструкция
Часть 3
Содержание:
- подготовка отверстия для распределительной коробки;
- поиск вентиляционного отверстия в плите перекрытия;
- протяжка провода в плите перекрытия;
- изготовление отверстия несущей стене;
- крепление провода;
Монтаж электропроводки своими руками Видео инструкция
Часть 4
Содержание:
- фиксация распределительной коробки в заранее подготовленном отверстии;
- заводим провода в коробку;
- выполняем соединение проводов в распределительной коробке, собираем схему;
- изолируем соединения, укладываем в распределительную коробку;
- изолируем концы проводов выведенных под розетки и выключатели.
Вы просмотрели серию видео уроков, в которых подробно описано как выполняется скрытая электропроводка своими руками. Следующим этапом строительных работ является оштукатуривание стен, после чего проводятся следующие электромонтажные работы:
Используя соответствующие пошаговые инструкции и руководства нашего сайта вы без труда сможете выполнить монтаж электропроводки самостоятельно.



elektrika-svoimi-rykami.com
Монтаж электропроводки в частном деревянном доме своими руками: Пошаговая инструкция и схема как развести+Видео
В случае, когда электропроводку монтировать в вашем доме будет специалист, данная информация для Вас не станет бесполезной.
Подобные знания вам понадобятся для того, чтобы контролировать правильно и качественно ли осуществляется монтаж, а также помогут понять, что необходимо для проведения таких работ: материалы, инструменты и оборудование.
Помимо всего прочего, при проживании в доме, происходят ситуации, при которых требуется ремонт или замена отдельных звеньев электропроводки в доме, но ведь не всегда есть возможность вызвать электрика. Именно в этом случае вам понадобится эта информация. Зная, как осуществлялся монтаж электропроводки, у вас обязательно сложится образ, путь, где она проложена, из какого материала, какое сечение проводов, на какую нагрузку они рассчитаны.
Как провести подготовительные работы для устройства электропроводки?
Чтобы приступить к монтажу, необходимо начать с подготовительных работ: составить схемы электропроводки, разметить, заготовить осуществить пробивочные работы.
Во-первых, требуется определиться с местами введения питающего кабеля в дом и местом установки распределительного щитка. Зачастую его установку производят недалеко от ввода в дом, на высоте 1500-1700 мм в теплом помещении.
Потом можно составлять электрическую и монтажную схему электропроводки, на основании которых можно будет выполнить разметку тех мест, где будут установлены розетки, выключатели, электроприборы, бра, светильники, соединительные коробки и т.п.
По завершении разметки расположения электрооборудования можно выполнять разметку линий, по которым потом пройдет электропроводка к таковому.
Схемы разводки
Итак, в частном доме требуется составление двух схем: электрической и монтажной.
- Первая схема предназначена для определения необходимого количества энергопотребителей, электротехнических устройств, и метода их подключения.
- Вторая схема требуется для определения места монтирования всех устройств, расстояния между ними и необходимого количества провода и дополнительного материала.
Такие схемы можно составить огульно, не придерживаясь никаких требований, достаточную для понятия самому.
При этом, полезно придерживаться нижеуказанных советов:
1.Для розеток, в которые будут включаться бытовые приборы с большой мощностью, к примеру, стиральная машинка, электрический водонагреватель, электрическая плита и т.п требуются проработать потенциал подключения заземления и установки для этого электропроводки из проводов («фаза», «ноль», «земля»).
Как правило, не требуется монтирование заземления светильников, исключение составляют помещения с повышенной влажностью, например ванная комната.- При подключении розеток и осветительных приборов требуется разделение линий электропроводки. Помимо этого, светильники и розетки предпочтительно разбить по группам по следующим соображениям:

- медный провод сечением 2,5 мм2 используют при подключении групп розеток, при этом общая мощность не может превысить 4,6 кВт;
- провод с сечением 1,5 мм2 для осветительных приборов — мощность одной такой группы не может превысить 3, 3 кВт;
- приборы с большой мощностью должны подключаться в отдельную розетку, которая не соединена ни с какой группой;
- не стоит планировать установку и подсоединять розетки «шлейфом», особенно розетки с заземлением.
Все линии электропроводки подсоединения осветительных групп, отдельных и групп розеток нужно привести к распределительному щитку с автоматами. Для каждой группы или индивидуальной розетки будет правильным предусмотреть отдельный автомат.
Необходимое требование: соответствие мощности автомата сечению проводки, это значит, что автомат должен сработать раньше, чем начнется процесс плавки изоляции или горения провода. Как правило, для групп освещения эта мощность равна 10 -16 А, для группы либо индивидуальной розетки — 16, 25 и даже 40 А.
Допустимая величина электрического тока для проводника будет зависеть от сечения, материала и условий охлаждения. Допустимая плотность тока — это отношение max допустимого тока к сечению провода. Для медных проводов разных видов она варьирует в границах 7-15 А/мм2, для алюминиевых – 5-10 А/мм2.
Как узнать общую мощность приборов?
Чтобы узнать силу тока, необходимо разделить общую мощность потребителей, которые подсоединены на этот провод, в ваттах, на 220 (однофазная сеть). Т.е., при максимальной мощности группы 5 кВт, сила тока равна 5000:220=22,7 А.
Определить подходящее сечение провода можно путём деления максимального тока нагрузки на определённом участке электропроводки на плотность тока для этого вида проводника, а можно выбрать его по специальной таблице. Т.е. при силе тока равной 22,7 А, а плотности проводника 9 А/мм2 подойдёт сечение 2,5 мм2.
Подсчитывая общую мощность энергопотребителей по всему дому нужно учитывать тот факт, что обычно одновременно всё не включается. В этом случае используют поправочный коэффициент спроса. В случае, когда общая мощность менее либо равна 14 кВт он равен 0,8, до 20 кВт – 0,65, до 50 – 0,5.
Рассчет мощностиКак правильно провести разметку?
Работу по разметке для монтажа электропроводки начинают, с разметки основного пути проводов от электро-щитка, а также всех их поворотов, ответвлений и проходов сквозь стены. При разметке соблюдаем следующие правила:
Разметка проводки с отступами- провода на стене должны монтироваться либо параллельно, либо перпендикулярно полу;
- разметка пути горизонтальных участков должна быть на 0,2 м ниже потолока, что снизит вероятность повреждения электропроводки;
- при поворотах электропроводки, вертикальных или горизонтальных, должен соблюдаться угол 90°;
- при монтаже трассы по междуэтажным или чердачным перекрытиям путь до осветительных устройств размечается кратчайший от соединительной коробки.
Чтобы разметить трассу, можно прибегнуть к помощи специального разметочного шнура, его можно купить , а можно изготовить самому, путём окрашивания обычного шнура краской, углём либо мелом.
Размечая, один конец шнура закрепляется в начальной пункте, а другой натягивается параллельно стене либо потолку, прижимая к конечной точке отрезка. Другой рукой средину шнура отводят и бросают. Ударяясь о стену или потолка, шнур оставляет четкий след.
После того как разметка закончена, не спешите выбрасывать монтажную схему электропроводки, она может пригодиться в случае ремонта.
Соединительная коробкаУстановку соединительных коробок размечают в местах разветвлений электропроводки, спуска к розеткам или выключателям.
Если вы планируете монтировать скрытую электропроводку, в этом случае размечают точки для установочных коробок, куда будут помещены выключатели и розетки скрытого исполнения.
Выключатели, как правило, помещают у входа в комнату со стороны нахождения дверной ручки, можно внутри, а можно и снаружи её.
Выключатели монтируют на высоте 1,5 м либо 0,5-0,8 м от пола- это стандарт. Наиболее популярный вариант номер два. Размечая путь проводов к выключателю, следует помнить, что расстояние до косяка двери не может быть менее 0,1м.
- В настоящее время высота монтажа розеток не регламентирована. Главным аргументом здесь будут удобство.
- Когда вы планируете установить в комнате письменный стол, то монтаж розетки необходимо осуществлять так, чтобы она находилась выше крышки стола.
- На кухне розетки размещают выше столешницы кухни на высоте 0,9 м. Зачастую имеет смысл установить двойные или тройные розетки.
Расчёт розеток в жилой комнате проводиться, как правило, следующим образом, на каждые 400 см периметра, как минимум одна розетка, рассчитанная на ток 10(16)А.
На кухне, как правило, требуется установка примерно четырех розеток, которые рассчитаны на ток 10(16)А.
В стене между смежными комнатами возможна планировка установки внутренних (скрытых) выключателей либо розеток, которые будут находится на одной оси по разным сторонам стены.
Осуществляя разметку установки розеток стоит учитывать правила техники безопасности, которые гласят следующее: расстояние до заземленных металлических приборов может быть не менее 0,5 м. Запрещено устанавливать розетки в кладовках. При возникновении такой необходимости, и выключатель и розетку можно установить на стене перед кладовой.Для стиральной машины, электроплиты, кондиционера, электро-водонагревателя, душевой кабины и электро-котла необходимо предусмотреть индивидуальные розетки, с отдельной проводкой от распределительного щитка.
Проводя разметку установки розеток и выключателей в ванной комнате, санузле, душевой либо сауне, не забывайте, что эти помещения имеют повышенную влажность.
Они имеют 4 зоны по электробезопасности:
К 0-ой зоне относят зону размещения кранов или смесителей;
К 1-ой зоне относят зону, где установлены сами ванна, душ, умывальник, раковина, сауна;
Вторая зона определяет пространство в радиусе 60 см вокруг самих ванной, душа, умывальника, раковины, даже если они имеют стационарные перегородки; третьей зоной называют пространство в радиусе 240 см вокруг второй зоны.
Устанавливать выключатели и розетки можно только в третьей зоне, они должны быть защищены УЗО на ток до 30 мА.
Разметка светильниковСветильник на потолке, как правило, монтируется по центру комнаты.
Чтобы определить местоположения светильника на полу комнаты размечаем две диагонали, место их пересечения и есть центр. При помощи отвеса переносим центральную точку на потолок и затем размечаем к ней путь монтирования электропроводки от соединительной коробки.
Если вы решили установить на потолке данной комнаты несколько светильников , то первым делом определяют осевую линию на центре в длину комнаты, а затем на этой линии отмечают пункты размещения светильников, которые затем переносятся на потолок.
Заготовка и резка проводов
До начала монтажа электропроводки, стоит провести нарезку провода на куски, длина их будет равна пространству между соединительной и установочной коробками, светильниками и другими устройствами. Провод нарезать на куски нужно с небольшим запасом 0,1-0,15 м, который необходим для того, чтобы соединить их между собой и подключить к электроприборам.
В том случае, при котором расстояние между пунктами монтажа больше, чем имеющиеся куски провода, то возникает необходимость установки промежуточной соединительной коробки, что не очень хорошо. Наилучший вариант — целые куски провода.
Как правильно осуществить монтирование открытой и скрытой электропроводки в частном доме?
При завершении подготовительных работ приступают к монтажу электропроводки, пользуясь ранее составленной монтажной схемой.
Для монтажа в частном доме желательно применяя медную проводку с сечением 1,5 – 2,5 мм2. Провод большего сечения используется при подключении больших потребителей электроэнергии, тем самым уменьшив сопротивление электропроводки и увеличив надежность таковой.
Способ монтажа электропроводки может быть открытым либо скрытым. Это определяет материал, из которого сооружены стены, и некоторые другие факторы.
Открытая электропроводка
Монтаж электропроводки открытым способом выполняется, как правило, в деревянных домах либо когда в помещении выполнены отделочные работы. В этом случае электропроводка проводка монтируется по асбестовой подкладке, в также в гофрорукаве или кабель-каналах (электрокоробах) либо в пластиковых плинтусах.
Открытая проводкаВ настоящее время при открытом способе монтажа используется гофрорукав или электрокороб.
Так как вид гофрорукава на эстетический не претендует, его используют при монтаже проводки подсобных и хозяйственных помещений, а для жилых комнат используют электрокороба (кабель-каналы) либо полости пластиковых плинтусов.
Закрепить гофрорукав к стене или потолку можно при помощи пластиковых держателей, которые крепятся при помощи шурупов, саморезов или дюбелей — это зависит от материала потолка или стены.
Чтобы прикрепить кабель-канал, необходимо сразу закрепить нижнюю часть, затем уложить в неё электропроводку и закрыть верхней частью короба, путем прижатия к нижней до щелчка замка. При возникновении необходимости проверить провода верхняя часть короба легко отщёлкивается.
В местах разветвления электропроводки, устанавливают специальные соединительные коробки.
Открытый способМонтаж розеток и выключателей, при открытом способе, производится на «подрозетниках» из изоляционного материала, коим может служить сухое дерево, оргстекло, текстолит или пластик.
Подрозетник вырезается в форме круга, диаметром 6-7 см и толщиной примерно 10 см. Сначала к стене прикрепляют подрозетник при помощи шурупов с потайной шляпкой либо клея, а потом на него крепят розетку или выключатель, не имеющие наружного пластмассового корпуса.
После этого к розетке подсоединяют «фазу» и «ноль», а в защищенных розетках и «заземление».
Выключатель подсоединяют в разрыв «фазы», это значит, что из соединительной коробки к нему ведут лишь «фазу», которая проходя через выключатель, опять вернётся к соединительной коробке по другому проводу и в ней соединяется с «фазой», которая идёт к светильнику, а «ноль» подводят прямо к светильнику, обходя выключатель.
Определить «фазу» можно обозначив проводки биркой либо запомнить цвета изоляции проводов. Когда электропроводка смонтирована и подключена, определить «фазу» поможет индикатор.
Скрытая электропроводка
Выполнение монтажа скрытой электропроводки производится в монолитных домах, домах из кирпича,а также искусственных и природных камней и т.д.
Скрытая проводка в каркасном домеВ домах из камня или кирпича монтаж скрытой электропроводки производят в специальных каналах, так называемые штробы, их прорезают по пути будущей проводки, по окончанию монтажа заделывают штукатуркой.
Следует учитывать, что в местах будущего расположения установочных либо разветвительных коробок для розеток, выключателей или регуляторов делают проемы глубиной примерно 6-7 см (это зависит от размера коробок). Установить и зафиксировать коробки в таких выемках можно с помощью раствора цемента или гипса.
Монтаж скрытой электропроводки отличается большой трудоемкостью. И когда возникает необходимость провести ревизию проводов, придётся портить стены. но при этом она не портит вид в доме, т.е. эстетична. Как правило, если монтаж осуществлён правильно, проблем в эксплуатации таковой не возникает.
Для монтажа скрытой электропроводки все соединения проводов необходимо выполнять только в соединительных коробках, все выключатели и розетки монтируют в установочных коробках, которые предварительно уже установлены и закреплёны в местах разметки.
При завершении монтажа и отделки требуется обеспечение свободного доступа к разветвительным коробкам, чтобы контролировать соединения в будущем, при эксплуатации электропроводки.
При покупке тех или иных коробок, стоит отдать пререимущество качественным приборам, которые имеют сертификат качества.
Ввод проводкиВвод электропроводки в коробки осуществляют с помощью втулок из изолирующего материала либо отрезков поливинилхлоридных трубок. Это чрезвычайно необходимо для металлических установочных и соединительных коробок, по той причине, что кромка в таких коробках часто острая, что может стать причиной повреждения изоляции электропроводки при монтаже.
В соединительных коробках соединять провода нужно сваркой (пайкой), опрессовкой в гильзах либо зажимами.
Выключатели и розетки монтируют после окончания монтажа установочных коробок либо подрозетников (при открытой электропроводке) и подведения к ним собственно электропроводки. В зависимости от того, какой способ монтажа был выбран, выключатели и розетки могут быть открытого и скрытого исполнения.
Монтаж розеток и выключателей скрытого исполнения осуществляют в установочные коробки. Первым делом из розетки либо выключателя снимают верхнюю пластиковую крышку. К клеммам их внутренней части подсоединяют электропроводку, точно также как и при открытом. Затем внутреннюю часть розетки или выключателя прикрепляют в коробке при помощи распорных фиксаторов, т.е закрутить до упора фиксирующие винты.
По завершению прикручивают пластмассовую защитную крышку корпуса.
9 лучших строительных и мебельных магазинов!
- Parket-sale.ru- Огромный ассортимент ламината, паркета, линолеума, ковролина и сопутствующих материалов!
- Akson.ru- это интернет-гипермаркет строительных и отделочных материалов!
- homex.ru- HomeX.ru предлагает большой выбор качественных отделочных, материалов, света и сантехники от лучших производителей с быстрой доставкой по Москве и России.
- Instrumtorg.ru – это интернет – магазин строительного, автомобильного, крепежного, режущего и другого инструмента, необходимого каждому мастеру.
- Qpstol.ru — «Купистол» стремится предоставить лучший сервис своим клиентам. 5 звёзд на ЯндексМаркет.
- Lifemebel.ru- гипермаркет мебели с оборотом более 50 000 000 в месяц!
- Ezakaz.ru- Представленная на сайте мебель изготавливается на собственной фабрике в Москве, а так же проверенными производителями из Китая, Индонезии, Малайзии и Тайваня.»
- Mebelion.ru- – крупнейший интернет-магазин по продаже мебели, светильников, интерьерного декора и других товаров для красивого и уютного дома.
domsdelat.ru
Монтаж электропроводки в частном доме своими руками: схема разводки
Каждый человек, строящий новый дом или делающий капитальный ремонт, реконструкцию старого дома желает выполнить все работы в короткие сроки, качественно и с минимальными финансовыми затратами. Для этого необходимо продумать и составить проект всех будущих коммуникаций с учетом последовательности выполняемых монтажных работ. Поэтому следует правильно оценить возможности: что можно сделать своими руками, а где довериться специалистам.

Монтаж электропроводки
Последовательность монтажа
Для новых зданий в первую очередь надо продумать, от какого источника электроэнергия будет поступать к дому. Это может быть ближайшая ЛЭП или подстанция. На этапе строительства стоит согласовать этот вопрос с энергетиками и сделать временный монтаж распределительного щита. Предварительно стоит выбрать место и установить контур заземления для будущего дома. Вводной кабель может быть проложен воздушной или подземной линией в зависимости от местных условий.
Все эти детали согласуются на начальном этапе строительных работ. Прокладывая кабель, нужно сразу учитывать его параметры:
- условия размещения: воздушная линия или подземная;
- длину;
- марку кабеля, тип изоляции: резина или ПВХ;
- количество и сечение жил.

Прокладка кабеля в частном доме
Сечение проводов кабеля рассчитывается с учетом величины нагрузки, которую планируют использовать. Все эти данные отображаются в проекте на монтаж электропроводки; составляется поэтажная схема, в которой обозначаются все элементы и места их расположения:
- вводной щит с количеством автоматов защиты, их марка;
- маршруты проводки с указанием длины и маркировки кабеля;
- распределительные коробки;
- выключатели и розетки;
- элементы осветительной системы;
- отдельно указываются места расположения розеток для проводки мощных нагревательных приборов.
На основании данных этой схемы проводки можно сделать расчет основных элементов электропроводки и расходных материалов:
- автоматов защиты;
- переключателей;
- распределительных коробок;
- подрозетников;
- проводов различного сечения, розеток для освещения и общего тракта;
- дюбелей, саморезов для крепления распределительного щита, клипс фиксации провода.

Распределительная коробка
После проделанных вышеперечисленных мероприятий можно приступать к монтажу электропроводки в доме, предварительно установив контур заземления. Место для контура заземления выбирается не далеко от постоянного вводного распределительного щита.
Монтаж этой конструкции несложный, все можно сделать своими руками при желании. Во многих специализированных магазинах продают готовые наборы для заземления частных домов с подробной инструкцией, по которой легко все собрать и установить своими руками.
Схема подключения
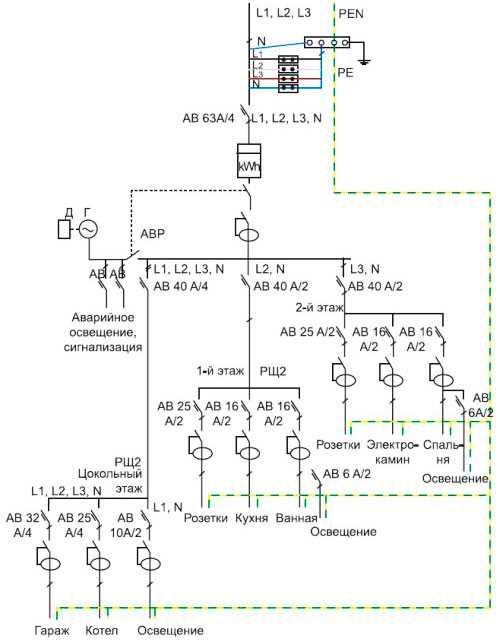
Монтаж электропроводки осуществляется по плану проекта и схеме установки вводного распределительного щита. Основные составляющие элементы проводки:
- вводный автомат защиты;
- узел учета расхода электроэнергии;
- УЗО;
- автоматы защиты на отдельные группы.
В частном доме обычно электропроводку разделяют на 3-4 группы: освещение, розетки, подсобные наружные помещения, гаражи, сараи и отдельная группа проводки – на мощные нагревательные приборы.

Монтаж электропроводки в доме
Для проводки используются кабели ПУНП или ВВГ в двойной изоляции ПВХ на отдельно взятом проводе и общей оболочке.
ВВГ 3х2,5 – эти цифры обозначают, что в кабеле три медных провода сечением 2,5 кв/мм. Такие провода применяются для проводки розеточных групп. Для освещения используется кабель с проводами 1,5 кв/мм. Между распределительными коробками обычно прокладывают провода с сечением 4 кв/мм.
Для отдельных групп электронагревательных приборов: печей, бойлеров, стиральных машин ставят провод не менее 6 мм/кв.
Кабель в четыре провода от распределительного щита прокладывается непосредственно к прибору на электрическую печь, бойлер, сплит-систему или стиральную машину. Эти кабели желательно прокладывать без распределительных коробок, на каждый элемент в вводном щите ставить отдельный автомат защиты из расчета его максимальной токовой нагрузки.
В цепи освещения между распределительными коробками можно проложить кабель с проводами 2,5 кв/мм. Если речь идет про современные электроприборы, люстры и другие осветительные конструкции, то обычно используют проводку с 4-мя проводами, которые заземляются. На розетках тоже предусмотрен контакт заземляющего провода, этого требуют ПУЭ.

Пример схемы распределительной коробки
В розеточной группе между распределительными коробками прокладывают кабель в четыре провода с сечением 4 кв/мм. От коробки до розетки можно пустить кабель с сечением проводов 2,5 кв/мм, он выдерживает токи нагрузки до 30А от приборов, потребляющих мощность до 6 кВт. Этого вполне достаточно для длительной эксплуатации утюгов, пылесосов, фенов и даже бытовых обогревательных калориферов мощностью от 700 Вт до 1,5 кВт.
Развод электропроводки
Монтаж проводов по стенам, крепление подрозетников и распределительных коробок можно сделать своими руками. Самое сложное и ответственное дело – правильный развод проводки, соединение контактов в распределительных коробках и сбор схемы. Впоследствии довольно сложно исправлять ошибки при соединении в распределительных коробках. Если своими руками сделать это не получается, стоит пригласить в помощь специалиста.
Проводка внутри дома может быть нескольких видов:
Открытая проводка применяется очень редко в деревянных домах на специальных изоляторах, в современных условиях для этого используют пластиковые кабель-каналы. В них проводка надежно защищена от механических повреждений, они не горят, легко крепятся к деревянной поверхности.

Монтаж открытой проводки в доме
Рассмотрим классический вариант кирпичных стен. Здесь провода удобнее всего фиксировать клипсами, которые вбиваются в стены обычным молотком. Для распределительных коробок специальной коронкой с победитовыми зубцами делают в стене углубления. После расключения в распределительных коробках всех цепей каждая группа проверяется мультиметром или другим прибором для прозвонки.
При положительном результате оголенные контакты на всей схеме электропроводки изолируются, крышки распределительных коробок закрываются. Подрозетники фиксируются в своих гнездах, сеть обязательно обесточивают. Стены и провода заштукатуривают.
В частном доме, если знать точное расположение проводки, нельзя впоследствии перебить провод, забивая дюбеля для шкафа или полки. В местах розеток, ламп освещения, выключателей остаются концы длиной по 15-20 см для разделки и подключения. После полной отделки стен можно устанавливать выключатели, розетки, вешать люстры и другие осветительные приборы.
Электропроводка. Видео
Про особенности монтажа электропроводки в доме расскажет это видео. Взяв на вооружение дельные советы отсюда, можно начинать прокладку собственными силами.
Оцените статью:elquanta.ru

Клемма для соединения медного и алюминиевого провода в случае необходимости Выбирая новые провода, обращайте внимание на то, что все провода должны быть из меди с двойной изоляцией для защиты. Если в доме где-то сохранились участки проводки из алюминия, их лучше сразу заменить. Соединение алюминиевых элементов с медными со временем может привести к короткому замыканию и плавлению.
Схема правильного расположения проводки Есть правило размещения электропроводки, которого нужно строго придерживаться: все линии укладываются только прямо по горизонтали или вертикали, при этом категорически запрещено прокладывать проводку по диагоналям или кривым.