Схема подключения отопления в частном двухэтажном доме: Схема отопления двухэтажного дома с радиаторами и теплым полом
Для обеспечения тепла и комфорта в двухэтажном доме нужно правильно определить схему отопления двухэтажного дома. Система отопления является важнейшей инженерной системой жизнеобеспечения любого дома. Ее предназначением является возмещение теплопотерь и создание определенного температурного режима, который нужен прежде всего для проживающих в доме людей, но не стоит недооценивать и того фактора, что эффективная система отопления призвана обеспечить, в том числе, стойкость и долговечность строительных конструкций.
Расчет и проектирование лучше доверить инженерам-теплотехникам, которые оценят теплопотери, дадут рекомендации по утеплению дома, а также сделают детальный расчет, что позволит избежать излишних расходов на дорогостоящее оборудование. Но выбор схемы отопления двухэтажного дома может сделать сам заказчик, исходя из многолетнего опыта функционирования различных систем.
Схема отопления двухэтажного домаКлассификация отопления
Виды источников тепловой энергии — теплогенераторов
Прежде чем выбирать ту или иную схему отопления, полезно узнать уже существующие виды и какой из них подойдет для конкретно решаемой задачи. Известно, что основным источником тепла являются различные виды теплогенераторов, в качестве которых могут выступать:
- Печи и камины. Этот вид отопления когда-то был основным, но сейчас используется все реже из-за высокой стоимости топлива (дров и угля) и невозможности эффективно управлять температурой в доме. В некоторых регионах, где отсутствует газоснабжение, этот вид отопления является безальтернативным выбором.
Печи и камины до сих пор используются в загородных домах- Различные виды отопительных котлов, которыми могут быть: газовые, твердотопливные, жидкотопливные, электрические, — в зависимости от наличия доступа к различным энергоносителям и их стоимости.
- Альтернативные источники энергии. В эту категорию относятся: геотермальная энергия, получаемая тепловыми насосами, а также солнечная, которую преобразуют в тепловую солнечные коллекторы. Такой вид отопления находится в стадии бурного развития и пока применяется в нашей стране достаточно редко из-за высоких цен на оборудование.
Перспектива будущего — энергонезависимые дома- Инфракрасное отопление. Источниками тепла являются специальные инфракрасные излучатели, которые используют в большинстве случаев электрическую энергию. Тепловая энергия при таком отоплении доставляется непосредственно «адресату» путем излучения. Для обогрева больших помещений или помещений с малой периодичностью появления в них людей инфракрасное отопление будет прекрасным выбором.

Масальский А.В.
Редактор категории «строительство» на портале Stroyday.ru. Специалист по инженерным системам и водоотведению.
Задать вопрос экспертуВ некоторых ситуациях будет разумно сочетать различные виды теплогенераторов для отопления. Например, если имеется дачный дом, куда семья приезжает только на выходные. В этом случае будет разумно иметь газовый котел для основного отопления и электрический – для предотвращения замерзания зимой воды в системе и поддержания минимальной допустимой температуры в доме.
Виды теплоносителей
Любая система отопления должна перенести тепло, сконцентрированное в теплогенераторе до того теплового прибора, который обогревает конкретное помещение. Это делается при помощи теплоносителя, которыми могут быть:
- Воздух, который используется при отоплении печами, каминами, а также различными электрическими нагревателями. Ввиду того что воздух имеет низкую плотность, теплоемкость и коэффициент теплоотдачи, он сильно уступает жидкостным теплоносителям.
- Вода является практически идеальным теплоносителем в силу того, что обладает высокой теплоемкостью, плотностью, коэффициентом теплопередачи, и химической инертностью. Воду, подогретую котлом отопления, транспортируют к тепловым приборам при помощи системы трубопроводов.
В большинстве современных систем отопления в качестве теплоносителя применяют воду или различные антифризы, являющимися водными растворами этиленгликоля, пропиленгликоля или их комбинаций. Такое свойство как стойкость к незамерзанию при низких температурах может быть полезно в системах отопления таких домов, где не планируется проживание людей постоянно в зимнее время. В тех домах, где отопление будет работать всю зиму, применение антифризов экономически нецелесообразно.
Типы антифризов для системы отопленияМнение эксперта:
Масальский А.В.
Редактор категории «строительство» на портале Stroyday.ru. Специалист по инженерным системам и водоотведению.
Задать вопрос экспертуРазличные антифризы плохо «уживаются» с алюминиевыми радиаторами, некоторыми уплотнениями и трубами. Помимо этого теплоносители с содержанием этиленгликоля ядовиты. Поэтому использовать такие составы нужно только в тех случаях, когда без них просто не обойтись.
Виды отопительных приборов
Отопительные приборы можно разделить на два основных класса:
- Радиаторы – в переводе с латинского они переводятся как «излучатель», то есть такой прибор, который тепло передает в виде инфракрасного теплового излучения. Однако современные радиаторы не являются чисто излучателями, а еще передают часть тепла в виде конвекции, но свое название они сохранили.
- Конвекторы – передача тепловой энергии в помещение происходит за счет нагрева воздуха, а он уже отдает ее всем окружающим объектам. Такие отопительные приборы имеют медные (реже стальные) трубки, окруженные ребристыми теплообменниками. Воздух, попадая в теплообменник, нагревается его пластинами и поднимается, уступая место более холодному. Для того, чтобы воздухообмен был эффективным, вся конструкция конвектора помещена в специальный кожух.
В современных системах широко применяют еще такой способ отопления как «теплый пол» или «теплые стены», которые по своей сути представляют собой большой радиатор, передающий «львиную долю» тепла в виде излучения, а это повышает комфорт и позволяет снизить температуру воздуха в помещении примерно на 2 градуса, что ведет к экономии топлива примерно на 12%.
Типы радиаторов отопления
В системе отопления двухэтажного дома могут быть использованы совершенно разные типы радиаторов, в зависимости от решаемых задач, площади помещения, проектных данных, предпочтений. Радиаторы можно разделить на несколько типов:
- Чугунные секционные радиаторы – те, которые мы привыкли видеть в квартирах и домах старой постройки. Они имеют большую массу и высокую тепловую инерционность, но зато нетребовательны к качеству теплоносителя, не подвержены коррозии, имеют высокую теплоотдачу. Такие радиаторы отлично вписываются в любой интерьер, особенно классический.
Чугунные секционные радиаторы — нестареющая классика- Алюминиевые секционные радиаторы – прекрасный выбор для автономных систем отопления, но они более чувствительны к качеству теплоносителя, не терпят прямого контакта с медными трубами. Такие радиаторы прекрасно вписываются в любые интерьеры.
Алюминиевые радиаторы: современный дизайн- Биметаллические секционные радиаторы представляют собой сочетание стальных или медных трубок, по которым циркулирует теплоноситель и алюминиевую поверхность, отдающая тепло в помещение. Такие радиаторы нетребовательны к теплоносителю, выдерживают высокое рабочее давление, внешне практически неотличимы от алюминиевых.
- Стальные панельные радиаторы – это цельная конструкция из проштампованной и сваренной листовой стали. Такие радиаторы имеют только два резьбовых подключения к системе отопления, что повышает их надежность. Высокая теплоотдача, малый вес, низкая инерционность, эстетичный внешний вид, — все это сделало их самыми популярными в автономных закрытых системах отопления домов.
Панельные радиаторы: отличный выбор для современных систем отопленияПомимо перечисленных моделей производители еще выпускают различные дизайнерские модели, к которым можно отнести цельнолитые чугунные, стальные трубчатые и даже керамические. Высокая цена на эти приборы объясняется тем, что дизайнерские амбиции в них преобладают над инженерной рациональностью.
Цены на популярные модели радиаторов отопления
Радиаторы отопления
Схемы отопления двухэтажного дома
Количество реализаций системы отопления двухэтажного дома бесконечно, так как зависит от многих факторов: размеров дома, наличия бесперебойного электроснабжения, постоянства проживания в доме людей и т. д. Поэтому будет разумно рассмотреть несколько типовых схем, которые доказали свою эффективность.
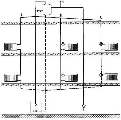
Схема отопления дома с естественной циркуляцией
Название такой системы само говорит за себя – циркуляция теплоносителя в системе отопления происходит за счет естественных природных процессов. Работу такой системы можно рассмотреть на рисунке.
Система с естественной циркуляциейВода, подогретая в теплообменнике котла, уменьшается в плотности и вытесняется более холодной и плотной водой их обратной линии. Именно эта разница весов горячей и охлажденной воды обеспечивает циркуляцию в системе отопления. В самой верхней точке стояка горячей воды оборудуется расширительный бак, который дает воде расширяться при нагревании, позволяет контролировать уровень воды в системе и при необходимости производить подпитку. Кроме этого, весь воздух, который неизбежно будет присутствовать в системе, будет выходить в расширительный бак.
Узнайте, инструкции по промывке системы отопления, из нашей новой статьи.
Разводящие трубопроводы и обратные линии, называемые еще лежаками, для облегчения циркуляции воды всегда делают под уклонами: верхний лежак к радиаторам, а нижний – к котлу. В такой системе котел должен находиться в самой нижней точке. Подачу теплоносителя на радиаторы делают через стояки горячей воды, а слив охлажденной через обратные стояки.
Один из вариантов реализации двухтрубной системы отопления двухэтажного дома с естественной циркуляцией представлен на следующей схеме.
Один из вариантов реализации гравитационной системы отопления в двухэтажном домеСледует обратить внимание в этой схеме на большое количество трубопроводов и их высокий условный проход — dу. Это объясняется тем, что в гравитационных системах для обеспечения циркуляции теплоносителя нужно минимизировать сопротивление, а это возможно только в трубах больших диаметров.
Системы с естественной циркуляцией, естественно, имеют преимущества:
- Независимость от электроснабжения – система отопления будет работать как при полном отсутствии электроэнергии, так и при перебоях в ее подаче.
- Доказанная долгими годами эксплуатации надежность и простота.
- Отсутствие насосов и малая скорость циркуляции теплоносителя делают такую систему бесшумной.
Несмотря на все преимущества, такие системы постепенно уходят в прошлое, так как уже не отвечают современным требованиям к системам отопления.
- Гравитационные системы чрезвычайно материалоемкие – для их монтажа применяются стальные трубы больших диаметров.
- Монтаж систем отопления со стальными трубами сложен технологически и занимает много времени.
- Системы с естественной циркуляцией имеют ограничения по площади обогреваемых помещений. По утверждениям специалистов суммарная длина горизонтальных участков (лежаков) не должна превышать 40 метров, а суммарная площадь 150 м2.
- Высокая инерционность — от момента запуска системы до прогрева всех радиаторов до расчетной температуры может пройти несколько часов.
- Большая разница температур подачи и обратки может плохо сказаться на теплообменнике котла.
- В теплоносителе гравитационных систем большое количество растворенного кислорода, что сказывается на коррозии труб и радиаторов, поэтому в таких системах можно использовать только чугунные или биметаллические радиаторы.
Системы отопления с принудительной циркуляцией
Практически все современные системы отопления используют только принудительную (искусственную) циркуляцию теплоносителя, что дает весомые преимущества:
- Использование циркуляционных насосов помогает отопить любую площадь при любой этажности здания.
- Диаметр труб может быть гораздо меньше, так как насос позволяет прокачивать теплоноситель с более высокой скоростью.
- Применение циркуляционных насосов позволяет снизить температуру в системах отопления при тех же параметрах теплоотдачи радиаторов, а это, в свою очередь, позволяет использовать более дешевые полимерные и металлопластиковые трубы.
- Возможность как общей, так и зональной регулировки в системах отопления.
Недостатками систем с принудительной циркуляцией являются:
- Зависимость от электроэнергии, что легко решается наличием источников бесперебойного питания или генераторов.
- Более высокий шум работы системы отопления, но при правильном расчете он не слышим человеческим ухом в отапливаемых помещениях.
Циркуляционный насос обычно врезают в систему отопления на обратной линии перед котлом, так как в этом месте самая низкая температура теплоносителя.
Циркуляционный насос: сердце современной системы отопленияЧтобы принудительная циркуляция работала корректно, выбранная модель насоса должна отвечать параметрам системы. Существует специальная методика расчета ключевых характеристик — производительности и создаваемого напора. Чтобы не утомлять читателя формулами, предлагаем воспользоваться встроенными калькуляторами.
Калькулятор расчета производительности насоса
Перейти к расчётамКалькулятор расчета создаваемого напора теплоносителя
Перейти к расчётамЦены на циркуляционные насосы
Циркуляционный насос
Однотрубная система отопления двухэтажного дома
В однотрубных системах автономного отопления может применяться как естественная циркуляция теплоносителя, так и принудительная. Теплоноситель от котла идет в стояк подачи, а затем разделяется на два этажа в лежаки, к которым последовательно подключаются радиаторы отопления.
Однотрубная система отопления — надежная, но устаревшаяОчевидно, что после каждого из радиаторов температура в трубопроводе будет снижаться, и это обязательно учитывают при расчетах. Достоинствами такой системы являются:
- Расход труб при монтаже такой системы минимален.
- Возможность реализации системы с естественной циркуляцией. Например, при отключении электроэнергии можно замкнуть насос при помощи байпасной перемычки, и система продолжит функционировать, хоть и с меньшей эффективностью.
- Время и стоимость монтажа ниже, чем других систем.
Недостатками однотрубной разводки являются:
- Сложность регулировки и настройки системы.
- Для снятия одного отдельного радиатора нужно останавливать всю систему.
Видео: Однотрубная система отопления, ее достоинства и недостатки
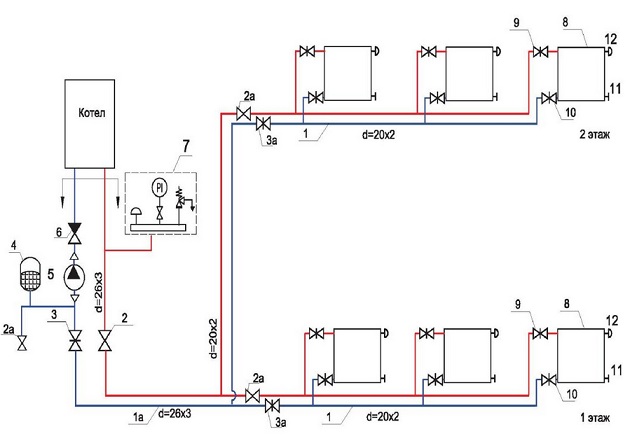
Двухтрубная автономная система отопления
Требования к современным системам отопления предполагают тонкую регулировку как всей системы в целом, так и каждой части в отдельности, что позволяет управлять микроклиматом в помещениях, а также экономить энергоресурсы. И такую возможность дает именно двухтрубная система отопления.
Двухтрубная система отопления двухэтажного домаВ таких системах имеются два отдельных трубопровода: подающий и обратный, а радиаторы отопления подключаются к ним параллельно. Рассмотрим работу такой системы на примере. Теплоноситель, подогретый в котле обезвоздушивается автоматическим клапаном (2) и поступает в вертикальный стояк, который разделяется на горизонтальные участки первого и второго этажа. Обратный трубопровод подключается к соответствующему входу котла и аналогично подающему разделяется на два этажа.
На обратной линии перед котлом расположены:
- Предохранительный клапан (11), сбрасывающий избыточное давление в системе. Рабочее давление в закрытых системах отопления составляет 1—3 бар.
- Циркуляционный насос (9), поддерживающий ток теплоносителя с заданной скоростью, с арматурой его обвязки (7, 8).
- Мембранный расширительный бак, который компенсирует расширение теплоносителя и поддерживает постоянство давления в системе.
Радиаторы (4) подключены параллельно к подающему и обратному трубопроводу, причем лучше всего делать подключение именно так, как изображено на рисунке: подачу делать в верхней точке, а обратку в нижней диагональной, — при такой схеме идет наиболее равномерный прогрев и соответственно лучше теплоотдача.
Возможность самостоятельной регулировки каждого радиатора в отдельности дает специальный термостатический клапан (3), который, в зависимости от температуры воздуха в помещении, может ограничивать или вовсе перекрывать ток теплоносителя через радиатор. При этом это не будет влиять на работу систему в целом. Для того чтобы радиаторы не мешали работе друг друга, оказывали примерно равное сопротивление протеканию теплоносителя через них, на их выходе ставятся балансировочные клапаны (5) при помощи которых происходит настройка всей системы отопления.
Двухтрубная автономная система отопления имеет ряд неоспоримых преимуществ:
- Теплоноситель в каждый радиатор поступает с одинаковой температурой.
- Меньшие потери давления в системе позволяют использовать менее мощные циркуляционные насосы.
- К подающему и обратному трубопроводу двухтрубной системы могут быть подключены совершенно разные тепловые приборы: радиаторы, конвекторы, фанкойлы, система «теплый пол» со своим коллектором и насосной группой.
- Ремонт или настройка каждого отдельно взятого узла не влияет на работу в целом.

Масальский А.В.
Редактор категории «строительство» на портале Stroyday.ru. Специалист по инженерным системам и водоотведению.
Задать вопрос экспертуНедостатками двухтрубной системы являются большая материалоемкость, что сказывается на стоимости и сложности, а это может при неграмотном расчете и монтаже сказаться на надежности.
Варианты двухтрубных систем
Двухтрубные системы отопления имеют множество вариантов реализации. На аксонометрической схеме представлены три наиболее используемых случая разводки двухтрубных систем отопления.

- Двухтрубная тупиковая разводка труб, представленная на условном первом этаже схемы. В такой системе прямой и обратный трубопроводы монтируются рядом, параллельно друг другу вплоть до последнего радиатора ветки. Диаметры подающей и обратной трубы по мере приближения к тупиковому радиатору снижаются. При таком способе подключения требуется настройка системы при помощи балансировочных клапанов, чтобы радиаторы, расположенные ближе к котлу, не замыкали проток теплоносителя через себя.
- Двухтрубная встречная разводка трубопроводов представлена на условном втором этаже схемы. В таком способе подключения прямой трубопровод подходит с одной стороны к радиатору, а обратной с другой. Это позволяет стабилизировать проток теплоносителя и избежать балансировки радиаторов. Такой способ еще называют «петля Тихельмана». Подающий и обратный трубопроводы должны при этом иметь одинаковые сечения.
- Коллекторная разводка представлена на третьем этаже схемы. Магистральный прямой и обратный трубопровод подключен к коллектору, от которого уже идет разводка трубами одинакового диаметра на все радиаторы. Такая система требует большего расхода труб, зато балансировка ее очень простая. Для того, чтобы система работала лучше, коллектор должен располагаться близко к геометрическому центру этажа, при этом длины трубопроводов будут примерно равными.
Итоги
- Разработку схемы системы отопления двухэтажного дома лучше доверить инженерам-теплотехникам.
- Наиболее перспективными и современными являются двухтрубные системы отопления.
- Грамотное сочетание радиаторного отопление с теплым водяным полом дает наилучшие результаты.
Видео: Варианты радиаторных систем отопления
ТОП-10 лучших циркуляционных насосов для системы отопления
Что бы вы выбрали из циркуляционных насосов для системы отопления или посоветовали бы приобрести?
Принять участие в опросеWilo TOP-S 30/10 EM PN6/10
Циркуляционный насос Wilo-TOP-S 30/10 можно применять в различных системах отопления. Основание выполнено из чугуна с катафорезным покрытием. Два типа подсоединения: резьбовое и фланцевое, 3 частоты вращения. За 1 час работы насос прокачивает до 12 м3 теплоносителя, подъем максимум до 10 м. Двигатель мощностью 410 Вт. Максимальная температура теплоносителя до 140 С, но при функционировании не более 2-х часов.
Циркуляционный насос Wilo TOP-S 30/10 EM PN6/10Плюсы
- качественное и надежное изготовление;
- высокая производительность.
Циркуляционный насос Wilo TOP-S 30/10 EM PN6/10
BELAMOS BRS 25/8G (180 мм)
Назначение перекачивать теплоноситель в трубопроводной системе. Используется в системах отопления, кондиционирования и теплого пола. Производительность максимум 5,28 куб.м/час, максимальный напор — 8 м. Работа насоса практически бесшумна (40дБ(А)), энергопотребление низкое, небольшой вес.
Циркуляционный насос BELAMOS BRS 25/8G (180 мм)Плюсы
- наличие защиты от перегрева;
- рабочая жидкость смазывает подшипники и охлаждает ротор.
Минусы
- не герметичен блок управления;
- гайки из комплекта не лучшего качества.
Циркуляционный насос BELAMOS BRS 25/8G (180 мм)
Grundfos UPS 25-40 180
Оборудование от компании Grundfos имеет высокую производительность, длительной срок службы и качество. Данная модель подойдет для системы теплоснабжения в «среднестатистическом» загородном доме. Производительность в 1 час не более 3 куб.м., самый большой напор 4 м. В качестве теплоносителя подойдет как обычная вода, так и пропиленгликолевый антифриз. Насос имеет экономичный двигатель (не более 45Вт) и 3 положения регулятора. Ротор отделен от статора гильзой из нержавеющей стали, что очень важно во избежание протечек и использовании воды в качестве теплоносителя. Производители позаботились и о мелочах, чтобы получить доступ к клеммам не нужна отвертка, на крышке есть флажок, который достаточно повернуть.
Циркуляционный насос Grundfos UPS 25-40 180Плюсы
- есть автоматический контроль за уровнем воды;
- фронтальная панель управления;
- низкий уровень шума;
- маленькое энергопотребление
Минусы
- небольшая высота подъема жидкости;
- маленькая производительность.
Циркуляционный насос Grundfos UPS 25-40 180
Grundfos UPS 32-80
Циркуляционный насос с бронзовым корпусом оснащен однофазным двигателем с мокрым ротором и надежно защищенным статором. Пропускная способность жидкости 11 куб.м в час, создает сопротивление до 7,5 м, мощность двигателя — 135 Вт, поэтому данная модель подойдет для самой длинной системы отопления в загородном доме. Установка насоса может производиться как в вертикальное, так и в горизонтальное положение. Основное преимущество оборудования — это регулировка скорости вращения его рабочего вала. Насос имеет довольно простое управление, чтобы изменить его скорость, достаточно нажать одну кнопку.
Grundfos UPS 32-80Плюсы
- можно выбрать любой способ установки;
- длительный срок службы;
- тихая работа;
- большая мощность.
Минусы
- высокая стоимость.
Циркуляционный насос Grundfos UPS 32-80
Wilo Yonos PICO 25/1-6
Модель циркуляционного насоса Wilo-Yonos PICO 25/1-6 оснащена электронной системой регулирования. Уровень подъема теплоносителя до 6 м. Допустимо использовать этот насос для теплоснабжения дома с 2-мя этажами, но стоит учесть его небольшую производительность — 3,7 куб. м за 1 час. Наличие в электродвигателе технологии ЕСМ дает устойчивость к токам блокировки, электросистема регулирования частоты вращения плавно регулирует перепады давления. Есть возможность выбрать режим, соответствующий системе теплоснабжения: радиаторный, напольный или классический.
Циркуляционный насос Wilo Yonos PICO 25/1-6Плюсы
- наличие цифрового управления;
- удобное подключение;
- возможность выбора режима регулирования частоты;
- встроенная защита электродвигателя.
Минусы
- небольшой запас производительности.
Циркуляционный насос Wilo Yonos PICO 25/1-6
Wilo Star-RS 25/4
Насос с чугунным корпусом (может быть и бронзовый) и мокрым ротором, нержавеющий вал. Оснащен тремя режимами вращения. Установка производится только горизонтально, за час может перекачать до 3 м3 жидкости. Устойчив к разной температуре жидкости, но не подходит слишком жесткая вода. Практически бесшумен при работе.
Циркуляционный насос Wilo Star-RS 25/4Плюсы
- 3 режима скорости;
- надежность;
- не шумный;
- невысокая стоимость.
Минусы
- неудобно переключать скорости;
- одно положение для установки.
Циркуляционный насос Wilo Star-RS 25/4
DAB VS 65/150 M
Подходит для систем горячего водоснабжения как закрытого типа с повышенным давление, так и открытого. Можно применить даже для солнечных систем подогрева воды. Итальянский насос с хорошей производительностью: в 1 час 5,4 куб.м, напор до 6 м. Снаружи и внутри выполнен из качественных и прочных материалов: корпус из бронзы, для внутренних деталей использовалась керамика и нержавейка. Можно использовать подготовленную воду и антифризы, которые содержат до 30% гликоля. Допустимая температура: для воды от -10 градусов С до + 85; до +110 для других применений.
Циркуляционный насос DAB VS 65/150 MПлюсы
- надежность;
- большая производительность;
- приемлемый шум при работе.
Минусы
- потребление энергии до 77 Вт/час;
- высокая стоимость.
Циркуляционный насос DAB VS 65/150 M
Wilo Star-RS 30/6-180
Циркуляционный насос, который можно установить даже не в самой хорошей системе теплоснабжения дома с двумя этажами. Подъем жидкости до 5,5 м, прокачивает до 3,5 куб.м/час. Не совсем экономичен, в 1 час потребляет до 84 Вт. Чугунный корпус. Неустойчив к коррозии, чтобы избежать этого необходимо применять теплоноситель с ингибиторами.
Циркуляционный насос Wilo Star-RS 30/6-180Плюсы
- большая производительность;
- отличная высота подъема.
Минусы
- высокое потребление электроэнергии;
- неустойчив к коррозии.
Циркуляционный насос Wilo Star-RS 30/6-180
Grundfos COMFORT 15-14 BA PM
Ультрасовременная модель рециркуляционного насоса. Идеальное решение для теплоснабжения с двухконтурным котлом. Основным достоинством этой модели является наличие цифровой схемы управления, подстраивающей автоматически обороты под определенный режим работы. С комплектом идет термодатчик, которой крепится на трубе: скорость зависит от температуры теплоносителя и обеспечивает быстрый нагрев контура водоснабжения. Насос энергоэкономичен, в 1 час потребляет всего 7 Вт. Объем подачи жидкости в минуту — 8,3 литра.
Циркуляционный насос Grundfos COMFORT 15-14 BA PMПлюсы
- экономичен;
- высокое качество;
- тихо работает.
Минусы
- высокая стоимость.
Циркуляционный насос Grundfos COMFORT 15-14 BA PM
Wilo Star-Z 20/1 CircoStar
Модель насоса Wilo Star-Z 20/1 CircoStar предназначена для «водяных» контуров, обеспечивающих подачу воды до 31,6 л/мин. Вал выполнен из керамики, что отлично подходит для питьевой воды. Основание из бронзы, а рабочее колесо полимерное. Допустимая температура жидкости от +2 до +65 градусов. Максимальная мощность в час — 38 Вт.
Циркуляционный насос Wilo Star-Z 20/1 CircoStarПлюсы
- качественно изготовлен;
- мощная производительность;
- среднее энергопотребление.
Минусы
- неудобно расположена коробка с клеммами;
- высокая стоимость.
Циркуляционный насос Wilo Star-Z 20/1 CircoStar
Голосование: какой циркуляционный насос для системы отопления самый лучший?
Что бы вы выбрали из циркуляционных насосов для системы отопления или посоветовали бы приобрести?
Wilo TOP-S 30/10 EM PN6/10
BELAMOS BRS 25 / 8G (180 мм)
Grundfos COMFORT 15-14 BA PM
Wilo Star-Z 20/1 CircoStar
Сохраните результаты голосования, чтобы не забыть!
Чтобы увидеть результаты, вам необходимо проголосовать
Очень важно перед строительством дома определиться с системой отопления, от этого зависит ваш комфорт в холодное время года. Схема отопления двухэтажного дома должна выполнять свои функции обогрева здания без каких-либо проблем, это зависит и от правильного выбора материалов, и от правильной установки. Если же схема отопления двухэтажного частного дома выполнена из качественных материалов, она может прослужить нескольким поколениям без необходимости ремонта или смены оборудования. Наиболее оптимальным вариантом в данное время является водяная система отопления, она подходит для двухэтажных домов и коттеджей.

Схема отопления двухэтажного дома
Виды водяного отопления для двухэтажных домов
Наиболее приемлемы схемы отопления двухэтажных домов с принудительной и естественной циркуляцией. Система отопления с естественной циркуляцией не зависит от электроэнергии, что очень удобно в наше время, не возникнет различных непредвиденных ситуаций, связанных с отключением электроэнергии. При установке системы используются трубы крупного диаметра, а разводка выполняется под уклоном.

Отопление двухэтажного дома с естественной циркуляцией
Для отопления двухэтажных домов более подходит система с принудительной циркуляцией носителя тепла. Необходимо иметь отопительный котёл, расширительный бак, коллектор, трубопровод и отопительный прибор. Вода в такой схеме отопления двухэтажного частного дома циркулирует при помощи циркуляционного насоса, а для нагрева котла применяют и уголь, и дрова, и керосин, и газ. Также можно это делать, используя электричество или какие-либо иные альтернативные виды энергии.

Отопление двухэтажного дома с принудительной циркуляцией
Трубы, используемые для водяного отопления
Если вы используете трубы из стали, надо учитывать её недостаток – низкую коррозионную стойкость. Трубы их нержавеющей стали и оцинкованные не имеют этого недостатка. При монтаже лучше всего применять резьбовые соединения. Трубы из металла в данное время при устройстве схемы разводки отопления двухэтажного дома используются достаточно редко.
Как один из самых надёжных вариантов, представляющих отопление 2 этажного дома схема использует трубы из меди, они выносят наиболее высокие температуры, а также высокое давление.
Соединяют трубы из меди при помощи пайки высоких температур с «серебросодержащим» припоем. При желании их можно спрятать в стены дома, что очень удобно и эстетично. Минус таких труб – в высокой цене, но это единственный минус, такие трубы очень надёжны и рекомендованы, так как при их правильной установке они прослужат нескольким поколениям владельцев жилища, при этом не будет необходимости их менять или ремонтировать. Такие трубы очень надёжны и качественны.

Отопление из медных труб
Полимерные трубы имеют плюсы: они удобны при монтаже, который может произвести даже человек без специального образования, что может сэкономить деньги; на внутренней поверхности не откладывается осадок, а значит, они не будут быстро забиваться; достаточно стойки к коррозии. Монтируются такие трубы с помощью резьбовых или же прессовых соединений, сварка не используется. Недостаток: коэффициент теплового расширения достаточно большой, что может привести к возникновению течи.
Рекомендуем к прочтению:

Полимерный трубы отопления и фитинги
Когда составляются проекты отопления частного двухэтажного дома, необходимо продумать, какие трубы наиболее подходят для данного строения, учитывая аварийное и альтернативное отопление. Конечно, многое зависит и от материального фактора, но на отоплении лучше всё-таки не экономить, ведь от этого зависит то, как вы будете жить зимой: будете ли мёрзнуть, или наслаждаться жизнью в тепле и уюте.
Специалисты советуют сделать выбор в пользу медного трубопровода, он прослужит верой и правдой своим владельцам несколько поколений. Пусть он и стоит дороже, но зато он надёжен.
Схемы разводки отопления
В двухэтажных домах используют такие схемы разводки отопления: однотрубная, двухтрубная, а также коллекторная. При однотрубной достаточно сложно регулировать температуру в здании. Это происходит от того, что нет возможности перекрыть один из радиаторов, когда все остальные отопительные приборы работают. Поэтому, когда горячая вода переходит от одной батареи к другой, она всё больше охлаждается.
Двухтрубная схема разводки отопления двухэтажного дома является более подходящей для двухэтажных домов.
Так как у каждого агрегата отопления есть по две трубы, по одной идёт горячая вода, а по другой – уже остывшая. Ещё эта система отличается от однотрубной тем, что у неё иной порядок подключения приборов отопления. Специалисты рекомендуют перед каждым радиатором монтировать регулировочный бак.

Схема двухтрубной системы отопления
Для того чтобы в двухэтажном доме была нормальная циркуляция, достаточно дистанции между центром котла и верхней точкой подающей магистрали, при этом можно ставить расширительный бак на верхнем этаже, а не на чердаке. А трубу подачи прокладывают под потолком или под подоконниками.
При использовании двухтрубной схемы с естественной циркуляцией в двухэтажном доме необходимо делать длительный прогрев системы.
Поэтому рекомендуется ставить дополнительный байпас вместе с циркуляционным насосом, что значительно сэкономит время при запуске такой системы, как схема отопления двухэтажного загородного дома, и при этом в здании будет более равномерно распределяться тепло.
Рекомендуем к прочтению:

Схема отопления с байпасом и насосом
Кроме установки радиаторов, в двухэтажном доме с использованием котла вместе с встроенным насосом циркуляции можно устанавливать и систему «тёплый пол», подключать полотенцесушитель одновременно на двух этажах. Специалисты советуют стояки второго этажа подключать возле самого котла.
При выполнении монтажа лучше всего использовать лучевую и коллекторную систему, она наиболее удобна, можно регулировать температуру во всех помещениях. Для всех отопительных приборов проводят по две трубы: прямую и обратную. Коллекторы размещают на каждом этаже, очень важно при этом, чтобы они находились в специально отведённом для этого шкафу, в котором располагают и всю запорную арматуру.

Комбинированная система отопления: радиаторы и теплый пол
Коллекторные системы
Это универсальная схема отопления двухэтажного дома видео по устройству которой можно посмотреть ниже. Такие системы дают возможность выполнять отопление двухэтажного коттеджа схемы со скрытыми проводимыми трубами. Установка производится очень легко, поэтому ее может произвести даже человек без наличия специальных навыков.

Схема коллекторного отопления двухэтажного дома
Водяное отопление можно проводить как только на одном этаже, так можно и на всех сразу, но котёл рекомендовано размещать только на первом этаже, а на втором можно поставить расширительный бак. Рекомендуется трубы с горячей водой проложить под потолком или под подоконником, то есть, в наиболее уязвимых местах для холодного воздуха. Обязательно на каждый радиатор ставить отдельный регулирующий кран.
Выбирая план отопления двухэтажного дома, очень важным моментом является принять правильное решение, от этого зависит, насколько комфортно будет вам в холодную погоду, как долго прослужит вся принципиальная схема отопления двухэтажного дома, как часто нужно будет производить ремонт или менять трубы и многое другое. При неправильном выборе, при желании сэкономить сейчас может случиться так, что вам придётся постоянно что-то ремонтировать, менять, нанимать работников, а значит, тратить деньги, поэтому ни о какой экономии в данном случае нет и речи.
Лучше в самом начале установить качественные трубы, радиаторы и другое, пусть и обойдётся это всё дороже сейчас, зато прослужит дольше и всё равно выйдет дешевле в дальнейшем. Правильно установленная схема системы отопления двухэтажного дома из качественных устойчивых материалов прослужит нескольким поколениям.
Домовладельцам нравится однотрубная система отопления двухэтажного дома, схема которой считается наиболее экономичной. Длина труб в ней меньше двухтрубного варианта, хотя диаметр труб больше, прогрев батарей неравномерный, повышенный объем теплоносителя, перекачивая который расходуется больше электроэнергии.
Выгодна ли самотечная однотрубная система двухэтажного дома
Намереваясь смонтировать данную дешевую схему, домовладелец сильно ошибается. Самотечная система (в просторечии, «самотек») обойдется вдвое-втрое дороже оснащенной циркуляционным насосом. Естественная циркуляция требует:
- толстых труб для минимизации гидравлического сопротивления теплоносителю;
- достаточности уклонов магистральных труб;
- расположения отопительного котла ниже уровня отопительных приборов в приямке на кухне /в подвале, показанного на рисунке ниже.
Самотечному отоплению 2-х этажного дома присущ стандартный недостаток — батареи второго этажа прогреваются лучше первого. Установка байпасов, регулировочных устройств наращивает стоимость системы.
В каких домах выгоден однотрубный «самотек»?
Только не в 3-х этажном доме. «Самотечный» теплоноситель движется «лениво». Имеющиеся 20 кг разницы в весе тонны нагретой и холодной воды не создадут достаточной разницы давлений между «подачей и «обраткой для интенсивного движения по трубам, батареям.
В двухэтажном доме «самотек» будет работать неплохо, но второй этаж должен быть полноценным, имеющим чердак, позволяющий установить расширительный бачок. От котла в подвале (приямке) до бачка идет главный вертикальный стояк подачи. От стояка отходит т.наз. «лежак», уклоняющийся вниз. От «лежака» опускаюся стояки к этажным радиаторам. Эта вертикальная система, показанная на рисунке ниже, напоминает устройство отопления многоэтажного дома.

Самотечная однотрубная вертикальная система 2-х этажного дома.
Мансардный второй этаж вашего дома, имеющий окна в крыше (невысоких стенах) затрудняет монтаж самотечной системы. Мансарда исключает установку открытого расширительного бачка, наполненного антифризом. Герметичный бачок с газоотводящей трубкой, выведенной наружу, спасет положение, увеличивая затраты.
Наклонные трубы-«лежаки» плохо вписываются в пространство мансарды, могут пересекать оконные проемы, портя интерьер помещения.
«Самотек» больше подходит одноэтажным домам в местностях, характеризуемых ненадежным электроснабжением.
Однотрубная система отопления двухэтажного дома с циркуляционным насосом
Включает этажные контура с горизонтальной однотрубной разводкой, соединенные вертикальными стояками «подачи» и «обратки», Последние пространственно разнесены или объединены в двухтрубный стояк. Циркуляционный насос включается в обратную магистраль («обратку») перед отопительным котлом.
Простейшая однотрубная система отопления двухэтажного дома, схема которой содержит два контура по 3 радиатора, показана ниже.

Однотрубная горизонтальная система 2-х этажного дома с насосом.
Расход теплоносителя по горизонтальной магистрали в N раз больше (N – число последовательно соединенных радиаторов), требемого двухтрубной схемой. «Однотрубка», имеющая одинаковое числе отопительных приборов с «двухтрубкой», оснащается циркуляционным насосом большей мощности.
В каких домах выгоден монтаж насосных однотрубных систем?
Снижение длины труб отопления относительно двухтрубных схем присуще многоэтажным жилым домам, промышленным зданиям (цехам, складам), характеризуемым длинами контуров отопления в сотни метров. Применение «однотрубки» в них реально экономит отопительные трубы. Широкое применение в индивидуальном строительстве объясняется недопониманием реального соотношения затраты-достоинства данного типа отопления заказчиками и теплотехниками-практиками.
В небольших двухэтажных домах площадью около 100 кв.м (50 кв.м – первый этаж, 50 кв.м – второй) часто монтируют «однотрубку», хорошо работающую при коротких контурах, содержащих 4-5 отопительных приборов. Большие дома со множеством радиаторов плохо подходят для однотрубных схем, хотя реально работают объекты с десятком батарей в этажном контуре, как в показанной ниже смешанной вертикально — горизонтальной однотрубной схеме.

Однотрубная система смешанного (вертикально — горизонтального) типа.
Распространенные ошибки при монтаже
Выше изображены «ленинградские» схемы горизонтальных однотрубных этажных контуров с радиаторами, подключенными к общей магистрали двумя тройниками. Через каждый прибор протекает только часть полного объема теплоносителя, циркулирующего по контуру. Можно встретить ошибочное подсоединение без магистральной трубы (см. контур первого этажа на рис. ниже).

Виды подключения радиаторов в горизонтальных однотрубных контурах.
Такой способ подключения радиаторов отопления является предельно дешевым. На каждый радиатор приходится один фитинг для присоединения металлопластиковой трубы Ду20 или Ду25 и отрезок трубы между соседними приборами. Дешевле не придумать. Но расплата за дешевизну – плохая работа половины радиаторов. Первый их них (по ходу движения теплоносителя) нагрет до температуры 55 °С, а последний при N=6-8 нагревается всего до 35 °С, поскольку теплоноситель, проходя через радиаторы, интенсивно остывает в них.
А как работает правильно собранная схема?
При выполнении классической однотрубной схемы («ленинградской»), когда под радиаторами проложена магистральная труба, ситуация другая. Движущийся теплоноситель, встречая на своем пути первый тройник, распределяется на два потока в соответствии с величинами гидравлических сопротивлений прямого пути и бокового отвода тройника. Из-за большего гидросопротивления бокового отвода в радиатор затекает небольшая часть общего потока теплоносителя (обычный «коэффициент затекания» составляет 0,2-0,3). Эта малая часть остывает внутри батареи на несколько градусов, как показано на рисунке ниже, подмешиваясь на выходе к основному неостывшему потоку. Результирующая его температура оказывается выше, чем при пропускании всего объема жидкости через отопительный прибор.

Распределение теплоносителя в обвязке радиатора «ленинградской» схемы.
При движении по контуру температура жидкости все равно снижается, но в меньшей степени, до температуры уже не 35 °С, а примерно 45 °С, т.е. батареи в цепочке оказываются более выровненными по нагреву. Специалисты высказывают мнение, что однотрубная схема («Ленинградка») позволяет добиться равномерного прогрева до 10-11 радиаторов в контуре (по десять секций в каждом приборе).
Как выровнять неравномерность нагрева радиаторов?
Обычный способ выравнивания их теплоотдачи при неодинаковом прогреве — постепенное наращивание тепловой мощности (или, что эквивалентно, числа секций) радиаторов по ходу движения теплоносителя в контуре. Если мощность первого в контуре отопительного прибора принять за 100 %, то у следующего она 110 %, и так далее вплоть до 150-200 % мощности у последнего (в зависимости от числа последовательных радиаторов).
При выполнении однотрубной системы отопления двухэтажного дома, схема которой включает магистральную трубу, диаметр последней берется большим. Так при выполнении подводок к радиаторам металлопластиковой трубой Ду16, для восьми-девяти отопительных приборов в этажном контуре следует брать «магистралку» с Ду40. Труба Ду32 работать будет, но устойчивость системы понизится. Это означает, что любое изменение температуры теплоносителя будет вести к ее разбалансировке, т.е. заметному изменению разности температур нагрева соседних радиаторов в контуре.
Распространены схемы «однотрубок» с обвязкой радиаторов т.наз. «байпасами», как показано на фото ниже.

Подключение радиатора в «ленинградской» схеме с байпасом.
Это участки меньшего диаметра, включаемые в разрывы магистрали под радиаторами, иногда еще и с устанавленным устройством регулирования расхода (игольчатым вентилем или др.). Регулировочные вентили ставятся и в одну (или в обе!) подводки к радиаторам. Получается, что вместо сплошной магистрали одного диаметра имеется труба переменного диаметра. При этом монтажники-практики ошибочно полагают, что для разветвления потока теплоносителя на две составляющих в тройнике подводки к радиатору требуется сузить основной проход для него. Это неверно, поскольку жидкость, находящаяся под давлением, заполнит любой свободный объем, встречающийся на пути ее потока.
Конечно, если в такой схеме со множеством устройств регулирования расхода постоянно заниматься ручным управлением прогревом каждого прибора, то можно-таки, тратя уйму времен, постоянно добиваться их равномерного нагрева. Но стоит ли «овчинка выделки»? Если делать «однотрубку», то присоединять радиаторы следует к магистрали неизменного большого диаметра, обеспечивая им стабильную работу при небольшом снижении нагрева приборов вдоль контура.
Заключение
Если радиаторы в однотрубной схеме присоединить к магистральной трубе с диаметром, по крайне мере вдвое превышающим диаметр подводок к ним (при соответствующем размере фитингов), то ценой таких затрат на материалы можно добиться снижения температуры в цепочке до 8-10 приборов. В двухтрубной схеме тот же результат достигается при небольшом диаметре всех труб отопления.
Схема отопления 2 х этажного частного дома
Ссылка на статью успешно отправлена!
Отправим материал вам на e-mail
Автономные отопительные системы, которые используются в частных домах, обладают несомненными преимуществами перед централизованными системами: они управляемы и экономичны. Только хозяева частных домов могут самостоятельно регулировать интенсивность нагрева, подключать дополнительные контуры и устанавливать тот тип радиаторов, который им нравится. Схема отопления 2-х этажного частного дома должна отвечать не только эксплуатационным требованиям, но и быть безотказной, экономичной, простой и долговечной.

Схема отопления частного дома
Содержание статьи
Отопление коттеджей – виды систем и требования к оборудованию
На выбор отопительной схемы влияет главным образом площадь обогреваемых помещений, то есть общая протяженность трубопровода. Основная задача любой отопительной системы – равномерный обогрев помещений на всей протяженности трубопровода. Если в небольших одноэтажных домах организовать такую систему не составляет большого труда, то в коттеджах с двумя уровнями для решения этой же задачи нужно произвести серьезные расчеты.
Любая отопительная система состоит из главных элементов:
- котла или печи, которые могут работать на любом виде топлива;
- трубопровода;
- радиаторов;
- гидротехнического оборудования – насосов, кранов, датчиков;
- расширительного бака.

Элементы отопительной системы
Видео: схема отопления двухэтажного дома
Системы с установкой циркуляционного насоса
Любая схема отопления 2 х этажного частного дома должна обеспечивать постоянную циркуляцию теплоносителя по системе. При этом эффективность и скорость обогрева помещений напрямую зависит от уровня гидравлического давления в трубах. Очевидно, что самым простым решением этой задачи является циркуляционный насос.
Насосные схемы хороши тем, что при помощи небольшого и экономичного насоса в системе обеспечивается заданное давление, а горячая вода будет доставлена в любую точку контура независимо от его расположения. Энергопотребление такого прибора составляет от 25 до 50 Вт в час. Даже при ежедневной непрерывной работе в месяц счетчик намотает не более 40 кВт, что не влияет существенно на расход семейного бюджета. У такой схемы есть серьезный недостаток – она не работает в случае отключения электропитания. К сожалению, такие ситуации в России нередки, поэтому в зимний период необходимо иметь в своем распоряжении источник альтернативного питания, чтобы не остаться вообще без тепла.

Циркуляционный насос
Системы, основанные на естественной циркуляции
Зная основы термодинамики, можно разработать такую схему отопления, что насос вовсе не понадобится. Такая схема основана на способности нагретой жидкости подниматься вверх. Расположенный на уровне первого этажа котел или печь нагревает воду, эта вода устремляется наверх, запуская процесс движения теплоносителя по системе замкнутого трубопровода.
В системах без циркуляционных насосов невозможно обеспечить высокое давление, ведь его уровень зависит от температуры жидкости. По этой причине системы с естественной циркуляцией имеют свои особенности:
- для того, чтобы уменьшить сопротивление, диаметр труб должен составлять не менее 32 мм, это же касается трубок рабочих радиаторов;
- максимальная высота водяной трубы, по которой горячая вода поднимается и поступает в отопительный контур, должна составлять не более 6 метров, то есть системы с естественной циркуляцией могут качественно обогревать не более двух этажей;
- схема разводки должна быть максимально простой, если же протяженность труб велика, имеет смысл делать два контура;
- без использования насоса не будут работать системы теплого пола, поэтому его контур должен быть подключен отдельно.

Принципиальная схема отопления с естественной циркуляцией
Достоинства и недостатки рабочих схем
Насосные системы имеют очевидные преимущества в виде постоянного режима работы, гарантии эффективности и простоты монтажа. Главный недостаток – энергозависимость оборудования. Схемы с естественной циркуляцией можно назвать по-настоящему автономными, однако таким образом удастся обогревать ограниченную площадь, а процесс обогрева будет занимать значительно большее время. Монтаж таких систем – сложное и кропотливое дело, предварительный расчет должен быть выполнен очень точно.
Существуют различные альтернативные схемы, среди которых комбинированная, когда один из контуров снабжается циркуляционным насосом. Это сложные системы, которые используются в домах большой площади, для жилого двухэтажного дома они редко бывают целесообразны.

Котельная в частном доме
Виды разводки и способы расчета
Для расчета систем отопления необходимо учитывать многие факторы, в том числе:
- площадь дома;
- расчетные значения температуры воздуха внутри и снаружи, требуемую влажность;
- материалы, из которых построен дом и качество теплоихоляции;
- количество окон и интенсивность естественного солнечного освещения.
В соответствии с указанными параметрами по таблицам СНиП можно рассчитать требуемую мощность котла и требуемое давление в системе.
Распространенные принципиальные схемы
Для небольших по площади домов в один или два этажа подойдут наиболее простые однотрубные схемы, которые легко монтируются и рассчитываются, могут работать без насоса, однако считаются наименее эффективными.

Наименее эффективная и самая простая – однотрубная схема
Усовершенствованная схема – так называемая «ленинградка» — система, в которой каждый радиатор подключен по параллельной схеме, а регулировочные вентили позволяют более эффективно расходовать тепло и перенаправляют горячую воду.

Однотрубная регулируемая система – «ленинградка»
Принцип работы двухтрубной системы состоит в том, что нагретая вода подается ко всем радиаторам одновременно, а ее температура одинакова на каждом входе. Охлажденная вода отводится по трубе обратки, которая также является общей.

Простейшая двухтрубная система
Существуют схемы с нижней и верхней подачей. В первом случае вода, поднимаясь по стояку наверх, снабжает сначала первый этаж, а затем второй. При верхней системе все наоборот: нагретая вода поднимается по общему стояку и затем подается в радиаторы верхних этажей, охлаждается и возвращается обратно.

Принципиальная схема с нижней подачей
Схемы с открытым и закрытым расширительным бачком
Расширительный бак в отопительной системе играет роль регулятора уровня воды, а также страхует систему от перепадов давления. Расширительный бачок обычно устанавливают в самом холодном месте системе – на трубе обратки. Он должен располагаться в отапливаемом помещении, чтобы исключить промерзание воды в нем в зимний период.
Существует два типа бачков – открытый и герметично закрытый. Открытые бачки используются в схемах с естественной циркуляцией, а закрытые мембранные – только в системах с насосом. Читайте подробнее о расширительном баке для отопления закрытого типа в отдельной публикации нашего портала.

Герметичный расширительный бак
Как выбрать оптимальную схему
Схема отопления небольшого 2 х этажного частного дома может быть смонтирована любым из перечисленных выше способов. Принципиальным является вопрос о применении или неприменении циркуляционного насоса. Более подробно об особенностях каждой отопительной схемы можно узнать из видео ниже.
Видео: схема отопления двухэтажного дома теплый пол + коллекторное отопление

Экономьте время: отборные статьи каждую неделю по почте
Обязательным условием комфорта для каждого дома в нашей стране является наличие надежной и экономичной системы отопления. В нынешних условиях для большинства потребителей используются газовые котлы, так как этот вид топлива относится к наиболее доступным и удобным в эксплуатации.
При этом важно брать в расчет и нюансы, связанные с магистральной разводкой теплоносителя по дому. Одной из популярных и востребованных является однотрубная система отопления двухэтажного дома, схема которой может применяться и в строениях большей этажности.
Конструкционные особенности
Данный тип обогрева не использует в своей конструкции традиционного деления веток на подающие (отводящие теплоноситель от теплогенератора) и обратные (возвращающие остывшую жидкость в котел). Деление по этой схеме является лишь условным, как правило, половина магистрали после котла принимается «подачей», а дальше – «обратка».
Традиционная схема однотрубной системы отопления двухэтажного дома включает в себя следующие элементы:
- Телогенератор (котел) обеспечивающий передачу энергии теплоносителю (жидкость в системе). В роли первого могут выступать газовые, электрические или даже твердотопливные котлы. Жидкость – подготовленная мягкая вода или антифриз.
- Отопительные потребители – секции радиаторов. Материалом для разных моделей служит чугун, сталь, алюминий.
- Расширительный бак, компенсирующий перепады давления внутри системы. Для открытых систем подбирается открытая конструкция бачка, а для закрытых систем – мембранные емкости.
- Составные элементы разводной магистрали. В комплект входит достаточное количество труб, вентилей, фильтров, кранов и другой запорной арматуры.
Принцип работы данной система отопления для 2х этажного дома (схемы имеются на сайте) не зависит от используемого типа котла.
Отличительные характеристики
Главной чертой, которая отличает однотрубную разводку от многообразия двухтрубных схем системы отопления двухэтажного дома, является отсутствие обратки. Фактически все потребители монтируются на единой магистральной петле.
Деление однотрубных схем также предусмотрено по конструкционному признаку на вертикальные и горизонтальные схемы. В традиционной схеме отопление 2 этажного дома с одной трубой применяются кроме прочих элементов радиаторные регуляторы, шаровые краны, термостатические клапаны и т.д. Одним из бонусов является возможность монтажа магистральных труб под полом. В этом случае обеспечивается лучшая эстетическая составляющая.
Также монтаж однотрубной разводки в отличие от двухтрубной системы отопления двухэтажного дома провести немного легче. При этом в случае укрытия под полом труб, удастся снизить тепловые потери.
Минусы однотрубных систем водяного отопления
Принципиальное отличие однотрубной схемы от двухтрубной заключается в способе соединения радиаторов в системе – оно последовательное. Это исключает возможность контролировать интенсивность теплоотдачи каждого из них по отдельности, не снижая температуру в последующих в цепи. То есть если в одной комнате (не последней) очень жарко, то убавив температуру на батарее именно в этой комнате, тем самым снижается температура во всех остальных.
Второй более чем существенный недостаток – повышенное давление теплоносителя для того, чтобы система могла работать эффективно. Если речь идет об одном доме, такой недостаток при наличии хорошего циркуляционного насоса даже не заметен, но в централизованных котельных увеличение мощности насоса влечет за собой увеличение эксплуатационных расходов, интенсивное воздействие на магистраль, риск повреждения и протечек и т.д. Все это требует постоянного контроля воды в системе и ее подкачки. Это, в свою очередь, приводит к концентрации воздуха и увеличению воздушных пробок.
Третий минус – вертикальная разводка, при которой расширительный бак всегда устанавливается в самой верхней точке. Если это частное домовладение, для его размещения вполне может быть задействован чердак, но при этом бак желательно утеплить во избежание его промерзания. В многоквартирных домах нужно выполнить целый ряд мер не только по утеплению, но и поддержанию температуры на приблизительно одинаковом уровне с верхнего по нижний этажи, что очень проблематично. На верхнем этаже жильцы всю зиму открывают форточки, а нижним приходится использовать камины, радиаторы и прочие ухищрения, чтобы согреться.
Поскольку потеря тепловой энергии к нижним этажам превышает 50%, рекомендуется устанавливать на каждом этаже специальные «вилки» и увеличивать количество секций радиаторов на нижних этажах.
С этой статьей читают: Ленинградская система отопления: плюсы и минусы
Общая схема с учетом всех элементов обвязки
Вертикальная разводка
Перед тем, как правильно сделать отопление в двухэтажном доме, необходимо выбрать наиболее удобный тип разводки. Часто для таких строений предпочитают подбирать вертикальный тип. В этом случае разогретая вода поднимается по стояку, а дальше происходит ее распределение к отопительным радиаторам.
- В большинстве случаев перемещение осуществляется естественным способом притом, что нагретая масса воды перемещается вверх за счет своих физических свойств.
- С верхней точки осуществляется перемещение теплоносителя по трубам за счет сформированного во время монтажа уклона в несколько градусов.
- Возврат происходит при достижении нижней точки системы, в которой обычно расположен котел.
Данная схема отопления 2-х этажного частного дома является абсолютно независимой от наличия электричества. Хотя теплоноситель перемещается недостаточно быстро по трубам, но происходит экономия на использовании электроэнергии.
В качестве недостата отмечается то, что трубы, расположенные под уклоном вряд ли удастся спрятать под пол.
Горизонтальная разводка
Данный тип не нуждается в вертикальном стояке. Основная магистраль может быть скрыта под полом либо находиться над его уровнем. Если осуществляется монтаж магистрали для отопления 2х этажного частного дома своими руками с возможностью укрытия под пол, то необходимо позаботиться о снижении тепловых потерь.
Для этого проводится укрытие труб в термоизоляционные кожухи. Если в магистрали не предусмотрен циркуляционный насос, то прокладка трубопровода также должна осуществляться под небольшим уклоном.
С этой статьей читают: Двух- и однотрубная система отопления с принудительной циркуляцией
Оптимальный монтаж секций радиаторов
Для подключения отопительных радиаторов специалисты предлагают использовать один из популярных способов:
Проточное подключение
Теплоноситель, перемещаясь по магистрали, поступает внутрь радиатора через верхнее отверстие, а затем, отдав часть тепловой энергии, удаляется через нижний патрубок в радиаторе. Проводить какие-либо регулировки, связанные с температурой или скоростью подачи, в таких системах нет никакой технической возможности. Данный вариант подключения является актуальным для относительно небольших отапливаемых площадей.
С замковыми участками
Эта схема однотрубной системы отопления двухэтажного дома подразумевает наличие замковых участков трубопровода. Запорная арматура устанавливается обычно перед входным патрубком радиатора, а также на вмонтированном участке магистрали, соединяющем точку входа и выхода из радиатора. Данный элемент разводки называется байпасом. Подобное решение позволяет разделить теплоноситель на два потока. Одна его часть проходит по радиатору, а вторая – отправляется через байпас. Таким образом удается проводить регулировку температуры в каждом из блоке радиаторов.
ВИДЕО: Подключение радиатора
Алгоритм монтажа системы
Для правильной и эффективной работы необходимо по имеющемуся проекту системы отопления выполнить грамотный монтаж всех ее элементов. В таком случае необходимо соблюдать последовательность:
- установка котла на постоянное место;
- отделка стен под радиаторами;
- монтаж секций с радиаторами под углом;
- монтаж магистральной разводки с обозначением врезки радиаторов;
- врезка радиаторов по меткам.
Для подключения радиаторов рекомендуется использовать байпас и запорную арматуру – так намного проще ухаживать за всей системой.
Работа по монтажу должна проводиться последовательно от первых секций, расположенных ближе к выходу трубы из котла до последних – монтируемых на условной части «обратки».
Нельзя допускать обратного уклона, так как это приводит к завоздушиванию системы.
ВИДЕО: Однотрубная система отопления
обзор разновидностей и их характеристика

Отопительный контур одноэтажного здания многие из нас представляют себе вполне отчетливо.
При наличии же второго этажа задача по организации отопительной системы несколько усложняется.
Попробуем разобраться, какой должна быть схема отопления 2-х этажного дома частного или общественного назначения. Как реализовать ее своими руками?
Комплектация
В первую очередь рассмотрим все компоненты системы.
Котел
Назначением данного агрегата является выработка тепловой энергии, которая будет передаваться рабочей среде контура отопления.

По виду используемого топлива котлы делятся на следующие виды:
- газовые;
- электрические;
- твердотопливные;
- жидкотопливные;
- комбинированные (например, способные работать на электричестве и солярке).
Наиболее удобным в эксплуатации, а потому и самым востребованным, является газовый котел. При выборе данного агрегата определяющими параметрами являются мощность и материал теплообменника.
Мощность
Бытует мнение, что мощность отопительного котла надо выбирать из расчета 100 Вт на метр квадратный отапливаемой площади. Однако эти данные являются чересчур усредненными. Как показывает опыт, для небольших строений площадью около 100 кв. м потребная мощность составляет примерно 130 Вт/кВ. м, в то время как для более крупных домов, площадь которых достигает 500 кв. м, этот показатель уменьшается до 80 Вт/кВ. м. Почему так получается?

Напольный отопительный котел в доме
Дело в том, что с увеличением отапливаемой площади, скажем, в 4 раза площадь ограждающих конструкций, через которые и «улетучивается» тепло, увеличивается только в 2,5 раза. Таким образом, объем теплопотерь, приходящийся на 1 кв. м отапливаемой площади, уменьшается, соответственно меньшей становится потребность в тепловой энергии на тот же кВ. м.
Материал теплообменника
Существует два варианта:
Чугун прочнее стали, да и коррозии он противостоит лучше.
Трубы и радиаторы
В индивидуальных системах отопления стальные трубы все чаще заменяют металлопластиковыми или полипропиленовыми.
Эти материалы теряют прочность при высокой температуре, но в частном доме, где настройкой работы отопительного контура занимается сам домовладелец, скачки температуры теплоносителя до критических значений исключены.
Традиционным материалом для радиаторов считается чугун, но при необходимости в увеличенной теплоотдаче применяют медные или алюминиевые приборы. При наличии высокого давления в системе вместо них следует устанавливать биметаллические радиаторы. В них наиболее ответственные элементы изготавливаются из прочной стали, а теплоотдающие поверхности – из мягких меди или алюминия.
Арматура
В отопительных системах применяется арматура трех видов:
- Запорная: в настоящий момент чаще всего применяют шаровые краны, недостатки которых с развитием технологий были сведены к минимуму. Если же предполагается частое использование запорного элемента, лучше установить традиционный вентиль.
- Регулирующая: позволяет плавно менять объем пропускаемого теплоносителя. Теоретически с этой целью можно использовать и запорную арматуру, но она очень быстро придет в негодность, поскольку на такой жесткий режим работы не рассчитана. Сегодня вместо ручных регулирующих кранов активно применяются автоматические, подключаемые к термодатчикам. Такие регуляторы самостоятельно управляют потоком теплоносителя, поддерживая заданный температурный режим.
- Кран Маевского: этот элемент используется с целью удаления воздушных пробок.
- Расширительный бачок: в эту емкость поступают излишки рабочей среды, образующиеся вследствие ее температурного расширения.
- Циркуляционный насос (применяется не всегда).
В некоторых моделях крана Маевского можно полностью выкрутить шток. Если сделать это по неосторожности в момент, когда система пребывает в рабочем состоянии, теплоноситель хлынет в помещение и будет заливать все вокруг, пока вы не перекроете ближайший запорный кран. Во избежание аварийных ситуаций такие краны Маевского лучше не устанавливать.
Способы подачи теплоносителя в отопительную систему
Выбирая наиболее подходящий вариант системы отопления, домовладельцу придется принять решение по главному вопросу: как заставить теплоноситель двигаться по отопительному контуру. Эта задача решается одним из двух способов:
- естественным образом;
- принудительно.
Схема отопления частного дома с естественной циркуляцией
Как известно, нагретый газ или жидкость из-за меньшей плотности выталкивается более холодной средой вверх. Это явление называется конвекцией. При правильном конструировании системы отопления она может играть роль двигателя, который заставит теплоноситель циркулировать по замкнутому контуру из труб и радиаторов.
Важнейшим элементом такой схемы является разгонный коллектор – вертикальный участок трубопровода, идущий сразу после котла. Образующееся здесь мощное восходящее течение хорошо проталкивает теплоноситель через контур. В такой системе применяется расширительный бачок открытого типа, представляющий собой обычную емкость, подключенную к верхней точке отопительного контура.

Отопление двухэтажного дома с естественной циркуляцией
Наличие второго этажа позволяет сделать разгонный коллектор достаточно длинным, что при хорошем утеплении этого участка обеспечивает вполне пристойную циркуляцию теплоносителя. Однако, несмотря на это, даже в двухэтажных домах схема с естественным движением рабочей среды встречается все реже. Причина заключается в характерных для нее недостатках:
- требуются трубы большого диаметра;
- на горизонтальных участках трубопровода приходится соблюдать значительный уклон – 5 – 7 см на 1 м длины;
- после обхода контура температура теплоносителя падает более, чем на 25 градусов (обязательное условие для хорошей естественной циркуляции), поэтому котел приходится эксплуатировать в режиме высокой производительности, что сокращает срок его службы;
- максимальная длина трубопровода ограничивается 30-ю метрами.
Хотите знать больше о системах отопления частного дома? Инфракрасное отопление в частном доме: разновидности ИК-излучения, влияние на здоровье человека, отзывы владельцев.
О принципе работы геотермального отопления читайте тут.
Солнечные батареи пока не нашли широкого применения в качестве отопительной системы. Тем не менее есть люди, которые отказываются от привычных способов обогрева в пользу солнечной энергии. Здесь https://microklimat.pro/sistemy-otopleniya/solnechnye-batarei-dlya-doma.html вы узнаете все о типах батарей, их установке и выборе.
Принудительный способ
В двухэтажных домах схема с принудительной циркуляцией применяется гораздо чаще хотя бы потому, что длина отопительного контура в таких постройках составляет, как правило, более 30-ти метров. Здесь рабочая среда перекачивается специальным насосом, который получил название циркуляционного. Он устанавливается у входа в котел, где теплоноситель является наиболее холодным. Так как система отопления является замкнутой, развиваемый таким насосом напор не зависит от этажности здания и определяется лишь сопротивлением контура (гидравлическим).

Схема отопления с принудительной циркуляцией
При данной схеме скорость движения теплоносителя увеличивается, поэтому он не успевает сильно остыть. Это обуславливает более равномерное распределение тепла по всему контуру, а также возможность эксплуатации котла в щадящем режиме. Кроме того, система с принудительной циркуляцией является более практичной: весной и осенью, когда на улице не очень холодно, она может эксплуатироваться в низкотемпературном режиме, чего при естественной циркуляции среды добиться не удалось бы. Горизонтальные участки трубопровода устанавливают с уклоном в 0,5 – 1 см на 1 м.
Из-за высокого давления, развиваемого насосом, приходится усложнять конструкцию расширительного бачка. Здесь он является закрытым и состоит из двух полостей, разделенных гибкой мембраной. В одну полость поступает расширяющийся теплоноситель, в другой содержится сжатый воздух, давление которого уравнивает давление в системе. Закрытый бак не обязательно располагать в наивысшей точке контура, обычно его монтируют рядом с котлом.
Предусмотрительные проектанты оставляют разгонный коллектор даже в системах с принудительной циркуляцией. В этом случае при отключении электроснабжения и последующей остановке насоса система продолжит функционирование в режиме конвекции.
Виды схем отопления
Отопление двухэтажного дома можно организовать по одной из нижеперечисленных схем.
Однотрубная, двухтрубная и лучевая схемы отопления частного дома
В небольшом частном доме можно применить последовательную схему подключения радиаторов отопления. В этом случае контур будет образован одной трубой, поэтому такая система получила название однотрубной. Это самый недорогой, но и наименее практичный вариант: в наиболее удаленные от котла радиаторы теплоноситель поступает относительно холодным, из-за чего количество секций в этих приборах приходится увеличивать.

Двухтрубная схема отопления с верхней и нижней разводкой
Более равномерно тепловая энергия распределяется в двухтрубной системе. Она состоит из двух трубопроводов – подающего и обратного, между которыми по параллельной схеме подключаются радиаторы. Для двухэтажного частного дома с большим количеством помещений такая схема системы отопления является оптимальной.
Наиболее дорогостоящей, но и самой удобной с точки зрения управления, является лучевая схема. Согласно ей, к каждому радиатору прокладываются собственные подающий и отводящий трубопроводы, которые сходятся в одном коллекторе. Если из-за неправильного гидравлического расчета на отдельных участках обычной двухтрубной системы может наблюдаться слабая циркуляция теплоносителя или ее отсутствие, то при лучевой схеме подобные явления полностью исключены.
Горизонтальная и вертикальная схемы с нижней и верхней подачей
В двухэтажных частных домах с небольшой площадью систему отопления своими руками часто сооружают по горизонтальной схеме.
Согласно ей, все радиаторы в пределах одного этажа объединяются в горизонтальный контур, а для запитки каждого из этих контуров сквозь все этажи прокладывается один хорошо утепленный стояк.
При большой площади этажей горизонтальные контуры получались бы слишком длинными, поэтому соблюдение требуемого уклона при их монтаже было бы невозможным.
В этом случае прибегают к организации отопления по вертикальной схеме. В соответствии с данным принципом объединяются не те радиаторы, которые расположены на одном этаже, а смонтированные друг над другом на разных этажах. Для этого прокладывается несколько стояков.
Они могут подключаться последовательно:
- теплоноситель от котла поднимается по одному стояку;
- затем по расположенной на втором этаже или на чердаке перемычке он поступает во второй стояк, по которому и движется в обратном направлении.
Но практикуют и параллельное подключение стояков. Для этого прокладывают два кольцевых трубопровода, один из которых играет роль распределительной гребенки (от него и запитываются все стояки), а второй – выполняет функцию «обратки» (сюда поступает остывший теплоноситель).
Если в доме имеется утепленный чердак или технический этаж, первый из трубопроводов можно разместить здесь. В таком случае говорят, что система имеет верхнюю разводку. При отсутствии такого помещения оба трубопровода приходится располагать в подвале или цокольном этаже (нижняя разводка).
При проектировании отопления в частном доме многие владельцы задаются вопросом, какую систему выбрать: однотрубную или двухтрубную? Первая является более простой, вторая более практичной. Двухтрубная система отопления частного дома: ее сильные и слабые стороны, а также классификация и гидравлический расчет.
Подробную информацию об однотрубной системе отопления вы узнаете в этом материале.
Видео на тему
В процессе строительства и задолго до закладки Есть много вопросов, связанных с отоплением. Каждый владелец хочет добиться положительных результатов, следуя по пути меньшего сопротивления.
Схема с естественной циркуляцией
Рассматривая схему отопления частного 2-х этажного дома, вы можете обратить внимание на систему, которая предполагает естественную циркуляцию воды.Выбор чертежа будет зависеть от планировки и площади здания. Но это самое распространенное и привычное для загородных домов и загородных домов. Он мало отличается от того, который используется при устройстве отопительных систем в одноэтажных зданиях.
Выбирая такие схемы отопления частного 2-х этажного дома, следует помнить особенности планировки, которые требуют выбора места для монтажа расширительного бачка. Нет необходимости размещать его на чердаке, вы можете ограничиться вторым этажом.Там танк может быть где угодно. Конечно, это должна быть самая высокая точка комнаты. Капитан должен убедиться, что вода может быть сброшена. Если вы примените аналогичный метод подключения нагревателей, жидкость будет поступать сверху. Благодаря этому обогрев радиаторов будет равномерным, если речь идет о обогреваемых помещениях.
Для направления движения воды трубы расположены под небольшим углом 3-5 градусов. Диаметр обратного трубопровода должен увеличиваться по мере приближения к котельному оборудованию.Если используются такие отопительные схемы частного 2-х этажного здания, подающий трубопровод можно разместить под обычными подоконниками или потолком.
Преимущества отопительного контура с естественной циркуляцией
Перед началом монтажных работ важно учитывать преимущества описанной выше схемы. Их очень много. Прежде всего хочу отметить надежность дизайна. Кроме того, среди положительных моментов следует выделить простоту эксплуатации, бесшумность работы, независимость от подачи электроэнергии.
Недостатки схемы
Если вы решили использовать вышеуказанный проект отопления 2-х этажного частного дома, нужно также помнить о недостатках, которые в этом случае намного больше плюсов. Прежде всего, стоит подчеркнуть сложность монтажных работ и необходимость прокладывать трубы с уклоном. Помимо всего прочего, отапливаемая площадь будет небольшой. Система не будет иметь достаточного давления для отопления дома, если его площадь превышает 130 квадратных метров.
Вам также следует помнить о низкой эффективности и значительной разнице температур между возвратом и подачей.Последнее обстоятельство отрицательно сказывается на работе котельного оборудования. Внутренние поверхности системы будут корродированы, так как в охлаждающей жидкости будет присутствовать кислород. Владельцам дома необходимо постоянно следить за состоянием испаряющейся воды, что подразумевает необходимость ее добавления. В результате на трубах могут образовываться весы. Использование антифриза недопустимо по той же причине. В качестве еще одного недостатка стоит выделить значительный материальный расход системы.
Разновидности контуров с принудительной циркуляцией
Обогрев частного 2-х этажного дома со своими собственными руками может быть оборудован и по принципу системы, которая работает через принудительную циркуляцию воды.Как полагают профессионалы, проще всего установить следующие схемы: однотрубный, двухтрубный и коллекторный. Для начала проанализируем первый вид.
Однотрубная система отопления, изготовленная вручную.
При использовании данной схемы движение охлаждающего вещества будет разделено на две ветви нагревательных устройств. Один из них идет на первый этаж, а другой — на второй. На каждом этаже, у входа в трубу, установлены запорные клапаны. Он отапливает только половину комнат. После того, как трубы с охлаждающей жидкостью пройдут через нагревательные устройства, они будут объединены в одну систему, которая будет подходить для котельного оборудования.Подсоединяйте батареи на каждом этаже, чтобы использовать ту же технику, которая используется в условиях одноэтажного здания.
Рекомендации по устройству системы
Если вы выбрали вышеуказанную схему отопления 2-х этажного частного дома, клапаны должны быть установлены на входе каждого отопителя. Это необходимо для регулировки уровня нагрева радиатора и балансировки системы. На выходе из батареи установлены клапаны, которые используются для отключения радиатора во время ремонта и замены.Если вы используете такую схему подключения, вы можете менять нагревательные устройства, не останавливая систему и не сливая воду. Для сброса воздуха на каждую батарею в верхней части установлен клапан.
Такая схема отопления в 2-х этажном частном доме включает установку батарей с байпасной линией. Это увеличивает равномерность отопления здания. Можно установить отопительные приборы без байпаса. В этом случае в доме должны быть установлены радиаторы разной тепловой мощности с учетом потери охлаждающей воды.Это указывает на то, что чем дальше от котла находится аккумулятор, тем больше секций он должен иметь. Если мы пренебрегаем этим правилом, в одних комнатах будет жарко, а в других — холодно.
Схема отопления без клапанов
Когда система отопления монтируется в частном порядке, 2-й этаж сделать это самостоятельно, запорные клапаны не могут быть использованы. Скорее, его можно использовать в меньших количествах. Однако при таких условиях маневренность будет снижаться. Проводить в этом случае раздельный обогрев второго и первого этажей не придется.
Основные преимущества и недостатки однотрубной системы отопления
Используя такие схемы отопления частного 2-х этажного дома, вы обеспечите простоту монтажа. Домовладельцы при этом получают эффективную теплопередачу, а также экономию на материалах. Среди минусов схемы отопления можно выделить неравномерное распределение тепла по радиаторам и необходимость сбалансировать систему. Однако все эти недостатки полностью лишены двухтрубной системы, которая работает за счет принудительной циркуляции воды.
Циркуляция с принудительной циркуляцией
Двухтрубная система с принудительной циркуляцией обеспечивает равномерное распределение тепла. Это очень эффективно и иногда сравнивается с системой кровообращения человека. В нем к каждому радиатору охлаждающая жидкость подается по отводу от общей питающей трубы. Наличие отвода предусмотрено в возвратной трубе каждого радиатора.
Батареи устанавливаются с вентиляционным устройством и клапанами на потоке. Это позволяет изменить уровень нагрева нагревателя.В целях повышения безопасности и устранения избыточного давления в радиаторе запорные клапаны не установлены на выходе из возвратного трубопровода от аккумулятора. Под подоконником или потолком можно проложить подводящую трубу. Вполне допустимо устроить такой обогрев частного 2-х этажного дома своими руками. Схемы, представленные в статье, позволят вам выполнить эти работы без помощи специалистов.
В качестве основного недостатка двухтрубной системы используется высокий расход материала.Для возврата и подачи трубы понадобятся в двух экземплярах. Помимо прочего, их сложно украсить, и не всегда можно их спрятать, что портит интерьер помещения
.Дайан Уоткинс Обновлено 29 декабря 2018
Поддерживать комфортную температуру в старом двухэтажном доме может быть сложно только с одним центральным блоком кондиционирования воздуха. Использование двух систем имеет много преимуществ по сравнению с одним устройством, но это не всегда лучший выбор. Возраст и дизайн вашего дома могут повлиять на ваше решение, а также расходы на покупку и эксплуатацию второго центрального кондиционера.
Вопросы стоимости
Первоначально покупка двух центральных кондиционеров может быть дороже, чем покупка одного, но разница в стоимости может быть не такой значительной, как вы думаете. Вам нужны либо две меньшие единицы, либо одна большая единица, чтобы управлять всем домом. Добавленная стоимость второй единицы может быть компенсирована экономией энергии. Многое зависит от вашего дома и от того, как вы используете кондиционер.
Температурный баланс
Во многих старых домах трудно поддерживать весь дом при одинаковой температуре.Второй этаж часто намного теплее первого, поэтому одна часть дома часто кажется слишком горячей или две холодной. Использование отдельных центральных кондиционеров для каждого этажа позволяет поддерживать комфортную температуру во всем доме.
Энергосбережение
Один незонированный центральный блок кондиционирования воздуха требует, чтобы все помещения оставались прохладными, даже если некоторые из них не используются. Во многих домах первый этаж можно охлаждать в дневное время и выключать ночью, тогда как спальни на верхнем этаже могут охлаждаться только ночью.В этой ситуации отдельные центральные кондиционеры могут привести к значительной экономии энергии. Эту ситуацию также можно решить с помощью зонированного кондиционера.
Отказ системыЕсли один из центральных кондиционеров отключается, вы можете поддерживать дом достаточно прохладным с другим блоком до тех пор, пока не будет сделан ремонт, хотя это важно только в районах, где летние температуры экстремальны. Наличие двух блоков также удваивает вероятность отказа системы и увеличивает общую стоимость ремонта.
Преимущества зонированной системы
Можно установить один центральный блок кондиционирования воздуха с двумя или более термостатами, которые могут равномерно охлаждать дом. Зональная система включает в себя демпферы внутри воздуховода, которые открываются и закрываются для регулирования потока воздуха и температуры в каждой зоне. Обычная центральная система кондиционирования, напротив, направляет холодный воздух во все части дома. Система с одной зоной обладает многими преимуществами системы, состоящей из двух блоков: дом разделен на две или более зоны — в данном случае наверх и вниз.Каждая зона дома может быть выключена или закрыта для экономии энергии. Термостат в каждой зоне контролирует температуру в зоне. Зональная система стоит дороже, чем обычная единая система кондиционирования, но экономия энергии со временем может компенсировать разницу.
