Что такое лед драйвер – Драйверы для светодиодов: устройство, виды, подключение
Что такое драйвер светодиода
Залогом бесперебойного и эффективного режима работы элементов светодиодного освещения является их правильное питание, которое обеспечивают специальные устройства – драйверы. Драйверы питания светодиодов предназначены для обеспечения прохождения через светодиод стабилизированного номинального тока, преобразовывая 220В переменного напряжения в низкое напряжение постоянного тока. Чтобы обеспечить правильную и долговечную работу драйверов, ток проходящий через них должен не зависеть от колебаний питающего напряжения и быть постоянным.
Драйвер для светодиодов зачастую рассчитаны на напряжение 10, 12, 24, 220 Вольт с постоянным током в 350мА, 700мА и 1А. Драйверы для светодиодов выпускают, в основном, только под определенный продукт, но есть и универсальные драйверы, которые подходят к большинству известных LED и выполняются как в бескорпусном варианте, так и заключенными в герметичные или негерметичные металлические или пластмассовые корпуса.
Драйверы совместимы с устройствами систем контроля, датчиками фотоэлементов и благодаря своей компактности легко размещаются в распределительных коробках. Кроме того, что они обеспечивают прохождение постоянного номинального тока через светодиод, при помощи драйверов можно изменять цвет светодиодов и их яркость, сокращая ток с помощью цифрового управления. Большая часть драйверов работает методом широтно–импульсной модуляции. Используя этот метод получается немерцающий световой поток с варьируемой частотой от 100 до сотен тысяч модуляций в секунду. При такой регулировке не наступает потеря эффективности светодиодов, они продолжают работать при полной яркости в том же напряжении и токе. Такое регулирование существенно продлевает срок службы приборов, повышает их надежность и качество, а так же помогает снизить рабочую температуру внутри источников света.
Драйверы со стабилизированной силой тока в диапазоне от 300мА до 700мА предназначены для изделий с мощными и сверхяркими светодиодами, которые обеспечивают стабилизацию выходного тока в узких пределах. Изменение тока в маленьком диапазоне обеспечивает стабильность свечения светодиодов и гарантирует их продолжительную эксплуатацию.
led-stars.com
led драйвер
Светодиодный драйвер стабилизирует ток, протекающий через светодиоды, что обеспечивает их долгий срок службы, в отличие от подключения к обычному БП.
Драйвер FxLED компании ISSI управляет 144-мя полноцветными светодиодами в информационных дисплеях
Компания Integrated Silicon Solution, Inc. представила ИС IS31FL3731 (смотреть PDF) — высокопроизводительный драйвер точечной светодиодной матрицы, предназначенный для применения в интеллектуальных дисплеях мобильных телефонов, бытовых товарах, игрушках и устройствах персональной электроники. ИС IS31FL3731 является малогабаритным драйвером светодиодов с предварительно запрограммированной анимацией/цветовыми эффектами, конфигурируемым посредством последовательного информационного интерфейса I2C.
Автор: 2student
0 0 [0]Компания Power Integrations устанавливает уровень плотности мощности при замене трубок освещения T8
Компания Power Integrations представила два новых опорных проектах, описывающих высокоэффективные, неизолированные, с высоким коэффициентом мощности драйверы светодиодных трубок формфактора T8. Проекты используют небольшое количество компонентов и простые магнитные компоненты, односторонние печатные платы, получая уровень плотности мощности 14.2 Вт/дм3.
Автор: 2student
0 0 [0]Понижающий светодиодный контроллер с возможностью регулировки яркости светодиодного освещения
Компания Alpha and Omega Semiconductor Limited выпустила одноканальный понижающий светодиодный контроллер AOZ1948 с возможностью линейной регулировки яркости светодиодного освещения от 100% до 1%, в дополнение к существующей интегральной цепи защиты для улучшения устойчивости и надежности работы системных решений.
Автор: topa_biser
1 0 [0]Компактный фонарик на основе драйвера СХ2601
Конструкция простого светодиодного фонарика с применением DC-DC преобразователя на основе драйвера СХ2601
Автор: АКА КАСЯН
3 0 [0]Улучшенный и экономичный светодиодный драйвер HV9910C от компании Supertex
Компания Supertex, Inc. представила универсальный светодиодный драйвер HV9910C, с разомкнутым контуром и токовым управлением. Драйвер является идеальным решением для стандартного и декоративного светодиодного освещения, в качестве подсветки плоскопанельных дисплеев и других DC/DC или AC/DC применений с входной цепью базы.
Автор: topa_biser
0 5 [1]Светодиодный драйвер LT3955 с внутренним ШИМ генератором
Микросхема LT3955 от компании Linear Technology, DC/DC преобразователь, разработанный для работы в качестве источника постоянного тока и регулятора постоянного напряжения с внутренним 3.5 A переключателем, уже поступил в продажу. Внутренний ШИМ понижающий генератор м/с делает его идеальным решением для управления сильноточными светодиодами. LT3955 также имеет характеристики, пригодные для зарядных батарей и конденсаторов большой емкости.
Автор: topa_biser
0 0 [0]Компания Allegro представила новый 10-канальный светодиодный драйвер для автомобильных применений
Компания Allegro объявила о выпуске нового программируемого многовыводного светодиодного драйвера для подсветки LCD-дисплея, приборных панелей и дневных габаритных фар. В драйвер A8517 интегрирован повышающий преобразователь с токовым управлением с внутренним переключателем питания и 10 управляемыми по программируемой шине I²C нагрузками по току. Он обеспечивает коэффициента контрастности 5,000:1 и ШИМ диммирование на частоте 200 Гц.
Автор: topa_biser
0 0 [0]Модернизация мощного фонаря на светодиод 5 Ватт
Электронная начинка фонаря должна включать в себя драйвер мощного светодиода и контроллер заряда/разряда аккумулятора. Задача драйвера — обеспечивать стабильный ток на светодиоде. Задача контроллера заряда — обеспечить правильный режим заряда аккумулятора. Задача контроллера разряда — отключить аккумулятор от нагрузки при снижении напряжения ниже установленного предела, для предотвращения глубокого разряда.
Автор: hax
18 5 [1]Новейший контроллер сильноточного светодиодного драйвера с тройным выходом от Linear
Компания Linear Technology Corporation объявила о выпуске LT3797, DC/DC контроллера с тройным выходом, разработанного для управления тремя независимыми каналами светодиодов. Его фиксированная частота, архитектура токового режима обеспечивают постоянный, точно регулируемый ток для светодиодов в широком диапазоне входного и выходного напряжения
Автор: topa_biser
0 0 [0] 2011 г.Блокинг-генератор для питания LED от 1.5В
Данное устройство позволяет запитать светодиод от одной пальчиковой батарейки. И не просто запитать, а заставить его светиться довольно ярко.Автор: none
12 0 [0] Весь список теговcxem.net
Светодиоды смогут покорить автомобильный рынок?
Автомобильная промышленность широко использует светодиодные драйвера в фарах, тормозных и габаритных огнях, а также для работы указателей поворота. При этом яркость светодиодов не одинакова, а зависит от конкретного применения.
Я думаю, не стоит упоминать, что светодиоды работают с разной степенью яркости, например, при торможении автомобиля задние огни горят на полную яркость, а при включенном свете фар всего на 10% — 25%. Для реализации различных степеней свечения светодиодов используется широтно-импульсная модуляция (ШИМ), которая изменяет ширину импульса тока, подводимого к диоду.
ШИМ принята в качестве предпочтительного метода для уменьшения яркости светодиодов без потери качества освещения. Важным аспектом системы управления освещением является управление питанием, обеспечиваемое драйверами интегральной схемы (ИС) в нескольких конфигурациях, таких как топология buck и buck-boost. Легкость управления светодиодами делает их интеллектуальными системами освещения.
Особенности светодиодных драйверов
Для обеспечения равномерной яркости свечения светодиода необходим постоянный ток. Отсутствие колебаний питающего напряжения – один из основных параметров при проектировании драйвера управления. Поэтому нужно строго учитывать колебания, возникающие при питании транспортного средства. Кроме того, необходим учет и других не менее важных параметров как температура, влажность, электромагнитные помехи, совместимость и диапазон рабочих напряжений, а также требования к надежности, подтвержденные профессиональными испытаниями.

Задержка, драйвера светодиода на сигнал ШИМ. Эти задержки приводят к появлению коэффициента контрастности системы. Здесь tD представляет задержку распространения светового потока от момента, когда VDIM (сигнал ШИМ) поднимается до уровня, когда начинает протекать If (прямой ток), управляющий светодиодом (tSU и tSD — это время нарастания прямого тока светодиода и время спадания, соответственно). DMIN и DMAX — это минимальный и максимальный рабочий цикл.
Высокие требования к надежности автомобильной электроники указывают на то, что интегральные схемы играют далеко не последнюю роль в защите светодиодных драйверов, например, защита от низкого и высокого напряжения, обратной полярности, перегрузки по току, коротких замыканий, высоких и низких температур и прочих факторов, которые не входят в нормальный рабочий цикл. Условия эксплуатации в автомобилях не самые легкие, поэтому для надежной работы освещения необходимы определенные схемы защиты. Также устройства должны поддерживать надежную работу в расширенном диапазоне температур и влажности, а также быть способными выдерживать постоянные вибрации.
Функция регулирования яркости внутреннего освещения является обычным требованием. Для внешнего освещения также есть требования к яркости освещения, например, дальний и ближний свет фар, стоп сигналы. В некоторых случаях возможна интеграция одного и того же драйвера светодиодов как во внутреннее, так и во внешнее освещение.
Как правило, драйверы разрабатываются с уже встроенным ШИМ регулятором яркости. Во многих микросхемах используется ШИМ генератор для определения циклов включения и отключения драйвера. Ключевым фактором в технике ШИМ является частота fDIM — минимальное значение этой частоты определяется чувствительностью глаза к мерцанию. Снижение fDIM обычно способствует более высокому коэффициенту контрастности, выраженному как обратное минимальному времени (рисунок выше).
Топологии драйвера
Светодиоды требуют постоянного тока для поддержки нормального освещения. Поэтому драйвер LED должен иметь возможность изменять выходное напряжение для поддержания постоянного тока. Выходное напряжение связано со многими параметрами, такими как температура светодиодной матрицы и количество последовательно включенных светодиодов. Разработчик должен быть в состоянии с высокой точностью предсказать максимальное выходное напряжение, чтобы выбрать оптимальную топологию регулятора и, следовательно, драйвер ИС и связанные с ним компоненты.
Правильно подобранный источник питания обеспечивает высококачественное освещение с максимальной эффективностью преобразования (в пересчете на люмен на ватт), что продлевает срок службы светодиодов. Качество получаемого света определяется прежде всего стабильностью интенсивности света, которая требует точной регулировки тока с постоянными рабочими точками во всех диапазонах напряжений и температур. Может быть полезным использование драйверов со встроенными или внешними транзисторами, в зависимости от мощности указанных светодиодов. Однако, интеграция MOSFET транзисторов для светодиодного драйвера уменьшает количество внешних компонентов, тем самым экономя пространство на плате и упрощая схему.

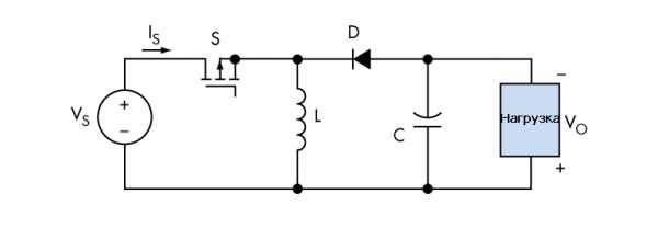
Энергия накапливается в катушке индуктивности конструкции преобразователя, при этом выходное напряжение всегда ниже входного.
Драйвер светодиода можно разделить на три категории: линейные регуляторы, зарядные с конденсатором, драйвер переключения, характеризуемый индуктором (реактивный электронный компонент). Последние нашли широкий диапазон применений благодаря своей гибкости и постоянно растущей эффективности. Кроме того, они допускают прием широкого диапазона входного напряжения и могут быть электрически изолированы для работы при высоких температурах.
Линейные регуляторы обеспечивают простое управление и не требуют фильтров. Тем не менее, их рассеиваемая мощность слишком большая для мощных приложений. Переключение драйверов осуществляется в четырех вариантах: buck, boost, buck / boost и несимметричного преобразователя первичной индуктивности (SEPIC).
Как и в обычном коммутаторе, переключатель управляет передачей энергии. Выходное напряжение идеального преобразователя (рисунок выше) зависит от времени цикла переключения и напряжения питания. Повышающий преобразователь состоит из четырех основных элементов: индуктора, выключателя питания (MOSFET, IGBT), диода и конденсатора.
Конфигурация «buck-boost» (рисунок ниже), которая использует катушку индуктивности, подключенную параллельно источнику напряжения, дает преимущество с точки зрения гибкости. Топология преобразователя SEPIC представляет собой преобразователь с понижающим / повышающим напряжением без инвертированного напряжения. Это требует дополнительного индуктора и блокирующего конденсатора, что является недостатком этой конструкции.

Катушка индуктивности, которая разряжается через диод, подает ток на нагрузку в данном повышающем напряжение преобразователе.
В зависимости от того, является ли светодиодное приложение автомобильным или общего назначения, использование многотопологического светодиодного драйвера с максимальной гибкостью диапазона входного и выходного напряжения, что упрощает его выбор. Диапазон напряжений для автомобильного освещения составляет от 9 до 16 В (номинальное 14 В) и включает в себя защиту от экстремальных условий, таких как изменение полярности батареи (-12 В), сброс нагрузки (возникает, когда аккумулятор отсоединен от генератор переменного тока) и другие переходные напряжения.
Среди других достоинств, конфигурации SEPIC buck-boost обеспечивают постоянную яркость различных напряжениях батареи. Когда возникает необходимость контролировать несколько светодиодов последовательно, топология buck-boost может решать множество прикладных задач, включая возможность управлять крайними значениями напряжения.
В некоторых автомобильных применениях наружного освещения матрица или матрица светодиодов может быть расположена на расстоянии от драйвера / контроллера. В этих случаях повышающий преобразователь может быть более подходящим выбором. Тщательный выбор регулятора «buck» может обеспечить частоту диммирования ШИМ в диапазоне килогерц. Хотя эта функция, возможно, не нужна для традиционного освещения, она может быть эффективной в таких приложениях, как высокоскоростной стробоскопический эффект для операций распознавания (визуализации) в промышленном и автомобильном секторах.

SEPIC похож на традиционный buck-boost преобразователь, но имеет преимущество неинвертированного выхода (выходное напряжение имеет одинаковую полярность с входным напряжением) и развязки между входом и выходом (обеспечиваются последовательным конденсатором).
Светодиоды улучшают «качество вождения»
Светодиодное освещение и другие вторичные оптические решения значительно повышают безопасность дорожного движения просто благодаря лучшему освещению дороги. Характеристики светодиодов — высокая производительность, высокая яркость и низкое тепловыделение — являются основными характеристиками идеального решения для автомобильного освещения.
Поскольку на сцену выходят новые технологии освещения, новые технологии светодиодных драйверов для внутреннего и внешнего освещения помогают создать дополнительный уровень комфорта в огромном диапазоне транспортных средств. Целью является обеспечение линейного светодиодного затемнения с большим коэффициентом контрастности. Правильный процесс эксплуатации заключается в том, чтобы управлять светодиодами на рекомендованном изготовителем прямом токе / напряжении.
Выводы
Светодиоды уверенно отвоевывают свою часть автомобильного рынка в области освещения благодаря длительному сроку службы и удобству регулирования яркости. Более полная интеграция SoCs продолжит уменьшать размеры микросхем драйверов, что приведет к более быстрым циклам разработки продукта и более точному управлению функциями освещения.
По оценкам различных специалистов, рынок светодиодных драйверов в ближайшем будущем будет иметь среднегодовой темп роста (CAGR) около 27%. Основные факторы, обусловившие подъем рынка светодиодных драйверов, включают в себя большую эффективность, проявляемую схемами управления питанием и высокий спрос на светодиоды в коммерческих и промышленных приложениях.
elenergi.ru
5 основных направлений применения светодиодных драйверов
Светодиоды (Light-emitting diodes (LEDs)) – это полупроводниковые приборы способные излучать свет при прохождении через них электрического тока. Но для получения максимальной эффективности светодиода необходимо применение специальных устройств – светодиодных драйверов (LED-драйверов), которые повышают эффективность использования, надежность и долговечность.
Светодиодные драйверы – это электрические устройства, которые предотвращают повреждения светодиодов путем регулирования их прямого напряжения VF, которое изменяется при изменении температуры и тем самым защищают светодиод от теплового пробоя, при этом обеспечивая постоянный ток на нем.
Устойчивый рост светодиодных технологий для освещения сформировал на полупроводниковом рынке широкий спектр LED-драйверов. Некоторые из основных направлений развития, такие как: затемненные лампы, автомобильное освещение, светодиодные вывески, а также подсветки смартфонов и телевизоров продолжают активно развиваться.
Рассмотрим пять основных продуктов, использующих LED-драйверы.
Затемненные лампы малых форм-факторов
Многие светодиодные приложения используют настройки включения/отключения, а затемнение помогает решить вопрос с уменьшением потребления электроэнергии. Есть два популярных метода затемнения в цепях LED-драйверов – аналоговое и широтно-импульсное (ШИМ).
Аналоговое затемнение использует способ изменения тока светодиода. Этот способ является приемлемым далеко не для всех устройств, так как с изменением тока может изменятся цвет светодиода. Регулирование затемнения с использованием ШИМ позволяет производить регулирование тока на больших частотах, что позволяет избежать эффекта мерцания.

Одной из ключевых проблем является спаривание светодиодных ламп с TRIAC или диммерами с фазным управлением, которые не предназначаются для питания полупроводниковых ламп. Тем не менее, существуют продукты, которые могут быть использованы в этой сфере. Например, LYTSwitch-7 от Power Integrations, схема которого приведена выше. Это понижающий LED драйвер IC с понижающей топологией и коэффициентом мощности выше 0,9. Он совместим с TRIAC диммерами мощностью до 22 Вт. Интегрированные 735 В MOSFET транзисторы обеспечивают достойную защиту от перенапряжений на линии. Его конструкция предлагает широкий выбор входных напряжений (90 В – 308 В переменного тока), а фильтр EMI pi блокирует электромагнитные шумы и помехи. Пассивное демпфирование и одна катушки индуктивности используется для управления TRIAC.
Автомобильное освещение
Рынок светодиодных изделий для автомобильной техники постоянно растет. Практически каждое устройство освещения автомобиля включает в себя характерный LED драйвер. Он применяется для реализации энергосберегающих технологий и улучшения освещения. В зависимости от применения иногда лучше использовать линейные драйверы. Это зависит от места расположения светотехники в автомобиле, например, снаружи или в салоне, спереди или сзади, сверху или снизу. В зависимости от условий размещения будет зависеть процесс рассеивания тепла на разных уровнях.
Светодиодные освещение может улучшить безопасность водителей и пешеходов за счет повышения дальности видимости при режимах работы ON, OFF, или в затемненном режиме. Светодиодные фары представляют ряд проблем, так как выходное напряжение может изменятся в зависимости от условий. Таким образом, для повышения производительности требуются понижающие и повышающие топологии.

Например, S6BL112A Buck LED драйвер от Cypress поддерживает аналоговые и ШИМ функции затемнения. Он позволяет пользователю регулировать частоту от 205 кГц до 2,1 МГц. Частота коммутации FOSC программируется с помощью внешнего резистора RRT подключенного между RT и GND.
Cypress’ S6BL112A автомобильный LED драйвер оснащен диапазоном входных напряжений 4,5 V – 42 V, что позволяет ему работать в самых жестких условиях эксплуатации, например при холодном запуске двигателя. Это вызвано тем, что при холодном запуске двигателя стартер «тянет» от аккумулятора максимальный ток. S6BL112A также может функционировать в течении дампа нагрузки, вызванного скачком напряжения, возникающим при отключении аккумулятора и работающем генераторе автомобиля.
16х16 светодиодные дисплеи
16х16 дисплеи набирают популярность, так как они прекрасно подходят для использования на открытом воздухе для таких устройств как рекламные щиты, знаки общественного транспорта и друге системы. Большинство светодиодных дисплеев использует матрицу 8х8 и не могут передавать данные многих международных буквенно-цифровых символов. С дисплеем 16х16 можно создавать надписи на разных языках, однако это требует большего количества полупроводниковых элементов.

Недавно Maxim Integrated выпустила свою эталонную разработку MAXREFDES99, которая объедияет четыре MAX7219 LED драйвера для создания 16х16 дисплея с 256 светодиодами. MAXREFDES99 может питатся от wall-wart преобразоваателя, который имеет минимальную мощность 7 Вт и обеспечивает выходное напряжение в диапазоне от 7,5 В до 12 В постоянного тока. Данная разработка может работать как с Arduino, так и с ARM mbed платформами.
MAX7219 представляет собой компактный последовательный ввод/вывод с общим катодом драйвер дисплея, который взаимодействует с микропроцессорами (µPs) для семисегментных цифровых светодиодных дисплеев из восьми цифр, бар-граф дисплеев, или 64 отдельных светодиодов.
Подсветки смартфонов
Светодиоды позволяют создавать более тонкие конструкции задней подсветки при поддержке более расширенных архитектур, которые позволяют уменьшить площадь печатной платы и ее стоимость. Количество светодиодов будет изменятся в зависимости от размеров экрана смартфона. Большие дисплеи требуют большего количества полупроводников для реализации фоновой подсветки.
Индуктивные драйверы (индуктивные DC-DC преобразователи) очень эффективны при управлении несколькими строками светодиодов. Они приводят к большей экономии заряда батареи в процессе работы, чем одиночные строки LED.

AMS’ AS3492 (показан на рисунке выше) представляет собой индуктивный преобразователь постоянного тока, который может управлять пятью строками с двумя светодиодами последовательно в каждой с КПД 86%. Преобразователь тока работает на фиксированной частоте в 2 МГц и включает в себя мягкий пуск для обеспечения простой интеграции чувствительных к шуму радиочастотных систем.
Выход преобразователя постоянного тока используется для пяти источников тока, соединенных с 10 светодиодами. AS3496 имеет следующие встроенные механизмы защиты: от короткого замыкания (SLP), от обрыва цепи (OLP) и от перенапряжений (OVP). Этот драйвер управления подсветкой был специально разработан для мобильных телефонов и цифровых камер.
Подсветки телевизоров
Светодиоды должны заменить люминесцентные лампы с холодным катодом и жидко-кристаллические дисплеи во многих телевизорах, мониторах, ноутбуках и других электронных вещях.
Блок подсветки в телевизоре или мониторе является основным источником потребления электрической энергии. Светодиоды могут предложить значительное снижение потребляемой мощности с помощью различных архитектур подсветки – прямой или подсветки по краю. При использовании архитектуры с краем подсветки светодиоды будут окружать только края дисплея. Такой подход дает экономию энергозатрат за счет снижения количества полупроводниковых элементов. При использовании прямой архитектуры светодиоды устанавливаются позади дисплея. При этом улучшается контрастность, но увеличивается стоимость.
Используют два основных режима затемнения – глобальное затемнение (все строки отображаются серым цветом) и локальное затемнение (строки производят затемнение независимо друг от друга).
Среди продуктов, ориентированных на этот рынок находится MC34844 компании NXP Semiconductor – светодиодный драйвер для подсветки малых и средних LCD панелей. Он работает и в портативных устройствах с низким энергопотреблением (например, мониторы и HDTV до 42 В, персональные компьютеры и ноутбуки, GPS-экраны, телевизоры с маленьким экраном и прочих продуктах). Работая от напряжений лежащих в диапазоне 7 В – 28 В MC34844 способен управлять 160 полупроводниковыми элементами, находящимися в 10 параллельных строках. Встроенный повышающий преобразователь генерирует минимальное выходное напряжение, которое необходимо для сохранения всех светодиодов в подсвеченном одинаковым цветом состоянии в соответствии с выбранным током. Эффективность DC-DC преобразователя в этом случае составляет 90%. MC34844 включает в себя ШИМ модуляцию для светодиодного затемнения. Также могут использоваться внешние ШИМ.
MC34844 обеспечивает защиту от перегрева, короткого замыкания, обрыва цепи светодиода. IC включает в себя защиту от перенапряжения, перегрузки по току и пониженного напряжения. Для достижения напряжения необходимого для запуска нескольких светодиодов в ряде, повышающий преобразователь генерирует повышенное напряжение от источника с меньшим напряжением, используя при этом целый ряд логических блоков.

Есть много подходов к управлению LED устройствами. Каждое устройство может отличаться, а драйверы LED могут обеспечивать необходимую эффективность и надежность путем подбора соответствующих параметров. По мере развития технологий LED системы также будут улучшаться, и мы будем узнавать о все более эффективных подходах к управлению освещением. Мы увидим скорую интеграцию LED в системы интернет вещей IoT, так как с каждым годом количество умных городов и зданий постоянно растет.
elenergi.ru
