Диммер для светодиодов 12в – Что такое диммер для светодиодных ламп. Все о диммировании LED
7 советов, как выбрать диммер для светодиодной ленты
Содержание статьи
Интерьер современного жилища уже немыслим без использования светодиодной ленты. Этот элемент нашел применение во многих уголках нашего дома и способен выполнять как практичную, так и декоративную функцию. Самым ярким примером использования светодиодной ленты, пожалуй, можно назвать обустройство подсветки рабочей зоны на кухне или украшение приглушенной подсветкой ТВ-зоны в гостиной. Конечно же, это далеко не все возможные варианты применения ленты в интерьере, но в этой статье речь пойдет о таком функциональном дополнении к ней, как диммер. С помощью этого небольшого элемента можно кардинальным образом изменить режим работы ленты и создавать совершенно новые образы того или иного помещения, расставить более четкие световые акценты или создать нужную атмосферу. Мы рассмотрим основные отличия диммеров, их разновидности в зависимости от типа управления и способа размещения и дадим 7 советов по выбору диммера для светодиодной ленты.

1. Что такое диммер и для чего его используют?
Диммер или светорегулятор – это не что иное, как приспособление для регулирования мощности и интенсивности светового потока. Сразу хотелось бы обратить ваше внимание на то, что диммер для светодиодной ленты и диммер для светодиодной лампы – это два совершенно разных устройства, которые не являются взаимозаменяемыми. Также не существует универсальной модели диммера, которая подходила бы под любой тип лампы и включительно под ленты. Светорегуляторы подбираются в строгом соответствии к типу светильника. В противном случае быстрый выход из строя источника света неминуем. Связано это с тем, что разные приборы работают при разных режимах постоянного тока и его значениях.
В случае необходимости подбора диммера для ленты следует искать только те разновидности, которые работают с таким же напряжением, как и сама лента, то есть 12 или 24 В. Собирая схему подключения светодиодной ленты, диммер следует располагать только между понижающим трансформатором и самой лентой и никак иначе.
Только в таком случае сам диммер будет работать стабильно, и будет иметь возможность управлять уровнем яркости светодиодов.- Диммирование светодиодных лент наиболее часто используется только тогда, когда они выступают источниками основного или дополнительного освещения. Особенно если используется несколько диодных линий. Дизайнеры по свету с помощью такого приема создают объемные, уютные интерьеры и умело расставляют световые акценты. Особенно актуально это в том случае, когда в комнате есть колонны или другие элементы архитектуры, на которые хотелось бы обратить особое внимание;
- Помимо этого, не всегда есть необходимость использовать освещение в той или иной комнате на максимальной яркости. К примеру, когда вы принимаете гостей, конечно, освещение должно быть ярким, но когда в той же комнате вы хотите просто отдохнуть и расслабиться, комфортную обстановку создаст именно приглушенный свет;
- Если ребенок боится засыпать в темноте, вместо привычного ночника, можно использовать ленту, просто установив интенсивность ее свечения на минимально возможный уровень;
- При подсветке лестниц иногда случается так, что яркий свет диодов может ослепить человека. Чтобы избежать травм, которые не являются редкостью в таких условиях, целесообразно сделать подсветку более приглушенной;

- По тому же принципу можно регулировать уровень яркости напольной подсветки.
Одним словом, всегда, когда есть необходимость организовать более приятное глазу приглушенное свечение, можно использовать диммер.
2. Преимущества и недостатки использования диммера
Любое устройство имеет как очевидные преимущества, так и недостатки. Начнем с положительных сторон использования диммера:
- В первую очередь возможности светодиодных лент моментально расширяются;
- Это дает возможность отказаться от вынужденной покупки нескольких светильников, которые обеспечивали бы разный уровень освещенности в комнате и заменить их несколькими диммированными лентами;
- Это позволит в значительной мере сэкономить денежные средства;
- Экономия имеет место быть и при использовании ленты в режиме пониженной яркости. Затраты электроэнергии вполне возможно в таком случае снизить на 30-35%;

- Многие утверждают, что при эксплуатации диодов в режиме пониженной яркости значительно увеличивается срок их службы;
- У вас появится возможность изменять интерьер комнаты в зависимости от вашего настроения и потребности в той или иной ситуации;
- Некоторые модели светорегуляторов помимо возможности регулировки яркости диодов имеют ряд дополнительных интересных функций. Например, режим мерцания, светомузыки и других подобных визуальных эффектов, которые помогут создать дома настоящую динамичную вечеринку и поддержать любой праздник;
- И самое интересное – с помощью минимальной подсветки, можно создать имитацию присутствия человека в жилище. Что очень актуально в частных или загородных домах, если вы часто находитесь в отъездах или большую часть дня проводите на работе.
Теперь о недостатках:
- При выставлении минимальной яркости может стать явно видимым мигание диодов. Это проявляется при использовании откровенно дешевых китайских диммеров, которые не могут постоянно удерживать сопротивление на одном и том же уровне;

- Напряжения на выходе диммера имеют не синусоидальную форму, из-за чего могут некорректно работать понижающие трансформаторы;
- Иногда могут возникать помехи при одновременном использовании, например, диммера и радиоприемника;
- Также при понижении яркости ленты, может изменяться ее оттенок, что не всегда может соответствовать вашей задумке.
3. Способы преобразования сигнала
В зависимости от способа преобразования сигнала, диммеры могут быть двух видов:
- Аналоговые – которые обеспечивают диодные ленты постоянным стабильным питающим током. Их преимуществом является небольшое значение потерь мощности. Однако недостаток более существенный – аналоговые диммеры способствуют значительному нагреванию светодиодной ленты, что значительно сокращает срок ее службы и может привести к местному перегоранию диодов. Также высокая температура заметным образом снижает качество освещения. Из-за этого оттенок и температура свечения могут не соответствовать заявленным производителем. Этот минус заметен как на монохромных, так и на полихромных лентах;

- Цифровые диммеры обеспечивают стабильный ток и минимальные потери мощности. Однако условия работы диодов при этом будут приближены к идеальным. Также будет исключена возможность искажения оттенка свечения и его температуры. Недостатки могут наблюдаться только при использовании некачественных цифровых диммеров, которые провоцируют мерцание диодов. Это может вызывать головные боли, раздражение, усталость органов зрения и снижение работоспособности.
Поэтому экономить на покупке диммера не стоит. К слову, стоимость прибора напрямую будет зависеть от фирмы производителя и максимальной выходной мощности.
- Компактные модели, которые рассчитаны на управление только одним цветом и максимальной мощностью 36 Вт, имеют среднюю стоимость от 8$.
- Более мощные одноканальные модели с возможностью дистанционного управления могут иметь стоимость от 20$ до 40$.
- Самыми дорогостоящими являются диммеры, которые способны регулировать интенсивность и оттенок свечения RGB лент. Стоимость подобного светорегулятора среднего качества начинается от 40$.
4. Виды диммеров по способу управления
Для того, что каждый пользователь имел возможность подобрать максимально удобный способ управления диммером, имеется достаточно широкий выбор моделей по этому признаку:
- Кнопочные или нажимные – имеют большое сходство с обычными выключателями. В данном случае управление происходит однократным нажатием либо удерживанием клавиши. При нажатии происходит включение и выключение ленты. При удерживании – регулировка интенсивности ее свечения;
- Поворотные – состоят из одного управляемого элемента, который выполнен в виде регулятора. Все манипуляции со светом будут контролироваться поворотом регулятора вправо или влево;

- Поворотно-кнопочные – сочетают в себе возможности двух предыдущих видов и являются одними из самых удобных. В этом случае включение прибора происходит после нажатия на регулятор. А управление яркостью путем его поворота. На регуляторах некоторых моделей диммеров есть соответствующая шкала, которая помогает ориентироваться в какую сторону нужно крутить элемент.

Вышеперечисленные разновидности относятся к механическому способу управления и являются самыми простыми. Очевидных недостатков у подобных моделей нет, зато стоимость их самая доступная. Следующие способы управления относятся к более удобным и дорогостоящим:
- Дистанционные – в этом случае управление режимами происходит с помощью известного всем пульта дистанционного управления небольших размеров. Пульт зачастую входит в комплектацию. Дистанционное управление может выполняться либо методом передачи командного сигнала с помощью инфракрасного луча, либо с помощью радиосигнала. В первом случае управление возможно лишь при точном наведении пульта на датчик и ограничивается пределами одного помещения. Во втором случае управление может происходить не только из другой комнаты, но и за территорией дома. Диммеры, управляемые с помощью радиосигнала, имеют значительно большую стоимость. Также некоторые модели имеют возможность подключения к ПК или смартфону и контролируются через беспроводную сеть Wi-fi;

- Сенсорные – в данном случае управление происходит под действием легкого прикосновения к контрольной панели. По сути, это то же ручное управление, но более современного вида;

- Акустическое управление осуществляется с помощью вмонтированного в систему звукового датчика. Он реагирует на любые звуки или шумы, которые превышают установленный пользователем или по умолчанию предел. Можно активировать устройство громким хлопком, речью. С одной стороны это очень удобно. А с другой – если в вашем доме часто устраивают шумные вечеринки или просто вы меломан, предпочитающий слушать музыку на большой громкости, будьте готовы к некорректной работе системы. Она будет включаться при любом громком звуке, хотите вы того или нет.
5. Типы диммеров по способу установки
Диммер может устанавливаться в разных местах, что дает возможность сделать этот элемент менее заметным или его использование более комфортным. Есть несколько вариантов:
- Миниатюрные – самые компактные светорегуляторы, которые представляют собой небольшую изолированную плату или модуль с проводами. Они подключаются посредством пайки проводов трансформатора и ленты и имеют на корпусе несколько кнопок, которыми и регулируется яркость. Выбирать такой тип рекомендовано только тогда, когда будет постоянный доступ к ленте и не затруднен процесс управления;

- Накладные – самые простые приборы, которые как по форме, так и по своему внешнему виду похожи на обычный выключатель, который, по сути, они и заменят после монтажа. Зачастую управление такими диммерами является механическим или сенсорным;

- Встроенные – предназначены для монтажа в специально оборудованную нишу или распределительную коробку. Выбирая данный тип убедитесь, что ниша будет полностью изолирована от попадания влаги и в ней не будет скапливаться конденсат;
- Модульные – являются модульной системой, которая предназначена для монтажа непосредственно в распределительный щиток. Это более мощные модели, с помощью которых можно регулировать интенсивность свечения не одной конкретной ленты, а нескольких линий в пределах большого помещения либо всего освещения в квартире.

6. Советы по выбору
О том, что необходимо подбирать диммер строго в соответствии с напряжением, потребляемым осветительным прибором, мы уже говорили. Также при выборе следует учитывать, что ленты бывают либо монохромными, либо RGB, RGBW. В соответствии с этим диммеры могут быть:
- Одноканальные;
- Многоканальные;
При подключении многоканального диммера к RGB ленте, у вас появится возможность не только регулировать общую яркость диодов, но и каждого цвета в отдельности. Также необходимо определиться с набором функций, которые вам необходимы. Это может быть:
- Исключительно диммирование;
- Диммирование и режим мерцания, цветомузыка, поддержка DMX-протокола, возможность управления несколькими зонами освещения.
После этого нужно определиться с запасом мощности, который вам потребуется:- Если в будущем вы не планируете увеличивать длину светодиодной линии, то запас мощности светорегулятора должен быть минимум на 20-30% выше, чем мощность ленты;
- Если увеличение длины ленты в будущем не исключено, то следует понимать, что вместе с тем увеличится и ее мощность. Следовательно, к вышеуказанным 20-30% необходимо прибавить еще 20-50% в качестве запаса. В случае нехватки мощности прибор либо просто не будет включаться, а следовательно и выполнять свои функции, либо произойдет преждевременный износ и выход из строя всей линии.
Помимо этого не забудьте определиться и с предпочтительным способом управления светорегулятором. Если финансы позволяют, лучше предпочесть модели, которые имеют возможность управления дистанционным пультом. Это сделает эксплуатацию максимально комфортной.
7. Схемы подключения в зависимости от количества и типа ленты
После того, как мы рассмотрели все возможные разновидности диммеров и подобрали наиболее подходящий, необходимо разобраться, как правильно выполнить монтаж этого элемента. Схемы в каждом конкретном случае могут быть разными в зависимости от типа ленты и ее длины. Мы приведем пример типичных схем, с разным количеством лент.
- Самая простая схема будет при подключении диммера к одноцветной ленте. В этом случае он подключается после блока питания пред самой лентой. Если мощность диммера была подобрана неправильно, то есть недостаточной, в схему можно дополнительно включить усилитель. Суммарная мощность отрезков ленты не должна превышать значения мощности ни блока питания, ни диммера.
- Подсчитав, какой мощности линия у вас получится, можно, используя несколько усилителей, подключить два отрезка ленты, как показано на схеме.

- Чтобы иметь возможность одновременно регулировать яркость четырех монохромных лент, необходимо дополнительно использовать RGB-усилитель.
- Для регулировки яркости RGB или RGBW ленты и каждого ее цвета в отдельности, только диммера недостаточно. Потребуется дополнить схему контроллером, подходящему к типу ленты, и аналогичным усилителем.
remstroiblog.ru
Одноканальный диммер для LED светильников 12-24В
Электронный регулятор яркости для светодиодных светильников. Одноканальный. Ручной. ШИМ регулятор от 0 до 100%. Коротко: пригоден для использования.Спецификация
От ДиноДиректа:Output: Single COMS drain-open output
Supply Voltage: DC 12V-24V
Power Dissipation:
Max.Load Current: 8A each Channel
Power output: 96W(12V)/192W(24V)
Work Temperature: -20~+60 degree
Single Color Dimmer can achieve stepless dimming
Спецификация от производителя:
Product Model: TY-D301M-12
Operating temperature: -20-60 ℃
Supply voltage: DC5V, 12V, 24V (optional)
Output: Single Output
Maximum load: 8A
Net weight: 88g
Gross Weight: 100g
Product size: L89x60x58mm
Size For: L105xW62x55mm Each
Output power: 5V: <40W, 12V: <96W, 24V: <192W
Однозначно есть разница. ИМХО, продавцы опять напутали. В махоньком мануальчике стоит галочка в поле «12В». Поэтому экспериментировать на 24В не очень хочется.
Для надобностей ремонта в ванной комнате были заказаны 5 светодиодных врезных светильников и пара диммеров для коллекции. Один с ручным управлением (покрути ручку), второй — с радиобрелком (нажми кнопочку). Что конкретно там приживется и нужно ли оно вообще — покажет эксперимент на натуре. Который пока не проводился. Но устройства получены, распакованы и протестированы на работоспособность. Т.е. можно уже составить первое впечатление.
Итак: сроки доставки, процесс распаковки, прочая муть — нафиг. Это все настолько непредсказуемо, что все уже просто устали от этого. Могу только сказать, что получил все это дело упакованным в толстокожую коробку из гофрокартона, которой оказалась пофигу наша почта России. Коробка даже не помялась. Думается, на нее можно было бы встать — не раздавилась бы… Внутри каждый девайс по своим коробочкам распихан.
Мануальчик
На диммер инструкция вложена. На светильники — нет.Первое ощущение при виде ручного диммера — хм, промышленная электроника. 🙂 Урбанистический крепкий девайс. Без потуг на какой-либо дизайн.
Внешние размеры — офигеть можно. На кой ляд — мало понятно. С обычной для китайцев сверхэкономией явно что-то случилось.
Снаружи подоткнут разъем с винтовыми клеммами. Т.е. и отверткой можно прикрутить-открутить и вот эту выступающую из корпуса зеленую фишку можно выдернуть. Разъем довольно неплох. Обещанные 8 А наверняка потянет.
Выкрутим симпатичные, но здоровенные саморезы по углам и полюбуемся на внутренности.
Из крупных деталей — разъемы да резистор. Остальное достаточно мелкое.
Если кому интересно — NE555, LM358, 78L05, D917AD. Почему-то не нашел даташит на силовой транзистор. Да и фиг с ним. Плата хорошего качества. 
Вырубка, разводка, пайка. Прямо таки отлично. Отмывка от флюса оставила белесый налет. Вручную впаивался разъем на резистор — там есть немного канифоли. Придираться особо не к чему. Сам корпус от пыли вполне защитит. Но вот разъем имеет хорошие щели и влага или пыль туда залетят. В общем, ощущение действительно ностальгическое. Эдакий привет из СССР. Грубовато, но крепко и надежно.Протестировал девайс в работе на примере светодиодной ленты. Какова частота дискретизации — не понял. На видео видно мерцание. Проверить на чем-нибудь вроде осциллографа или частотомера пока не получится.
Плавная регулировка во всем диапазоне. Вот только внизу регулировка довольно острая. Похоже, резистор нелинейный. При желании можно подобрать нужную характеристику. Или наше восприятие такое нелинейное… Приходится ловить желаемый уровень. Но, в отличии от Мастеркита, регулируется именно что с нуля до максимума. У мастеркитовского регуля происходит не полная регулировка. Он более мощный, но не имеет корпуса. Стоит сравнимо, учитывая бОльшую мощность.
Резюме:
+ Работает
+ Качество изготовления на высоте
+ Цена небольшая
+ Законченное устройство
— Полное отсутствие эстетики (ну нету гламура, нету!) и большой размер.
Однако, у производителя есть еще несколько видов диммеров. Вот там некий дезигн просматривается. Производитель
mysku.ru
Простейший регулятор яркости светодиодов | Мастер-класс своими руками
Простейшая схема регулятора яркости светодиодов, представленная в этой статье, с успехом может быть применена в тюнинге автомобилей, ну и просто для повышения комфорта в машине в ночное время, например для освещения панели приборов, бардачков и так далее. Чтобы собрать это изделие, не нужно технических знаний, достаточно быть просто внимательным и аккуратным.Напряжение 12 вольт считается полностью безопасным для людей. Если в работе использовать светодиодную ленту, то можно считать, что и от пожара вы не пострадаете, так как лента практически не греется и не может загореться от перегрева. Но аккуратность в работе нужна, что бы ни допустить короткого замыкания в смонтированном устройстве и как следствие пожара, а значит сохранить своё имущество.
Транзистор Т1, в зависимости от марки, может регулировать яркость светодиодов общей мощностью до 100 ватт, при условии, что он будет установлен на радиатор охлаждения соответствующей площади.
Работу транзистора Т1 можно сравнить с работой обыкновенного краника для воды, а потенциометра R1 – с его рукояткой. Чем больше откручиваешь – тем больше течёт воды. Так и здесь. Чем больше откручиваешь потенциометр – тем больше течёт ток. Закручиваешь – меньше течёт и меньше светят светодиоды.
Схема регулятора

Для этой схемы нам понадобятся не многочисленные детали.
Транзистор Т1. Можно применить КТ819 с любой буквой. КТ729. 2N5490. 2N6129. 2N6288. 2SD1761. BD293. BD663. BD705. BD709. BD953. Эти транзисторы нужно выбирать в зависимости от того, какую мощность светодиодов вы планируете регулировать. В зависимости от мощности транзистора находится и его цена.
Потенциометр R1 может быть любого типа сопротивлением от трёх до двадцати килом. Потенциометр сопротивлением три килоома лишь немного снизит яркость светодиодов. Десять килоом — убавит почти до нуля. Двадцать – будет регулировать со средины шкалы. Выбирайте, что вам подходит больше.
Если вы будете использовать светодиодную ленту, то вам не придётся заморачиваться с расчётом гасящего сопротивления (на схеме R2 и R3) по формулам, потому что эти сопротивления уже вмонтированы в ленту при изготовлении и всё, что нужно, это подключить её к напряжению 12 вольт. Только нужно купить ленту именно на напряжение 12 вольт. Если подключаете ленту, то сопротивления R2 и R3 исключить.
Выпускают так же светодиодные сборки, рассчитанные на питание 12 вольт, и светодиодные лампочки для автомобилей. Во всех этих устройствах при изготовлении встраивают гасящие резисторы или драйверы питания и их напрямую подключают к бортовой сети машины. Если вы в электронике делаете только первые шаги, то лучше воспользоваться именно такими устройствами.
Итак, с компонентами схемы мы определились, пора приступать к сборке.

Прикручиваем на болтик транзистор к радиатору охлаждения через теплопроводящую изолирующую прокладку (чтобы не было электрического контакта радиатора с бортовой сетью автомобиля, во избежание короткого замыкания).

Нарезаем провод на куски нужной длинны.

Зачищаем от изоляции и лудим оловом.

Зачищаем контакты светодиодной ленты.

Припаиваем провода к ленте.

Защищаем оголённые контакты при помощи клеевого пистолета.

Припаиваем провода к транзистору и изолируем из термоусадочным кембриком.

Припаиваем провода к потенциометру и изолируем их термоусадочным кембриком.

Собираем схему с применением контактной колодки.
Подключаем к аккумулятору и опробуем в работе на разных режимах.
Всё работает хорошо.
Смотрите видео работы регулятора
sdelaysam-svoimirukami.ru
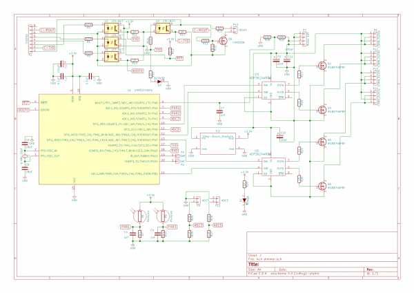
Мощный четырехканальный диммер для светодиодов / Habr
В этой статье я расскажу о проекте мощного четырехканального диммера для светодиодных полосок и ламп (до 200 ватт суммарной мощности, 50..100 ватт на канал) с высокой частотой PWM-регулирования (1 килогерц с глубиной цвета в 10 бит), для качественного освещения. Дополнительно у него имеются вход датчика освещенности, функции обратной связи (выдача контроллеру информации по входному напряжению питания, напряжению на измерительных входах и так далее) и даже гальваническая развязка последовательного порта управления.
Так получилось, что я решил поменять свой профиль и плотно заняться микроконтроллерами и автоматизацией, а через несколько месяцев — получил заманчивое предложение сделать «умный дом» в Доминиканской республике, да такой, чтобы управлялись и автоматизировались практически все аспекты быта довольно крупной виллы из трех больших зданий, от освещения и климата, до садовых роботов и системы полива. Так как я уже давно устал от снега и морозов, отклонить такое предложение было невозможно, тем более что с переездом и адаптацией сильно помогли.
Разумеется, одна из самых ответственных задач — управление освещением, как во множестве комнат, так и снаружи. В целях экономии дорогой здесь электроэнергии — практически везде будут применяться светодиодные полоски и 12-вольтовые лампы, которыми нужно управлять при помощи диммеров. Существующие модели диммеров не очень удовлетворяли по всем параметрам (достаточно высокая частота регулирования, для отсутствия мерцаний; мощность, для управления яркими длинными полосками или лампами/прожекторами; закрытые протоколы обмена, и так далее). Поэтому я решил сделать свой диммер.
Очень больным вопросом на этапе проектировки был выбор получения низковольтного питания из 110 вольт переменного тока. Рассматривался даже экзотический вариант с бестрансформаторным step-down сразу до 12 вольт, но из-за соображений электро- и пожаробезопасности был отвергнут. Готовые блоки питания 110->12 оказались не такими уж и дорогими ($20 за 120 ватт и $40 за 200), хотя и довольно габаритными. Но, к счастью, места для размещения оборудования — оказалось много, поэтому остановился на этом варианте.
Схема получилась относительно простой (если не считать узла гальванической развязки последовательного порта на четырех оптронах) — микроконтроллер STM32F030F4P6, два драйвера MOSFET-ов ADP3624 и ключевые транзисторы IRLB8748, выбранные с большим запасом (с нагрузкой в 100 ватт на канал — они были едва теплые), плюс готовый китайский модуль импульсного step-down в 3.3 вольта. Выбранные драйверы позволяют управлять на частотах вплоть до мегагерцовых, что и дает частоту выходного напряжения в килогерц, с шагом PWM в одну микросекунду. На практике испытывался даже режим с частотой PWM в восемь килогерц и шагом в 125 наносекунд, но на практике такая высокая частота регулировки угрожает некоторой нестабильностью на выходе — транзисторы могут просто не успевать так быстро закрываться и качество регулировки будет «плавать».

Разводка платы под такие большие токи была для меня довольно сложным вызовом, раньше с подобными задачами я не сталкивался. Решено было сделать максимально широкие (проводник шириной минимум 10 мм на слое 70 мкм меди), а там где это невозможно — использовать второй слой, объеденив их при помощи большого количества переходных отверстий. Маску с высоконагруженных проводников я убрал, чтобы, при необходимости, можно было наложить сверху медную шину (но это не понадобилось, даже при максимальной нагрузке в 200 ватт — плата греется едва до 40 градусов в закрытом корпусе).
Протокол обмена, из-за недостатка флэш-памяти, был выбран предельно простым, команды передаются построчно, в виде текста «0:512» (нулевой канал, PWM 512), выходные данные передаются точно также (напряжение питания, данные с первого фоторезистора, данные со второго фоторезистора, входное напряжение на входе ADC3, входное напряжение на входе ADC5, напряжение питания контроллера, температура чипа). Правильнее было бы использовать протокол MQTT, но я опасался, что не влезет во флэш (килобайт свободного пространства остался из 16).
→ Исходный код на гитхабе
Прошивается диммер через тот же управляющий порт (нужно подать единицу на 4-ый пин, затем импульс на 5-ый, после чего микроконтроллер можно загрузить по стандартному последовательному протоколу STM32. Для управления уже прошитым диммером — достаточно трех проводов, +3.3/+5V на первый пин, данные по третьему, на шестом — земля. Настройки порта управления в прошивке — 38400 бод, 8n1.
Разумеется, первая версия диммера получилась не без недостатков. Выяснилось, что одного конденсатора 470 микрофарад на 12 вольт — недостаточно, при большой нагрузке он слишком сильно греется (особенно если провода до блока питания тонковаты для таких токов), надо добавить еще парочку, более мощных (по макисмально допустимому току). Китайский модуль питания тоже оказался неудачным решением, один из модулей вышел из строя во время тестов вообще без видимых причин, его я заменю преобразователем на TPS62177, дополнительно также добавлю еще один опциональный преобразователь на AP1501 (24->12), для случая питания диммера от 24 вольт. Ну и понадобится схема управления 120-миллиметровым вентилятором для блока питания (в тех случаях, когда нагрузка близка к максимальной), с термоконтролем и плавной регулировкой. Также решил заменить сложную схему гальванической развязки порта управления на чип SI8641.
Есть проблемы и в программной части — иногда подвисает чтение из последовательного порта, блокируя управление (опыт с STM32 у меня не очень большой пока), да и протокол получился уж слишком идиотским, может попробую запихнуть туда нормальный MQTT.
Вот пример использования диммера на тестовом стенде (моей входной двери), совместно с ИК-датчиком расстояния (цвет и яркость RGBW полоски регулируется, в зависимости от расстояния, через openhab):
В следующей статье расскажу о четырехканальном блоке коммутации восьмикиловатных AC-нагрузок с бистабильными реле (для уменьшения потребляемой зря энергии) измерением потребляемого тока на каждом канале.
Ну и закончу на позитивной ноте. Как оказалось, в Доминикане не найти 99% изопропилового или этилового спирта для промывки плат (и чистого бензина — тоже). Можно найти 70%, смешанный явно не с дистилированной водой, оставляющий разводы. И можно еще легко найти 99.6% метиловый (не знаю зачем они это вообще продают, его же даже как растворитель использовать страшно — парами можно надышаться). Я решил попробовать промыть первую плату диммера дистилированной водой, купленной в магазине хозтоваров. Мысль проверить качество дистилята на вкус я, к счастью, не воплотил в жизнь. А вот плате и оцинкованной раковине очень не понравилось, когда я облил их аккумуляторным электролитом (бутылки с водой стояли вместе с ним на полке, очевидно я ухватил не ту, когда клал в корзину)…
habr.com
Подключение диммера для светодиодной ленты 12В, 220В (схема)
Управляющий диммер для светодиодной ленты служит дополнительным устройством, необходимым для плавного изменения яркости освещения (монохромные ленты) и смены цвета (для мультиколор лент). Контроллеры классифицируют на 2 большие группы — с напряжением питания на 12 и 220 вольт. Диммер позволяет значительно расширить возможности LED подсветки. К примеру, использовать различные эффекты, регулировать яркость вручную или по заданной заранее программе. Сегодня производителями предлагаются разные варианты контроллеров:
- стационарные диммеры, имеющие пульт ДУ;
- диммеры с ДУ пультом, управление осуществляется за счет установленных ИК-передатчиков.
При монтаже таких лент важно учесть тип контроллера, характеристики осветительных приборов, требования к спецэффектам. Схема монтажа, доступная для понимания даже начинающему мастеру, особого опыта в электротехнических работах иметь не требуется.
ОГЛАВЛЕНИЕ
- Виды
- Схема подключения
- Плюсы и минусы устройств
Виды
При установке всегда требуется дополнительно приобретать управляющее оборудование и преобразователи напряжения. Димер выполняет роль удобного и высококачественного контроллера, минимизирующего потери мощности на протяжении всего участка, при этом эффективность остается на требуемом уровне. В отличие от других типов управляющих устройств у осветительных систем мини-диммер работает при помощи активных, а не пассивных регулирующих схем.
Падения уровня напряжения чрезвычайно малы, т. е. потери мощности на протяжении определенного участка минимальны. Они действуют на полупроводниках, отличаются надежностью, долговечностью и точностью работы.
Мини-диммер при всех своих преимуществах имеет и ряд минусов, о которых нельзя забывать, планируя монтаж:
- Во время работы изменяется рабочее значение тока в светодиоде в границах 20-100 мА, т. е. меняется и рассеиваемая мощность, а это отрицательно сказывается на температуре приборов.
- При нагревании происходят изменения характеристик, цветовой температуры, а это ухудшает спектральный состав светового излучения.
- При длительном и сильном нагреве долговечность лент снижается, это становится причиной отказов световых приборов.
Эти минусы не касаются импульсного оборудования ШИМ, т. е. широтно-импульсных модуляторов. Такое оборудование самое эффективное, так как инерционность светодиодов низкая, максимальное напряжение, подаваемое на диоды при широте до 100%, остается стабильным. Спектральные характеристики остаются неизменными, а потери мощности настолько малы, что ими можно смело пренебрегать. Именно такой диммер лучше всего подходит для лент с компьютерным или цифровым вариантом управления яркостью.
Схема подключения
Наши читатели рекомендуют! Для экономии на платежах за электроэнергию наши читатели советуют «Экономитель энергии Electricity Saving Box». Ежемесячные платежи станут на 30-50% меньше, чем были до использования экономителя. Он убирает реактивную составляющую из сети, в результате чего снижается нагрузка и, как следствие, ток потребления. Электроприборы потребляют меньше электроэнергии, снижаются затраты на ее оплату.загрузка…
Схема предусматривает использование излучателей 2-х различных типов:
- Трехцветные RGB, которые во время смещения дают яркий чистый белый цвет, обычно именно они применяются при создании цветовых эффектов.
- Люминофорные, использующие вторичное излучение при помощи люминофора, т. е. слоя желтого цвета, который освещается светодиодом синего оттенка.
Чтобы выполнить подключение своими руками, необходимо предусмотреть питание с драйверами соответствующей конструкции, их комплектация определяется набором эффектов и поставленными задачами для LED-ленты. К примеру, для монокристальных лент необходимо применять одноканальные диммеры, которые включаются сразу после блока питания.
Для RGB приобретают трехканальные диммеры-контроллеры, которые обладают раздельным управлением для каждого канала.

Схема подключения диммера
Все используемые для светодиодных лент контроллеры можно разделить по методу регулировки яркости и других характеристик:
- При помощи современного потенциометра, который встраивается в настенную коробку стандартного типа во время установки выключателя (монтировать можно в любом удобном месте).
- Пульты для светодиодных светильников с радиочастотными и инфракрасными пультами ДУ (удобный переносной вариант, который можно использовать из любой части даже очень большого помещения).
- Подключение для управления по проводному интерфейсу типа Ethernet или беспроводному протоколу Bluetooth и Wi‑Fi (применяется при управлении через компьютерные сети или оборудование, обычно используется для больших систем, монтируемых своими руками).
Плюсы и минусы устройств
При решении вопроса, как самостоятельно подключить диммер, необходимо сразу учесть преимущества и недостатки такого типа управления. Дешевые контроллеры становятся причиной мерцания оборудования и ленты даже при низком уровне яркости, а глаз к подобным колебаниям чувствителен: постоянно мерцающее освещение будет оказывать раздражающее влияние. Человек будет уставать, появятся сильные головные боли, острота зрения снизится, а внимание будет ухудшаться.
При выборе диммера для установки своими руками рекомендуется обращать внимание на более дорогие, но и надежные системы, предназначенные для регулировки с 2-х импульсных и аналоговых режимов. Это обеспечивает простоту управления, отсутствие резких перепадов мощности и напряжения, исключение мерцания при включении светодиодного освещения. Необходимо отметить, что качественный контроллер обязательно должен учитывать нелинейные характеристики зрения человека и нелинейные для полупроводниковых светодиодов, используемых для приборов освещения. Даже при малом уровне яркости световой поток должен оставаться ровным, ярким, без мерцания.
Преимущества светодиодных лент и ламп очевидны: они не только более экономны, но и обладают большим сроком службы, удобны в использовании, обеспечивают яркий и ровный свет. Их качество оправдывает все затраты сполна.
electricvdele.ru
Диммер своими руками на 12 вольт. Диммеры для светодиодных лент: разновидности и принцип действия
Как сделать диммер для светодиодов своими рукамиНачалась эта «эпопея» с того, что один из знакомых заказал через Интернет несколько десятков сверхъярких светодиодов. Потом, естественно, возникли вопросы, как их подключить и вообще сделать какой-нибудь светильник (а в вопросах электроники он разбирается «не очень»). После чего и была найдена схема диммера, изображённая на фото. Всё, что я здесь изменил — это количество светодиодов и марка полевого транзистора (использован MOSFET, снятый с неисправной материнской платы). | |
Плата рассчитана на применение деталей SMD, исключение составляют только микросхема и переменный резистор, который в случае отсутствия необходимости регулировки яркости может быть заменён двумя постоянными. | |
Как обычно, монтируем детали SMD. Двумя длинными овалами выделены места установки постоянных резисторов вместо переменного; к этим же точкам припаиваются провода, подключаемые к потенциометру. К третьей точке припаивается средний вывод потенциометра. | |
Монтируем панельку и устанавливаем микросхему NE555N или её аналог — КР1006ВИ1. | |
Припаяв провода подвода питания и потенциометр, принимаемся за составление цепи светодиодов. Имеющиеся светодиоды рассчитаны на напряжение 3,0-3,4 В и потребляют ток до 350 mA. Поэтому для цепи из четырёх последовательно подключённых светодиодов напряжение питания должно быть в пределах 12-13,6 В, этот параметр подбирается точнее после замера падения напряжения на каждом светодиоде (если они вдруг из разных партий и с разными характеристиками). | |
Приступаем к испытаниям — при минимальной яркости ток, протекающий через светодиоды, составляет всего 18,5 mA. | |
При максимальной яркости ток возрастает до 350 mA и даже чуть больше — поэтому приходится сбрасывать напряжение источника питания на доли вольта. Впрочем, если в качестве источника питания использовать компьютерный БП, то в таком случае перегрузка светодиодов по максимально допустимому току исключена (при напряжении источника питания 12 В потребляемый светодиодами ток далёк от максимально допустимого). Светодиоды при этом, конечно, прилично нагреваются — для обеспечения нормального теплового режима их следует установить на соответствующие радиаторы.Полевой транзистор практически не нагрелся, и при желании к имеющейся цепи светодиодов можно добавить ещё пару-тройку аналогичных. Конечно, если потребуется подключить большее количество светодиодов, потребуется замена MOSFET`а на другой, с более массивным корпусом и возможностью установки радиатора.смотрите также как сделать преобразователь напряжения для светодиода. |
www.sami-svoimi-rukami.ru
принцип работы, подключение регулятора света своими руками
Востребованностью как в бытовых условиях, так и на производстве, пользуется такое технологическое устройство, как диммер. Одним из вариантов его использования является регулировка интенсивности освещения. Такое управление позволяет не только повысить экономический эффект, но и приносит ряд удобств. Например, регулировка освещения от времени суток, расширение возможностей дизайнерского оформления.
В продаже можно встретить большое количество разных приборов этого типа, они отличаются ценой и функциональностью. При желании существует возможность изготовить диммер своими руками. Несложная конструкция позволяет осуществить подключение диммера самостоятельно даже людям, которые не имеют специальных технических знаний.
xn—-7sbeb3bupph.xn--p1ai
ШИМ ДИММЕР ДЛЯ СВЕТОДИОДНОГО ОСВЕЩЕНИЯ
Недавно искал ШИМ диммер для управления 12 В светодиодными лентами вспомогательного освещения. Сначала думал, что найти подобное устройство легко в наше время, но это оказалось сложнее. Все, что попадалось в магазинах, либо не отвечают моим требованиям, либо очень дорого. Поэтому решил построить собственный, специально для моих потребностей.
Требования к регулятору
- Мощность 100 Вт на 12 вольт
- Плавное управление ручкой
- Доступные радиокомпоненты
- Отсутствие акустического шума
- Малый шаг изменения мощности
- Контроль до очень низких уровней яркости
Мои светодиодные ленты потребляют 20 Ватт на метр и там максимум 5 метров светодиодной ленты на диммер, поэтому нужна мощность около 100 Вт. Максимальный ток получился около 8.3 ампера.
Естественно, суммарная рассеиваемая мощность в диммере должна быть ниже, скажем, 1 ватта. Поэтому если мы используем один FET, нам нужно значение Rds — 14.5 мОм. А если надо — всегда можем параллельно впаять два или более, при необходимости снизить сопротивление канала.
Управление яркостью простым переменным резистором — это самый простой способ управления диммером, но такие устройства в продаже трудно найти. Большинство имеющихся в магазинах диммеров оснащены ИК-пультами дистанционного управления. На мой взгляд не нужное усложнение.
Всего нужны 3 комплекта, так что стоимость была тоже важным фактором. Все приличные диммеры я мог найти по цене $50 и выше. А тут можно уложится в данную цену за все.
Большинство из дистанционно управляемых регуляторов имеют только 8 уровней яркости. И все, что я нашел, работает линейно, что делает схемы лишёнными смысла. Люди воспринимают яркость логарифмически, а не линейно. Так что переход от 1% до 2% выглядит так же, как от 50% до 100%.
Линейный контроль не даст вам точной регулировки на нижнем пределе. В идеале, надо иметь экспоненциальную передаточную функцию от регулятора по скважности ШИМ для компенсации логарифмической природы человеческого видения. И самый простой способ сделать это — с помощью микроконтроллера.
Схема регулятора LED

В основе этой конструкции — 8-битный микроконтроллер PIC16F1936. Ничего особенного в этой конкретной модели нету, просто я использовал их несколько раз прежде и все еще имели некоторый запас.



А LM2931 обеспечивает стабильное 5 вольт от 12 вольт входного напряжения. Я использую LM2931 как стандартный стабилизатор на 5 В. Он совместим с легендарным регулятором 7805, но выживает при входных напряжениях в диапазоне от -50 до +60 вольт, что делает его очень надежным в плане возможных переходных процессов.



МК управляет LM5111 — двойной FET драйвер, который обеспечивает мощный 12В выход через пару IPB136N08N3 — N-канальные транзисторы. Он недорогой, SMD типа и отличное Rds — 11.5 мОм.
Вывод
Итого: если вам необходим LED диммер к лентам, есть паяльник и немного свободного времени — имеет смысл построить свой собственный прибор. Это не слишком сложно. А к схеме прилагается файл со всеми нужными eagle файлами, макетами, схемой, а также программным обеспечением.
Светодиодыelwo.ru
