Картинки мотоблок – какой выбрать? Описание надежных и функциональных моделей 2019 года!
|
| ||
motoblok.populjarno.com
Мотоблок своими рукам — 92 фото идей и процесса создания и применения
Каждый владелец загородной недвижимости сталкивается с проблемой обработки земельного участка. Так как большую часть придомовой территории отводится под огород.

Обрабатывать в ручную обычными дачными инструментами весьма проблематично. На культивирование и выравнивание почвы уходит достаточно большое количество времени, и также процесс отнимает много сил.

Лучшем решением проблемы будет покупка мотоблока, с его помощью можно обработать землю в кратчайшие сроки, при этом не потребуется применять физическую силу.

Но, не все могут позволить себе приобрести данный агрегат, так как его стоимость высока. Однако, можно сделать мотоблок своими руками. По качеству он ничуть не уступит аналогам, которые продаются в магазинах. А сделать его можно из подручных материалов, которых обычно очень много на дачах. Первым таким изобретателем был Валентин Архипов.

Из металлолома и мотора от бензопилы «Дружба» смог сконструировать мотоблок, который не только вспахивал землю, но и окучивал посадки. Далее рассмотрим, как сделать мотоблок по принципу Архипова.





Содержимое обзора:
- Особенности конструкции
- Инструкция по созданию агрегата
- Модернизация мотоблока
- Фото мотоблока
Особенности конструкции
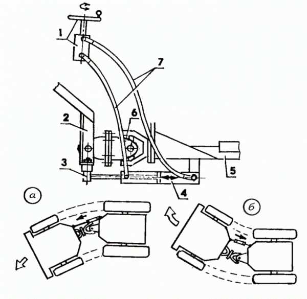
На фото мотоблока, видно, что конструкция имеет два колеса, движок, раму и цепи. Для создания мотоблока не требуется много материалов. Как правило, все они есть в сараях. Валентин Архипов движок взял с мотороллера ВП-150М, так как он обладал охладительной системой для головки цилиндра с помощью воздуха.

Рама изобретателем была сделана из труб, которые имели п-образную форму. А также на станке для токарных работ была изготовлена ось, на которой в последствии крепились колеса. Архипов сделал к ним четыре тяги — одну основную и три регулирующих, которые соединяют мотоблок с рулевой системой и плугом.

На устройстве шаг цепей является 12,7 мм и 15,9 мм. Количество зубцов на звездочка:
- вторичная ось – 20, 60;
- выходная ось – 11;
- ходовая ось – 40.

Есть множество аналогичных аппаратов, которые созданы на основе чертежей мотоблока Архипова. Так как его агрегат имеет ряд неоспоримых достоинств.






Тягачи и инструменты, которые обрабатывают землю, соединены с помощью шарниров. Это придает мотоблоку больше маневренности. Он может менять направление хода, при этом не требуется из борозды вынимать плуг.

При обработке земли с помощью мотоблока многие сталкиваются с проблемой заноса агрегата в сторону. Архипов решил данную проблему. Он сделал смещение оси плуга немного влево по отношению к направлению движения.

Изобретателю удалось сделать автоматический уровень глубины вспахивания земли. Что весьма практично, так как не нужно каждый раз самостоятельно опускать или приподнимать плуг. Следовательно, обработка земли происходит намного быстрее.

Инструкция по созданию агрегата
В первую очередь необходимо сделать ходовой вал. Чтобы его обустроить нужно его соединить с подшипниками. После этого происходит сваривание звезды, а также устанавливаются обгонные муфты.






Они в ходе работы аппарата исполняют дифференциальную функцию. В завершении корпус дополняется моторамой и колесами. На мотораму можно закрепить рулевую систему, тягу и окучник для мотоблока.

Чтобы соединить раму и двигатель нужны две трубы дугообразной формы. Между которыми при соединении необходимо оставить пространство для размещения емкости под топливо.

Для соединения полученной конструкции используют специальный кронштейн, который приваривают к основной части агрегата. По завершению всех работ можно установить прицеп на мотоблок.

Модернизация мотоблока
Адаптер для мотоблока можно дополнить различным дополнительным оборудованием. Которое будет не только вспахивать землю, но и также культивировать. Поэтому мотоблок Архипова признан самым функциональным и практичным.
Обратите внимание!
Можно ли создать сварочный аппарат своими руками и как это сделать? 90 фото процесса постройки разных типов
Заточка сверл своими руками: лучшие способы заточки. 58 фото создания инструмента
Как делается деревянная бочка своими руками: простые пошаговые инструкции по постройке традиционной тары + 79 фото







Многие используют мотоблок не только для сельскохозяйственных нужд. Им очень легко очищать придомовую территорию от снега. Для этого на агрегат всего лишь необходимо установить дополнительный валик, и еще одну звездочку.

Как и любая техника, агрегат может выйти из строя, образоваться поломка. Однако, ремонт мотоблоков крайне прост. И не должно возникнут с починкой больших трудностей. Так для ремонта не нужно специальных инструментов или дополнительного оборудования.

Фото мотоблока






Тиски своими руками: создаем разные типы зажимных устройств. 64 фото идей для разных предназначений
Топор своими руками (67 фото) — создаём боевой, декоративный и рабочий инструмент
Правила создания вывески своими руками: красивая и привлекательная наружная реклама (63 фото + видео)










Солнечная батарея своими руками: простой способ постройки. Схемы, чертежи, советы по подбору материалов + 66 фото
Делаем трубогиб своими руками: инструкция по созданию универсального инструмента + 59 фото
Делаем молоток своими руками — 74 фото ремонта и создания инструмента. Пошаговая инструкция для начинающих










thewalls.ru
все о мотоблоках, видео, чертежи, фото

Любой владелец своего огорода знает, какого это – вручную вспахивать грядки и дергать сорняки. Чтобы облегчить распашку, используют плуг. Но использовать животную силу или трактор для небольшого участка – дело затратное и неразумное. Для этих целей используют мотоблоки – в основном Нева, МТЗ, Ока, Фермер, Кентавр. Если…
Подробнее

Мотоблок в хозяйстве уже перестал быть роскошью и стал скорее обыденностью. Это небольшая, маневренная и в то же время мощная машина, которая позволяет упросить труд и увеличить производительность работ, выполняемых на участке. Чистка снега мотоблоком – процесс оправданный. Для мотоблоков выпускается большое количество навесного рабочего инструмента, среди…
Подробнее

Мотобуксировщик является неотъемлемым приобретением в местах, где автомобиль не может проехать – это поля, леса, районы, в которых большее время года находится глубокий снег. Преимуществами такой техники является то, что она имеет относительно небольшие размеры, мало весит, способна справится с различными заносами, а также легко проходит в…
Подробнее

В современном мире для вспашки земли приусадебных участков все чаще применяют аграрную технику. Это стало возможным благодаря ее разнообразию и доступной цене некоторых видов. Одним из самых распространенных видов техники является мотоблок. Использование мотоблока при вспашке земли имеет ряд преимуществ по сравнению с ручной обработкой: В несколько…
Подробнее

Обработка земельного участка требует огромных физических усилий. Необходимость использования специальной техники очевидна. Перед владельцем земельного участка становится выбор: купить или арендовать специальную технику? Альтернативный вариант – сделать мотоблок своими руками. Приемлемый вариант, который выглядит экстравагантно, но поможет сэкономить деньги и при этом получить самодельный мотоблок, который облегчит…
Подробнее
moymotoblok.ru
фото, чертежи, схемы и инструкции как сделать своими руками
(фотографии, картинки, схемы и чертежи с пошаговыми инструкциями)
Сайт motoblok.populjarno.com был создан для тех, кого вопрос: «Как сделать мотоблок и навесное оборудование своими руками?» заставил «перекопать» весь интернет в поисках ответа, потратив при этом уйму времени, не всегда результативно, а тем кому и удалось успешно найти ответ на свой вопрос, то не с первой попытки или не в полном объеме. Создатели сайта были движимы лишь одним мотивом — основать такой интернет-ресурс о самодельных мотоблоках, мотокультиваторах и прицепных приспособлениях к ним (адаптеры, прицепы, копалки и сажалки картофеля, сенокосилки, окучники, культиваторы, фрезы и т.д.), чтобы каждый человек, которого в той или иной мере интересует любой, даже самый незначительный вопрос по этой теме смог найти здесь полный и исчерпывающий ответ по любому аспекту сборки, изготовления, настройки, регулировки, ремонта, купли и продажи нового или бывшего в употреблении мотоблока и навесного оборудования к нему.
И чтобы это были не «обычные длинные тексты ни о чем» или обобщенные описания как сделать мотоблок вообще, а конкретные пошаговые инструкции с фотографиями и картинками по изготовлению тех или иных деталей и узлов (например, понижающего или реверс редуктора, вала отбора мощности, приводного вала, пускового стартера, сцепления, рамы, рулевого механизма, сцепного устройства, тормоза и металлических колес), с чертежами, схемами и описаниями алгоритма сборки, советами по выбору материалов или запчастей, с подробным освещением всех нюансов и особенностей регулировки и настройки отлаженной работы мотоблоков самоделок и переделок. Задача не простая и трудно выполнимая, если не взять на вооружение возможности и желание это сделать целой армии энтузиастов самодельщиков, которые могут не только своими руками сделать мотокультиватор из мотоцикла, самосвальный прицеп, окучник, плуг, картофелекопалку или снегоуборщик, но с радостью и гордостью настоящего мастера поделятся своими достижениями с другими.
Поэтому главная отличительная особенность нашего сайта о самодельных мотоблоках и аграрных приспособлениях для них — это возможность добавлять свои фотоматериалы (картинки, рисунки, чертежи и схемы), размещать на страницах сайта свои статьи с инструкциями и советами по строительству различной сельскохозяйственной мототехники и инвентаря или просто полезных в домашнем хозяйстве устройств и приспособлений. Кто имеет возможность и желание опубликовать материалы о своих переделках и самоделках, написать статью, пошаговую инструкцию по изготовлению самодельного навесного оборудования в домашних условиях (бортовой тележки, бороны, отвала, картофелесажалки, косилки, культиватора, прицепного адаптера) или просто поделиться своими мыслями и соображениями, дать совет или «подкинуть» хорошую интересную идею — всё это можно сделать на главной странице Фотоальбомов самоделок воспользовавшись ссылкой «Добавить фото мотоблока» (видна только после регистрации).
Самодельные мотоблоки и мотокультиваторы
Вся информация на нашем сайте будет систематизирована и размещена в отдельных разделах и подкатегориях, чтобы можно было просто и удобно посмотреть, например только фото и картинки с описаниями особенностей сборки мотоблоков из автомобиля, мотоцикла, мопеда или скутера, устройства и принципа работы их узлов и механизмов (принципиальные схемы конструкции тяжелых, средних и легких мотокультиваторов, с сочлененной рамой или минитрактора), с советами какой двигатель лучше взять для строительства карбюраторного или дизельного мотоблока, с сравнением преимуществ и недостатков автомобильных или мотоциклетных моторов. В другом разделе Вашему вниманию будут представлены чертежи и схемы с подробными инструкциями по изготовлению своими руками отдельных узлов и механизмов (рамы, двигателя, редуктора, вала отбора мощности, дифференциальной ступицы, рулевого управления, тормозных механизмов, колес и грунтозацепов). Отдельно будут собраны материалы, для тех кого интересует как улучшить и переделать конструкцию мотоблоков Нева, Зубр, Кентавр, Каскад, МТЗ, Агро, Салют, Угра и др., или произвести их ремонт, технический осмотр и обслуживание на протяжении всего рабочего сезона, а также ответы на вопросы о том, где лучше купить новую, поддержанную или самодельную сельскохозяйственную мототехнику, на какие характеристики, особенности состояния и другие нюансы (в зависимости от того для каких нужд приобретается техника) следует обращать внимание при ее выборе.
Изготовление навесного оборудования
Конечно же, очень много информации на сайте будет посвящено самодельному навесному и дополнительному оборудованию для мотоблоков и мотокультиваторов: фото, картинки и рисунки с описаниями как сделать своими руками, статьи, советы и рекомендации. Очень надеемся, что все кто искал в интернете оригинальные и необычные идеи и решения по изготовлению снегоуборщика, культиватора, лопаты, плуга, бороны, полольников, сцепки, щетки для подметания мусора во дворе, описание устройства и принципа работы самодельной картофелесажалки, роторной или сегментной косилки, особенности конструкции и процесса изготовления фрез, граблей, отвала, утяжелителей колес и другие вопросы по сборке и монтажу инвентаря и аграрных приспособлений своими руками смогут найти для себя что-то полезное и интересное.
Все материалы на сайте motoblok.populjarno.com: фото, картинки, рисунки, чертежи, схемы, советы, статьи, пошаговые инструкции о том, как сделать, собрать или построить своими руками мотоагрегат в сборе или отдельный его узел (колесо, редуктор, вал отбора мощности и др.), изготовить в условиях домашней мастерской прицепные приспособления и сельскохозяйственный инвентарь (прицепной воз, оборотный одно или двухкорпусный плуг, адаптер, грабли, отвал, косилку травы, окучник, культиватор, копалку картошки по чертежам), отремонтировать и провести настройку, регулировку и техническое обслуживание, как правильно выбрать и где лучше купить мотоблок и навесное оборудование к нему, вся эта интересная и полезная для самодельщиков и фермеров информация собрана и представлена для бесплатного просмотра, скачивания, ознакомления и изучения в следующих разделах:
Мотоблоки самоделки
Подборка пошаговых фотографий с подробными инструкциями по сборке легких и тяжелых, карбюраторных и дизельных, двухколесных и четырехколесных мотоблоков с ломающейся рамой или на гусеничном ходу, описание особенностей их изготовления из запчастей от мотоцикла, от бензиновой пилы, от грузового и легкового автомобиля, от трактора и других агрегатов и механизмов, советы как сделать редуктор, раму, сочлененный узел сцепки, принудительное воздушное или водяное охлаждение, зажигание, сцепление и другие системы и узлы двигателя своими руками.
Схемы и чертежи деталей мотоблока
Чтобы сделать мотокультиватор, какой-либо узел, агрегат или деталь мотоблока необходимы чертежи и схемы компоновки, изображения общего вида, эскизы деталей, рисунки и картинки для наглядности и визуального представления взаимного расположения составляющих частей в общей конструкции, для определения формы и основных размеров изготавливаемой запчасти, установления способа соединения и крепления, выбора материала и необходимости изменения его свойств и состояния (закалка, отпуск). В данном разделе также представлены пошаговые инструкции по изготовлению колес с грунтозацепами, коробки переключения передач, вала отбора мощности, промежуточного вала, чертежи редуктора и рамы, схемы кинематики крутящего момента и подключения электрооборудования.
Самодельное прицепное оборудование
Для тех, кто хотел посмотреть фотографии, картинки и рисунки аграрного самодельного инвентаря и приспособлений для мотокультиватора: окучиватели, обычные и оборотные плуги, дисковые и ротационные косилки, адаптеры, прицепы, фрезы, отвалы, бороны, сажалки картошки и картофелекопалки, и другого прицепного и дополнительного оборудования с описаниями и инструкциями по его изготовлению своими руками, переделке, улучшению конструкции и внесения других рационализаторских изменений с целью повышения производительности и качества труда.
Чертежи приспособлений для мотоблока
Устройство конструкции основных узлов и отдельных деталей навесного сельскохозяйственного оборудования (снегоуборщики, фронтальные и прицепные косилки, адаптеры, картофелесажалки и копалки) с описаниями способа сборки, крепления и установки на мотоблок. Чертежи фрез, полольников, плоскорезов, окучников, лопат-отвалов, граблей со инструкциями, советы по выбору запчастей и материалов для изготовления (марки стали или чугуна, указание параметров металлического уголка, швеллера, прута, круглой или прямоугольной трубы и т.д.)
Автор: Агафон
Добавлена:
Последние изменения:
motoblok.populjarno.com
Тяжелый мотоблок из мотоцикла ИЖ своими руками
Для просмотра других фото из категории «Мотоблок из мотоцикла своими руками» кликайте по картинкам
Открыть фотографию Самодельный мотоблок в увеличенном виде. Если это чертеж или схема устройства Вы можете скачать их себе на компьютер, открыв в большом размере и воспользовавшись функцией «Сохранить картинку как…» (правая клавиша мышки).
Пожалуйста, оцените данный материал выделив соответствующее количество звездочек.
Рейтинг: 5.0/5
Чаще всего вместе с этим материалом по теме
«С двигателем от мотоцикла ИЖ»
(фото / чертежи / схемы) ещё смотрят:Посмотреть все фотографии, чертежи, картинки и схемы из категории «Мотоблок из мотоцикла своими руками» можно перейдя по ссылке.
Ещё больше материалов с описаниями как сделать самому мотокультиватор и приспособления к нему Вы найдете в разделе
«Фото самодельных мотоблоков»
или сделав выборку из всех материалов сайта motoblok.populjarno.com по следующим МЕТКАМ:
принцип работы, двигатель, устройство, примеры самоделок, из мотоцикла.
Возможно то, что Вы ищете находится в одном из самых просматриваемых разделов нашего сайта:
Как сделать мотоблок с рулевым управлением
Чертежи для изготовления рамы
Самодельный адаптер: чертежи с описанием
Изготовление плуга
ЧЕРТЕЖИ И ФОТОГРАФИИ САМОДЕЛЬНЫХ МОТОБЛОКОВ и НАВЕСНОГО ОБОРУДОВАНИЯ
(ЖМЕМ НА КАРТИНКУ или название):
Комментарии к материалу «Принудительное охлаждение самодельного мотоблока с двигателем от мотоцикла» находятся внизу страницы — здесь можно высказать свое мнение, спросить совета у посетителей нашего сайта, поделиться интересными материалами, рассказать о своем положительном или отрицательном опыте в ходе сборки мотоблоков и прицепного оборудования своими руками.
Если у Вас есть вопросы или предложения по поводу данного материала — оставьте пожалуйста свой комментарий внизу…..
Тем, кто хочет поделиться своими фотографиями по ключевым словам «тяжелый мотоблок, из мотоцикла ИЖ, принудительное охлаждение, устройство, принцип работы» или по любым другим вопросам о дизельных, бензиновых, легких, средних или тяжелых самодельных мотоблоках, мотокультиваторах и навесных приспособлениях к ним — нужно зарегистрироваться и воспользоваться ссылкой «Добавить фото…» (видна после регистрации на странице всех Фотоальбомов мотоблоков и навесного оборудования).
Просмотров: 12523 | Размеры фото: 800px на 600px; 147.7 Kb
Дата добавления: | Последние изменения:
Автор: Агафон
motoblok.populjarno.com
