Led светодиод – Led светодиоды
Обзор LED светодиодов по технологии COB, новинка 2014

В 2014 году в продаже появились светодиодные лампы на COB. Выполнены по новой технологии, позволяющей в теле одного светодиода размещать и питать множество кристаллов. В дальнейшем новая технология заменит существующие SMD элементы.
На общей подложке размещают кристаллы, что позволяет отводить больше тепла и получать больше люменов с квадратного сантиметра площади. По не проверенной информации от китайцев, один кристалл на подложке дает 5 Лм, то есть по яркости такой же как у SMD3528, у 5050 стоят 3 таких кристалла. Так как по сути это один большой светодиод, и для его внутренних кристаллов не требуются корпуса, то это удешевляет стоимость 1 Люмена примерно в 2 раза, по сравнению со старой технологией. Матрица COB покрывается слоем люминофора, благодаря ему он светится единым целым, а не точечно. Еще не требуется пайки многочисленных SMD диодов, припаял пару проводов и осветительный прибор готов. Это тоже влияет на цену бюджетных ламп из Китая, потому что некоторые безымянные китайские производители умудряются производить пайку вручную.
Содержание
- 1. Недостатки КОБ лампы
- 2. Как выбрать COB LED лампочку
- 3. Тест светодиодной кукурузы на КОБ
- 4. Итоги
Недостатки КОБ лампы
Недостатки светодиодов нового поколения
COB диод обладает всеми характеристиками обычных предыдущего поколения. Технология позволяет производить их любой формы: квадратной, овальной, круглой, с дырочкой посередине, что позволяет вписать его в любой осветительный прибор или просто модернизировать имеющийся.
Чем больше площадь – там выше его мощность, размером 12 на 3 см. можно уже применять для уличного освещения. Но в любом случае не забываем о хорошем теплоотводе, нагрев никто не отменял.
Новая технология принесла и новые проблемы в эксплуатацию светодиодных ламп для дома. Все знают, насколько ремонтопригодны изделия на SMD светодиодах, ремонт делается за 5 минут. Теперь выход из строя COB требуется замены всего светоизлучающего элемента, например, а не, одного из 42, как было раньше. Со временем этот недостаток не будет большим, так как стоимость должна значительно снизится на такие диоды. Сейчас цены завышены, потому что новинка, и можно неплохо приврать про характеристики. Кода все начнут разбираться в этой технологии, то ажиотаж снизится до нормального уровня.
Как выбрать COB LED лампочку

Новая технология усложняет выбор изделий неизвестного производства, особенно китайских. При покупке лампочек на SMD диодах можно было видеть маркировку, подсчитать количество и затем вычислить мощность, независимо от того что написано в характеристиках.
В нашем случае по фото и конструкции будет не узнать её мощность, так как невозможно установить потреблеиен COB светодиода по его внешнему виду. Количество, мощность и плотность кристаллов может быть абсолютно любым.
Вероятно, ситуация с китайскими COB будет такая же, как из SMD. Недорогие светодиоды китайцы включают на треть от номинала для длительной службы. В случае с КОБ, наверное, будет тоже самое, бюджетные COB тоже будут включать на 30% мощности. Если у СМД режим работы можно было определить по количеству элементов, то в нашем случаем площадь не будет привязана к характеристикам светодиода. Китайские интернет-магазины вероятно будут этим пользоваться, ненавязчиво завышая световой поток продукции. Ведь обычный покупатель в большинстве случаев не сможет узнать, продали ему лампу на фирменных диодах или бюджетных китайских.
Тест светодиодной кукурузы на КОБ
Размеры и конструкция схожи с кукурузой на 60 штук SMD 5730, только вместо паяных установлены COB пластины. Точно таких же габаритов выпускаются лампы для дома на SMD 5630.
COB лампочка на 9 Ватт
Стоили 9$ за штуку, цена конечно завышена, похожая на SMD 5730 стоит 6$, аналогичная на SMD 5050 немного подешевле, но ради интереса пришлось купить. Продавец пообещал:
- цоколь Е27;
- питание 220В;
- ток потребления 32 мА;
- теплый белый;
- мощность 9 Вт;
- световой поток 800-900 Лм.
Энергосберегающая и светодиодная в люстре
Яркость сравнивал с новой энергосберегающей Филипс на 800 Лм, одинаковая яркость, свет и оттенок. В люстре на фото стоит две новых и две люминесцентных. Яркость китайских COB составляет до 100 Лм на Ватт, как в нашем случае.
Внутренности COB кукурузы
Питание сделано на балластном конденсаторе, но впаян дополнительный конденсатор для уменьшения коэффициента пульсаций. Мерцание присутствует, но оно не такое сильное, как у других недорогих, то есть в пределах нормы. Лампочка греется, но не перегревается, площадь боковой окружности все таки немалая, температура в пределах допустимого.
Тестирование показало, что она соответствует заявленным характеристикам, качество достаточное хорошее, в сборке дефектов не нашел.
Итоги
Новая технология показывает неплохие характеристики, яркость уже до 120 Лм на ватт, вместо прежних 80 Лм на Ватт. Но не торопитесь покупать, цены завышены на них, типа используются нанотехнологии и андронный коллайдер. Их цена должна опуститься ниже стоимости ламп на СМД элементах.
..led-obzor.ru
Пример выгорания светодиодов после 17500 часов работы

Производители светодиодных ламп и светодиодов обещают большую длительность работы, обычно составляет от 20 тысяч часов для старых моделей, и 30-50 тысяч часов для последних популярных моделей, таких как SMD 5630 и SMD 5730. На самые современные диоды длительность может составлять уже до 100 тыс. часов.
Содержание
- 1. Характеристики кукурузы
- 2. Деградация
- 3. Ресурс
- 4. Измеряем падение яркости через 2 года
- 5. Определяем режим работы
Характеристики кукурузы
В качестве примера с большим временем эксплуатации будет рассмотрена кукуруза с цоколем Е27 и напряжением 220В. Примерное непрерывное время работы этой лампы составляет 2 года, то есть 17,000 – 20,000 часов.
Светодиодная лампочка на SMD 5630
Светодиодная лампа была куплена на Aliexpress, и была поставлена в коридор на лестничной площадке, из-за того, что я заказывал белого света, а одна а оказалась холодного свечения. Эксплуатировалась в замкнутом пространстве, в прозрачном рифленом плафоне, и плафон при этом был температуры окружающего воздуха. За это время пластик на кукурузе пожелтел и явно стали видны следы деградации люминофора на диодах, которые обнажили внутренности светодиодов SMD 5630 под силиконовой поверхностью.
В ней использованы диоды низкого качества от мелкокитайского производителя, которые включены на 30% от общепринятой мощности, на 0,15 Вт вместо 0,5 Ватт. Таким образом, производитель защищает его от преждевременного снижения характеристик и обеспечивает приемлемую длительность использования.
Диоды бюджетные китайские, на 0,15W, вместо положенных популярных 0,5W. Этим китайцы умело пользуются, то есть обманывают. Выдают их за полватные. Кто покупает первый раз и не разбирается в этом, не поймет что его обманули. Это я подробно описал в статье про выбор светодиодных лент, сравнивая цены, мощность и конечную выгоду.
Деградация
Пример, слева новый, справа старый (2 года работы)
По мере эксплуатации, светодиод подвергается воздействиям, которые негативно сказываются на его характеристиках.
Основные факторы:
- помутнение оптической части, выполненной из силикона;
- выгорание люминофора под воздействием температур;
- деформации корпуса из-за нагрева и напряжения корпуса;
- деградация кристалла.
Светодиод белого света изначально светит холодным синим цветом. Для получения нейтрального белого дневного света, кристалл покрывают люминофором, который преобразует синий в белый цвет.
Во время деградации кристалла, появляются дефекты, при которых участок кристалла перестает светить, но продолжает нагреваться. При этом начинает увеличиваться ток утечки, то есть ток проходит не излучая свет. Самым плохими катализаторами деградации являются ток выше номинального и повышенная температура. Поэтому надо быть осторожным при покупке сомнительных экземпляров, потому что наши китайские братья по разуму могут «разгонять» светодиоды, подавая ток выше номинального.
Ресурс
График деградации от температуры и времени
Что же будет, когда он отработает указанное производителем время?
Общепринятым стандартом считается, что за период указанной длительности работы яркость светодиода упадет на 30%.
Это правило в основном действует на именитых производителей, который соблюдают стандарты, а мелкие и неизвестные производители могут отходить от стандартных правил, с целью завышения параметров и технических характеристик светодиодных ламп. Они могут запросто указать стандартную длительность работы для модели, при этом умолчав, что при этом яркость упадет до 50%.
Во избежание различных неприятных сюрпизов, требуйте продавца настоящие сертификаты на продукцию. Если сертификатов нет, то подсунуть могут что угодно. Еще одна сопутствующая проблема, это будет непонятно, относится сертификат к этим диодам или он от другой партии.
Измеряем падение яркости через 2 года
На торце обеих установлено 8 штук
Выгорание люминофора и деградация налицо, но это лишь внешние признаки. Так как я покупал несколько одинаковых, из которых непрерывно в течение 2 лет работала одна, то сравним их яркость. Для теста берем такую же лампу с цоколем Е14 220В, которая практически не работала и отработавшую 17 – 20 тыс. часов.
Фото тестируемых кукуруз, одна в цилиндре
Для получения более точных результатов, будем сравнивать освещенность, создаваемую SMD 5630, которые находятся только на торце, в количестве 8 штук. Для исключения влияния боковых светодиодов, одеваем неё цилиндр из бумаги.
Измеряем освещенность новой лампочки
Измеряем освещенность старой
В результате тестирования получаем:
- после 2 лет дает освещенность 49 Люкс;
- новая светит на 73 Люкс.
Разница между старой и новой составляет 24 люкса, получается, что яркость упала за время двухлетней непрерывной эксплуатации на 33%. Так как они неизвестного китайского производства и низкого качества, то можно сказать, что ресурс этих светодиодов составляет 20,000 часов.
Определяем режим работы
Чтобы определить светодиоды, которые не в номинальном режиме, а в заниженном или завышенном, то необходимо узнать тип диодов и вычислить суммарную потребляемую мощность и световой поток. Полученные данные сопоставляем с характеристиками светодиодной лампы, в результате чего делаем выводы. Основная проблема, это невозможность определить модель диода из-за наличия матовой колбы. Один из выходов, это найти такие же у другого продавца (например, если покупаете на Aliexpress), у которых указан тип диодов или есть фото без колбы.
led-obzor.ru
Все о светодиодах для Led подсветки телевизоров.
Всем привет. В этой статье расскажу о Led подсветке матрицы телевизоров, а именно о том, по какой причине сгорают светодиоды в подсветке, где их можно купить, и как предотвратить повторный выход их из строя.
к оглавлению ↑О Led подсветке матрицы телевизоров.
Первые ЖК телевизоры имели подсветку выполненную с использованием люминесцентных (CCFL) ламп. Данный тип подсветки работал очень хорошо, но яркость свечения оставляла желать лучшего. Такие телевизоры уступали в качестве изображения плазменным панелям, но выигрывали по своих габаритах, и весе.
Так как наука не стоит на месте, вместо CCFL ламп начали использовать светодиоды, которые своим ярким свечением и малым потреблением тока, дали точек в развитии ЖК телевизоров. Конечно, и сами матрицы тоже за это время намного улучшились в качестве и цветопередаче, так что тусклое свечение CCFL ламп не могло полноценно передать ту картинку, которую хотели бы видеть производители.
к оглавлению ↑Причины выхода из строя Led подсветки телевизоров.
Так как я часто ремонтирую телевизоры, и на своем старом сайте не раз описывал процесс ремонта, то для себя я могу выделить несколько основных причин выхода из строя Led светодиодов.
Первая причина — это недочет самих производителей. Очень часто, исходя из моей практики, сами производители настраивают драйвер подсветки таким образом, что на линейки светодиодов идет ток, больше положенного, в следствии чего светодиоды перегреваются, и выходят из строя.
Вторая причина — это брак самих светодиодов. Бывает так, что разобрав матрицу находишь лишь один неисправный диод. При этом ток, который идет на матрицу находиться в пределах нормы, а все остальные светодиоды в отличном состоянии.
к оглавлению ↑Третья причина — напрямую связана с первой. Некоторые владельцы, любят смотреть телевизоры на максимальной яркости (подсветка включена на 100%). Так как производители некоторых телевизоров специально завышают ток, который поступает на светодиоды, просмотр в данном режиме никак не подливает жизнь подсветки телевизоров. Рекомендую не увеличивать уровень подсветки больше 70%. В таком режиме Ваш телевизор проработает гораздо дольше.
Какие светодиоды я использую для ремонта LED подсветки телевизоров и где я их покупаю.
Все светодиоды я покупаю на Aliexpress в проверенных продавцов. Как производиться поиск и замена светодиодов на планках, я покажу в последующих статьях, а сейчас выложу список самых популярных светодиодов, которые используются при ремонтах подсветки.
Остальные менее популярные светодиоды покупаю здесь.
Для приклеивания линз после перепайки светодиодов, использую клей E8000. Им же клею сенсора планшетов и телефонов. Покупаю клей здесь:
Клей для линз и тачскринов.
При покупке на китайских сайтах, не забывайте использовать кэшбэк. Каким кэшбэком пользуюсь я, описоно в этой статье.
Лучший курс по ремонту телевизоров, благодаря которому я научился ремонтировать телевизоры находится здесь.
В дальнейших статьях опишу весь процесс замены светодиодов на планках LED подсветки. Всем спасибо за внимание и удачи в ремонтах и самоделках.
Post Views: 798
sam-sebe-master.info
RGB светодиод — принцип работы и виды цветных LED. Многоцветные RGBW
В основе идеи создания трехцветного светодиода лежит оптический эффект получения разнообразных оттенков путем смешивания 3-х базовых цветов. В качестве базовых цветов обычно используются красный (R), зеленый (G) и синий (B). Поэтому был создан именно rgb светодиод.
Как устроены 3 цветные led диоды
Конструктивно трехцветный светодиод представляет собой 3 цветных светодиода, смонтированных в общем корпусе, а если быть более точным, 3 кристалла, интегрированных на одной матрице. На рис.1 представлена микрофотография интегрального rgb светодиода. Цветные квадраты на фото – это кристаллы основных цветов.

Рис. 1
Виды
Для адаптации к разным вариантам схемы управления, ргб диоды производятся в нескольких модификациях:
- Исполнение с общим катодом
- Исполнение с общим анодом
- Без общего анода или катода, с шестью выводами
В первом случае светодиод управляется сигналами положительной полярности, поступающими на аноды, во втором – отрицательными импульсами, подаваемыми на катоды. Третья модификация исполнения допускает любые варианты коммутации и выпускается обычно в виде SMD компонента.
Подключение
В качестве примера приведем схему подключения ргб диодов к универсальному блоку автоматики Arduino, созданному на базе микроконтроллера ATMEGA. На рис. 2 показана схема подключения rgb led с общим катодом.

Рис. 2
Ниже схема с общим анодом:

Рис. 3
Выводы RGB в обоих случаях подключаются к цифровым выходам (9, 10,12). Общий катод на Рис.2 соединен с минусом (GND), общий анод на Рис.3 – с плюсом питания (5V).
Arduino — простой контроллер для начинающих роботехников, позволяющий создавать на своей базы различные устройства, от обычной цветомузыки на светодиодах до интеллектуальных роботов.
Управление
Включение светодиода происходит при прохождении прямого тока, когда анод подключен к плюсу, катод к минусу. Многоцветный спектр излучения можно получить, изменяя интенсивность свечения каналов (RGB). Результирующий оттенок определяется соотношением яркостей отдельных цветов. Если все 3 цвета одинаковы по интенсивности свечения, результирующий цвет получается белым.
На цифровых выходах платы Arduino формируются периодические прямоугольные импульсы напряжения, как на рисунке 4., с изменяемой скважностью.

Рис. 4
Для тех, кто забыл. Скважностью называется отношение длительности периода следования импульсов к длительности импульса.
Чем ниже скважность импульсов канала, тем ярче свечение соответствующего led диода. Программа управления скважностью импульсов цветовых каналов зашита в микросхеме контроллера. Такое изменение скважности импульсов, осуществляемое в целях управления процессом, называется ШИМ (широтно – импульсной модуляцией).
На Рис.4 приведены примеры диаграмм прямоугольных импульсов различной скважности.
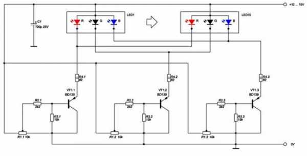
Управление цветом и интенсивностью свечения rgb диода может осуществляться и без ШИМ. На приведенной ниже схеме применено аналоговое управление трехцветными светодиодами. Суть его заключается в регулировании постоянного тока диодов определенного цвета.

Рис. 5
На схеме (Рис.5) rgb диоды (led1- led10) имеют общий анод. Катоды одного цвета всех диодов объединены, и через резисторы R4.1, R4.2, R4.3 соединяются с эмиттером соответствующего транзистора. Таким образом, все светодиоды красного цвета подключены к транзистору VT1.1, зеленые светодиоды – к VT1.2, синие – к VT1.3. При перемещении движков потенциометров R1.1, R1.2, R1.3 изменяется ток базы соответствующего транзистора. Величина тока базы определяет степень открытия перехода «эмиттер – коллектор», и, в конечном счете, яркость свечения соответствующего цвета. Перед подключением нужно правильно определить полярность светодиода, иначе он не будет светиться.
Применение цифровых программируемых контроллеров предоставляет практически безграничные возможности управления цветом. В тех же случаях, когда не требуется создание цветовых динамических образов, может быть применен аналоговый способ управления. Это могут быть наружные или интерьерные светильники для статической подсветки с выбором цвета.
Кстати. Применение такого регулирования в системах подсветки панелей приборов транспортных средств позволяет водителю выбирать любой оттенок и яркость.
RGBW светодиоды
Для того чтобы получить чисто белый цвет, используя разноцветный rgb светодиод, необходима точная балансировка яркости свечения по кристаллу каждого цвета. На практике это бывает затруднительно. Поэтому, для воспроизведения белого цвета и увеличения разнообразия цветовых эффектов, rgb диод стали дополнять четвертым кристаллом белого свечения. Чаще всего, RGBW светодиоды используются в светодиодных лентах RGBW SMD. Для питания таких светодиодных лент созданы специальные RGBW контроллеры, как правило, управляемые пультами дистанционного управления на инфракрасных лучах.
На фотографии представлен мощный четырехцветный светодиодный модуль SBM-160-RGBW-h51-RF100 производства Luminus Devices Ink.

Рис. 6
Применение
Основной сферой применения rgb светодиодов является создание световых эффектов для рекламы, сценическое оформление концертных площадок, развлекательных мероприятий, праздничное декорирование зданий, подсветка фонтанов, мостов, памятников. Интересные результаты получаются при использовании rgb led диодов для дизайнерского светового оформления интерьеров. Для этих целей налажен выпуск разнообразной светотехники на основе rgb и rgbw – диодной технологии, номенклатура которой продолжает расширяться и завоевывать новые области применения.
Видео
Для закрепления рассмотренного материала рекомендуем посмотреть видео, автор которого очень доходчиво и интересно рассказывает про многоцветные RGB светодиоды.
Вывод
Многоцветный RGB светодиод — это разновидность обычного LED. Его конструктивная особенность позволяет получить любой спектр излучаемого цвета радуги. Это одновременно увеличивает его стоимость и усложняет схему подключения. Поэтому перед выбором, задайтесь вопросом, действительно ли Вам нужен RGB светодиод или достаточно воспользоваться обычным LED нужного цвета?
ledno.ru
Светодиодные ленты
Решил посвятить целый раздел светодиодным лентам, при их кажущейся простоте, существует множество нюансов. Сначала хотел написать несколько статей, но их количество перевалило за 15 штук. Ленточный источник света помог дизайнерам воплотить все их задумки в оформлении интерьеров. Благодаря использованию технологии RGB, состоящей их 3 основных цветов, путем их смешивания можно получить любые другие цвета и оттенки. Цветовое оформление помещения можно менять по своему настроению.
Как выбрать лучшую
Благодаря китайской продукции на рынке и большому предложению китайских-интернет магазинов, выбирать хорошую стало очень тяжело. При помощи подвальных технологии из Китая, продается много плохой продукции. Вроде, как тут можно обмануть, светодиод и резистор, все просто как три рубля. Но китайский маркетинг и здесь придумал обманку. Они стали выпускать типа поддельные LED диоды, это в стандартный корпус ставиться слабый кристалл, который излучает свет. Он слабее в 3-5 раз, чем обычный фирменный, а световой поток указывают, как хорошего брендового. Например, SMD 5630 из инет-магазина Aliexpress слабее, чем фирменный SMD 5050. А одноваттные выдают за трехватные, корпуса у них одинаковые.
Провел небольшое расследование и сделал расчёты по соотношению стоимости 1 Люмена, это еще не учитывая других характеристик. Получилось, что покупать в Китае дороже, чем в наших интернет-магазинах. При этом надо ждать 2-4 недели, срок службы меньше, используются самые слабые и дешевые светодиоды. На руку играет тот фактор, то работают они долго и сосчитать сколь она прослужила очень сложно. Так же неизвестен производитель, а если производитель не указывается, то о качестве никто не беспокоится, потому что вы не можете даже написать отзыв, не зная названия. Хорошие производителя, например Ферон, Камелион, следят за качеством , дают гарантию. По сравнению с безымянной из Чайны она проработает в 2-3 раза дольше. А работы по замене очень непростые, да и стоят немало. Учитывая все параметры, фирменная лучше безымянной в 3-4 раза.
Никому не советую покупать без указанного производителя, проверено моим опытом и коллегами.
Подсветка потолков и кухни

Самым популярным применением стало использование для подсветки потолка. Есть несколько удачных вариантов установки на потолок, для каждого из них я нарисовал иллюстрации, всего получилось 10 штук. Это поможет вам сразу все сделать правильно и получить необходимый результат. Это сбережет ваши денежки и нервы, так как мне приходилось переделывать подсветку, отдирая её и заново крепить на клей.
Радиолюбители большие любителя мастерить из подручных материалов. В статьях есть необычные способы экономии при покупке комплектующих:
- чтобы не тратиться на достаточно дорогой алюминиевый профиль, можно использовать кабельный канал, который бывает любых цветом и разных вариантов отделки под дерево и камень;
- блоки питания на 12В можно использовать от ноутбуков, телевизоров и другой электроники, которые валяются у вас дома;
- чтобы подсветка рабочей хоны на кухне не слепила, вместо алюминиевого профиля с матовой крышкой можно использовать основание от кабель-канала с высокими стенками, которые будут направлять свет только вниз.
Если вы проектируете основное освещение, то я привел пример простого расчета для моей комнаты на 20 квадратов. По аналогии вы можете рассчитать освещенность для своего помещения, чтобы оно было с соблюдением норм минимальной освещенности.
Подсветка на автомобилях

Тюнинговщики быстро внедрили светодиодную ленту для украшения отечественных спорткаров. Составил целый фото-альбом мест, куда её лучше всего ставить на авто, начиная от салона и заканчивая днищем и головными передними фарами.
Некоторые даже умудряются использовать диодную ленту в качестве дневных ходовых огней, что категорически нельзя делать. Это полное пренебрежение нормами для световых приборов автомобиля. Наверняка на дороге вы видали машины с дневными фарами, у которые яркость как у габаритных огней. ДХО должны, как фонарик светить вперед с углом света в 30 градусов, а она светит под углом в 120 градусов. Чтобы узнать яркость, они их проверяют ночью типа, слепят, значит мощные. В темноте любой led диод на 1 Ватт будет слепить. Советую не изобретать и не экономить на своей безопасности и окружающих.
Для длительной работы от бортовой сети необходимо ставить стабилизатор напряжения на 12В, иначе большая вероятность преждевременного выхода из строя из-за скачков, которые могут достигать 25 вольт. Светодиоды плохо переносят напряжение выше номинального.
Подключение и монтаж

Особое внимание уделил правильному параллельному и последовательному подключению. Главная особенность, что она работает от напряжения 12 или 24 Вольт. При средней мощности 14 Ватт на 1 метр, отрезок на 5 метров будет потреблять 70 Вт. При напряжении 12 Вольт сила тока составит около 6 Ампер, это достаточно много. Тонкое медное основание будет разогреваться, а напряжение падать. Для уменьшения сечения проводников и силы тока, применяется напряжение 24В. Сила тока снижается вдвое, и можно повысить мощность в 2 раза.
Совсем другие схемы подключения у лед ленты на 220В, для неё не требуется источник питания на 12В. Еще называют уличной, дома не рекомендуется её использовать. Леды на ней подключены последовательно по 60 штук, поэтому не требуется низкое напряжение. Её защищают силиконовой или ПВХ оболочкой, для защиты от поражения электрическим током. Длина цельного отрезка может достигать 100 метров, это целая бухта. У низковольтной только 5 м.
Блоки питания и контроллеры RGB
В статьях заострил внимание на блоках питания из Чайны. Желая сэкономить, многие начинают искать подходящий на Алиэкспресс, особенно когда делают это впервые. Честные технические характеристики указаны только у 30% товаров, у тех, которые подороже. Если у недорогой модели указано, что выдает 60W:
- это может быть максимальная пиковая мощность;
- реальная ориентировочно 40W;
- он греется из-за плохой конструкции и радиодеталей низкого качества;
- из-за совокупности первых трех факторов он быстро выходит из-строя.
Особых проблем с RGB контроллерами мне не встречалось, пульты дистанционного управления работают хорошо. Наибольшим спросом пользуются 3 модели, которые оптимальны по параметрам и неплохо себя зарекомендовали. Новинкой стали Wi-Fi блоки управления одноцветных и трехцветных RGB. Пультом управления выступает смартфон с вай-фай и специальным приложением. Выбор осуществляется нажатием на цветовой круг. Беспроводный интерфейс WiFi уже есть и на обычных лампочках, объединяя управление через беспроводную сеть, можно легко построить систему «Умный дом». Все функции вашего жилого помещения, например квартиры, будут централизованно управляться, в том числе и удаленно через интернет.
led-obzor.ru
