ΠΡΠΊΠΈΠ΄Π½Π°Ρ ΡΠΊΠ°ΠΌΠ΅ΠΉΠΊΠ° ΡΠ²ΠΎΠΈΠΌΠΈ ΡΡΠΊΠ°ΠΌΠΈ β : , ,
Π‘ΡΠΎΠ» ΡΠΊΠ°ΠΌΠ΅ΠΉΠΊΠ° ΡΠ²ΠΎΠΈΠΌΠΈ ΡΡΠΊΠ°ΠΌΠΈ. 800 ΡΠΎΡΠΎ, ΡΠ΅ΡΡΠ΅ΠΆΠΈ, ΠΏΠΎΡΠ°Π³ΠΎΠ²ΡΠ΅ ΠΈΠ½ΡΡΡΡΠΊΡΠΈΠΈ
ΡΡΠΎΠ» ΡΠΊΠ°ΠΌΠ΅ΠΉΠΊΠ° Π΄Π»Ρ Π΄Π°ΡΠΈ ΡΠ²ΠΎΠΈΠΌΠΈ ΡΡΠΊΠ°ΠΌΠΈΠ£ Π²Π°Ρ ΠΌΠ°Π»Π΅Π½ΡΠΊΠΈΠΉ Π΄Π²ΠΎΡΠΈΠΊ ΠΈΠ»ΠΈ ΡΠ΅ΡΡΠ°ΡΠ°? Π§ΡΠΎΠ±Ρ ΠΏΠΎΡΠΆΠΈΠ½Π°ΡΡ Π½Π° ΡΠ²Π΅ΠΆΠ΅ΠΌ Π²ΠΎΠ·Π΄ΡΡ Π΅ ΠΏΡΠΈΡ ΠΎΠ΄ΠΈΡΡΡ Π²ΡΠ½ΠΎΡΠΈΡΡ ΡΡΠΎΠ»ΠΈΠΊ ΠΈΠ· Π΄ΠΎΠΌΠ°? Π Π΅ΡΠΈΡΠ΅ ΡΡΡ ΠΏΡΠΎΠ±Π»Π΅ΠΌΡ, ΡΠ΄Π΅Π»Π°ΠΉΡΠ΅ ΡΠΊΠ°ΠΌΠ΅ΠΉΠΊΡ ΡΡΠΎΠ» ΡΠ²ΠΎΠΈΠΌΠΈ ΡΡΠΊΠ°ΠΌΠΈ. ΠΡΡΡ ΠΌΠ½ΠΎΠ³ΠΎ ΠΈΠ΄Π΅ΠΉ, ΠΊΠ°ΠΊ ΠΎΠΏΡΠΈΠΌΠΈΠ·ΠΈΡΠΎΠ²Π°ΡΡ ΡΠ²ΠΎΠ±ΠΎΠ΄Π½ΠΎΠ΅ ΠΏΡΠΎΡΡΡΠ°Π½ΡΡΠ²ΠΎ, ΡΠΊΠ°ΠΌΠ΅ΠΉΠΊΠ° ΡΡΠ°Π½ΡΡΠΎΡΠΌΠ΅Ρ, ΡΡΠΎ ΡΠΎΠ»ΡΠΊΠΎ ΠΎΠ΄Π½ΠΎ ΠΈΠ· ΡΠ΅ΡΠ΅Π½ΠΈΠΉ. Π§ΡΠΎΠ±Ρ ΡΠ΄Π΅Π»Π°ΡΡ ΠΏΡΠ°ΠΊΡΠΈΡΠ½ΡΡ ΠΌΠ΅Π±Π΅Π»Ρ Π΄Π»Ρ Π΄Π°ΡΠΈ Π½Π΅ Π½Π°Π΄ΠΎ Π΄ΠΎΡΠΎΠ³ΠΈΡ ΠΌΠ°ΡΠ΅ΡΠΈΠ°Π»ΠΎΠ² ΠΈ ΡΠ»ΠΎΠΆΠ½ΡΡ ΠΈΠ½ΡΡΡΡΠΌΠ΅Π½ΡΠΎΠ².
ΠΠ΄Π΅ΡΡ ΠΏΡΠ΅Π΄ΡΡΠ°Π²Π»Π΅Π½Ρ ΠΏΡΠΎΡΡΡΠ΅ ΠΏΡΠΈΠΌΠ΅ΡΡ ΡΠ»ΠΈΡΠ½ΠΎΠΉ ΠΌΠ΅Π±Π΅Π»ΠΈ: ΡΠ°Π΄ΠΎΠ²ΡΠ΅ ΡΡΠΎΠ»Ρ ΠΈ ΡΠΊΠ°ΠΌΠ΅ΠΉΠΊΠΈ, Π»Π°Π²ΠΎΡΠΊΠΈ ΡΠΎ ΡΡΠΎΠ»ΠΈΠΊΠΎΠΌ Π½Π° Π΄Π²ΠΎΠΈΡ , ΡΡΠΎΠ»Ρ Π΄Π»Ρ ΠΏΠΈΠΊΠ½ΠΈΠΊΠ° ΡΠΎ ΡΠΊΠ°ΠΌΠ΅ΠΉΠΊΠ°ΠΌΠΈ β ΡΠΎΠ²ΠΌΠ΅ΡΠ΅Π½Π½ΡΠ΅ ΠΈ ΡΠ°Π·Π΄Π΅Π»ΡΠ½ΡΠ΅ ΠΊΠΎΠ½ΡΡΡΡΠΊΡΠΈΠΈ. ΠΡΠ»ΠΈ Ρ Π²Π°Ρ Π΅ΡΡΡ ΠΎΠ±ΡΡΠ½ΡΠ΅ ΠΈΠ½ΡΡΡΡΠΌΠ΅Π½ΡΡ, Π½Π΅ΠΌΠ½ΠΎΠ³ΠΎ ΠΎΠΏΡΡΠ° ΠΈ ΡΠ²ΠΎΠ±ΠΎΠ΄Π½ΠΎΠ΅ Π²ΡΠ΅ΠΌΡ, Π±ΠΎΠ»ΡΡΠΈΠ½ΡΡΠ²ΠΎ ΠΌΠΎΠ΄Π΅Π»Π΅ΠΉ ΠΌΠΎΠΆΠ½ΠΎ ΡΠΎΠ±ΡΠ°ΡΡ Π·Π° ΠΎΠ΄ΠΈΠ½ Π΄Π΅Π½Ρ. ΠΠ°ΠΌ ΠΏΠΎΠΌΠΎΠ³ΡΡ ΡΠ΄Π΅Π»Π°ΡΡ ΡΡΠΎΠ» ΡΠΊΠ°ΠΌΠ΅ΠΉΠΊΡ ΡΠ²ΠΎΠΈΠΌΠΈ ΡΡΠΊΠ°ΠΌΠΈ ΡΠ΅ΡΡΠ΅ΠΆΠΈ
Β
Π‘ΠΊΠ°ΠΌΠ΅ΠΉΠΊΠ° ΡΡΠΎΠ» ΡΡΠ°Π½ΡΡΠΎΡΠΌΠ΅Ρ ΡΠ²ΠΎΠΈΠΌΠΈ ΡΡΠΊΠ°ΠΌΠΈ

ΠΡΠ»ΠΈΡΠ½ΡΠΉ Π²Π°ΡΠΈΠ°Π½Ρ, Π΅ΡΠ»ΠΈ Π²Π°ΠΌ Π½Π°Π΄ΠΎ ΡΡΠΊΠΎΠ½ΠΎΠΌΠΈΡΡ Π½Π΅ΠΌΠ½ΠΎΠ³ΠΎ ΠΏΡΠΎΡΡΡΠ°Π½ΡΡΠ²Π°.
ΠΠΎΠ³Π΄Π° ΡΡΠΎΠ» Π½Π΅ Π½ΡΠΆΠ΅Π½, Π΅Π³ΠΎ ΠΌΠΎΠΆΠ½ΠΎ ΡΠ»ΠΎΠΆΠΈΡΡ ΠΈ ΠΈΡΠΏΠΎΠ»ΡΠ·ΠΎΠ²Π°ΡΡ Π² ΠΊΠ°ΡΠ΅ΡΡΠ²Π΅ ΡΠΊΠ°ΠΌΠ΅ΠΉΠΊΠΈ, ΠΊΠΎΡΠΎΡΠ°Ρ Π½Π΅ ΡΡΠ΅Π±ΡΠ΅Ρ ΠΌΠ½ΠΎΠ³ΠΎ ΠΌΠ΅ΡΡΠ°. ΠΠΎΡΠΌΠΎΡΡΠΈΡΠ΅, ΠΊΠ°ΠΊ ΡΠ΄Π΅Π»Π°ΡΡ ΡΠΊΠ°ΠΌΠ΅ΠΉΠΊΡ ΡΡΠΎΠ» ΡΡΠ°Π½ΡΡΠΎΡΠΌΠ΅Ρ ΡΠ²ΠΎΠΈΠΌΠΈ ΡΡΠΊΠ°ΠΌΠΈ. ΠΡΠΎ ΡΠ±ΠΎΡΠ½ΡΠΉ ΠΏΡΠΎΠ΅ΠΊΡ, ΡΠ°ΠΊ ΠΊΠ°ΠΊ Π·Π° ΠΎΡΠ½ΠΎΠ²Ρ Π²Π·ΡΡΡ Π½Π΅ΡΠΊΠΎΠ»ΡΠΊΠΎ ΠΏΠΎΡ
ΠΎΠΆΠΈΠΉ ΠΌΠΎΠ΄Π΅Π»Π΅ΠΉ. Π£ Π°Π²ΡΠΎΡΠ° ΠΏΡΠΎΠ΅ΠΊΡΠΈΡΠΎΠ²Π°Π½ΠΈΠ΅ ΠΈ ΠΈΠ·Π³ΠΎΡΠΎΠ²Π»Π΅Π½ΠΈΠ΅ ΡΠΊΠ°ΠΌΠ΅ΠΉΠΊΠΈ Π·Π°Π½ΡΠ»ΠΎ ΠΏΠΎΡΡΠΈ 2 Π½Π΅Π΄Π΅Π»ΠΈ.
ΠΠ½ΡΡΡΡΠΌΠ΅Π½ΡΡ, ΠΊΠΎΡΠΎΡΡΠ΅ ΠΈΡΠΏΠΎΠ»ΡΠ·ΠΎΠ²Π°Π»ΠΈΡΡ Π΄Π»Ρ ΡΠ°Π±ΠΎΡΡ, Π΄ΠΎΠ²ΠΎΠ»ΡΠ½ΠΎ ΠΏΡΠΎΡΡΡΠ΅. ΠΠΎΡΡΠ΅Π±ΠΎΠ²Π°Π»ΠΈΡΡ ΡΠΎΠ»ΡΠΊΠΎ ΡΡΠΎΠ»ΠΎΠ²Π°Ρ ΠΏΠΈΠ»Π°, ΡΡΠ΅Π·Π΅Ρ, ΡΠ»Π΅ΠΊΡΡΠΎΠ»ΠΎΠ±Π·ΠΈΠΊ ΠΈ ΡΠ»ΠΈΡΠΎΠ²Π°Π»ΡΠ½ΡΠΉ ΡΡΠ°Π½ΠΎΠΊ.
ΠΡΠΈΠ³ΠΎΡΠΎΠ²ΡΡΠ΅ Π΄ΠΎΡΠΊΠΈ 30X180 -3500 ΠΌΠΌ. ΠΠ²Π΅ Π΄ΠΎΡΠΊΠΈ ΡΠ°ΡΠΏΠΈΠ»ΠΈΡΠ΅ ΠΏΠΎΠΏΠΎΠ»Π°ΠΌ ΠΏΠΎ ΡΠΈΡΠΈΠ½Π΅ ΠΈ Π΄Π²Π΅ Π½Π° 3 ΡΠ°Π²Π½ΡΠ΅ ΡΠ°ΡΡΠΈ. Π‘Π°ΠΌΡΠ΅ ΡΠΎΠ½ΠΊΠΈΠ΅ ΠΏΠΎΠΉΠ΄ΡΡ Π½Π° Π½ΠΎΠ³ΠΈ ΠΈ ΡΡΠ΅Π΄Π½ΡΡ ΡΠ°ΡΡΡ ΡΡΠΎΠ»Π΅ΡΠ½ΠΈΡΡ.
ΠΠΎΠ½ΡΡΡΡΠΊΡΠΈΡ ΡΠΎΡΡΠΎΠΈΡ ΠΈΠ· 3-Ρ ΡΠ°ΡΡΠ΅ΠΉ. Π§Π°ΡΡΡ Ρ Π½Π΅ΠΏΠΎΠ΄Π²ΠΈΠΆΠ½ΡΠΌΠΈ ΡΠΈΠ΄Π΅Π½ΡΡΠΌΠΈ, ΡΠ°ΡΡΡ ΡΠΎ ΡΡΠΎΠ»ΠΎΠΌ ΠΈ ΡΠ°ΡΡΡ Ρ ΠΏΠΎΠ΄Π²ΠΈΠΆΠ½ΡΠΌΠΈ ΡΠΈΠ΄Π΅Π½ΡΡΠΌΠΈ.
Π‘Π½Π°ΡΠ°Π»Π° ΡΡΡΠ°Π½ΠΎΠ²ΠΈΡΠ΅ ΡΠΈΠΊΡΠΈΡΠΎΠ²Π°Π½Π½ΠΎΠ΅ ΡΠΈΠ΄Π΅Π½ΡΠ΅ ΠΈ ΠΈΠ·ΠΌΠ΅ΡΡΡΠ΅ Π΄Π»ΠΈΠ½Ρ ΠΏΠΎΠ΄Π²ΠΈΠΆΠ½ΠΎΠ³ΠΎ ΡΠΈΠ΄Π΅Π½ΡΡ. ΠΠ΅ΡΡ Π½ΡΡ ΡΠ°ΡΡΡ ΡΡΠΎΠ»Π° ΠΌΠΎΠ½ΡΠΈΡΡΠ΅ΡΡΡ Ρ ΠΏΠΎΠΌΠΎΡΡΡ ΠΏΡΠΎΠ±ΠΎΠΊ. ΠΠΎΠ΄Π»ΠΎΠΊΠΎΡΠ½ΠΈΠΊΠΈ ΡΡΡΠ°Π½Π°Π²Π»ΠΈΠ²Π°ΡΡΡΡ ΠΏΠΎΠ·ΠΆΠ΅.
ΠΡΡΠΎΡΠ½ΠΈΠΊ ΡΠΎΡΠΎ www.instructables.com/id/Convertible-Benchtable/
Π‘ΡΠΎΠ» Π΄Π»Ρ ΠΏΠΈΠΊΠ½ΠΈΠΊΠ° ΠΈ ΡΠΊΠ°ΠΌΠ΅ΠΉΠΊΠ°
ΠΠΎΡΠ°Π³ΠΎΠ²Π°Ρ ΠΈΠ½ΡΡΡΡΠΊΡΠΈΡ, ΠΊΠ°ΠΊ Π»Π΅Π³ΠΊΠΎ ΡΠ΄Π΅Π»Π°ΡΡ ΡΡΠΎΠ» Π΄Π»Ρ ΠΏΠΈΠΊΠ½ΠΈΠΊΠ°, ΠΊΠΎΡΠΎΡΡΠΉ Π·Π° Π΄Π²Π΅ ΡΠ΅ΠΊΡΠ½Π΄Ρ ΠΏΡΠ΅Π²ΡΠ°ΡΠ°Π΅ΡΡΡ Π² ΡΠΊΠ°ΠΌΠ΅ΠΉΠΊΡ. ΠΠ΄Π΅Π°Π»ΡΠ½ΠΎ ΠΏΠΎΠ΄Ρ
ΠΎΠ΄ΠΈΡ Π΄Π»Ρ ΡΠ΅ΡΡΠ°ΡΡ ΠΈΠ»ΠΈ ΠΌΠ°Π»Π΅Π½ΡΠΊΠΎΠ³ΠΎ Π΄Π²ΠΎΡΠΈΠΊΠ°.
ΠΠΎΡΠΎΡΠΊΠΈΠ΅ ΠΎΠΏΠΎΡΡ ΠΏΠΎΠ΄ ΡΡΠΎΠ»ΠΎΠΌ ΠΏΠΎΠ΄ΡΠΎΠ΅Π΄ΠΈΠ½ΡΡΡΡΡ ΠΏΠΎΡΠ»Π΅ ΡΠ±ΠΎΡΠΊΠΈ Π½ΠΎΠΆΠ΅ΠΊ, ΡΡΠΎΠ±Ρ ΠΎΠ±Π»Π΅Π³ΡΠΈΡΡ Π΄ΠΎΡΡΡΠΏ ΠΊ ΡΠ°ΡΠ½ΠΈΡΠ°ΠΌ. ΠΠ»Ρ Π²Π΅ΡΡ
Π½Π΅ΠΉ ΡΠ°ΡΡΠΈ ΡΠΈΠ΄Π΅Π½ΡΡ ΠΈΡΠΏΠΎΠ»ΡΠ·ΠΎΠ²Π°Π»ΠΈΡΡ ΡΡΠ°Π»ΡΠ½ΡΠ΅ ΡΡΠ΅ΡΠΆΠ½ΠΈ. Π‘ ΠΈΠ½ΡΡΡΡΠΊΡΠΈΠ΅ΠΉ ΠΌΠΎΠΆΠ½ΠΎΒ ΠΎΠ·Π½Π°ΠΊΠΎΠΌΠΈΡΡΡΡ Π½Π° ΡΠ°ΠΉΡΠ΅. ΠΡΠΎΠΌΠ΅ ΡΡΠΎΠ³ΠΎ, ΠΌΠΎΠΆΠ½ΠΎ ΡΠ΄Π΅Π»Π°ΡΡ Π΄ΠΎΠΏΠΎΠ»Π½ΠΈΡΠ΅Π»ΡΠ½ΡΡ ΡΠΊΠ°ΠΌΠ΅ΠΉΠΊΡ, ΡΠ΅ΡΡΠ΅ΠΆ ΠΏΠΎΠΊΠ°Π·Π°Π½ Π½Π° ΠΏΠΎΡΠ»Π΅Π΄Π½Π΅ΠΌ ΡΠΎΡΠΎ Π² Π³Π°Π»Π΅ΡΠ΅Π΅.
ΠΡΡΠΎΡΠ½ΠΈΠΊ ΡΠΎΡΠΎ www.instructables.com/id/picnic-table-and-bench/
Π‘ΡΠΎΠ» ΡΠΊΠ°ΠΌΠ΅ΠΉΠΊΠ° ΡΠ²ΠΎΠΈΠΌΠΈ ΡΡΠΊΠ°ΠΌΠΈ ΡΠ΅ΡΡΠ΅ΠΆΠΈ
ΠΡΠΎ ΠΊΠ»Π°ΡΡΠΈΡΠ΅ΡΠΊΠΈΠΉ Π²Π°ΡΠΈΠ°Π½Ρ ΡΠΊΠ°ΠΌΠ΅ΠΉΠΊΠΈ ΡΡΠ°Π½ΡΡΠΎΡΠΌΠ΅ΡΠ°, ΡΠΎΠ»ΡΠΊΠΎ Ρ Π½Π΅ΠΊΠΎΡΠΎΡΡΠΌΠΈ ΠΌΠΎΠ΄ΠΈΡΠΈΠΊΠ°ΡΠΈΡΠΌΠΈ ΠΎΡ Π°Π²ΡΠΎΡΠ°. Π£ ΡΡΠΎΠΉ ΠΌΠΎΠ΄Π΅Π»ΠΈ Π΅ΡΡΡ ΠΎΠΏΡΠΈΡ Β«Π·Π°ΠΆΠΈΠΌΒ», ΠΊΠΎΡΠΎΡΠ°Ρ ΠΏΡΠΈΠ±Π°Π²Π»ΡΠ΅Ρ Π²ΡΡΠΎΡΡ ΡΠΏΠΈΠ½ΠΊΠΈ.Β Β«ΠΠ°Ρ
Π²Π°ΡΒ» ΡΠ°ΠΊΡΠΈΡΠ΅ΡΠΊΠΈ Π΄ΠΎΠ±Π°Π²Π»ΡΠ΅Ρ Π½Π΅ΠΌΠ½ΠΎΠ³ΠΎ ΠΊΠΎΠΌΡΠΎΡΡΠ° Π΄Π»Ρ ΡΠΈΠ΄Π΅Π½ΠΈΡ ΠΈ Π΄Π°Π΅Ρ ΡΠΊΠ°ΠΌΠ΅ΠΉΠΊΠ΅ Π±ΠΎΠ»ΡΡΠ΅ ΠΏΡΠΈΠ²Π»Π΅ΠΊΠ°ΡΠ΅Π»ΡΠ½ΠΎΡΡΠΈ.
ΠΠ°Π±Π°ΡΠΈΡΡ
Π ΡΠ΅ΠΆΠΈΠΌΠ΅ ΡΡΠΎΠ»Π° Π΄Π»Ρ ΠΏΠΈΠΊΠ½ΠΈΠΊΠ° ΠΎΠ±ΡΠ°Ρ ΠΏΠ»ΠΎΡΠ°Π΄Ρ ΡΠΎΡΡΠ°Π²Π»ΡΠ΅Ρ 60 Π΄ΡΠΉΠΌΠΎΠ² (1524 ΠΌΠΌ) Π² Π΄Π»ΠΈΠ½Ρ ΠΈ 47-1 / 4 Π΄ΡΠΉΠΌΠ° (1200 ΠΌΠΌ) Π² ΡΠΈΡΠΈΠ½Ρ.- Π ΡΠ΅ΠΆΠΈΠΌΠ΅ ΡΠΊΠ°ΠΌΠ΅ΠΉΠΊΠΈ ΠΎΠ±ΡΠΈΠΉ ΡΠ°Π·ΠΌΠ΅Ρ 60 Π΄ΡΠΉΠΌΠΎΠ² (1524 ΠΌΠΌ) Π² Π΄Π»ΠΈΠ½Ρ 21-1 / 2 Π΄ΡΠΉΠΌΠ° (545 ΠΌΠΌ) Π² ΡΠΈΡΠΈΠ½Ρ
- ΠΡΡΠΎΡΠ° 29 «(737 ΠΌΠΌ)
ΠΡΠΎΡ ΠΊΠΎΠΌΠΏΠ»Π΅ΠΊΡ ΡΠ΄Π΅Π»Π°Π½ ΠΈΡΠΊΠ»ΡΡΠΈΡΠ΅Π»ΡΠ½ΠΎ ΠΈΠ· ΡΡΠ°Π½Π΄Π°ΡΡΠ½ΡΡ Π΄ΠΎΡΠΎΠΊ 2×4 (ΡΠ°ΠΊΡΠΈΡΠ΅ΡΠΊΠΈΠΉ ΡΠ°Π·ΠΌΠ΅Ρ 1 1/2 x 3 Β½ ).
ΠΠ΄Π΅ΡΡ Π²Ρ ΡΠ°ΠΊΠΆΠ΅ Π½Π°ΠΉΠ΄Π΅ΡΠ΅ Π΄ΠΈΠ°Π³ΡΠ°ΠΌΠΌΡ ΡΠ°ΡΠΏΠΈΠ»Π° Π΄Π΅ΡΠ°Π»Π΅ΠΉ, ΠΏΠΎΡΠ°Π³ΠΎΠ²ΡΠ΅ ΡΠΎΡΠΎΠ³ΡΠ°ΡΠΈΠΈ ΡΠΎ ΡΡ Π΅ΠΌΠΎΠΉ ΠΊΠ°ΠΆΠ΄ΠΎΠΉ ΠΎΡΠ΄Π΅Π»ΡΠ½ΠΎΠΉ ΡΠ°ΡΡΠΈ Ρ ΡΠ°Π·ΠΌΠ΅ΡΠ°ΠΌΠΈ, Π° Π½Π° ΡΠ°ΠΉΡΠ΅ Π°Π²ΡΠΎΡΠ° ΠΏΡΠΎΠ΅ΠΊΡΠ° ΠΏΡΠΎΡΠΈΡΠ°ΡΡ ΠΈΠ½ΡΡΡΡΠΊΡΠΈΠΈ Ρ Π΄Π΅ΡΠ°Π»ΡΠ½ΡΠΌ ΠΎΠΏΠΈΡΠ°Π½ΠΈΠ΅ΠΌ ΠΊΠ°ΠΆΠ΄ΠΎΠ³ΠΎ ΡΠ°Π³Π°.
Π Π°Π·ΠΌΠ΅ΡΡ ΡΡΠΎΠ»Π° ΡΠΊΠ°ΠΌΠ΅ΠΉΠΊΠΈ ΠΏΡΠΈΠ²Π΅Π΄Π΅Π½Ρ Π² Π΄ΡΠΉΠΌΠ°Ρ
ΠΈ ΠΌΠΈΠ»Π»ΠΈΠΌΠ΅ΡΡΠ°Ρ
. Π‘Π½Π°ΡΠ°Π»Π° ΡΠΊΠ°Π·Π°Π½Ρ Π΄ΡΠΉΠΌΡ, Π° Π·Π°ΡΠ΅ΠΌ ΠΈΡ
ΠΌΠ΅ΡΡΠΈΡΠ΅ΡΠΊΠΈΠ΅ ΡΠΊΠ²ΠΈΠ²Π°Π»Π΅Π½ΡΡ Π² ΡΠΊΠΎΠ±ΠΊΠ°Ρ
— Π½Π°ΠΏΡΠΈΠΌΠ΅Ρ: 2×4 (50 x 100 ΠΌΠΌ). ΠΠ΅ ΠΏΡΡΠ°ΠΉΡΠ΅ Β«Π½ΠΎΠΌΠΈΠ½Π°Π»ΡΠ½ΡΠ΅Β» (ΡΠΎΠ»ΡΠΊΠΎ ΠΏΠΎ Π½Π°Π·Π²Π°Π½ΠΈΡ) ΡΠ°Π·ΠΌΠ΅ΡΡ ΠΏΡΠΈ ΠΏΠΎΠΊΡΠΏΠΊΠ΅ Π΄ΠΎΡΠΎΠΊ. ΠΠ½ΠΈ Π½Π°Π·ΡΠ²Π°ΡΡΡΡ 2×4, Π½ΠΎ ΡΠ°ΠΊΡΠΈΡΠ΅ΡΠΊΠΈΠΉ ΡΠ°Π·ΠΌΠ΅Ρ ΡΠΎΡΡΠ°Π²Π»ΡΠ΅Ρ 1 1/2 x 3 1/2 Π΄ΡΠΉΠΌΠ° (ΡΠΎΠ»ΡΠΈΠ½Π° ΠΈ ΡΠΈΡΠΈΠ½Π°). ΠΠ΅ΡΡΠΈΡΠ΅ΡΠΊΠΈΠΉ ΡΠΊΠ²ΠΈΠ²Π°Π»Π΅Π½Ρ 2×4 ΡΠΎΡΡΠ°Π²Π»ΡΠ΅Ρ 50 ΠΌΠΌ Ρ
100 ΠΌΠΌ, ΠΊΠΎΡΠΎΡΡΠΉ ΡΠ°ΠΊΡΠΈΡΠ΅ΡΠΊΠΈ 1 1/2 x 3 1/2 Π΄ΡΠΉΠΌΠ° (38 ΠΌΠΌ x 89 ΠΌΠΌ). ΠΠΎΡΠΎΡΠ΅ Π³ΠΎΠ²ΠΎΡΡ, ΡΠ°ΠΊΡΠΈΡΠ΅ΡΠΊΠΈΠΉ ΡΠ°Π·ΠΌΠ΅Ρ Π΄ΠΎΡΠΎΠΊ (ΡΠΎΠ»ΡΠΈΠ½Π° ΠΈ ΡΠΈΡΠΈΠ½Π°), ΠΈΡΠΏΠΎΠ»ΡΠ·ΡΠ΅ΠΌΡΡ
Π² ΡΡΠΎΠΌ ΠΏΡΠΎΠ΅ΠΊΡΠ΅, ΡΠΎΡΡΠ°Π²Π»ΡΠ΅Ρ 1 1/2 x 3 1/2 Π΄ΡΠΉΠΌΠ° (38 ΠΌΠΌ x 88 ΠΌΠΌ).
ΠΠ°ΡΠ΅ΡΠΈΠ°Π»Ρ, Π½Π΅ΠΎΠ±Ρ ΠΎΠ΄ΠΈΠΌΡΠ΅ Π΄Π»Ρ ΡΠ±ΠΎΡΠΊΠΈ ΡΡΠΎΠ»Π° ΡΠΊΠ°ΠΌΠ΅ΠΉΠΊΠΈ ΡΠ²ΠΎΠΈΠΌΠΈ ΡΡΠΊΠ°ΠΌΠΈ
- 9 Π΄ΠΎΡΠΎΠΊ 2×4 (50 ΠΌΠΌ x 100 ΠΌΠΌ) Π΄Π»ΠΈΠ½ΠΎΠΉ 8 ΡΡΡΠΎΠ² (2.44 ΠΌ)
- 4 Π±ΠΎΠ»ΡΠ° 3/8 «(10 ΠΌΠΌ) Π΄Π»ΠΈΠ½ΠΎΠΉ 3» (75 ΠΌΠΌ) Ρ ΡΠ°ΠΉΠ±Π°ΠΌΠΈ ΠΈ Π³Π°ΠΉΠΊΠ°ΠΌΠΈ.
- 80 ΡΡΡΡΠΏΠΎΠ² Π΄Π»Ρ Π΄Π΅ΡΠ΅Π²Π° 3 «(75 ΠΌΠΌ)
- 2 ΡΠ³Π»ΠΎΠ²ΡΡ ΠΊΡΠΎΠ½ΡΡΠ΅ΠΉΠ½Π°
- 6 ΠΎΡΠΈΠ½ΠΊΠΎΠ²Π°Π½Π½ΡΡ Π³Π²ΠΎΠ·Π΄Π΅ΠΉ 6″ (150 ΠΌΠΌ)
- ΠΠ°ΡΡΠΆΠ½ΡΠΉ ΠΊΠ»Π΅ΠΉ Π΄Π»Ρ Π΄Π΅ΡΠ΅Π²Π°.
ΠΠ½ΡΡΡΡΠΌΠ΅Π½ΡΡ, ΠΊΠΎΡΠΎΡΡΠ΅ Π²Π°ΠΌ ΠΏΠΎΠ½Π°Π΄ΠΎΠ±ΡΡΡΡ
β’ ΠΡΡΠ³ΠΎΠ²Π°Ρ ΠΏΠΈΠ»Π° β’ Π ΡΠ±ΠΈΠ»ΡΠ½Π°Ρ ΠΏΠΈΠ»Π° — ΡΠΏΠΎΡΠΎΠ±Π½Π°Ρ ΡΠ°Π·ΡΠ΅Π·Π°ΡΡ ΡΠΎΡΠ½ΡΠ΅ ΡΠ³Π»Ρ, β’ ΠΠΎΠ±Π·ΠΈΠΊ β’ ΠΠ»Π΅ΠΊΡΡΠΈΡΠ΅ΡΠΊΠ°Ρ Π΄ΡΠ΅Π»Ρ, β’ ΠΠΎΠ»ΠΎΡΠΎΠΊ, ΡΡΡΠ½Π°Ρ ΠΏΠΈΠ»Π°, ΡΡΠ»Π΅ΡΠΊΠ°, ΠΊΠ°ΡΠ°Π½Π΄Π°Ρ, ΠΎΡΠ²Π΅ΡΡΠΊΠ°, ΡΡΠΎΠ²Π΅Π½Ρ, Ρ ΠΎΠΌΡΡΡ,β’ ΡΠ²Π΅ΡΠ»ΠΎ Π΄ΠΈΠ°ΠΌΠ΅ΡΡΠΎΠΌ 3/8 «(10 ΠΌΠΌ) Π΄Π»Ρ Π±ΠΎΠ»ΡΠΎΠ², ΡΠ²Π΅ΡΠ»ΠΎ 1/8» (3 ΠΌΠΌ) Π΄Π»Ρ ΡΡΡΡΠΏΠΎΠ², ΡΠ²Π΅ΡΠ»ΠΎ 1 «(25 ΠΌΠΌ) Π΄Π»Ρ Π·Π΅Π½ΠΊΠ΅ΡΠΎΠ²Π°Π½ΠΈΡ (Π²ΡΡΠ°Π²ΠΊΠΈ) Π³ΠΎΠ»ΠΎΠ²ΠΊΠΈ Π±ΠΎΠ»ΡΠ°.
ΠΠ΅ΡΠ°Π»ΠΈ Π½Π° ΡΡ
Π΅ΠΌΠ΅
[a] ΠΏΠ΅ΡΠ΅Π΄Π½ΡΡ Π½ΠΎΠ³Π°
[b] Π·Π°Π΄Π½ΡΡ Π½ΠΎΠ³Π° (Π²Π½ΡΡΡΠ΅Π½Π½ΡΡ)
[c] Π·Π°Π΄Π½ΡΡ Π½ΠΎΠ³Π° (Π²Π½Π΅ΡΠ½ΡΡ)
[c1] Π·Π°Π΄Π½ΠΈΠΉ ΡΡΠΎΠΏΠΎΡ
[d] Π½ΠΈΠΆΠ½ΡΡ ΠΏΠ΅ΡΠ΅ΠΊΠ»Π°Π΄ΠΈΠ½Π° (Π·Π°Π΄Π½ΡΡ)
[e] ΠΏΠ΅ΡΠ΅ΠΊΠ»Π°Π΄ΠΈΠ½Π° Π΄Π»Ρ ΡΠΈΠ΄Π΅Π½ΡΡ (Π·Π°Π΄Π½ΡΡ)
[f] ΡΠ΄Π»ΠΈΠ½Π΅Π½ΠΈΠ΅ Π½ΠΎΠΆΠΊΠΈ ΡΠ°ΡΡΡ 1 (Π·Π°Π΄Π½ΡΡ)
[f1] ΡΠ΄Π»ΠΈΠ½Π΅Π½ΠΈΠ΅ Π½ΠΎΠΆΠΊΠΈ ΡΠ°ΡΡΡ 2 (ΡΠ·Π°Π΄ΠΈ)
[g] ΠΏΠ΅ΡΠ΅ΠΊΠ»Π°Π΄ΠΈΠ½Π° Π΄Π»Ρ ΡΡΠΎΠ»Π°
[g1] ΡΠ°Π·Π΄Π²ΠΈΠΆΠ½Π°Ρ ΠΎΡΡΠ°Π½ΠΎΠ²ΠΊΠ°
[h] ΠΏΠ΅ΡΠ΅ΠΊΠ»Π°Π΄ΠΈΠ½Π° ΡΠΈΠ΄Π΅Π½ΡΡ (ΠΏΠ΅ΡΠ΅Π΄Π½ΡΡ)
[h2] ΠΏΠ΅ΡΠ΅ΠΊΠ»Π°Π΄ΠΈΠ½Π° Π΄Π»Ρ ΡΠΈΠ΄Π΅Π½ΠΈΡ (ΠΏΠ΅ΡΠ΅Π΄Π½ΡΡ)
[i] ΡΠ°ΡΠΏΠΎΡΠΊΠ° (Π·Π°Π΄Π½ΡΡ)
[k] Π΄ΠΎΡΠΊΠ° ΡΠΈΠ΄Π΅Π½ΡΡ(ΠΏΠ΅ΡΠ΅Π΄Π½ΡΡ)
[l] Π΄ΠΎΡΠΊΠ° ΡΠΈΠ΄Π΅Π½ΡΡ(Π·Π°Π΄Π½ΡΡ )
[ΠΌ] Π΄ΠΎΡΠΊΠΈ ΡΡΠΎΠ»Π΅ΡΠ½ΠΈΡΡ
ΠΠ°ΠΆΠΈΠΌ Π΄Π»Ρ ΡΠΏΠΈΠ½ΠΊΠΈ, Π΅ΡΠ»ΠΈ Π²Ρ Ρ ΠΎΡΠΈΡΠ΅ ΡΠ΄Π΅Π»Π°ΡΡ ΡΠΏΠΈΠ½ΠΊΡ Π½Π΅ΠΌΠ½ΠΎΠ³ΠΎ Π²ΡΡΠ΅, Ρ ΠΎΡΡ ΡΡΠΎ Π½Π΅ ΠΎΠ±ΡΠ·Π°ΡΠ΅Π»ΡΠ½ΠΎ, Π½ΠΎ ΡΠ°ΠΊ ΠΊΠΎΠΌΡΠΎΡΡΠ½Π΅ΠΉ ΠΈ ΠΊΡΠ°ΡΠΈΠ²Π΅Π΅. Β
ΠΠ»Ρ ΡΡΠΎΠ³ΠΎ Π²Π°ΠΌ ΠΏΠΎΠ½Π°Π΄ΠΎΠ±ΠΈΡΡΡ:
- 1 ΡΡ. 2×6 (50 ΠΌΠΌ x 150 ΠΌΠΌ) Π΄Π»ΠΈΠ½ΠΎΠΉ 60 Π΄ΡΠΉΠΌΠΎΠ² (1524 ΠΌΠΌ)
- 4 ΡΡ. 2×4 (50 ΠΌΠΌ x 100 ΠΌΠΌ) Π΄Π»ΠΈΠ½ΠΎΠΉ 10 Π΄ΡΠΉΠΌΠΎΠ² (254 ΠΌΠΌ).
- ΡΡΡΡΠΏΡ Π΄ΠΈΠ°ΠΌΠ΅ΡΡΠΎΠΌ 3 Π΄ΡΠΉΠΌΠ° (75 ΠΌΠΌ) ΠΈ Π½Π΅ΠΌΠ½ΠΎΠ³ΠΎ ΠΊΠ»Π΅Ρ.
Π‘ ΠΏΠΎΠ»Π½ΠΎΠΉ ΠΈΠ½ΡΡΡΡΠΊΡΠΈΠ΅ΠΉ, ΠΊΠ°ΠΊ ΡΠΎΠ±ΡΠ°ΡΡ ΡΠΊΠ°ΠΌΠ΅ΠΉΠΊΡ ΡΡΠΎΠ» ΡΠ²ΠΎΠΈΠΌΠΈ ΡΡΠΊΠ°ΠΌΠΈ, ΠΌΠΎΠΆΠ½ΠΎ ΠΎΠ·Π½Π°ΠΊΠΎΠΌΠΈΡΡΡΡ Π½Π° ΡΠ°ΠΉΡΠ΅.
ΠΡΡΠΎΡΠ½ΠΈΠΊ ΡΠΎΡΠΎ www.buildeazy.com/1pce2x4-1.php
Π‘ΠΊΠ°ΠΌΠ΅ΠΉΠΊΠ° ΡΡΠ°Π½ΡΡΠΎΡΠΌΠ΅Ρ ΠΈΠ· ΠΌΠ΅ΡΠ°Π»Π»Π°

ΠΠ΄Π΅ΡΡ ΠΏΠΎΠΊΠ°Π·Π°Π½ΠΎ, ΠΊΠ°ΠΊ ΡΠ΄Π΅Π»Π°ΡΡ ΡΠΊΠ°ΠΌΠ΅ΠΉΠΊΡ ΡΡΠ°Π½ΡΡΠΎΡΠΌΠ΅Ρ ΠΈΠ· ΠΏΡΠΎΡΠΈΠ»ΡΠ½ΠΎΠΉ ΡΡΡΠ±Ρ
ΠΠ°Π±Π°ΡΠΈΡΠ½ΡΠ΅ ΡΠ°Π·ΠΌΠ΅ΡΡ: Π΄Π»ΠΈΠ½Π° 157 ΡΠΌ, ΡΠΈΡΠΈΠ½Π° ΡΠΈΠ΄Π΅Π½ΠΈΡ Π² ΡΠ»ΠΎΠΆΠ΅Π½Π½ΠΎΠΌ ΡΠΎΡΡΠΎΡΠ½ΠΈΠΈ 48 ΡΠΌ.
ΠΠ°ΠΊΠΈΠ΅ ΠΏΠΎΡΡΠ΅Π±ΡΡΡΡΡ ΠΌΠ°ΡΠ΅ΡΠΈΠ°Π»Ρ, Π° ΡΠ°ΠΊΠΆΠ΅ ΠΈΠ½ΡΡΡΡΠΊΡΠΈΡ ΠΏΠΎ ΠΈΠ·Π³ΠΎΡΠΎΠ²Π»Π΅Π½ΠΈΡ ΡΠΈΡΠ°ΠΉΡΠ΅ Π½Π° ΡΠ°ΠΉΡΠ΅ Π°Π²ΡΠΎΡΠ° ΡΡΠΎΠ³ΠΎ ΠΏΡΠΎΠ΅ΠΊΡΠ°.
ΠΡΡΠΎΡΠ½ΠΈΠΊ ΡΠΎΡΠΎ www.yaplakal.com/forum46/topic1381232.html
Π‘ΡΠΎΠ» ΡΠΊΠ°ΠΌΠ΅ΠΉΠΊΠ° ΡΡΠ°Π½ΡΡΠΎΡΠΌΠ΅Ρ ΡΠ²ΠΎΠΈΠΌΠΈ ΡΡΠΊΠ°ΠΌΠΈ ΡΠ΅ΡΡΠ΅ΠΆΠΈ
ΠΡΠ»ΠΈ Π²Ρ Π½Π°Ρ
ΠΎΠ΄ΠΈΡΠ΅ΡΡ Π² Π·Π°ΡΡΡΠ΄Π½ΠΈΡΠ΅Π»ΡΠ½ΠΎΠΌ ΠΏΠΎΠ»ΠΎΠΆΠ΅Π½ΠΈΠΈ Ρ ΡΠ°Π·ΠΌΠ΅ΡΠ΅Π½ΠΈΠ΅ΠΌ ΡΠ»ΠΈΡΠ½ΠΎΠΉ ΠΌΠ΅Π±Π΅Π»ΠΈ Π²ΠΎ Π΄Π²ΠΎΡΠ΅ ΠΈΠ»ΠΈ Ρ
ΠΎΡΠΈΡΠ΅ ΠΏΠΎΡΠ°Π·ΠΈΡΡ ΡΠ²ΠΎΠΈΡ
Π΄ΡΡΠ·Π΅ΠΉ ΡΠ½ΠΈΠΊΠ°Π»ΡΠ½ΡΠΌ ΠΏΡΠΎΠ΅ΠΊΡΠΎΠΌ, Π²Π°ΠΌ ΡΡΠΎΠΈΡ ΠΏΠΎΠ΄ΡΠΌΠ°ΡΡ ΠΎ ΡΠΎΠΌ, ΠΊΠ°ΠΊ ΡΠ΄Π΅Π»Π°ΡΡ ΡΠΊΠ»Π°Π΄Π½ΡΡ ΡΠΊΠ°ΠΌΠ΅ΠΉΠΊΡ ΡΡΠΎΠ» ΡΠ²ΠΎΠΈΠΌΠΈ ΡΡΠΊΠ°ΠΌΠΈ. ΠΡΠ° ΠΊΠΎΠ½ΡΡΡΡΠΊΡΠΈΡ Ρ ΠΊΡΠ°ΡΠΈΠ²ΡΠΌ Π΄ΠΈΠ·Π°ΠΉΠ½ΠΎΠΌ ΠΈΠ·Π³ΠΎΡΠΎΠ²Π»Π΅Π½Π° ΠΈΠ· Π΄ΠΎΡΠΎΠΊ 2Ρ
4 ΠΈ ΡΠ°ΡΡΡΠΈΡΠ°Π½Π° Π½Π° ΡΠ΅ΡΡΡ ΡΠ΅Π»ΠΎΠ²Π΅ΠΊ.
ΠΡΠΎ ΠΏΡΠΎΡΡΠΎΠΉ ΠΏΡΠΎΠ΅ΠΊΡ, Π²ΡΠ΅ ΠΌΠΎΠΆΠ½ΠΎ ΡΠ΄Π΅Π»Π°ΡΡ Π·Π° Π½Π΅ΡΠΊΠΎΠ»ΡΠΊΠΎ Π΄Π½Π΅ΠΉ Π±Π΅Π· ΠΎΡΠΎΠ±ΡΡ ΡΡΠΈΠ»ΠΈΠΉ, ΠΊΠΎΠ½Π΅ΡΠ½ΠΎ, ΠΏΡΠΈ Π½Π°Π»ΠΈΡΠΈΠΈ Π½Π΅ΠΎΠ±Ρ ΠΎΠ΄ΠΈΠΌΡΡ ΠΈΠ½ΡΡΡΡΠΌΠ΅Π½ΡΠΎΠ².
ΠΠΎΡ ΡΠΏΠΈΡΠΎΠΊ Π΄Π΅ΡΠ°Π»Π΅ΠΉ Ρ ΡΠ°Π·ΠΌΠ΅ΡΠ°ΠΌΠΈ, Π½Π΅ΠΎΠ±Ρ ΠΎΠ΄ΠΈΠΌΡΡ Π΄Π»Ρ ΠΈΠ·Π³ΠΎΡΠΎΠ²Π»Π΅Π½ΠΈΡ ΡΠΊΠ»Π°Π΄Π½ΠΎΠΉ ΡΠΊΠ°ΠΌΠ΅ΠΉΠΊΠΈ ΡΡΠ°Π½ΡΡΠΎΡΠΌΠ΅ΡΠ°, Π²ΡΠ΅ ΠΎΠ½ΠΈ ΠΎΠ±ΠΎΠ·Π½Π°ΡΠ΅Π½Ρ ΡΠ°Π·Π½ΡΠΌΠΈ ΡΠ²Π΅ΡΠ°ΠΌΠΈ Π½Π° Π΄ΠΈΠ°Π³ΡΠ°ΠΌΠΌΠ΅.
AΒ — 2 Π΄ΠΎΡΠΊΠΈ 2 Γ 4 Π΄Π»ΠΈΠ½ΠΎΠΉ 14 1/2 «(37 ΡΠΌ), 2 ΡΡΡΠΊΠΈ — 16» (40,5 ΡΠΌ)
BΒ — 2 Π΄ΠΎΡΠΊΠΈ 2 Γ 4 Π΄Π»ΠΈΠ½ΠΎΠΉ 69 «(175 ΡΠΌ), 4 ΡΡ. — 11 3/4» (30 ΡΠΌ)
CΒ — 4 Π΄ΠΎΡΠΊΠΈ 2 Γ 4 Π΄Π»ΠΈΠ½ΠΎΠΉ 72 «(183 ΡΠΌ)
D — 1 Π΄ΠΎΡΠΊΠ° 2 Γ 4 Π΄Π»ΠΈΠ½ΠΎΠΉ 5 3/8 «(13,5 ΡΠΌ), 1 ΡΡ. — 7 3/8″(19 ΡΠΌ), 1 ΡΡ. — 15 3/8 «(39 ΡΠΌ), 1 ΡΡ. — 10″(25,5 ΡΠΌ)
EΒ — 4 Π΄ΠΎΡΠΊΠΈ 2 Γ 4 Π΄Π»ΠΈΠ½ΠΎΠΉ 72 «(183 ΡΠΌ)
14 ΡΡΡΠΊ 2 Γ 4 Π΄Π»ΠΈΠ½ΠΎΠΉ 8 ‘(244 ΡΠΌ)
2 1/2 «ΠΊΠ°ΡΠΌΠ°Π½Π½ΡΠ΅ Π²ΠΈΠ½ΡΡ, Π³Π²ΠΎΠ·Π΄ΠΈ ΠΈ ΡΡΡΡΠΏΡ.
ΠΡΠ΅Π²Π΅ΡΠ½ΡΠΉ Π½Π°ΠΏΠΎΠ»Π½ΠΈΡΠ΅Π»Ρ,Β ΠΊΠ»Π΅ΠΉ Π΄Π»Ρ Π΄Π΅ΡΠ΅Π²Π°, ΠΏΡΠΎΠΏΠΈΡΠΊΠ°, ΠΊΡΠ°ΡΠΊΠ°.
ΠΠ°ΠΊ ΡΠ΄Π΅Π»Π°ΡΡ ΡΠΊΠ»Π°Π΄Π½ΠΎΠΉ ΡΡΠΎΠ» Π΄Π»Ρ ΠΏΠΈΠΊΠ½ΠΈΠΊΠ°
- Π‘Π΄Π΅Π»Π°ΠΉΡΠ΅ Π½ΠΎΠΆΠΊΠΈ, ΠΊΠ°ΠΊ ΠΏΠΎΠΊΠ°Π·Π°Π½ΠΎ Π½Π° ΡΡ Π΅ΠΌΠ΅.
- Π‘Π΄Π΅Π»Π°ΠΉΡΠ΅ ΡΠ°ΠΌΡ.Β ΠΡΠΎΡΠ²Π΅ΡΠ»ΠΈΡΠ΅ ΠΎΡΠ²Π΅ΡΡΡΠΈΡ Π½Π° ΠΎΠ±ΠΎΠΈΡ ΠΊΠΎΠ½ΡΠ°Ρ Π΄ΠΎΡΠΎΠΊ 11 3/4 «(30 ΡΠΌ) ΠΈ Π·Π°ΠΊΡΡΡΠΈΡΠ΅ ΡΡΡΡΠΏΠ°ΠΌΠΈ.
- ΠΡΡΠΎΠ²Π½ΡΠΉΡΠ΅ ΠΊΡΠ°Ρ Π·Π°ΠΏΠΎΠ΄Π»ΠΈΡΠΎ ΠΈ ΡΠ±Π΅Π΄ΠΈΡΠ΅ΡΡ, ΡΡΠΎ ΡΠ³Π»Ρ ΡΠ°ΡΠΏΠΎΠ»ΠΎΠΆΠ΅Π½Ρ ΠΏΠΎΠ΄ ΠΏΡΡΠΌΡΠΌ ΡΠ³Π»ΠΎΠΌ.
- ΠΡΠΈΠΊΡΠ΅ΠΏΠΈΡΠ΅ Π½ΠΎΠ³ΠΈ ΠΊ ΡΠ°ΠΌΠ΅ ΡΠΈΠ΄Π΅Π½ΡΡ, ΠΊΠ°ΠΊ ΠΏΠΎΠΊΠ°Π·Π°Π½ΠΎ Π½Π° ΡΡ Π΅ΠΌΠ΅. ΠΡΠΎΡΠ²Π΅ΡΠ»ΠΈΡΠ΅ ΡΠΊΠ²ΠΎΠ·Π½ΡΠ΅ ΠΎΡΠ²Π΅ΡΡΡΠΈΡ ΡΠ΅ΡΠ΅Π· Π²Π΅ΡΡ Π½ΠΈΠ΅ ΡΠ°ΡΡΠΈ Π½ΠΎΠΆΠ΅ΠΊ ΠΈ Π·Π°ΠΊΡΡΡΠΈΡΠ΅ ΡΡΡΡΠΏΠ°ΠΌΠΈ ΠΊ ΡΠ°ΠΌΠ΅.
- Π Π°Π²Π½ΠΎΠΌΠ΅ΡΠ½ΠΎ ΡΠ°ΡΠΏΡΠ΅Π΄Π΅Π»ΠΈΡΠ΅ ΠΈ ΠΏΡΠΈΠΊΡΡΡΠΈΡΠ΅ ΠΏΠ»Π°Π½ΠΊΠΈ ΠΊ ΡΠ°ΠΌΠ΅ ΡΠΈΠ΄Π΅Π½ΡΡ. Π§ΡΠΎΠ±Ρ ΡΠΎΠ·Π΄Π°ΡΡ ΡΠ°Π²Π½ΡΠ΅ ΠΏΡΠΎΠΌΠ΅ΠΆΡΡΠΊΠΈ, Π²ΡΡΠ°Π²ΡΡΠ΅ ΠΊΡΡΠΎΠΊ ΡΠ°Π½Π΅ΡΡ ΠΌΠ΅ΠΆΠ΄Ρ Π»Π°ΠΌΠ΅Π»ΡΠΌΠΈ.
- Π‘Π΄Π΅Π»Π°ΠΉΡΠ΅ ΠΎΠΏΠΎΡΡ Π΄Π»Ρ ΡΠΊΠ»Π°Π΄Π½ΠΎΠΉ ΡΠΏΠΈΠ½ΠΊΠΈ. ΠΡΡΠ΅Π·Π°ΠΉΡΠ΅ ΠΎΠ±Π° ΠΊΠΎΠ½ΡΠ° Π½Π° 75 Π³ΡΠ°Π΄ΡΡΠΎΠ².
- ΠΠ°ΡΠ΅ΠΌ ΠΎΡΡΠ΅ΠΆΡΡΠ΅ ΠΏΠΎΠ΄Π»ΠΎΠΊΠΎΡΠ½ΠΈΠΊΠΈ, Π·Π°ΠΊΡΡΠ³Π»ΠΈΡΠ΅ ΠΎΠ΄ΠΈΠ½ ΠΊΠΎΠ½Π΅Ρ, ΠΈΡΠΏΠΎΠ»ΡΠ·ΡΡ Π»ΠΎΠ±Π·ΠΈΠΊ, ΠΈ ΠΎΡΡΠ»ΠΈΡΡΠΉΡΠ΅ ΠΊΡΠ°Ρ Π½Π°ΠΆΠ΄Π°ΡΠ½ΠΎΠΉ Π±ΡΠΌΠ°Π³ΠΎΠΉ.
- ΠΡΠΈΠΊΡΠ΅ΠΏΠΈΡΠ΅ ΠΏΠ»Π°Π½ΠΊΠΈ ΠΊ ΠΎΠΏΠΎΡΠ°ΠΌ ΡΠΏΠΈΠ½ΠΊΠΈ.
- Π£ΡΡΠ°Π½ΠΎΠ²ΠΈΡΠ΅ ΡΠΏΠΈΠ½ΠΊΡ ΠΈ Π²ΡΡΠΎΠ²Π½ΡΠΉΡΠ΅ ΠΎΠΏΠΎΡΡ, ΠΊΠ°ΠΊ ΠΏΠΎΠΊΠ°Π·Π°Π½ΠΎ Π½Π° ΡΠ΅ΡΡΠ΅ΠΆΠ°Ρ . ΠΠΎΡΠ»Π΅ ΡΡΠΎΠ³ΠΎ Π·Π°ΡΠΈΠΊΡΠΈΡΡΠΉΡΠ΅ ΠΈΡ Π½Π° Ρ ΠΏΠΎΠΌΠΎΡΡΡ ΡΠ°ΡΠ½ΠΈΡΠΎΠ², ΡΡΠΎΠ±Ρ ΡΠ»ΠΎΠΆΠΈΡΡ ΡΡΠΎΠ» ΠΈ ΠΏΡΠ΅Π²ΡΠ°ΡΠΈΡΡ Π΅Π³ΠΎ Π² ΡΠΊΠ°ΠΌΠ΅ΠΉΠΊΡ.
ΠΠΎΠ³Π΄Π° Π²Ρ ΡΠΊΠ»Π°Π΄ΡΠ²Π°Π΅ΡΠ΅ ΡΡΠΎΠ»Π΅ΡΠ½ΠΈΡΡ, ΡΠΊΠ°ΠΌΠ΅ΠΉΠΊΠ° Π±ΡΠ΄Π΅Ρ Π²ΡΠ³Π»ΡΠ΄Π΅ΡΡ ΡΠ°ΠΊ ΠΆΠ΅, ΠΊΠ°ΠΊ Π½Π° ΡΠΈΡΡΠ½ΠΊΠ΅.
ΠΡΡΠΎΡΠ½ΠΈΠΊ ΡΠΎΡΠΎ myoutdoorplans.com/furniture/folding-picnic-table-plans/
Π‘ΡΠΎΠ» ΠΈΠ· Π΄Π²ΡΡ ΡΠΊΠ°ΠΌΠ΅Π΅ΠΊ
ΠΠΎΡΠΌΠΎΡΡΠΈΡΠ΅, ΠΊΠ°ΠΊ ΡΠ΄Π΅Π»Π°ΡΡ ΡΡΠΎΠ» Π΄Π»Ρ ΠΏΠΈΠΊΠ½ΠΈΠΊΠ°, ΠΊΠΎΡΠΎΡΡΠΉ Π»Π΅Π³ΠΊΠΎ ΠΏΡΠ΅Π²ΡΠ°ΡΠ°Π΅ΡΡΡ Π² Π΄Π²Π΅ ΠΎΡΠ΄Π΅Π»ΡΠ½ΡΠ΅ ΡΠΊΠ°ΠΌΠ΅ΠΉΠΊΠΈ. ΠΠΏΠΎΡΡ Π²ΡΠ°ΡΠ°ΡΡΡΡ, ΡΡΠΎΠ±Ρ ΡΡΠΎΡΠΌΠΈΡΠΎΠ²Π°ΡΡ Π·Π°Π΄Π½ΠΈΠ΅ ΡΠΏΠΈΠ½ΠΊΠΈ. ΠΠΎΠ΄ΡΠΎΠ±Π½ΡΠ΅ ΡΡ
Π΅ΠΌΡ, ΠΊΠΎΡΠΎΡΡΠ΅ Π²Ρ Π²ΠΈΠ΄ΠΈΡΠ΅ Π² Π³Π°Π»Π΅ΡΠ΅Π΅, ΠΏΡΠ΅Π΄ΡΡΠ°Π²Π»ΡΡΡ ΡΠΎΠ±ΠΎΠΉ ΠΏΠΎΡΠ°Π³ΠΎΠ²ΡΡ ΠΈΠ½ΡΡΡΡΠΊΡΠΈΡ ΠΏΠΎ ΠΈΠ·Π³ΠΎΡΠΎΠ²Π»Π΅Π½ΠΈΡ ΡΡΠΎΠ»Π° ΡΡΠ°Π½ΡΡΠΎΡΠΌΠ΅ΡΠ° Π΄Π»Ρ Π²Π°ΡΠ΅Π³ΠΎ ΡΠ°Π΄Π° ΠΈΠ»ΠΈ Π΄Π²ΠΎΡΠ°.
ΠΠΎΠ½ΡΡΡΡΠΊΡΠΈΡ Π½Π΅ ΡΠ»ΠΎΠΆΠ½Π°Ρ, ΠΏΠΎ ΡΡΡΠΈ ΡΡΠΎ Π΄Π²Π΅ ΠΏΠΎΠ»ΠΎΠ²ΠΈΠ½ΠΊΠΈ ΡΡΠΎΠ»Π° Ρ Π½Π΅ΡΠ»ΠΎΠΆΠ½ΡΠΌ ΠΌΠ΅Ρ Π°Π½ΠΈΠ·ΠΌΠΎΠΌ ΠΏΠΎΠ²ΠΎΡΠΎΡΠ°. ΠΡ ΠΏΡΠΎΡΡΠΎ ΡΠ½ΠΈΠΌΠ°Π΅ΡΠ΅ ΡΡΠΈΡΡΡ ΠΈ ΠΏΠΎΠ²ΠΎΡΠ°ΡΠΈΠ²Π°Π΅ΡΠ΅ ΡΡΠΎΠ»Π΅ΡΠ½ΠΈΡΡ, ΠΊΠΎΡΠΎΡΠ°Ρ ΡΡΠ°Π½ΠΎΠ²ΠΈΡΡΡ ΡΠΏΠΈΠ½ΠΊΠΎΠΉ.
Π‘ΡΠ΄ΡΡΠ΅ Π½Π° ΡΠΊΠ°ΠΌΠ΅ΠΉΠΊΡ ΠΈ ΠΎΠΏΡΠ΅Π΄Π΅Π»ΠΈΡΠ΅ ΡΠ΄ΠΎΠ±Π½ΡΡ ΠΏΠΎΠ·ΠΈΡΠΈΡ ΡΠΏΠΈΠ½ΠΊΠΈ. ΠΠ°ΠΊΡΠ΅ΠΏΠΈΡΠ΅ ΠΎΠΏΠΎΡΡ Π½Π° Π·Π°Π΄Π½ΠΈΡ Π½ΠΎΠ³Π°Ρ ΠΈ ΠΏΡΠΎΡΠ²Π΅ΡΠ»ΠΈΡΠ΅ ΠΎΡΠ²Π΅ΡΡΡΠΈΠ΅, ΠΊΡΠ΄Π° Π²ΡΡΠ°Π²Π»ΡΠ΅ΡΡΡ ΡΡΡΡΡ. Π‘Π΄Π΅Π»Π°ΠΉΡΠ΅ ΡΡΠΎ Ρ Π΄Π²ΡΡ ΡΡΠΎΡΠΎΠ½. Π§ΡΠΎΠ±Ρ ΠΏΠ΅ΡΠ΅Π²Π΅ΡΡΠΈ ΡΠΊΠ°ΠΌΠ΅ΠΉΠΊΠΈ Π² ΡΡΠΎΠ» Π΄Π»Ρ ΠΏΠΈΠΊΠ½ΠΈΠΊΠ°, ΠΏΡΠΎΡΡΠΎ ΡΠ½ΠΈΠΌΠΈΡΠ΅ ΡΡΠΈΡΡΡ ΠΈ ΠΏΠΎΠ²Π΅ΡΠ½ΠΈΡΠ΅ ΡΠΏΠΈΠ½ΠΊΡ ΡΡΠΎΠ»Π΅ΡΠ½ΠΈΡΡ, ΠΏΠΎΡΠ»Π΅ ΡΡΠΎΠ³ΠΎ Π²ΡΡΠ°Π²ΡΡΠ΅ ΡΡΠΈΡΡΡ Π΄Π»Ρ ΡΠΈΠΊΡΠ°ΡΠΈΠΈ.

- 7 Π΄ΠΎΡΠΎΠΊ 2×6 Π΄Π»ΠΈΠ½ΠΎΠΉ 8 ΡΡΡΠΎΠ² (244 ΡΠΌ)
- 4 Π΄ΠΎΡΠΊΠΈ 2×4 Π΄Π»ΠΈΠ½ΠΎΠΉ 8 ΡΡΡΠΎΠ² (244 ΡΠΌ)
- ΠΡΠΈΠ½ΠΊΠΎΠ²Π°Π½Π½ΡΠ΅ Π½Π°ΡΡΠΆΠ½ΡΠ΅ Π²ΠΈΠ½ΡΡ
- 8 Π±ΠΎΠ»ΡΠΎΠ² Π΄Π»ΠΈΠ½ΠΎΠΉ 4″ (10 ΡΠΌ) Ρ ΡΠ°ΠΉΠ±Π°ΠΌΠΈ ΠΈ Π³Π°ΠΉΠΊΠ°ΠΌΠΈ
- ΠΠ»Π΅ΠΉ, Π½Π°ΠΆΠ΄Π°ΡΠΊΠ°, Π³ΡΡΠ½ΡΠΎΠ²ΠΊΠ°, ΠΊΡΠ°ΡΠΊΠ°
ΠΠΎΡΠΊΠΈ ΡΠ°ΡΠΏΠΈΠ»ΠΈΠ²Π°Π΅ΡΠ΅ ΠΏΠΎ ΡΠ°ΠΊΠΈΠΌ ΡΠ°Π·ΠΌΠ΅ΡΠ°ΠΌ
- 4 ΡΡ. 2×4 Π΄Π»ΠΈΠ½ΠΎΠΉ 28 7/8 «(73,34 ΡΠΌ) Π·Π°Π΄Π½ΠΈΠ΅ Π½ΠΎΠΆΠΊΠΈ — ΠΎΠ±Π° ΠΊΠΎΠ½ΡΠ° ΠΎΡΠΏΠΈΠ»ΠΈΡΡ Π½Π° 10 Π³ΡΠ°Π΄ΡΡΠΎΠ² ΠΏΠ°ΡΠ°Π»Π»Π΅Π»ΡΠ½ΠΎ Π΄ΡΡΠ³ Π΄ΡΡΠ³Ρ
- 4 ΡΡ. 2×4 Π΄Π»ΠΈΠ½ΠΎΠΉ 27 «(68,5 ΡΠΌ) ΠΏΠΎΠ΄Π΄Π΅ΡΠΆΠΊΠ° ΡΠΈΠ΄Π΅Π½ΡΡ, Π΄Π²Π° ΠΊΠΎΠ½ΡΠ° ΡΠ°Π·ΡΠ΅Π·Π°ΡΡΡΡ Π½Π° 10 Π³ΡΠ°Π΄ΡΡΠΎΠ² ΠΠ ΠΏΠ°ΡΠ°Π»Π»Π΅Π»ΡΠ½ΠΎ Π΄ΡΡΠ³ Π΄ΡΡΠ³Ρ
- 4 ΡΡ.Β 2×4 Π΄Π»ΠΈΠ½ΠΎΠΉ 16 3/4 «(42,5 ΡΠΌ) ΠΠ΅ΡΠ΅Π΄Π½ΠΈΠ΅ Π½ΠΎΠ³ΠΈ — Π΄Π²Π° ΠΊΠΎΠ½ΡΠ° ΡΠ°Π·ΡΠ΅Π·Π°ΡΡΡΡ Π½Π° 10 Π³ΡΠ°Π΄ΡΡΠΎΠ² ΠΏΠ°ΡΠ°Π»Π»Π΅Π»ΡΠ½ΠΎ Π΄ΡΡΠ³ Π΄ΡΡΠ³Ρ
- 12 ΡΡ.Β 2×6 Π΄Π»ΠΈΠ½ΠΎΠΉ 47 7/8 «(122 ΡΠΌ) ΡΠΈΠ΄Π΅Π½ΡΡ ΠΈ ΡΡΠΎΠ»Π΅ΡΠ½ΠΈΡΠ°
- 4 ΡΡ.Β 2×6 Π΄Π»ΠΈΠ½ΠΎΠΉ 17 «(43 ΡΠΌ) ΠΠ°ΡΡΠΎΠ»ΡΠ½ΡΠ΅ ΠΎΠΏΠΎΡΡ
ΠΠ½ΡΡΡΡΠΊΡΠΈΠΈ Π½Π° ΡΠ°ΠΉΡΠ΅. ΠΡΠ»ΠΈ Ρ ΠΎΡΠΈΡΠ΅ ΡΠ΄Π΅Π»Π°ΡΡ Π±ΠΎΠ»Π΅Π΅ Π΄Π»ΠΈΠ½Π½ΡΠΉ ΡΠΊΠ»Π°Π΄Π½ΠΎΠΉ ΡΡΠΎΠ» Π΄Π»Ρ ΠΏΠΈΠΊΠ½ΠΈΠΊΠ°, ΠΈΡΠΏΠΎΠ»ΡΠ·ΡΠΉΡΠ΅ Π΄Π»Ρ ΡΡΠΎΠ»Π΅ΡΠ½ΠΈΡ Π΄ΠΎΡΠΊΠΈ 2,5 ΠΌ ΠΈ ΠΏΡΠΎΡΡΠΎΒ Π΄ΠΎΠ±Π°Π²ΡΡΠ΅ Π² ΡΠ΅Π½ΡΡ Π΄ΠΎΠΏΠΎΠ»Π½ΠΈΡΠ΅Π»ΡΠ½ΡΡ Π½ΠΎΠΆΠΊΡ.
ΠΡΡΠΎΡΠ½ΠΈΠΊ ΡΠΎΡΠΎ www.ana-white.com/2011/05/picnic-table-converts-benches
ΠΠΎΡ Π΅ΡΠ΅ ΠΎΠ΄ΠΈΠ½ ΠΏΡΠΈΠΌΠ΅Ρ, ΡΡΠΎΠ» ΠΈΠ· Π΄Π²ΡΡ ΡΠΊΠ°ΠΌΠ΅Π΅ΠΊ

ΠΡΠΎ ΡΡΠΎΠ» Π΄Π»Ρ ΠΏΠΈΠΊΠ½ΠΈΠΊΠ° Ρ Π΄Π²ΡΠΌΡ ΡΡΠ½ΠΊΡΠΈΡΠΌΠΈ. ΠΡΠ»ΠΈΡΠ½ΠΎ ΠΏΠΎΠ΄Ρ
ΠΎΠ΄ΠΈΡ Π΄Π»Ρ ΡΠ΅ΠΌΠ΅ΠΉΠ½ΠΎΠ³ΠΎ ΠΎΠ±Π΅Π΄Π° Π½Π° ΡΠ²Π΅ΠΆΠ΅ΠΌ Π²ΠΎΠ·Π΄ΡΡ
Π΅, Π½ΠΎ ΡΠ°ΠΊΠΆΠ΅ ΠΈ Π»Π΅Π³ΠΊΠΎ ΠΏΡΠ΅Π²ΡΠ°ΡΠ°Π΅ΡΡΡ Π² Π΄Π²Π΅ ΡΠΈΠΌΠΏΠ°ΡΠΈΡΠ½ΡΠ΅ ΡΠ°Π΄ΠΎΠ²ΡΠ΅ ΡΠΊΠ°ΠΌΠ΅ΠΉΠΊΠΈ.

ΠΠ΅ΡΡ
ΡΠΊΠ»Π°Π΄ΡΠ²Π°Π΅ΡΡΡ Π²Π½ΠΈΠ·, ΡΡΠΎΠ±Ρ ΡΠΎΠ·Π΄Π°ΡΡ Π·Π°Π΄Π½ΡΡ ΡΠ°ΡΡΡ ΡΠΊΠ°ΠΌΠ΅ΠΉΠΊΠΈ, ΡΡΠΎΠ±Ρ ΡΠ΄ΠΎΠ±Π½ΠΎ ΠΎΡΠΊΠΈΠ½ΡΡΡΡ Π½Π° ΡΠΏΠΈΠ½ΠΊΡ.
ΠΠΎΠ΄ΡΠΎΠ±Π½ΡΠ΅ ΡΡ
Π΅ΠΌΡ Π½Π° ΡΠΎΡΠΎ, ΡΡΠΎ ΠΏΠΎΡΠ°Π³ΠΎΠ²ΡΠΉ ΠΏΠ»Π°Π½ ΡΠ±ΠΎΡΠΊΠΈ. Π Π°Π·ΠΌΠ΅ΡΡ Π² Π΄ΡΠΉΠΌΠ°Ρ
, ΡΠΌΠ½ΠΎΠΆΠ°Π΅ΠΌ ΠΏΠΎΠΊΠ°Π·Π°ΡΠ΅Π»ΠΈ Π½Π° 2,54, ΠΏΠΎΠ»ΡΡΠΈΠΌ ΡΠ°Π·ΠΌΠ΅ΡΡ Π² ΡΠ°Π½ΡΠΈΠΌΠ΅ΡΡΠ°Ρ
. ΠΡΠ»ΠΈ ΠΏΠΎΠ½Π°Π΄ΠΎΠ±ΠΈΡΡΡ ΠΈΠ½ΡΡΡΡΠΊΡΠΈΡ, ΡΡΡΠ»ΠΊΠ° Π½Π° ΠΏΠ΅ΡΠ²ΠΎΠΈΡΡΠΎΡΠ½ΠΈΠΊ ΠΏΠΎΠ΄ Π³Π°Π»Π΅ΡΠ΅Π΅ΠΉ.
ΠΡΡΠΎΡΠ½ΠΈΠΊ ΡΠΎΡΠΎ www.buildsomething.com/plans/P5DAC6A8E2D6C2FA7/Convertible-Picnic-Table-and-Bench
ΠΡΠΎ Π΅ΡΠ΅ ΠΏΡΠΈΠΌΠ΅Ρ, ΠΊΠ°ΠΊ ΡΠ΄Π΅Π»Π°ΡΡ ΡΡΠΎΠ» ΡΠΊΠ°ΠΌΠ΅ΠΉΠΊΡ ΡΠ²ΠΎΠΈΠΌΠΈ ΡΡΠΊΠ°ΠΌΠΈ

Β ΠΠΎΡΠΎΠ²Π°Ρ ΡΠΊΠ°ΠΌΠ΅ΠΉΠΊΠ° ΠΈ Π³ΠΎΡΠΎΠ²ΡΠΉ ΡΡΠΎΠ»
ΠΡΡΠΎΡΠ½ΠΈΠΊ ΡΠΎΡΠΎ www.hgnv.com/creative-diy-folding-bench-ideas-for-small-balcony/
Π£Π³Π»ΠΎΠ²Π°Ρ ΡΠΊΠ°ΠΌΠ΅ΠΉΠΊΠ° ΠΈ ΡΡΠΎΠ»
ΠΡΠΎΡΡΠΎ ΠΈ ΡΠΎ Π²ΠΊΡΡΠΎΠΌ. Π‘Π΄Π΅Π»Π°ΠΉΡΠ΅ Π΄Π²Π΅ Π»Π°Π²ΠΎΡΠΊΠΈ ΠΈ Π²ΡΡΡΠΎΠ΅Π½Π½ΡΠΉ ΡΡΠΎΠ», ΠΊΠΎΡΠΎΡΡΠΉ ΠΈΠ΄Π΅Π°Π»ΡΠ½ΠΎ ΠΏΠΎΠ΄Ρ ΠΎΠ΄ΠΈΡ Π΄Π»Ρ ΠΎΡΠΎΠ±ΡΠ°ΠΆΠ΅Π½ΠΈΡ Π΄Π΅ΠΊΠΎΡΠ° Π½Π° ΠΊΡΡΠ»ΡΡΠ΅ ΠΈΠ»ΠΈ Π²Π½ΡΡΡΠ΅Π½Π½Π΅ΠΌ Π΄Π²ΠΎΡΠΈΠΊΠ΅.
Π§ΡΠΎΠ±Ρ ΡΠ΄Π΅Π»Π°ΡΡ ΡΠ³Π»ΠΎΠ²ΡΡ ΡΠΊΠ°ΠΌΠ΅ΠΉΠΊΡ ΡΠΎ ΡΡΠΎΠ»ΠΈΠΊΠΎΠΌ, Π²Π°ΠΌ ΠΏΠΎΠ½Π°Π΄ΠΎΠ±ΡΡΡΡ ΡΠ°ΠΊΠΈΠ΅ ΠΌΠ°ΡΠ΅ΡΠΈΠ°Π»Ρ:
- 2 Π΄ΠΎΡΠΊΠΈ 2 Γ 6 Π΄Π»ΠΈΠ½ΠΎΠΉ 8 ΡΡΡΠΎΠ²(244 ΡΠΌ)
- 7 ΡΡ. 2 Γ 4 Π΄Π»ΠΈΠ½Π° 8 ΡΡΡΠΎΠ²(244 ΡΠΌ)
- 1 ΡΡ. 2 Γ 2 Π΄Π»ΠΈΠ½Π° 6 ΡΡΡΠΎΠ² (183 ΡΠΌ)
- Kreg jig ΠΈ Π²ΠΈΠ½ΡΡ
- ΠΊΠ»Π΅ΠΉ Π΄Π»Ρ Π΄Π΅ΡΠ΅Π²Π°
Π‘Π½Π°ΡΠ°Π»Π° ΡΠ΄Π΅Π»Π°ΠΉΡΠ΅ ΡΠ°ΠΌΠΊΡΒ ΠΈΠ· Π΄Π΅ΡΠ°Π»Π΅ΠΉ
- 2 ΡΡ. 2 Γ 4 Π΄Π»ΠΈΠ½Π° 40 «(101 ΡΠΌ) Ρ ΠΎΠ΄Π½ΠΈΠΌ ΠΊΠΎΠ½ΡΠΎΠΌ ΠΏΠΎΠ΄ ΡΠ³Π»ΠΎΠΌ 45 Π³ΡΠ°Π΄ΡΡΠΎΠ²
- 2 ΡΡ. 2 Γ 4 Π΄Π»ΠΈΠ½Π° 26 3/4 «(68 ΡΠΌ) Ρ ΠΎΠ΄Π½ΠΈΠΌ ΠΊΠΎΠ½ΡΠΎΠΌ 45 Π³ΡΠ°Π΄ΡΡΠΎΠ²
- 6 ΡΡ. 2 Γ 4 Π΄Π»ΠΈΠ½Π° 12 1/4 «(31 ΡΠΌ)
ΠΠ°ΡΠ΅ΠΌ ΠΎΡΠΏΠΈΠ»ΠΈΡΠ΅ Π½ΠΎΠ³ΠΈ. ΠΡΠΈΠΊΡΠ΅ΠΏΠΈΡΠ΅ ΠΈΡ ΠΊΠ»Π΅Π΅ΠΌ ΠΈ ΡΡΡΡΠΏΠ°ΠΌΠΈ ΠΊ ΡΠ°ΠΌΠ΅. Β
Π‘Π΄Π΅Π»Π°ΠΉΡΠ΅ ΠΏΠ»ΠΎΡΠ°Π΄ΠΊΡ Π΄Π»Ρ ΡΠ³Π»ΠΎΠ²ΠΎΠ³ΠΎ ΡΡΠΎΠ»Π°. ΠΡΡΠ΅ΠΆΡΡΠ΅ ΡΠ°ΠΊΠΈΠ΅ ΡΠ°ΡΡΠΈ:
- 2 ΡΡ. 2 Γ 6 Π΄Π»ΠΈΠ½Π° 15 1/4 «(38,7 ΡΠΌ) Ρ ΠΎΠ΄Π½ΠΈΠΌ ΠΊΠΎΠ½ΡΠΎΠΌ ΠΏΠΎΠ΄ ΡΠ³Π»ΠΎΠΌ 45 Π³ΡΠ°Π΄ΡΡΠΎΠ²
- 2 ΡΡ. 2 Γ 6 Π΄Π»ΠΈΠ½Π° 13 3/4 «(35 ΡΠΌ) Ρ ΠΎΠ΄Π½ΠΈΠΌ ΠΊΠΎΠ½ΡΠΎΠΌ ΠΏΠΎΠ΄ ΡΠ³Π»ΠΎΠΌ 45 Π³ΡΠ°Π΄ΡΡΠΎΠ²
- 2 ΡΡ. 2 Γ 6 Π΄Π»ΠΈΠ½Π° 12 1/4 «(31 ΡΠΌ)
Π‘ΠΎΠ±Π΅ΡΠΈΡΠ΅ ΠΊΠΎΡΠΎΠ±ΠΊΡ Π΄Π»Ρ ΡΡΠΎΠ»Π°
Π‘ ΠΏΠΎΠΌΠΎΡΡΡ ΠΊΠ»Π΅Ρ ΠΈ ΡΡΡΡΠΏΠΎΠ² ΠΏΡΠΈΠΊΡΠ΅ΠΏΠΈΡΠ΅ ΡΡΠΈΠΊ ΠΊ Π΄ΠΎΡΠΊΠ°ΠΌ, ΡΠΎΡΡΠ°Π²Π»ΡΡΡΠΈΠΌ ΡΠ³ΠΎΠ» ΡΠ°ΠΌΡ.
ΠΠ°ΡΠ΅ΠΌ ΡΠ°ΡΠΏΠΈΠ»ΠΈΡΠ΅ Π΄ΠΎΡΠΊΠΈ, ΡΡΠΎΠ±Ρ ΡΠ΄Π΅Π»Π°ΡΡ Π²Π΅ΡΡ Π½ΠΈΠ΅ ΡΠ°ΡΡΠΈ ΡΠΊΠ°ΠΌΠ΅ΠΉΠΊΠΈ:
- 6 ΡΡ. 2 Γ 4 Π΄Π»ΠΈΠ½Π° 26 1/2 » (67,5 ΡΠΌ)
- 2 ΡΡ. 2 Γ 6 Π΄Π»ΠΈΠ½Π° 26 1/2 » (67,5 ΡΠΌ)
Π Π°ΡΠΏΠΈΠ»ΠΈΡΠ΅ Π΄ΠΎΡΠΊΠΈ Π΄Π»Ρ ΡΡΠΎΠ»Π° ΠΈ ΡΠΎΠ±Π΅ΡΠΈΡΠ΅ ΡΠ°ΡΡΠΈ:
- 4 ΡΡ. 2 Γ 4 Π΄Π»ΠΈΠ½Π° 15 «(38 ΡΠΌ) Ρ ΠΊΠ°ΠΆΠ΄ΡΠΌ ΠΊΠΎΠ½ΡΠΎΠΌ ΠΏΠΎΠ΄ ΡΠ³Π»ΠΎΠΌ 45 Π³ΡΠ°Π΄ΡΡΠΎΠ²
- 4 ΡΡ. 2 Γ 4 Π΄Π»ΠΈΠ½Π° 8 «(20 ΡΠΌ ) Ρ ΠΊΠ°ΠΆΠ΄ΡΠΌ ΠΊΠΎΠ½ΡΠΎΠΌ ΠΏΠΎΠ΄ ΡΠ³Π»ΠΎΠΌ 45 Π³ΡΠ°Π΄ΡΡΠΎΠ²
- 1 ΡΡ. 2 Γ 4 Π΄Π»ΠΈΠ½Π° 1 1/4 «x 1 1/4»
- 4 ΡΡ. 2 Γ 2 Π΄Π»ΠΈΠ½Π° 18 «(96 ΡΠΌ) Ρ ΠΊΠΎΠ½ΡΠΎΠΌ ΠΏΠΎΠ΄ ΡΠ³Π»ΠΎΠΌ 45 Π³ΡΠ°Π΄ΡΡΠΎΠ²
ΠΠΎΠ³Π΄Π° Π·Π°ΠΊΠΎΠ½ΡΠΈΡΠ΅ ΡΡΠΎΠ»Π΅ΡΠ½ΠΈΡΡ, ΠΎΡΡΠ»ΠΈΡΡΠΉΡΠ΅ ΠΈ ΠΏΠΎΠΊΡΠ°ΡΡΡΠ΅ ΡΡΠΎΠ» ΠΈ ΡΠΊΠ°ΠΌΠ΅ΠΉΠΊΠΈ.
ΠΠ°Π»ΠΎΠΆΠΈΡΠ΅ 3 ΡΠ»ΠΎΡ Π²Π½Π΅ΡΠ½Π΅Π³ΠΎ ΠΏΠΎΠ»ΠΈΡΡΠ΅ΡΠ°Π½ΠΎΠ²ΠΎΠ³ΠΎ Π»Π°ΠΊΠ°.
ΠΡΡΠΎΡΠ½ΠΈΠΊ ΡΠΎΡΠΎ www.remodelaholic.com/build-corner-bench-built-in-table/
Π‘ΠΊΠ°ΠΌΠ΅ΠΉΠΊΠ° ΠΆΡΡΠ½Π°Π»ΡΠ½ΡΠΉ ΡΡΠΎΠ»ΠΈΠΊ
ΠΡΠΎΠ΄Π΅ ΠΏΡΠΎΡΡΠ°Ρ, Π½ΠΎ ΠΈΠ½ΡΠ΅ΡΠ΅ΡΠ½Π°Ρ ΠΊΠΎΠ½ΡΡΡΡΠΊΡΠΈΡ. Π‘ΠΊΠ°ΠΌΠ΅ΠΉΠΊΠ° ΡΡΠ°Π½ΡΡΠΎΡΠΌΠΈΡΡΠ΅ΡΡΡ Π² ΠΆΡΡΠ½Π°Π»ΡΠ½ΡΠΉ ΡΡΠΎΠ»ΠΈΠΊ. ΠΡΠ»ΠΈ ΠΏΠΎΠ½ΡΠ°Π²ΠΈΠ»Π°ΡΡ, ΠΏΠΎΡΠΌΠΎΡΡΠΈΡΠ΅, ΡΡΠΎ Π½Π΅ΠΎΠ±Ρ
ΠΎΠ΄ΠΈΠΌΠΎ, ΡΡΠΎΠ±Ρ ΡΠ΄Π΅Π»Π°ΡΡ ΡΠ°ΠΊΡΡ ΡΠΊΠ°ΠΌΠ΅ΠΉΠΊΡ ΡΠ²ΠΎΠΈΠΌΠΈ ΡΡΠΊΠ°ΠΌΠΈ.
Π‘ΠΏΠΈΡΠΎΠΊ ΠΏΠΈΠ»ΠΎΠΌΠ°ΡΠ΅ΡΠΈΠ°Π»ΠΎΠ² Π΄Π»ΠΈΠ½ΠΎΠΉ 245 ΡΠΌ:
- 8Β Π΄ΠΎΡΠΎΠΊ 2x4s
- 1Β Π±ΡΡΡΠΎΠΊ 2x2s Β
- 2Β Π΄ΠΎΡΠΊΠΈ 1x8s
- 1 Π΄ΠΎΡΠΊΠ° 1×3
ΠΠΎΡΠΊΠΈ Π½Π΅ΠΎΠ±Ρ ΠΎΠ΄ΠΈΠΌΠΎ ΠΎΠ±ΡΠ΅Π·Π°ΡΡ ΠΏΠΎ ΡΠ°ΠΊΠΈΠΌ ΡΠ°Π·ΠΌΠ΅ΡΠ°ΠΌ:
- 4 ΡΡ. 2x4s Π΄Π»ΠΈΠ½ΠΎΠΉ 41 «(104 ΡΠΌ)
- 1 ΡΡ. 2×2 Π΄Π»ΠΈΠ½ΠΎΠΉ 41 «(104 ΡΠΌ)
- 8 ΡΡ. 2x4s Π΄Π»ΠΈΠ½ΠΎΠΉ 16 1/2 «(42 ΡΠΌ)
- 4 ΡΡ. 2x4s Π΄Π»ΠΈΠ½ΠΎΠΉ 15 «(38 ΡΠΌ)
- 2 ΡΡ. 2x4s Π΄Π»ΠΈΠ½ΠΎΠΉ 5 1/2 «(14 ΡΠΌ)
- 2 ΡΡ. 2x4s Π΄Π»ΠΈΠ½ΠΎΠΉ 15 «(38 ΡΠΌ)
- 4 ΡΡ. 1x8s Π΄Π»ΠΈΠ½ΠΎΠΉ 48 «(122 ΡΠΌ)
- 2 ΡΡ. 1x3s Π΄Π»ΠΈΠ½ΠΎΠΉ 48 «(122 ΡΠΌ)
- 2 ΡΡ. 2x4s Π΄Π»ΠΈΠ½ΠΎΠΉ 9 1/2 «(24,5 ΡΠΌ)
ΠΠ½ΡΡΡΡΠΌΠ΅Π½ΡΡ:
- Kreg Jig K4 Pocket Hole System
- ΠΡΠ΅Π»Ρ
- ΠΠΈΡΡΠ°Π»ΡΠ½Π°Ρ ΠΏΠΈΠ»Π°
- ΠΠ°ΠΆΠΈΠΌΡ
ΠΠ° ΡΠ°ΠΉΡΠ΅ Π΅ΡΡΡ ΠΎΡΠ΅Π½Ρ ΠΏΠΎΠ΄ΡΠΎΠ±Π½Π°Ρ ΠΈΠ½ΡΡΡΡΠΊΡΠΈΡ, Ρ ΠΎΡΡ ΠΏΠΎ ΠΏΠΎΡΠ°Π³ΠΎΠ²ΡΠΌ ΡΠΎΡΠΎ, Π³Π΄Π΅ Π²Π΅ΡΡ ΠΏΡΠΎΡΠ΅ΡΡ ΠΏΠΎΠΊΠ°Π·Π°Π½ ΡΡ Π΅ΠΌΠ°ΡΠΈΡΠ½ΠΎ, ΠΏΠΎΡΠ»Π΅Π΄ΠΎΠ²Π°ΡΠ΅Π»ΡΠ½ΠΎΡΡΡ ΡΠ±ΠΎΡΠΊΠΈ Π΄ΠΎΠ»ΠΆΠ½Π° Π±ΡΡΡ ΠΏΠΎΠ½ΡΠ½ΠΎΠΉ.
ΠΡΡΠΎΡΠ½ΠΈΠΊ ΡΠΎΡΠΎ www.handmade-haven.com/blogs/news/ig-builders-challenge-3
Π‘ΡΠΎΠ» ΡΠΎ ΡΠΊΠ°ΠΌΠ΅ΠΉΠΊΠ°ΠΌΠΈ Π½Π° Π΄Π²ΠΎΠΈΡ
Π‘ΡΠΎΠ» Π΄Π»Ρ ΠΏΠΈΠΊΠ½ΠΈΠΊΠ° Π½Π΅ Π΄ΠΎΠ»ΠΆΠ΅Π½ Π±ΡΡΡ Π½Π΅ΡΠΊΠ»ΡΠΆΠΈΠΌ ΠΈ Π³ΡΠΎΠΌΠΎΠ·Π΄ΠΊΠΈΠΌ, Π²ΠΌΠ΅ΡΡΠΎ ΡΡΠΎΠ³ΠΎ ΡΠ΄Π΅Π»Π°ΠΉΡΠ΅ ΡΠ½ΠΈΠΊΠ°Π»ΡΠ½ΡΠΉ ΡΡΠΎΠ»ΠΈΠΊ Ρ Π°ΠΊΠΊΡΡΠ°ΡΠ½ΡΠΌΠΈ ΡΠΊΠ°ΠΌΠ΅Π΅ΡΠΊΠ°ΠΌΠΈ, ΠΊΠΎΡΠΎΡΡΠΉ ΠΏΠΎΠ΄Ρ ΠΎΠ΄ΠΈΡ ΡΠΎΠ»ΡΠΊΠΎ Π΄Π»Ρ Π΄Π²ΡΡ ΡΠ΅Π»ΠΎΠ²Π΅ΠΊ. ΠΠΎΡΡΠ°ΡΠΈΠ²Π½ΡΠΉ ΠΈ Π»Π΅Π³ΠΊΠΈΠΉ, ΠΎΠ½ ΠΌΠΎΠΆΠ΅Ρ Π±ΡΡΡ ΡΡΡΠ°Π½ΠΎΠ²Π»Π΅Π½ Π² ΡΠ³Π»Ρ ΡΠ°Π΄Π°, ΠΏΠΎΠ΄ Π΄Π΅ΡΠ΅Π²ΠΎΠΌ, ΠΈΠ»ΠΈ Π½Π° ΡΠ΅ΡΡΠ°ΡΠ΅, ΡΡΠΎΠ±Ρ Π½Π°ΡΠ»Π°ΠΆΠ΄Π°ΡΡΡΡ ΠΎΡΠ΄ΡΡ ΠΎΠΌ Π½Π° ΡΠ²Π΅ΠΆΠ΅ΠΌ Π²ΠΎΠ·Π΄ΡΡ Π΅.
Π Ρ ΠΎΡΡ ΡΡΠΎΠ»ΠΈΠΊ Π²ΡΠ³Π»ΡΠ΄ΠΈΡ ΠΎΡΠ΅Π½Ρ Π»Π΅Π³ΠΊΠΈΠΌ, Π½Π° ΡΠ°ΠΌΠΎΠΌ Π΄Π΅Π»Π΅ ΡΡΠΎ ΠΏΡΠΎΡΠ½Π°Ρ ΠΈ Π½Π°Π΄Π΅ΠΆΠ½Π°Ρ ΠΊΠΎΠ½ΡΡΡΡΠΊΡΠΈΡ.
ΠΠ°ΠΊ ΡΠ΄Π΅Π»Π°ΡΡ ΡΡΠΎΠ» Π΄Π»Ρ ΠΏΠΈΠΊΠ½ΠΈΠΊΠ° Π΄Π»Ρ Π΄Π²ΠΎΠΈΡ
Π‘Π΄Π΅Π»Π°ΠΉΡΠ΅ ΡΡΠΎΠ»Π΅ΡΠ½ΠΈΡΡ
ΠΡΠΏΠΈΠ»ΠΈΡΠ΅ Π΄Π΅ΡΠ°Π»ΠΈ Π΄Π»Ρ ΡΡΠΎΠ»Π΅ΡΠ½ΠΈΡΡ. ΠΡΡΠ»ΠΈΡΡΠΉΡΠ΅ ΡΠ°ΡΡΠΈ. ΠΠ°ΠΊΡΠ΅ΠΏΠΈΡΠ΅ ΠΊΠΎΡΠΎΡΠΊΠΈΠ΅ Π΄ΠΎΡΠΊΠΈ ΡΡΠΎΠ»Π΅ΡΠ½ΠΈΡΡ Π½Π° Π±ΠΎΠΊΠΎΠ²ΡΡ ΡΡΠΎΡΠΎΠ½Π°Ρ .- Π£ΡΡΠ°Π½ΠΎΠ²ΠΈΡΠ΅ ΠΏΠ»Π°Π½ΠΊΠΈ
Π Π°ΡΠΏΠΎΠ»ΠΎΠΆΠΈΡΠ΅ Π΄Π»ΠΈΠ½Π½ΡΠ΅ Π΄ΠΎΡΠΊΠΈ ΡΡΠΎΠ»Π΅ΡΠ½ΠΈΡΡ, ΡΡΠΎΠ±Ρ ΠΎΠ½ΠΈ Π½Π°ΠΊΠ»Π°Π΄ΡΠ²Π°Π»ΠΈΡΡ ΠΊΠΎΠ½ΡΠ°ΠΌΠΈ Π½Π° ΠΊΠΎΡΠΎΡΠΊΠΈΠ΅ ΡΠ°ΡΡΠΈ ΡΠ°ΠΌΡ. Π£ΡΡΠ°Π½ΠΎΠ²ΠΈΡΠ΅ ΠΏΠ»Π°Π½ΠΊΠΈ Π²Π½ΡΡΡΠΈ ΡΠ°ΠΌΡ ΡΠ°ΠΊ, ΡΡΠΎΠ±Ρ ΠΊΠΎΠ½ΡΡ ΠΎΠΏΠΈΡΠ°Π»ΠΈΡΡ Π½Π° Π±ΠΎΠΊΠΎΠ²ΡΠ΅ ΠΏΠ΅ΡΠ΅ΠΊΠ»Π°Π΄ΠΈΠ½Ρ. - ΠΡΠΈΠΊΡΠ΅ΠΏΠΈΡΠ΅ Π½ΠΎΠΆΠΊΠΈ ΡΡΠΎΠ»Π°
ΠΡΠΏΠΈΠ»ΠΈΡΠ΅ Π½ΠΎΠΆΠΊΠΈ ΡΡΠΎΠ»Π° ΠΈ ΠΏΠΎΠ΄ΡΠ°ΠΌΠ½ΠΈΠΊΠΈ. ΠΡΠΎΡΠ²Π΅ΡΠ»ΠΈΡΠ΅ Π΄Π²Π° ΡΠ°Π²Π½ΠΎΠΌΠ΅ΡΠ½ΠΎ ΡΠ°ΡΠΏΠΎΠ»ΠΎΠΆΠ΅Π½Π½ΡΡ ΡΠΊΠ²ΠΎΠ·Π½ΡΡ ΠΎΡΠ²Π΅ΡΡΡΠΈΡ ΡΠ΅ΡΠ΅Π· ΠΊΠΎΠ½ΡΡΡΡ ΠΏΠΎΠ΄ΡΠ°ΠΌΠ½ΠΈΠΊΠ° Π½Π° Π½ΠΎΠ³Π°Ρ . ΠΡΠΈΠΊΡΠ΅ΠΏΠΈΡΠ΅ ΠΏΠΎΠ΄ΡΠ°ΠΌΠ½ΠΈΠΊ Ρ ΠΏΠΎΠΌΠΎΡΡΡ ΠΊΠ»Π΅Ρ ΠΈ ΡΡΡΡΠΏΠΎΠ². ΠΠ΅ΡΠ΅Π²Π΅ΡΠ½ΠΈΡΠ΅ ΡΡΠΎΠ»Π΅ΡΠ½ΠΈΡΡ. ΠΡΠΈΠΊΡΠ΅ΠΏΠΈΡΠ΅ Π½ΠΎΠΆΠΊΠΈ. - Π‘Π΄Π΅Π»Π°ΠΉΡΠ΅ ΡΠΊΠ°ΠΌΠ΅ΠΉΠΊΠΈ
ΠΡΠΈΠΊΡΠ΅ΠΏΠΈΡΠ΅ Π½ΠΎΠΆΠΊΠΈ ΠΊ ΠΏΠ΅ΡΠ΅ΠΊΠ»Π°Π΄ΠΈΠ½Π°ΠΌ.Β ΠΡΠΎΡΠ²Π΅ΡΠ»ΠΈΡΠ΅ ΡΠΊΠ²ΠΎΠ·Π½ΡΠ΅ ΠΎΡΠ²Π΅ΡΡΡΠΈΡ Π² Π½ΠΎΠΆΠΊΠ°Ρ ΠΈ Π·Π°ΠΊΡΡΡΠΈΡΠ΅ ΡΡΡΡΠΏΡ. Β - Π‘ΠΎΠ±Π΅ΡΠΈΡΠ΅ Π²ΡΡ ΠΊΠΎΠ½ΡΡΡΡΠΊΡΠΈΡ.
- ΠΡΡΠ»ΠΈΡΡΠΉΡΠ΅ Π²ΡΠ΅ Π΄Π΅ΡΠ°Π»ΠΈ. ΠΠ°Π½Π΅ΡΠΈΡΠ΅ Π½Π΅ΡΠΎΠΊΡΠΈΡΠ½ΡΠΉ Π΄ΡΠ΅Π²Π΅ΡΠ½ΡΠΉ Π³Π΅ΡΠΌΠ΅ΡΠΈΠΊ.
ΠΡΡΠΎΡΠ½ΠΈΠΊ ΡΠΎΡΠΎ www.blackanddecker.com/en-US/ideas-and-inspiration/projects/diy-picnic-table-for-two
Π‘ΠΊΠ°ΠΌΠ΅ΠΉΠΊΠ° ΠΈΠ· ΡΠ°Π½Π΅ΡΡ ΡΠ²ΠΎΠΈΠΌΠΈ ΡΡΠΊΠ°ΠΌΠΈ
ΠΠ°ΠΆΠ΄Π°Ρ ΡΠ°ΡΡΡ ΡΠΎΡΡΠΎΠΈΡ ΠΈΠ· 3 ΠΎΡΠ΄Π΅Π»ΡΠ½ΡΡ
ΠΏΠΎΠ»ΠΎΡΠΎΠΊ 18-ΠΌΠΈΠ»Π»ΠΈΠΌΠ΅ΡΡΠΎΠ²ΠΎΠΉ ΡΠ°Π½Π΅ΡΡ, ΠΊΠΎΡΠΎΡΡΡ Π·Π°ΡΠ΅ΠΌ ΡΠΊΠ»Π΅ΠΈΠ²Π°ΡΡ ΠΈ ΡΠΊΡΡΡΠΈΠ²Π°ΡΡ Π²ΠΌΠ΅ΡΡΠ΅, ΡΡΠΎΠ±Ρ ΠΏΠΎΠ»ΡΡΠΈΠ»Π°ΡΡ ΠΎΠ΄Π½Π° Π΄Π΅ΡΠ°Π»Ρ. Π‘ΡΠΎΡΠΎΠ½Ρ ΡΠΎΡΡΠΎΡΡ ΠΈΠ· 4 ΠΎΡΠ΄Π΅Π»ΡΠ½ΡΡ
ΡΠ°ΡΡΠ΅ΠΉ. Π§ΡΠΎΠ±Ρ ΡΠ΄Π΅Π»Π°ΡΡ ΡΠΊΠ°ΠΌΠ΅ΠΉΠΊΡ ΠΈΠ· ΡΠ°Π½Π΅ΡΡ ΡΠ²ΠΎΠΈΠΌΠΈ ΡΡΠΊΠ°ΠΌΠΈ, Π²Π°ΠΌ ΠΏΠΎΠ½Π°Π΄ΠΎΠ±ΠΈΡΡΡ:
ΠΠ°ΡΠ΅ΡΠΈΠ°Π»Ρ:
- 5 Π»ΠΈΡΡΠΎΠ² ΡΠ°Π½Π΅ΡΡ (18 ΠΌΠΌ, 3050 ΠΌΠΌ * 1220 ΠΌΠΌ)
- ΡΡΡΡΠΏΡ 50 ΠΌΠΌ
- ΠΊΠ»Π΅ΠΉ Π΄Π»Ρ Π΄Π΅ΡΠ΅Π²Π°
- ΡΠ»ΠΈΡΠΎΠ²Π°Π»ΡΠ½Π°Ρ Π±ΡΠΌΠ°Π³Π° (p80-p120-p180-p320-p400)
- Π΄ΠΎΡΠΊΠΈ
- Π»Π°ΠΊ
- Π°Π»ΡΠΌΠΈΠ½ΠΈΠ΅Π²Π°Ρ ΡΡΡΠ±Π° — Π΄ΠΈΠ°ΠΌΠ΅ΡΡ 48 ΠΌΠΌ, ΡΠΎΠ»ΡΠΈΠ½Π° 5 ΠΌΠΌ, Π΄Π»ΠΈΠ½Π° 2000 ΠΌΠΌ
ΠΠ±ΠΎΡΡΠ΄ΠΎΠ²Π°Π½ΠΈΠ΅:
- Π»ΠΎΠ±Π·ΠΈΠΊ
- ΡΡΠ΅Π·Π΅Ρ (Ρ ΡΠ»Π΅Ρ-ΠΎΠ±ΡΠ΅Π·ΠΊΠΎΠΉ)
- Π»Π°ΠΊΠΈΡΠΎΠ²ΠΎΡΠ½ΡΠ΅ ΡΠ΅ΡΠΊΠΈ
ΠΠ°ΠΊ ΡΠΎΠ±ΡΠ°ΡΡ ΠΊΠΎΠ½ΡΡΡΡΠΊΡΠΈΡ, Π²Ρ ΠΌΠΎΠΆΠ΅ΡΠ΅ ΠΏΡΠΎΡΠΈΡΠ°ΡΡ Π½Π° ΡΠ°ΠΉΡΠ΅, ΡΡΠΎ Π½Π΅ ΡΠ»ΠΎΠΆΠ½ΠΎ, Π½ΠΎ Π½Π΅ΠΎΠ±Ρ ΠΎΠ΄ΠΈΠΌΠ° ΡΠΎΡΠ½ΠΎΡΡΡ. ΠΠ»Ρ ΡΠ°Π±ΠΎΡΡ Π²Π°ΠΌ ΠΏΠΎΠ½Π°Π΄ΠΎΠ±ΠΈΡΡΡ ΡΠ°Π±Π»ΠΎΠ½, ΠΊΠΎΡΠΎΡΡΠΉ Π½Π°Π΄ΠΎ ΡΠ½Π°ΡΠ°Π»Π° Π²ΡΡΠ΅Π·Π°ΡΡ Π½Π° Π±ΡΠΌΠ°Π³Π΅, Π·Π°ΡΠ΅ΠΌ ΠΏΠ΅ΡΠ΅Π½Π΅ΡΡΠΈ Π½Π° ΡΠ°Π½Π΅ΡΡ. ΠΠ°ΡΠ΅ΠΌ, Ρ ΠΏΠΎΠΌΠΎΡΡΡ Π»ΠΎΠ±Π·ΠΈΠΊΠ° ΠΈ ΡΡΠ΅Π·Π΅Ρ ΠΌΠΎΠΆΠ½ΠΎ Π²ΡΡΠ΅Π·Π°ΡΡ ΠΎΡΡΠ°Π»ΡΠ½ΡΠ΅ Π΄Π΅ΡΠ°Π»ΠΈ. ΠΠΎ Π½Π΅ Π΄ΡΠΌΠ°ΠΉΡΠ΅, ΡΡΠΎΒ ΡΠΌΠΎΠΆΠ΅ΡΠ΅ Π±ΡΡΡΡΠΎ ΡΠΎΠ΅Π΄ΠΈΠ½ΠΈΡΡ ΡΡΡ ΡΡΡΠΊΡ, ΡΡΠΎ Π΄Π»ΠΈΠ½Π½Π°Ρ ΡΠ±ΠΎΡΠΊΠ° Ρ ΡΠ°ΡΠΏΠΈΠ»ΠΈΠ²Π°Π½ΠΈΠ΅ΠΌ, ΡΡΠ΅Π·Π΅ΡΠΎΠ²Π°Π½ΠΈΠ΅ΠΌ ΠΈ ΡΠ»ΠΈΡΠΎΠ²ΠΊΠΎΠΉ. Π§ΡΠΎΠ±Ρ ΡΠ΄Π΅Π»Π°ΡΡ ΡΡΡ ΡΠΊΠ°ΠΌΠ΅ΠΉΠΊΡ, Π²Π°ΠΌ ΠΏΠΎΠ½Π°Π΄ΠΎΠ±ΠΈΡΡΡ 72 ΠΎΡΠ΄Π΅Π»ΡΠ½ΡΡ ΡΠ°Π±Π»ΠΎΠ½Π° ΠΈΠ· ΡΠ°Π½Π΅ΡΡ ΠΏΠ»ΡΡ Π΅ΡΠ΅ 11 Π΄Π΅ΡΠ°Π»Π΅ΠΉ.
ΒΠΡΡΠΎΡΠ½ΠΈΠΊ ΡΠΎΡΠΎ www.instructables.com/id/Convertible-Bench/
Π‘ΠΊΠ°ΠΌΠ΅ΠΉΠΊΠ° ΡΡΠ°Π½ΡΡΠΎΡΠΌΠ΅Ρ ΠΈΠ· ΡΡΡΠ»ΡΠ΅Π²

ΠΡΠΎΠ΅ΠΊΡ Π΄Π»Ρ ΡΠ΅Ρ
, ΠΊΠΎΠΌΡ Π½ΡΠ°Π²ΡΡΡΡ ΠΌΠ½ΠΎΠ³ΠΎΡΡΠ½ΠΊΡΠΈΠΎΠ½Π°Π»ΡΠ½ΡΠ΅ Π²Π΅ΡΠΈ ΠΈ ΠΎΡΠΈΠ³ΠΈΠ½Π°Π»ΡΠ½ΡΠ΅ ΠΈΠ΄Π΅ΠΈ.
ΠΠΎΡΠΌΠΎΡΡΠΈΡΠ΅, ΠΊΠ°ΠΊ ΡΠ΄Π΅Π»Π°ΡΡ ΡΠΊΠ°ΠΌΠ΅ΠΉΠΊΡ ΡΡΠ°Π½ΡΡΠΎΡΠΌΠ΅Ρ, ΠΊΠΎΡΠΎΡΡΡ ΠΌΠΎΠΆΠ½ΠΎ ΠΈΡΠΏΠΎΠ»ΡΠ·ΠΎΠ²Π°ΡΡ Π½Π΅ΡΠΊΠΎΠ»ΡΠΊΠΈΠΌΠΈ ΡΠΏΠΎΡΠΎΠ±Π°ΠΌΠΈ: ΠΊΠ°ΠΊ ΠΎΠ±ΡΡΠ½ΡΡ ΡΠΊΠ°ΠΌΠ΅ΠΉΠΊΡ, Π»Π°Π²ΠΎΡΠΊΡ ΡΠ΅Ρ-Π°-ΡΠ΅Ρ, ΡΠΊΠ°ΠΌΠ΅ΠΉΠΊΡ Ρ Π±ΠΎΠΊΠΎΠ²ΡΠΌ ΡΡΠΎΠ»ΠΈΠΊΠΎΠΌ ΠΈΠ»ΠΈ ΠΏΠΎΠ»Π½ΠΎΡΠ΅Π½Π½ΡΠΉ ΡΡΠΎΠ»ΠΈΠΊ Ρ Π»Π°Π²ΠΊΠΎΠΉ.
ΠΠ°ΡΠ΅ΡΠΈΠ°Π»Ρ:
- Π€Π°Π½Π΅ΡΠ° 2 ΠΌΠΌ
- Π‘ΡΠ°Π»ΡΠ½ΠΎΠΉ ΡΡΠ΅ΡΠΆΠ΅Π½Ρ
- ΠΠ΅ΡΠΌΠ΅ΡΠΈΠΊ
ΠΠ½ΡΡΡΡΠΌΠ΅Π½ΡΡ:
- ΠΠ°ΠΆΠΈΠΌΡ
- Π€ΡΠ΅Π·Π΅Ρ
- ΠΠΎΠ»ΠΎΡΠΎ
- ΠΡΠ΅Π»Ρ Ρ Π±ΠΈΡΠ°ΠΌΠΈ
- ΠΠ»Π΅ΠΉ Π΄Π»Ρ Π΄Π΅ΡΠ΅Π²Π°
- Π¨Π»ΠΈΡΠΎΠ²Π°Π»ΡΠ½Π°Ρ ΠΌΠ°ΡΠΈΠ½ΠΊΠ°
- ΠΡΠ½ΠΎΠ²Π½ΡΠ΅ ΠΏΠ΅ΡΠ»ΠΈ
Π‘Π½Π°ΡΠ°Π»Π° ΠΏΠΎΠ΄Π³ΠΎΡΠΎΠ²ΡΡΠ΅ ΡΡΡΠ», ΡΡΠΎΠ±Ρ ΡΠ·Π½Π°ΡΡ, ΠΊΠ°ΠΊΠΎΠ³ΠΎ ΡΠ°Π·ΠΌΠ΅ΡΠ° Π½ΡΠΆΠ΅Π½ Π»ΠΈΡΡ ΠΈ ΠΎΠΏΡΠ΅Π΄Π΅Π»ΠΈΡΡΡ Ρ Π΄ΡΡΠ³ΠΈΠΌΠΈ ΡΠ°Π·ΠΌΠ΅ΡΠ°ΠΌΠΈ. Π‘ΠΈΠ΄Π΅Π½ΡΠ΅ Π½Π°Ρ
ΠΎΠ΄ΠΈΡΡΡ Π½Π° Π²ΡΡΠΎΡΠ΅ 45 ΡΠΌ Π² Π»ΡΠ±ΠΎΠΉ ΠΎΡΠΈΠ΅Π½ΡΠ°ΡΠΈΠΈ ΠΈ Π² ΡΠΈΡΠΈΠ½Ρ. Π Π°ΠΌΠ° ΠΏΡΠ΅Π΄ΡΡΠ°Π²Π»ΡΠ΅Ρ ΡΠΎΠ±ΠΎΠΉ ΠΏΡΠΎΡΡΡΡ ΡΠ΅ΠΊΡΠ°Π»ΡΠ½ΡΡ ΡΠ°ΠΌΠΊΡ ΠΈΠ· Π±ΡΡΡΠΊΠΎΠ² 2Ρ
2. Π‘ΡΠΎΠ»Π΅ΡΠ½ΠΈΡΠ° ΠΈΠ· ΡΠ°Π½Π΅ΡΡ 50 Ρ
35 ΡΠΌ
- Π‘Π½Π°ΡΠ°Π»Π° ΠΎΠ±ΡΠ΅ΠΆΡΡΠ΅ Π³ΠΈΠ±ΠΊΠΈΠΉ ΡΠ»ΠΎΠΉ Π½Π° Π½Π΅ΡΠΊΠΎΠ»ΡΠΊΠΎ ΡΠ°Π½ΡΠΈΠΌΠ΅ΡΡΠΎΠ² Ρ Π·Π°ΠΏΠ°ΡΠΎΠΌ.Β ΠΠΎΠΏΠΎΠ»Π½ΠΈΡΠ΅Π»ΡΠ½ΡΠ΅ ΡΠ°Π½ΡΠΈΠΌΠ΅ΡΡΡ ΠΏΠΎΠ·Π²ΠΎΠ»ΡΡΡ ΡΠ΄Π΅Π»Π°ΡΡ Π½ΠΎΠ²ΡΠ΅ ΡΠΈΡΡΡΠ΅ ΠΊΡΠ°Ρ.
- ΠΠΎΠ·ΡΠΌΠΈΡΠ΅ ΡΡΠΈ Π»ΠΈΡΡΠ° Π³ΠΈΠ±ΠΊΠΎΠ³ΠΎ ΡΠ»ΠΎΡ ΠΈ ΡΠ°ΡΠΏΡΠ΅Π΄Π΅Π»ΠΈΡΠ΅ Π±ΠΎΠ»ΡΡΠΎΠ΅ ΠΊΠΎΠ»ΠΈΡΠ΅ΡΡΠ²ΠΎ ΠΊΠ»Π΅Ρ ΠΌΠ΅ΠΆΠ΄Ρ ΠΊΠ°ΠΆΠ΄ΡΠΌ ΡΠ»ΠΎΠ΅ΠΌ.
- Π£ΡΡΠ°Π½ΠΎΠ²ΠΈΡΠ΅ Π³ΠΈΠ±ΠΊΠΈΠΉ ΡΠ»ΠΎΠΉ Π² Π·Π°ΠΆΠΈΠΌΠ½ΠΎΠ΅ ΠΏΡΠΈΡΠΏΠΎΡΠΎΠ±Π»Π΅Π½ΠΈΠ΅ ΠΈ ΠΏΠ»ΠΎΡΠ½ΠΎ ΠΏΡΠΈΠΆΠΌΠΈΡΠ΅. ΠΠΎΠ΄ΠΎΠΆΠ΄ΠΈΡΠ΅ Π½Π΅ ΠΌΠ΅Π½Π΅Π΅ 2 ΡΠ°ΡΠΎΠ².
- ΠΡΡΠ΅ΠΆΡΡΠ΅ ΠΊΡΠ°Ρ Π²Π΄ΠΎΠ»Ρ ΡΡΡΠ»Π° Π΄ΠΎ Π½ΡΠΆΠ½ΠΎΠ³ΠΎ ΡΠ°Π·ΠΌΠ΅ΡΠ°.
- Π‘Π΄Π΅Π»Π°ΠΉΡΠ΅ ΡΠ°ΠΌΡ.
- ΠΠΎΡΡΠ°ΡΡΡΠ΅ Π²ΡΠ΅ΠΌΡ, ΡΡΠΎΠ±Ρ ΠΏΠΎΠ΄ΠΎΠ³Π½Π°ΡΡ Π²ΡΠ΅ ΡΠ°ΡΡΠΈ, Π° Π·Π°ΡΠ΅ΠΌ ΠΎΡΡΠ»ΠΈΡΡΠΉΡΠ΅.
- ΠΠ°Π½Π΅ΡΠΈΡΠ΅ ΠΊΠ»Π΅ΠΉ ΠΈ Π·Π°ΠΊΡΠ΅ΠΏΠΈΡΠ΅ ΡΠ°ΠΌΡ Π½Π° ΡΡΡΠ»Π΅.
- Π§ΡΠΎΠ±Ρ ΠΏΡΠΈΠ΄Π°ΡΡ Π΅ΠΌΡ Π±ΠΎΠ»Π΅Π΅ Π·Π°Π²Π΅ΡΡΠ΅Π½Π½ΡΠΉ Π²ΠΈΠ΄, ΠΈΡΠΏΠΎΠ»ΡΠ·ΡΠΉΡΠ΅ ΠΏΠ°Π· ΠΈ ΡΠΏΠΎΠ½ Π½Π° ΠΊΠΎΠ½ΡΠ΅ ΠΏΠ΅ΡΠ΅ΠΊΠ»Π°Π΄ΠΈΠ½. ΠΡΠΎ Π·Π°ΠΉΠΌΠ΅Ρ Π±ΠΎΠ»ΡΡΠ΅ Π²ΡΠ΅ΠΌΠ΅Π½ΠΈ ΠΈ Π½Π΅ ΠΎΠ±ΡΠ·Π°ΡΠ΅Π»ΡΠ½ΠΎ, Π½ΠΎ Π²ΡΠ³Π»ΡΠ΄ΠΈΡ Π°ΠΊΠΊΡΡΠ°ΡΠ½ΠΎ.
- Π‘ΠΊΠ»Π΅ΠΉΡΠ΅ ΡΠ°ΠΌΡ, Π·Π°ΠΆΠΌΠΈΡΠ΅ ΠΈ ΠΎΡΡΠ°Π²ΡΡΠ΅ Π½Π° 2 ΡΠ°ΡΠ°.
- ΠΠ° ΠΎΠ±ΡΠ°ΡΠ½ΠΎΠΉ ΡΡΠΎΡΠΎΠ½Π΅ ΡΠ°ΠΌΠΊΠΈ Ρ ΠΏΠΎΠΌΠΎΡΡΡ ΠΏΠ΅ΡΠ΅Π»Ρ ΠΏΡΠΈΠΊΡΠ΅ΠΏΠΈΡΠ΅ ΡΠ°Π½Π΅ΡΠ½ΡΠΉ ΡΡΠΎΠ»ΠΈΠΊ.
- Π§ΡΠΎΠ±Ρ ΠΏΡΠΈΠΊΡΠ΅ΠΏΠΈΡΡ ΡΠΈΠ΄Π΅Π½ΡΡ, ΠΏΡΠΎΠΏΡΡΡΠΈΡΠ΅ ΡΡΠ°Π½Π³Ρ ΡΠ΅ΡΠ΅Π· ΠΎΠ±Π° ΡΠΈΠ΄Π΅Π½ΡΡ Π² ΠΊΠΎΠ½ΡΡ ΡΠ°ΠΌΡ.
- ΠΡΠΏΠΎΠ»ΡΠ·ΡΠΉΡΠ΅ ΡΠ°ΠΉΠ±Ρ, ΡΡΠΎΠ±Ρ ΠΎΠ±Π΅ΡΠΏΠ΅ΡΠΈΡΡ ΠΏΡΠ°Π²ΠΈΠ»ΡΠ½ΠΎΠ΅ ΡΠ°ΡΡΡΠΎΡΠ½ΠΈΠ΅ ΠΌΠ΅ΠΆΠ΄Ρ ΡΡΡΠ»ΡΡΠΌΠΈ ΠΈ ΡΠ°ΠΌΠΎΠΉ.
- ΠΠΎΠ΄ΡΠΎΠ΅Π΄ΠΈΠ½ΠΈΡΠ΅ ΠΊΠΎΠ½ΡΡ ΡΠ°ΠΌΡ Π΅ΡΠ΅ Π½Π΅ΡΠΊΠΎΠ»ΡΠΊΠΈΠΌΠΈ Π΄ΡΠ±Π΅Π»ΡΠΌΠΈ, ΡΡΠΎΠ±Ρ Π·Π°ΡΠΈΠΊΡΠΈΡΠΎΠ²Π°ΡΡ ΡΡΠ΅ΡΠΆΠ΅Π½Ρ.
- ΠΠΎΠΊΡΠ°ΡΡΡΠ΅ ΡΠΊΠ°ΠΌΠ΅ΠΉΠΊΡ, ΠΊΠ°ΠΊ Π²Ρ ΡΡΠΈΡΠ°Π΅ΡΠ΅ Π½ΡΠΆΠ½ΡΠΌ.
www.novamett.ru
Π‘ΠΊΠ°ΠΌΠ΅ΠΉΠΊΠΈ ΡΠ²ΠΎΠΈΠΌΠΈ ΡΡΠΊΠ°ΠΌΠΈ: 10 ΠΏΡΠ°ΠΊΡΠΈΡΠ½ΡΡ Π²Π°ΡΠΈΠ°Π½ΡΠΎΠ²
Π‘ Π½Π°ΡΡΡΠΏΠ»Π΅Π½ΠΈΠ΅ΠΌ Π»Π΅ΡΠ° ΡΠΈΠ΄Π΅ΡΡ Π² Π΄ΠΎΠΌΠ΅ ΡΡΠ°Π½ΠΎΠ²ΠΈΡΡΡ Π½Π΅Π²ΠΎΠ·ΠΌΠΎΠΆΠ½ΠΎ β Ρ
ΠΎΡΠ΅ΡΡΡ ΠΏΡΠΎΠ²ΠΎΠ΄ΠΈΡΡ ΠΊΠ°ΠΊ ΠΌΠΎΠΆΠ½ΠΎ Π±ΠΎΠ»ΡΡΠ΅ Π²ΡΠ΅ΠΌΠ΅Π½ΠΈ Π½Π° ΡΠ»ΠΈΡΠ΅. Π‘Π΅Π³ΠΎΠ΄Π½Ρ ΠΌΡ ΠΏΠΎΠΊΠ°ΠΆΠ΅ΠΌ Π²Π°ΠΌ ΡΡΠΈΒ ΡΠΏΠΎΡΠΎΠ±Π° ΠΊΠ°ΠΊ ΡΠ΄Π΅Π»Π°ΡΡ ΡΠΊΠ°ΠΌΠ΅ΠΉΠΊΠΈΒ ΡΠ²ΠΎΠΈΠΌΠΈ ΡΡΠΊΠ°ΠΌΠΈ.

ΠΠ»Ρ ΠΊΠ°ΠΆΠ΄ΠΎΠ³ΠΎ Π²Π°ΡΠΈΠ°Π½ΡΠ° ΡΠΊΠ°ΠΌΠ΅ΠΉΠΊΠΈ Π½ΡΠΆΠ½Ρ ΡΠ²ΠΎΠΈ Π½Π°Π²ΡΠΊΠΈ, Π½ΠΎ ΠΏΠ΅ΡΠ²ΡΡ ΡΠΊΠ°ΠΌΠ΅ΠΉΠΊΡ Π»Π΅Π³ΠΊΠΎ ΡΠΌΠΎΠΆΠ΅Ρ ΡΠ΄Π΅Π»Π°ΡΡ Π΄Π°ΠΆΠ΅ ΡΠΎΡ, Ρ ΠΊΠΎΠ³ΠΎ Π½Π΅Ρ ΠΎΡΠΎΠ±ΡΡ Π½Π°Π²ΡΠΊΠΎΠ² ΡΠ°Π±ΠΎΡΡ Ρ ΠΈΠ½ΡΡΡΡΠΌΠ΅Π½ΡΠΎΠΌ.
Π‘ΠΊΠ°ΠΌΠ΅ΠΉΠΊΠΈ ΡΠ²ΠΎΠΈΠΌΠΈ ΡΡΠΊΠ°ΠΌΠΈ Π·Π° ΠΏΠΎΠ»ΡΠ°ΡΠ°
ΠΠΎΡ ΠΏΡΠΈΠΌΠ΅Ρ ΡΠ°ΠΌΠΎΠΉ ΠΏΡΠΎΡΡΠΎΠΉ ΡΠΊΠ°ΠΌΠ΅ΠΉΠΊΠΈ, ΠΊΠ°ΠΊΡΡ ΡΠΎΠ»ΡΠΊΠΎ ΠΌΠΎΠΆΠ½ΠΎ ΠΏΡΠΈΠ΄ΡΠΌΠ°ΡΡ. ΠΡΠΈ Π½Π°Π»ΠΈΡΠΈΠΈ Π²ΡΠ΅Ρ
ΠΌΠ°ΡΠ΅ΡΠΈΠ°Π»ΠΎΠ², ΡΠΎΠ±ΠΈΡΠ°Π΅ΡΡΡ ΡΠ°ΠΊΠ°Ρ ΡΠΊΠ°ΠΌΠ΅ΠΉΠΊΠ° Π·Π° ΡΡΠΈΡΠ°Π½Π½ΡΠ΅ ΠΌΠΈΠ½ΡΡΡ!
ΠΡΠ΅, ΡΡΠΎ Π²Π°ΠΌ ΠΏΠΎΠ½Π°Π΄ΠΎΠ±ΠΈΡΡΡ, β ΡΡΠΎ Π²ΠΎΡΠ΅ΠΌΡ ΡΠ»Π°ΠΊΠΎΠ±Π»ΠΎΠΊΠΎΠ² ΡΠΎ ΡΠΊΠ²ΠΎΠ·Π½ΡΠΌΠΈ ΠΎΡΠ²Π΅ΡΡΡΠΈΡΠΌΠΈ, ΡΠ΅ΡΡΡΠ΅ Π΄Π΅ΡΠ΅Π²ΡΠ½Π½ΡΡ Π±ΡΡΡΠΊΠ° ΠΈ ΡΡΡΠΎΠΈΡΠ΅Π»ΡΠ½ΡΠΉ ΠΊΠ»Π΅ΠΉ. ΠΡΡΡΡΡ Π»ΡΡΡΠ΅ ΠΏΠΎΠ΄ΠΎΠ±ΡΠ°ΡΡ ΠΏΠΎ ΡΠΈΡΠΈΠ½Π΅ ΠΎΡΠ²Π΅ΡΡΡΠΈΠΉ Π² Π±Π»ΠΎΠΊΠ°Ρ , Π½ΠΎ Π΅ΡΠ»ΠΈ ΠΎΠ½ΠΈ Π±ΡΠ΄ΡΡ Π½Π΅ΠΌΠ½ΠΎΠ³ΠΎ ΡΠΆΠ΅, ΡΠΎ ΡΡΠΎ Π½Π΅ ΡΡΡΠ°ΡΠ½ΠΎ.

ΠΠ΅ Π·Π°Π±ΡΠ΄ΡΡΠ΅ ΠΎΠ±ΡΠ°Π±ΠΎΡΠ°ΡΡ Π΄Π΅ΡΠ΅Π²ΡΠ½Π½ΡΠ΅ ΠΏΠΎΠ²Π΅ΡΡ Π½ΠΎΡΡΠΈ Π½Π°ΠΆΠ΄Π°ΡΠΊΠΎΠΉ, ΡΡΠΎΠ±Ρ ΠΈΠ·Π±Π΅ΠΆΠ°ΡΡ Π·Π°Π½ΠΎΠ·.

ΠΠ»ΠΎΠΊΠΈ ΠΈ Π±ΡΡΡΡΡ ΠΏΠΎ ΠΆΠ΅Π»Π°Π½ΠΈΡ ΠΌΠΎΠΆΠ½ΠΎ ΠΏΠΎΠΊΡΠ°ΡΠΈΡΡ, ΡΡΠΎΠ±Ρ ΠΏΡΠΈΠ΄Π°ΡΡ ΡΠΊΠ°ΠΌΠ΅ΠΉΠΊΠ΅ Π±ΠΎΠ»Π΅Π΅ ΠΏΡΠΈΡΡΠ½ΡΠΉ Π²ΠΈΠ΄.

ΠΡΡΠ°Π»ΠΎΡΡ ΡΡΡΠ°Π½ΠΎΠ²ΠΈΡΡ Π±Π»ΠΎΠΊΠΈ Π²Π΅ΡΡΠΈΠΊΠ°Π»ΡΠ½ΠΎ, ΠΏΡΠ΅Π΄Π²Π°ΡΠΈΡΠ΅Π»ΡΠ½ΠΎ ΡΠΌΠ°Π·Π°Π² ΡΠΎΠΏΡΠΈΠΊΠ°ΡΠ°ΡΡΠΈΠ΅ΡΡ Π±ΠΎΠΊΠΎΠ²ΡΠ΅ ΠΏΠΎΠ²Π΅ΡΡ Π½ΠΎΡΡΠΈ ΠΊΠ»Π΅Π΅ΠΌ, ΠΈ Π²ΡΡΠ°Π²ΠΈΡΡ Π±ΡΡΡΡΡ Π² ΠΎΡΠ²Π΅ΡΡΡΠΈΡ. ΠΠ°ΠΊ ΡΠΎΠ»ΡΠΊΠΎ ΠΊΠ»Π΅ΠΉ Π²ΡΡΠΎΡ Π½Π΅Ρ, ΡΠΊΠ°ΠΌΠ΅ΠΉΠΊΠ° Π³ΠΎΡΠΎΠ²Π°! ΠΠΎ ΠΆΠ΅Π»Π°Π½ΠΈΡ Π²Ρ ΠΌΠΎΠΆΠ΅ΡΠ΅ ΡΠΊΠΎΠΌΠΏΠ»Π΅ΠΊΡΠΎΠ²Π°ΡΡ Π΅Π΅ ΠΏΠΎΠ΄ΡΡΠΊΠ°ΠΌΠΈ: ΡΠ°ΠΊ Π±ΡΠ΄Π΅Ρ ΠΊΡΠ°ΡΠΈΠ²Π΅Π΅ ΠΈ ΡΠ΄ΠΎΠ±Π½Π΅Π΅.

ΠΠ°ΠΊ ΡΠ°ΠΌΠΎΠΌΡ ΡΠ΄Π΅Π»Π°ΡΡ Π΄Π΅ΡΠ΅Π²ΡΠ½Π½ΡΡ ΡΠΊΠ°ΠΌΠ΅ΠΉΠΊΡ Ρ ΠΌΠ΅ΡΠ°Π»Π»ΠΈΡΠ΅ΡΠΊΠΈΠΌ ΠΊΠ°ΡΠΊΠ°ΡΠΎΠΌ
ΠΡΠ»ΠΈ Π²Ρ ΠΎΠ±Π»Π°Π΄Π°Π΅ΡΠ΅ Ρ ΠΎΡΡ Π±Ρ ΠΌΠΈΠ½ΠΈΠΌΠ°Π»ΡΠ½ΡΠΌΠΈ Π½Π°Π²ΡΠΊΠ°ΠΌΠΈ Π² ΡΠ²Π°ΡΠΊΠ΅, ΡΠΎ Π²ΠΎΡ ΠΏΡΠΎΠ΅ΠΊΡ, ΠΊΠΎΡΠΎΡΡΠΉ Π²Π°ΠΌ ΠΏΠΎΠ΄ΠΎΠΉΠ΄Π΅Ρ. Π‘ΠΊΠ°ΠΌΠ΅ΠΉΠΊΠ° ΡΡΠΎΠΈΡ Π½Π° Π΄Π²ΡΡ ΠΌΠ΅ΡΠ°Π»Π»ΠΈΡΠ΅ΡΠΊΠΈΡ ΠΎΠΏΠΎΡΠ°Ρ ΠΈ ΠΏΠΎΠ»ΡΡΠ°Π΅ΡΡΡ ΠΏΡΠΎΡΡΠ°Ρ, Π½ΠΎ Π½Π°Π΄Π΅ΠΆΠ½Π°Ρ.Β ΠΠ°ΠΌ ΠΏΠΎΡΡΠ΅Π±ΡΠ΅ΡΡΡ ΠΏΡΠΎΡΠΈΠ»ΡΠ½Π°Ρ ΡΡΡΠ±Π° ΠΈΠ»ΠΈ ΡΠΎΠ»ΡΡΠ°Ρ ΠΏΠ»Π°ΡΡΠΈΠ½Π° Π΄Π»Ρ ΠΎΠΏΠΎΡ ΠΈ, ΠΊΠΎΠ½Π΅ΡΠ½ΠΎ ΠΆΠ΅, ΡΠΈΡΠΎΠΊΠ°Ρ Π΄ΠΎΡΠΊΠ° Π΄Π»Ρ ΡΠΈΠ΄Π΅Π½ΠΈΡ.

ΠΡΠ»ΠΈ ΠΆΠ΅ Π²Ρ Π΄Π°Π»Π΅ΠΊΠΈ ΠΎΡ ΡΠ²Π°ΡΠΎΡΠ½ΡΡ ΡΠ°Π±ΠΎΡ, ΡΠΎΒ ΠΌΠΎΠΆΠ½ΠΎ ΡΠΎΠ±ΡΠ°ΡΡ ΠΌΠ΅ΡΠ°Π»Π»ΠΈΡΠ΅ΡΠΊΠΈΠΉ ΠΊΠ°ΡΠΊΠ°Ρ Π½Π° ΡΠ³ΠΎΠ»ΠΊΠ°Ρ ΠΈ ΡΠΊΡΠ΅ΠΏΠΈΡΡ ΡΠ°ΠΌΠΎΡΠ΅Π·Π°ΠΌΠΈ ΠΏΠΎ ΠΌΠ΅ΡΠ°Π»Π»Ρ.

ΠΠΎΡΠ»Π΅ ΡΠΎΠ³ΠΎ, ΠΊΠ°ΠΊ ΡΠΊΠ°ΠΌΠ΅ΠΉΠΊΠ° ΡΠΎΠ±ΡΠ°Π½Π°, ΠΌΠ΅ΡΠ°Π»Π»ΠΈΡΠ΅ΡΠΊΠΈΠ΅ Π½ΠΎΠΆΠΊΠΈ Π½Π°Π΄ΠΎ ΠΎΠ±ΡΠ°Π±ΠΎΡΠ°ΡΡ Π³ΡΡΠ½ΡΠΎΠ²ΠΊΠΎΠΉ ΠΏΠΎ ΠΌΠ΅ΡΠ°Π»Π»Ρ, ΠΊΠΎΡΠΎΡΠ°Ρ ΠΏΡΠ΅Π΄ΠΎΡ ΡΠ°Π½ΠΈΡ ΠΈΡ ΠΎΡ ΠΊΠΎΡΡΠΎΠ·ΠΈΠΈ ΠΈ Π·Π°ΡΠ΅ΠΌ ΠΏΠΎΠΊΡΠ°ΡΠΈΡΡ Π½ΠΎΠΆΠΊΠΈΒ ΠΊΡΠ°ΡΠΊΠΎΠΉ Π΄Π»Ρ ΠΌΠ΅ΡΠ°Π»Π»Π° Π΄Π»Ρ Π½Π°ΡΡΠΆΠ½ΡΡ ΡΠ°Π±ΠΎΡ.

ΠΠ΅ΡΠ΅Π²ΡΠ½Π½ΠΎΠ΅ ΡΠΈΠ΄Π΅Π½ΡΠ΅ ΡΠΊΠ°ΠΌΠ΅ΠΉΠΊΠΈ Π½Π°Π΄ΠΎΒ ΠΏΠΎΠΊΡΠ°ΡΠΈΡΡ Π»Π°ΠΊΠΎΠΌ ΠΈΠ»ΠΈ ΠΊΡΠ°ΡΠΊΠΎΠΉ Π΄Π»Ρ Π½Π°ΡΡΠΆΠ½ΡΡ ΡΠ°Π±ΠΎΡ. Π’Π°ΠΊΠΎΠΉ Π½Π΅Ρ ΠΈΡΡΡΠΉ Π²Π°ΡΠΈΠ°Π½Ρ ΡΠΊΠ°ΠΌΠ΅ΠΉΠΊΠΈ ΡΠ²ΠΎΠΈΠΌΠΈ ΡΡΠΊΠ°ΠΌΠΈ ΠΏΡΠΎΡΠ»ΡΠΆΠΈΡ Π²Π°ΠΌ ΠΌΠ½ΠΎΠ³ΠΎ Π»Π΅Ρ.

ΠΡ ΠΌΠΎΠΆΠ΅ΡΠ΅ ΠΏΠΎΡΠΊΡΠΏΠ΅ΡΠΈΠΌΠ΅Π½ΡΠΈΡΠΎΠ²Π°ΡΡ ΠΈ ΡΠΎΠ·Π΄Π°ΡΡ ΡΠ²ΠΎΠΉ ΡΠΎΠ±ΡΡΠ²Π΅Π½Π½ΡΠΉ Π΄ΠΈΠ·Π°ΠΉΠ½ ΡΠΊΠ°ΠΌΠ΅ΠΉΠΊΠΈ. ΠΠ°ΠΏΡΠΈΠΌΠ΅Ρ, ΡΠ°ΠΊΠ°Ρ Π»Π°ΠΊΠΎΠ½ΠΈΡΠ½Π°ΡΒ Π΄ΠΈΠ·Π°ΠΉΠ½Π΅ΡΡΠΊΠ°ΡΒ ΡΠΊΠ°ΠΌΠ΅ΠΉΠΊΠ° Π²ΠΏΠΎΠ»Π½Π΅ Π²Π°ΠΌ ΠΏΠΎΠ΄ ΡΠΈΠ»Ρ Ρ.ΠΊ. Π΄Π΅Π»Π°Π΅ΡΡΡ ΠΎΠ½Π° ΡΠΎΡΠ½ΠΎ ΠΏΠΎ ΡΠΎΠΌΡ ΠΆΠ΅ ΠΏΡΠΈΠ½ΡΠΈΠΏΡ.

ΠΠ°ΠΊ ΡΠ°ΠΌΠΎΠΌΡ ΡΠ΄Π΅Π»Π°ΡΡΒ ΡΠΊΠ°ΠΌΠ΅ΠΉΠΊΡ ΡΠΎ ΡΠΏΠΈΠ½ΠΊΠΎΠΉ
Π ΡΠΊΠ°ΠΌΠ΅ΠΉΠΊΠ΅, ΡΡΠΎΡΡΠ΅ΠΉ Π½Π° ΠΌΠ΅ΡΠ°Π»Π»ΠΈΡΠ΅ΡΠΊΠΈΡ ΠΎΠΏΠΎΡΠ°Ρ , Π½Π΅ΡΡΡΠ΄Π½ΠΎ ΠΏΡΠΈΠ΄Π΅Π»Π°ΡΡ ΡΠΏΠΈΠ½ΠΊΡ.

ΠΠ»Ρ ΡΡΠΎΠ³ΠΎ Π½ΡΠΆΠ½ΠΎ Π²Π·ΡΡΡ ΠΌΠ΅ΡΠ°Π»Π»ΠΈΡΠ΅ΡΠΊΠΈΠ΅ ΠΏΠ»Π°ΡΡΠΈΠ½Ρ ΠΈ ΡΠΎΠ³Π½ΡΡΡ ΠΈΡ ΠΏΠΎΠ΄ Π½ΡΠΆΠ½ΡΠΌ ΡΠ³Π»ΠΎΠΌ. Π‘Π΄Π΅Π»Π°ΡΡ ΡΡΠΎ Π½Π΅ΡΠ»ΠΎΠΆΠ½ΠΎ Π΄Π°ΠΆΠ΅ ΡΡΠΊΠ°ΠΌΠΈ ΠΈΠ»ΠΈ ΠΌΠΎΠΆΠ½ΠΎΒ Π·Π°ΡΠΈΠΊΡΠΈΡΠΎΠ²Π°ΡΡΒ ΠΊΡΠ°ΠΉ ΠΏΠ»Π°ΡΡΠΈΠ½Ρ ΠΈ ΡΠΎΠ³Π½ΡΡΡ Π΅Π΅ Ρ ΠΏΠΎΠΌΠΎΡΡΡ ΠΌΠΎΠ»ΠΎΡΠΊΠ°. ΠΠ»Π°ΡΡΠΈΠ½ΡΒ Π±ΡΠ΄ΡΡ Π²ΡΠΏΠΎΠ»Π½ΡΡΡ ΡΠΎΠ»Ρ ΠΎΠΏΠΎΡΡ Π΄Π»Ρ ΡΠΏΠΈΠ½ΠΊΠΈ. ΠΠ΄Π½ΠΈΠΌ ΠΊΠΎΠ½ΡΠΎΠΌ Π·Π°ΠΊΡΠ΅ΠΏΠ»ΡΠ΅ΠΌ ΠΏΠ»Π°ΡΡΠΈΠ½Ρ ΡΠ½ΠΈΠ·Ρ ΠΏΠΎΠ΄ ΡΠΈΠ΄Π΅Π½ΠΈΠ΅ΠΌ, Π° ΠΊ Π΄ΡΡΠ³ΠΎΠΌΡ ΠΊΠΎΠ½ΡΡ ΠΏΡΠΈΠΊΡΡΡΠΈΠ²Π°Π΅ΠΌ ΡΠΏΠΈΠ½ΠΊΡ.

ΠΠΎΠ»ΡΡ Π½Π° ΡΠΏΠΈΠ½ΠΊΠ΅ (Π΄Π° ΠΈ Π½Π° ΡΠΈΠ΄Π΅Π½ΡΠ΅ ΡΠΎΠΆΠ΅) Π»ΡΡΡΠ΅ ΡΡΠΎΠΏΠΈΡΡ Π² Π΄Π΅ΡΠ΅Π²ΠΎ, ΡΡΠΎΠ±Ρ ΠΎΠ½ΠΈ Π½Π΅ ΡΠΎΠ·Π΄Π°Π²Π°Π»ΠΈ Π΄ΠΈΡΠΊΠΎΠΌΡΠΎΡΡΠ°.

ΠΡΠ»ΠΈ Π½Π΅ ΠΎΡ ΠΎΡΠ° ΡΠ°ΠΊ Π²ΠΎΠ·ΠΈΡΡΡΡ, ΡΠΎ ΠΌΠΎΠΆΠ½ΠΎ ΠΈΡΠΏΠΎΠ»ΡΠ·ΠΎΠ²Π°ΡΡ Π±ΠΎΠ»ΡΡ Ρ ΠΊΡΡΠ³Π»ΠΎΠΉ ΡΠ»ΡΠΏΠΊΠΎΠΉ.

ΠΠΎΠ»Π΅Π΅ ΠΏΡΠΎΠ΄Π²ΠΈΠ½ΡΡΠΎΠ΅ ΡΠ΅ΡΠ΅Π½ΠΈΠ΅ ΡΠΏΠΈΠ½ΠΊΠΈ β ΠΏΡΠΈΠΊΡΠ΅ΠΏΠΈΡΡ Π΅Π΅ ΠΊ ΠΊΠ°ΡΠΊΠ°ΡΡ, Π° Π½Π΅ ΠΊ ΡΠΈΠ΄Π΅Π½ΡΡ. Π’Π°ΠΊΠ°Ρ ΠΊΠΎΠ½ΡΡΡΡΠΊΡΠΈΡ, Π±Π΅Π·ΡΡΠ»ΠΎΠ²Π½ΠΎ, Π½Π°Π΄Π΅ΠΆΠ½Π΅Π΅.

ΠΠ»Ρ ΡΡΠΎΠ³ΠΎ Π²Π°ΠΌ ΠΏΡΠΈΠ΄Π΅ΡΡΡ ΠΏΡΠΈΠ²Π°ΡΠΈΠ²Π°ΡΡ Π½Π΅ΠΊΠΎΡΠΎΡΡΠ΅ Π΄Π΅ΡΠ°Π»ΠΈ ΠΏΠΎΠ΄ ΡΠ³Π»ΠΎΠΌ, Π²Π΅Π΄Ρ Π½Π° ΡΠΊΠ°ΠΌΠ΅ΠΉΠΊΠ΅ Ρ Π½Π°ΠΊΠ»ΠΎΠ½Π½ΠΎΠΉ ΡΠΏΠΈΠ½ΠΊΠΎΠΉ ΡΠΈΠ΄Π΅ΡΡ ΡΠ΄ΠΎΠ±Π½Π΅Π΅. Π ΡΡΠΎ ΡΡΠ΅Π±ΡΠ΅Ρ Π±ΠΎΠ»ΡΡΠΎΠΉ Π°ΠΊΠΊΡΡΠ°ΡΠ½ΠΎΡΡΠΈ.

Π‘ΡΡΠ΅ΡΡΠ²ΡΡΡ ΡΠΏΠ΅ΡΠΈΠ°Π»ΡΠ½ΡΠ΅ ΠΏΡΠΈΡΠΏΠΎΡΠΎΠ±Π»Π΅Π½ΠΈΡ, ΠΏΠΎΠ·Π²ΠΎΠ»ΡΡΡΠΈΠ΅ Π·Π°ΡΠΈΠΊΡΠΈΡΠΎΠ²Π°ΡΡ ΡΠ²Π°ΡΠΈΠ²Π°Π΅ΠΌΡΠ΅ Π΄Π΅ΡΠ°Π»ΠΈ ΠΏΠΎΠ΄ ΠΏΡΠ°Π²ΠΈΠ»ΡΠ½ΡΠΌ ΡΠ³Π»ΠΎΠΌ, β ΠΎΠ½ΠΈ Π½Π°Π·ΡΠ²Π°ΡΡΡΡ ΠΌΠ°Π³Π½ΠΈΡΠ½ΡΠΌΠΈ Π΄Π΅ΡΠΆΠ°ΡΠ΅Π»ΡΠΌΠΈ ΠΈΠ»ΠΈ ΠΏΠΎΠ·ΠΈΡΠΈΠΎΠ½Π΅ΡΠ°ΠΌΠΈ.

ΠΠΎ Π΅ΡΡΡ ΠΈ Β«Π½Π°ΡΠΎΠ΄Π½ΡΠΉΒ» ΠΌΠ΅ΡΠΎΠ΄. ΠΠ·Π³ΠΎΡΠΎΠ²ΡΡΠ΅ Π΄Π΅ΡΠ΅Π²ΡΠ½Π½ΡΡ Π±ΠΎΠ»Π²Π°Π½ΠΊΡ ΠΈ ΠΏΡΠΈΠΊΡΠ΅ΠΏΠΈΡΠ΅ Π΄Π΅ΡΠ°Π»ΠΈ ΠΊ Π½Π΅ΠΉ Π½Π° Π²ΡΠ΅ΠΌΡ ΡΠ²Π°ΡΠΊΠΈ. Π’Π°ΠΊ Π²Ρ ΡΠΌΠΎΠΆΠ΅ΡΠ΅ ΡΠ²Π°ΡΠΈΡΡ Π½Π΅ΠΎΠ±Ρ ΠΎΠ΄ΠΈΠΌΠΎΠ΅ ΠΊΠΎΠ»ΠΈΡΠ΅ΡΡΠ²ΠΎ ΠΎΠΏΠΎΡ, ΡΠΎΡΠ½ΠΎ Π²ΡΠ΄Π΅ΡΠΆΠΈΠ²Π°Ρ ΠΎΠ΄ΠΈΠ½ ΠΈ ΡΠΎΡ ΠΆΠ΅ ΡΠ³ΠΎΠ».

ΠΡΡΠ°Π»ΠΎΡΡ ΠΏΡΠΈΠΊΡΠ΅ΠΏΠΈΡΡ ΡΠΏΠΈΠ½ΠΊΡ ΠΊ ΠΊΠ°ΡΠΊΠ°ΡΡ, ΠΈ ΡΠΊΠ°ΠΌΠ΅ΠΉΠΊΠ° Π³ΠΎΡΠΎΠ²Π°!

Π‘ΠΊΠ°ΠΌΠ΅ΠΉΠΊΠΈ ΡΠ²ΠΎΠΈΠΌΠΈ ΡΡΠΊΠ°ΠΌΠΈ ΠΈΠ· ΡΡΠ°ΡΠΎΠΉ ΠΌΠ΅Π±Π΅Π»ΠΈ
Π‘ΡΠ°ΡΠ°Ρ Π½Π΅Π½ΡΠΆΠ½Π°Ρ ΠΌΠ΅Π±Π΅Π»Ρ Π΅ΡΠ΅ ΠΌΠΎΠΆΠ΅Ρ ΠΏΠΎΡΠ»ΡΠΆΠΈΡΡ Π½Π°ΠΌ Π½Π° Π΄Π°ΡΠ΅. ΠΡΠ°ΠΊΡΠΈΡΠ΅ΡΠΊΠΈ ΠΈΠ· Π»ΡΠ±ΠΎΠΉ Π΄Π΅ΡΠ΅Π²ΡΠ½Π½ΠΎΠΉ ΠΌΠ΅Π±Π΅Π»ΠΈ ΠΌΠΎΠΆΠ½ΠΎ ΡΠ°ΠΌΠΎΠΌΡ ΡΠ΄Π΅Π»Π°ΡΡ ΡΠΊΠ°ΠΌΠ΅ΠΉΠΊΠΈ.

ΠΠ΅Π½ΡΠΆΠ½ΡΡ Π΄Π΅ΡΡΠΊΡΡ ΠΊΡΠΎΠ²Π°ΡΠΊΡΒ Π½Π΅ Π²ΡΠΊΠΈΠ΄ΡΠ²Π°Π΅ΠΌ, Π° Π΄Π΅Π»Π°Π΅ΠΌ ΠΈΠ· Π½Π΅Π΅ ΡΠΊΠ°ΠΌΠ΅ΠΉΠΊΡ ΡΠ²ΠΎΠΈΠΌΠΈ ΡΡΠΊΠ°ΠΌΠΈ.Β ΠΠ΄Π½Π° ΠΈΠ· ΡΠΏΠΈΠ½ΠΎΠΊ ΠΊΡΠΎΠ²Π°ΡΠΈ β Π±ΡΠ΄Π΅Ρ ΡΠΏΠΈΠ½ΠΊΠΎΠΉ ΡΠΊΠ°ΠΌΠ΅ΠΉΠΊΠΈ. ΠΡΠΎΡΠ°Ρ ΡΠΏΠΈΠ½ΠΊΠ° Π΄Π΅Π»ΠΈΡΡΡ Π½Π° Π΄Π²Π΅ ΡΠ°ΡΡΠΈ:Β Π½ΠΈΠΆΠ½ΡΡ ΡΠ°ΡΡΡ β ΡΡΠΎ Π½ΠΈΠΆΠ½ΡΡ ΠΏΠ΅ΡΠ΅Π΄Π½ΡΡ ΡΠ°ΡΡΡ ΡΠΊΠ°ΠΌΠ΅ΠΉΠΊΠΈ; Π²Π΅ΡΡ Π½ΡΡ ΡΠ°ΡΡΡ β Π΄Π΅Π»ΠΈΡΡΡ Π½Π° Π΄Π²Π΅ ΡΠ°ΡΡΠΈ ΠΈ ΡΠ»ΡΠΆΠΈΡ ΠΏΠΎΡΡΡΠ½ΡΠΌΠΈ ΡΠΊΠ°ΠΌΡΠΈ. Π ΡΠΊΠ°ΠΌΠ΅ΠΉΠΊΠ΅ ΠΏΡΠ΅Π΄ΡΡΠΌΠΎΡΡΠ΅Π½ ΡΠ΄ΠΎΠ±Π½ΡΠΉ ΡΡΠΈΠΊ Π΄Π»Ρ Ρ ΡΠ°Π½Π΅Π½ΠΈΡ ΠΏΠΎΠ΄ΡΡΠ΅ΠΊ.

ΠΠ΅ΡΠ΅Π²ΡΠ½Π½Π°Ρ ΡΠΊΠ°ΠΌΠ΅ΠΉΠΊΠ° ΠΏΠ΅ΡΠ΅Π΄Π΅Π»Π°Π½Π° ΠΈΠ· ΠΊΡΠΎΠ²Π°ΡΠΈ ΠΎΠ±ΡΡΠ½ΠΎΠ³ΠΎ ΡΠ°Π·ΠΌΠ΅ΡΠ°. ΠΡΠ΅Π΄ΡΡΠΌΠΎΡΡΠΈΡΠ΅ Π² ΡΠΈΠ΄Π΅Π½ΡΠ΅ Π½Π΅Π±ΠΎΠ»ΡΡΠΎΠΉ ΡΡΠΈΠΊ Π΄Π»Ρ Ρ ΡΠ°Π½Π΅Π½ΠΈΡ ΠΏΠΎΠ΄ΡΡΠ΅ΠΊ, ΡΠΎΠ³Π΄Π° Π²Π°ΠΌ Π½Π΅ Π½Π°Π΄ΠΎ Π±ΡΠ΄Π΅Ρ Π²ΡΠ΅ Π²ΡΠ΅ΠΌΡ Π½ΠΎΡΠΈΡΡ ΠΏΠΎΠ΄ΡΡΠΊΠΈ ΠΈΠ· Π΄ΠΎΠΌΠ°, ΠΈ ΠΏΡΠΈΠ΄ΡΠΌΡΠ²Π°ΡΡ ΠΌΠ΅ΡΡΠ° Π΄Π»Ρ Ρ ΡΠ°Π½Π΅Π½ΠΈΡ ΡΡΠΈΡ ΠΏΠΎΠ΄ΡΡΠ΅ΠΊ.

ΠΠ°ΠΊΠΎΠ½ΡΠΈΠ»ΠΈΡΡ ΠΊΡΠΎΠ²Π°ΡΠΈ? ΠΠΎΠΆΠ½ΠΎ ΡΠ΄Π΅Π»Π°ΡΡ ΡΠΊΠ°ΠΌΠ΅ΠΉΠΊΡ ΡΠ²ΠΎΠΈΠΌΠΈ ΡΡΠΊΠ°ΠΌΠΈ ΠΈΠ· ΡΡΠ°ΡΠΎΠΉ ΠΏΠΎΠ»ΠΊΠΈ β ΠΏΠΎΠΊΡΠ°ΡΠΈΠ»ΠΈ ΠΈ ΡΠ΄Π΅Π»Π°Π»ΠΈ ΠΏΠΎΠ΄ΡΡΠΊΡ, Π²ΠΎΡ ΠΈ Π²ΡΡ ΡΠ°Π±ΠΎΡΠ°. ΠΠΎ ΡΡΠ° ΠΏΡΠΎΡΡΠ°Ρ Π»Π°Π²ΠΎΡΠΊΠ° ΠΌΠΎΠΆΠ΅Ρ ΠΏΡΠ΅Π²ΡΠ°ΡΠΈΡΡΡΡ ΠΏΠΎΡΡΠΈ Π² ΡΡΠΎΠ½, Π΅ΡΠ»ΠΈ Ρ Π²Π°Ρ Π΅ΡΡΡ Π² Π·Π°ΠΏΠ°ΡΠ°Ρ ΡΡΠ°ΡΠ°Ρ Π½Π΅Π½ΡΠΆΠ½Π°Ρ Π΄Π²Π΅ΡΡ. ΠΠ· Π½Π΅Π΅ ΠΌΠΎΠΆΠ½ΠΎ ΡΠ΄Π΅Π»Π°ΡΡ ΠΊΡΠ°ΡΠΈΠ²ΡΡ Π²ΡΡΠΎΠΊΡΡ ΡΠΏΠΈΠ½ΠΊΡ Π΄Π»Ρ ΡΠΊΠ°ΠΌΠ΅ΠΉΠΊΠΈ. ΠΡΡΠ°ΡΠΈ, Π΄Π»Ρ ΡΡΠΈΡ ΠΆΠ΅ ΡΠ΅Π»Π΅ΠΉ ΠΌΠΎΠΆΠ½ΠΎ ΠΏΡΠΈΡΠΏΠΎΡΠΎΠ±ΠΈΡΡ ΠΈ ΡΡΠ°ΡΡΠ΅ Π΄Π΅ΡΠ΅Π²ΡΠ½Π½ΡΠ΅ ΠΎΠΊΠ½Π°, ΡΠΎΠ»ΡΠΊΠΎΒ ΡΠ°ΠΌΡ Π½Π°Π΄ΠΎ Π±ΡΠ΄Π΅Ρ ΠΎΠ±ΡΠΈΡΡ ΡΠ°Π½Π΅ΡΠΎΠΉ.

ΠΠΎΠ²Π΅Π·Π»ΠΎ Π²Π»Π°Π΄Π΅Π»ΡΡΠ°ΠΌ Π½Π΅Π½ΡΠΆΠ½ΡΡ ΠΊΠΎΠΌΠΎΠ΄ΠΎΠ² β Β ΡΠ°ΠΊΠ°Ρ ΡΠΊΠ°ΠΌΠ΅ΠΉΠΊΠ° Π΄Π΅Π»Π°Π΅ΡΡΡ ΠΎΡΠ΅Π½Ρ ΠΏΡΠΎΡΡΠΎ: Π²ΡΡΠ°ΡΠΈΠ» Π²Π΅ΡΡ Π½ΠΈΠ΅ ΡΡΠΈΠΊΠΈ ΠΈ ΡΠ΄Π΅Π»Π°Π» ΠΈΠ· ΡΠ°Π½Π΅ΡΡ ΡΠΈΠ΄Π΅Π½ΡΠ΅ Π½Π°Π΄ Π½ΠΈΠΆΠ½ΠΈΠΌ ΡΡΠΈΠΊΠΎΠΌ.

ΠΠ°Π±ΡΡΠΊΠΈΠ½Ρ ΡΠ°Π±ΡΡΠ΅ΡΡ β ΠΎΡΠ½ΠΎΠ²Π° ΡΡΠΈΠ»ΡΠ½ΠΎΠΉ ΡΠΊΠ°ΠΌΠ΅ΠΉΠΊΠΈ Π²ΠΎΠΊΡΡΠ³ ΡΠ΅Π½ΠΈΡΡΠΎΠ³ΠΎ Π΄Π΅ΡΠ΅Π²Π°.

Π―ΡΠΈΠΊΠΈ, Π΄Π΅ΡΠ΅Π²ΡΠ½Π½ΡΠ΅ ΠΏΠΎΠ΄Π΄ΠΎΠ½Ρ β ΡΠΎΠΆΠ΅ Π½Π°Π΄Π΅ΠΆΠ½ΡΠΉ ΠΈΡΡΠΎΡΠ½ΠΈΠΊ ΠΌΠ°ΡΠ΅ΡΠΈΠ°Π»ΠΎΠ²Β Π΄Π»Ρ ΡΠΊΠ°ΠΌΠ΅ΠΉΠΊΠΈ.

ΠΠ°ΠΆΠ΅ Π΅ΡΠ»ΠΈ Ρ Π²Π°Ρ Π½Π΅Ρ Π½ΠΈ Π΅Π΄ΠΈΠ½ΠΎΠΉ Π΄ΠΎΡΠΊΠΈ β Π²ΡΠ΅ ΡΠ°Π²Π½ΠΎ Π²Ρ ΡΠΌΠΎΠΆΠ΅ΡΠ΅ ΡΠ΄Π΅Π»Π°ΡΡ ΡΠΊΠ°ΠΌΠ΅ΠΉΠΊΡ Π΄Π»Ρ Π»ΡΠ±ΠΈΠΌΠΎΠΉ Π΄Π°ΡΠΈ!

ΠΠΎΡ ΠΈ Π²ΡΠ΅! ΠΡΠΎΡΡΡΠ΅ ΡΠΊΠ°ΠΌΠ΅ΠΉΠΊΠΈΒ ΡΠ²ΠΎΠΈΠΌΠΈ ΡΡΠΊΠ°ΠΌΠΈ Π²ΠΏΠΎΠ»Π½Π΅ ΠΌΠΎΠΆΠ½ΠΎ ΡΠ΄Π΅Π»Π°ΡΡ Π²ΡΠ΅Π³ΠΎ Π·Π° Π½Π΅ΡΠΊΠΎΠ»ΡΠΊΠΎ ΡΠ°ΡΠΎΠ², ΠΏΡΠΈ ΡΡΠΎΠΌ Π½Π΅ ΠΎΡΠΎΠ±ΠΎ ΠΏΠΎΡΡΠ°ΡΠΈΠ²ΡΠΈΡΡ Π½Π° ΠΌΠ°ΡΠ΅ΡΠΈΠ°Π»Ρ. Π ΠΎΠ½Π° ΠΎΠ±ΡΠ·Π°ΡΠ΅Π»ΡΠ½ΠΎ ΡΡΠ°Π½Π΅Ρ ΠΈΠ·Π»ΡΠ±Π»Π΅Π½Π½ΡΠΌ ΠΌΠ΅ΡΡΠΎΠΌ ΠΎΡΠ΄ΡΡ Π° Π΄Π»Ρ Π²ΡΠ΅ΠΉ ΡΠ΅ΠΌΡΠΈ.Β ΠΠ΅Π΄Ρ Π½Π° ΡΠΊΠ°ΠΌΠ΅ΠΉΠΊΠ΅ ΡΠ°ΠΊ ΠΏΡΠΈΡΡΠ½ΠΎ ΡΠΈΡΠ°ΡΡ, ΠΏΠΈΡΡ ΡΠ°ΠΉ, Π±ΠΎΠ»ΡΠ°ΡΡ Ρ Π΄ΡΡΠ·ΡΡΠΌΠΈ ΠΈΠ»ΠΈ Π΄Π°ΠΆΠ΅ ΡΠ°Π±ΠΎΡΠ°ΡΡ, ΠΏΡΠΈΡ Π²Π°ΡΠΈΠ² Ρ ΡΠΎΠ±ΠΎΠΉ Π½ΠΎΡΡΠ±ΡΠΊ!
idealsad.com
Π‘ΠΊΠ°ΠΌΠ΅ΠΉΠΊΠ° ΡΠΎ ΡΡΠΎΠ»ΠΈΠΊΠΎΠΌ: 3D ΠΌΠΎΠ΄Π΅Π»Ρ, ΡΠ΅ΡΡΠ΅ΠΆ, ΡΠ°Π·ΠΌΠ΅ΡΡ.
- ΠΠΎΠ΄ΡΠΎΠ±Π½ΠΎΡΡΠΈ
- ΠΠ²ΡΠΎΡ: ΠΠ°Π²Π΅Π»
ΠΡΠ° ΡΠ΄ΠΎΠ±Π½Π°Ρ ΡΠΊΠ°ΠΌΠ΅ΠΉΠΊΠ° ΡΠΎ ΡΡΠΎΠ»ΠΈΠΊΠΎΠΌ ΡΠ΄Π΅Π»Π°Π½Π½Π°Ρ ΡΠ²ΠΎΠΈΠΌΠΈ ΡΡΠΊΠ°ΠΌΠΈ ΠΏΡΠ΅ΠΊΡΠ°ΡΠ½ΠΎ ΠΏΠΎΠ΄ΠΎΠΉΠ΄Π΅Ρ Π΄Π»Ρ ΡΠΎΠΌΠ°Π½ΡΠΈΡΠ΅ΡΠΊΠΎΠ³ΠΎ ΡΠ΅ΠΏΠ»ΠΎΠ³ΠΎ Π»Π΅ΡΠ½Π΅Π³ΠΎ Π²Π΅ΡΠ΅ΡΠ°. ΠΠ°ΠΊ ΡΡΠ΄Π΅ΡΠ½ΠΎ ΠΏΠΎΡΠΈΠ΄Π΅ΡΡ Π²Π΄Π²ΠΎΠ΅ΠΌ Π² ΡΠΈΡ ΠΎΠΌ ΠΈ ΡΡΡΠ½ΠΎΠΌ ΠΌΠ΅ΡΡΠ΅ΡΠΊΠ΅ Π²Π°ΡΠ΅Π³ΠΎ ΡΠ°Π΄Π°, ΠΏΠΎΠ»ΡΠ±ΠΎΠ²Π°ΡΡΡΡ Π·Π°ΠΊΠ°ΡΠΎΠΌ Ρ ΡΠ°ΡΠ΅ΡΠΊΠΎΠΉ ΡΠ°Ρ ΠΈΠ»ΠΈ Π±ΠΎΠΊΠ°Π»ΠΎΠΌ Ρ ΠΎΡΠΎΡΠ΅Π³ΠΎ Π²ΠΈΠ½Π°.
ΠΡΠ°ΠΊ, Π΅ΡΠ»ΠΈ ΠΎΠ³ΠΎΡΠΎΠ΄ ΠΏΠΎΡΠ°ΠΆΠ΅Π½, ΠΊΠ»ΡΠΌΠ±Ρ ΠΏΡΠΎΠΏΠΎΠ»ΠΎΡΡ, Π° Π³Π°Π·ΠΎΠ½ ΠΏΠΎΠ΄ΡΡΡΠΈΠΆΠ΅Π½, ΡΠΎ ΡΠ°ΠΌΠΎΠ΅ Π²ΡΠ΅ΠΌΡ Π΄ΠΎΡΡΠ°ΡΡ ΡΠ²ΠΎΠΈ ΠΈΠ½ΡΡΡΡΠΌΠ΅Π½ΡΡ, ΠΏΡΠΈΠ³ΠΎΡΠΎΠ²ΠΈΡΡ ΠΌΠ°ΡΠ΅ΡΠΈΠ°Π»Ρ Π΄Π»Ρ ΡΠ°Π±ΠΎΡΡ ΠΈ ΡΠΌΠ°ΡΡΠ΅ΡΠΈΡΡ ΡΠΊΠ°ΠΌΠ΅ΠΉΠΊΡ.
Π‘ΠΊΠ°ΠΌΡΡ ΠΏΠΎΠ»ΡΡΠΈΡΡΡ Π΄ΠΎΡΡΠ°ΡΠΎΡΠ½ΠΎ ΠΏΡΠΎΡΠ½Π°Ρ ΠΈ Π»Π΅Π³ΠΊΠ°Ρ, ΡΡΠΎΠ±Ρ Π²Π΄Π²ΠΎΠ΅ΠΌ ΠΏΠ΅ΡΠ΅ΠΌΠ΅ΡΡΠΈΡΡ Π΅Ρ Π² Π»ΡΠ±ΠΎΠΉ ΡΠ³ΠΎΠ»ΠΎΠΊ ΡΠ°Π΄Π°.
3D ΠΌΠΎΠ΄Π΅Π»Ρ ΡΠΊΠ°ΠΌΠ΅ΠΉΠΊΠΈ
ΠΡΡ ΡΠΊΠ°ΠΌΠ΅ΠΉΠΊΡ ΡΠΎ ΡΡΠΎΠ»ΠΈΠΊΠΎΠΌ ΠΏΡΠΈΠ΄ΡΠΌΠ°Π» ΠΈ ΡΠ΄Π΅Π»Π°Π» ΡΠ²ΠΎΠΈΠΌΠΈ ΡΡΠΊΠ°ΠΌΠΈ ΠΠΈΡ ΠΈΠ· ΠΠΎΠ½ΡΠ°Π½Ρ (ΠΏΡΠΎΠΊΡΡΡΠΈΠ² ΡΡΡΠ°Π½ΠΈΡΡ Π½ΠΈΠΆΠ΅, Π²Ρ ΠΌΠΎΠΆΠ΅ΡΠ΅ ΠΏΠΎΡΠΌΠΎΡΡΠ΅ΡΡ Π²ΠΈΠ΄Π΅ΠΎ ΠΏΠΎ Π΅Ρ ΡΠ±ΠΎΡΠΊΠ΅), Ρ ΠΆΠ΅ Π΅Ρ Π½Π΅ΠΌΠ½ΠΎΠ³ΠΎ ΠΈΠ·ΠΌΠ΅Π½ΠΈΠ» ΠΈ Π΄ΠΎΡΠ°Π±ΠΎΡΠ°Π» Π² ΠΏΡΠΎΠ³ΡΠ°ΠΌΠΌΠ΅ ΡΡΠ΅Ρ ΠΌΠ΅ΡΠ½ΠΎΠ³ΠΎ ΠΊΠΎΠ½ΡΡΡΡΠΈΡΠΎΠ²Π°Π½ΠΈΡ ΠΈ ΡΡΡΡ Π½ΠΈΠΆΠ΅ Π²Ρ ΠΌΠΎΠΆΠ΅ΡΠ΅ ΠΏΠΎΠΊΡΡΡΠΈΡΡ Π΅Ρ Π²ΠΎ Π²ΡΠ΅Ρ ΠΏΠ»ΠΎΡΠΊΠΎΡΡΡΡ .
Π§ΡΠΎ ΠΈΠ·ΠΌΠ΅Π½ΠΈΠ»ΠΎΡΡ:
- Π‘ΠΏΠΈΠ½ΠΊΠ° ΡΠΊΠ°ΠΌΡΠΈ ΡΡΠ°Π»Π° ΡΠΏΠ»ΠΎΡΠ½ΠΎΠΉ.
- ΠΠ·ΠΌΠ΅Π½ΠΈΠ» ΠΌΠ΅ΡΡΠ° ΠΊΡΠ΅ΠΏΠ»Π΅Π½ΠΈΠΉ ΠΈ ΡΠ³ΠΎΠ» Ρ Π·Π°Π΄Π½ΠΈΡ Π½ΠΎΠΆΠ΅ΠΊ Π΄Π»Ρ Π»ΡΡΡΠ΅ΠΉ ΡΡΡΠΎΠΉΡΠΈΠ²ΠΎΡΡΠΈ ΠΊ ΠΎΠΏΡΠΎΠΊΠΈΠ΄ΡΠ²Π°Π½ΠΈΡ Π½Π°Π·Π°Π΄.
- ΠΠ΄Π°ΠΏΡΠΈΡΠΎΠ²Π°Π» ΠΊ ΡΠ°Π·ΠΌΠ΅ΡΠ°ΠΌ Π½Π°ΡΠΈΡ ΠΏΠΈΠ»ΠΎΠΌΠ°ΡΠ΅ΡΠΈΠ°Π»ΠΎΠ².
ΠΠ»ΠΈΠΊΠ½ΠΈΡΠ΅ ΠΏΠΎ ΠΊΠ°ΡΡΠΈΠ½ΠΊΠ΅, Π΄ΠΎΠΆΠ΄ΠΈΡΠ΅ΡΡ Π·Π°Π³ΡΡΠ·ΠΊΠΈ ΠΈ ΠΈΡΠΏΠΎΠ»ΡΠ·ΡΠΉΡΠ΅ Π·Π°ΠΆΠ°ΡΡΡ Π»Π΅Π²ΡΡ ΠΊΠ½ΠΎΠΏΠΊΡ ΠΌΡΡΠΈ Π΄Π»Ρ Π²ΡΠ°ΡΠ΅Π½ΠΈΡ ΠΌΠΎΠ΄Π΅Π»ΠΈ. ΠΡΠ°ΡΠ΅Π½ΠΈΠ΅ ΠΊΠΎΠ»Π΅ΡΠΈΠΊΠ° ΠΌΡΡΠΈ Π΄Π»Ρ ΠΏΡΠΈΠ±Π»ΠΈΠΆΠ΅Π½ΠΈΡ-ΡΠ΄Π°Π»Π΅Π½ΠΈΡ. Π‘ΠΌΠΎΡΡΠ΅ΡΡ Π² ΠΏΠΎΠ»Π½ΡΠΉ ΡΠΊΡΠ°Π½ — Π·Π½Π°ΡΠΎΠΊ Π² ΠΏΡΠ°Π²ΠΎΠΌ Π½ΠΈΠΆΠ½Π΅ΠΌ ΡΠ³Π»Ρ. ΠΡΡ
ΠΎΠ΄ ΠΈΠ· ΠΏΠΎΠ»Π½ΠΎΠ³ΠΎ ΡΠΊΡΠ°Π½Π° — ΠΊΠ»Π°Π²ΠΈΡΠ° Esc.
ΠΠ»Ρ ΠΏΠΎΠ»Π½ΠΎΡΠ΅Π½Π½ΠΎΠ³ΠΎ ΠΏΡΠΎΡΠΌΠΎΡΡΠ° ΡΡΠ΅Ρ
ΠΌΠ΅ΡΠ½ΡΡ
ΠΌΠΎΠ΄Π΅Π»Π΅ΠΉ Π½ΡΠΆΠ½ΠΎ ΡΠΊΠ°ΡΠ°ΡΡ ΠΏΡΠΎΠ³ΡΠ°ΠΌΠΌΡ ΠΏΡΠΎΡΠΌΠΎΡΡΡΠΈΠΊ SkethUp Ρ ΠΎΡΠΈΡΠΈΠ°Π»ΡΠ½ΠΎΠ³ΠΎ ΡΠ°ΠΉΡΠ° (Π±Π΅ΡΠΏΠ»Π°ΡΠ½ΠΎ) ΠΈ ΡΡΡΠ°Π½ΠΎΠ²ΠΈΡΡ Π½Π° ΡΠ²ΠΎΠΉ ΠΊΠΎΠΌΠΏΡΡΡΠ΅Ρ. Π‘ΠΊΠ°ΡΠ°ΡΡ Π΄Π°Π½Π½ΡΡ ΠΌΠΎΠ΄Π΅Π»Ρ Π΄Π»Ρ ΠΏΡΠΎΡΠΌΠΎΡΡΠ° ΠΌΠΎΠΆΠ½ΠΎ ΠΊΠ»ΠΈΠΊΠ½ΡΠ² ΠΏΠΎ Π»ΠΎΠ³ΠΎΡΠΈΠΏΡ Π² Π»Π΅Π²ΠΎΠΌ Π½ΠΈΠΆΠ½Π΅ΠΌ ΡΠ³Π»Ρ ΠΎΠΊΠ½Π° ΠΏΡΠΎΡΠΌΠΎΡΡΠ°.
Β
ΠΠ°ΡΠ΅ΡΠΈΠ°Π»Ρ
- ΠΠΎΡΠΊΠ° 40*100 ΠΌΠΌ — ΠΈΡΠΏΠΎΠ»ΡΠ·ΡΠ΅ΡΡΡ Π΄Π»Ρ ΠΏΠΎΡΡΡΠΎΠΉΠΊΠΈ ΠΊΠ°ΡΠΊΠ°ΡΠ° (Π½Π° ΡΠ΅ΡΡΠ΅ΠΆΠ΅ Π½ΠΈΠΆΠ΅).
- ΠΠΎΡΠΊΠ° 25*100 ΠΌΠΌ (Π΄ΡΠΉΠΌΠΎΠ²ΠΊΠ°) — Π΄Π»Ρ ΠΌΠΎΠ½ΡΠ°ΠΆΠ° ΡΡΠΎΠ»ΠΈΠΊΠ°, ΡΠΈΠ΄Π΅Π½ΡΡ ΠΈ ΡΠΏΠΈΠ½ΠΊΠΈ.
- Π‘Π°ΠΌΠΎΡΠ΅Π·Ρ 70 Ρ 4,5 (75*5) ΠΌΠΌ ΠΈ ΡΠ°ΠΌΠΎΡΠ΅Π·Ρ 50*3,5 Π΄Π»Ρ Π΄ΠΎΡΠΊΠΈ Π΄ΡΠΉΠΌΠΎΠ²ΠΊΠΈ.
- Π¨ΠΏΠ°ΡΠ»Π΅Π²ΠΊΠ° ΠΏΠΎ Π΄Π΅ΡΠ΅Π²Ρ.
- ΠΠΈΠΎΠ·Π°ΡΠΈΡΠ° Π΄Π»Ρ Π΄Π΅ΡΠ΅Π²Π°.
ΠΠ½ΡΡΡΡΠΌΠ΅Π½ΡΡ
- ΠΠΈΠ»Π°.
- ΠΡΠ΅Π»Ρ.
- Π‘Π²Π΅ΡΠ»Π° ΠΏΠΎΠ΄ ΡΠ°ΠΌΠΎΡΠ΅Π·Ρ.
- Π¨ΡΡΡΠΏΠΎΠ²Π΅ΡΡ ΠΈΠ»ΠΈ ΠΎΡΠ²Π΅ΡΡΠΊΠ°.
- Π¨Π»ΠΈΡΠΎΠ²Π°Π»ΡΠ½Π°Ρ ΠΌΠ°ΡΠΈΠ½ΠΊΠ° ΠΈΠ»ΠΈ Π°Π±ΡΠ°Π·ΠΈΠ²Π½Π°Ρ ΡΠΊΡΡΠΊΠ°.
- Π’ΡΠ°Π½ΡΠΏΠΎΡΡΠΈΡ.
- Π ΡΠ»Π΅ΡΠΊΠ°.
- ΠΠΈΡΡΡ.
ΠΠ΅ΠΊΠΎΡΠΎΡΡΠ΅ ΡΠ»Π΅ΠΌΠ΅Π½ΡΡ ΡΠΊΠ°ΠΌΡΠΈ (ΠΏΠΎΠ΄Π΄Π΅ΡΠΆΠΊΠ° ΡΠΏΠΎΡ Π΄Π»Ρ ΡΠΏΠΈΠ½ΠΊΠΈ, Π·Π°Π΄Π½ΠΈΠ΅ Π½ΠΎΠΆΠΊΠΈ) ΡΠΏΠΈΠ»ΠΈΠ²Π°ΡΡΡΡ ΠΏΠΎΠ΄ ΡΠ³Π»ΠΎΠΌ 10-15 Π³ΡΠ°Π΄ΡΡΠΎΠ². Π’Π°ΠΊΠΆΠ΅, Ρ ΡΠΏΠΎΡΠΎΠ² ΡΠΏΠΈΠ½ΠΊΠΈ, ΡΠ³Π»ΠΎΠ² ΡΡΠΎΠ»ΠΈΠΊΠ° ΠΈ ΠΏΠΎΠ΄Π»ΠΎΠΊΠΎΡΠ½ΠΈΠΊΠΎΠ² Π½ΡΠΆΠ½ΠΎ ΡΠΏΠΈΠ»ΠΈΡΡ Π½Π°ΡΡΠΆΠ½ΡΠ΅ ΠΎΡΡΡΡΠ΅ ΡΠ³Π»Ρ.
ΠΠ°ΠΏΠΈΠ»ΠΈΡΠ΅ Π² ΡΠ°Π·ΠΌΠ΅Ρ Π²ΡΠ΅ ΡΠΎΡΡΠ°Π²Π»ΡΡΡΠΈΠ΅ ΡΠΊΠ°ΠΌΡΡ ΡΠ»Π΅ΠΌΠ΅Π½ΡΡ, Π·Π°ΡΠ»ΠΈΡΡΠΉΡΠ΅ ΠΈΡ Π°Π±ΡΠ°Π·ΠΈΠ²Π½ΠΎΠΉ ΡΠΊΡΡΠΊΠΎΠΉ ΠΎΡ Π·Π°Π½ΠΎΠ· ΠΈ ΠΏΡΠΈΡΡΡΠΏΠ°ΠΉΡΠ΅ ΠΊ ΡΠ±ΠΎΡΠΊΠ΅.
ΠΠΈΠΆΠ΅ ΡΠ΅ΡΡΠ΅ΠΆ ΠΎΡ
greendacha.com
Π‘ΠΊΠ°ΠΌΠ΅ΠΉΠΊΠ° ΡΠ²ΠΎΠΈΠΌΠΈ ΡΡΠΊΠ°ΠΌΠΈ — ΡΠ°ΠΌΠ°Ρ ΠΏΡΠΎΡΡΠ°Ρ ΠΊΠΎΠ½ΡΡΡΡΠΊΡΠΈΡ
ΠΠ΅ Π±ΡΠ΄Π΅Ρ ΠΏΡΠ΅ΡΠ²Π΅Π»ΠΈΡΠ΅Π½ΠΈΠ΅ΠΌ, Π΅ΡΠ»ΠΈ ΡΠΊΠ°Π·Π°ΡΡ, ΡΡΠΎ ΡΠ°Π΄ΠΎΠ²Π°Ρ ΡΠΊΠ°ΠΌΠ΅ΠΉΠΊΠ° ΠΎΡΠ΅Π½Ρ Π½ΡΠΆΠ½Π°Ρ Π²Π΅ΡΡ Π½Π° Π΄Π°ΡΠ½ΠΎΠΌ ΡΡΠ°ΡΡΠΊΠ΅. ΠΡΠ»ΠΈ ΡΡΡΠ°Π½ΠΎΠ²ΠΈΡΡ ΡΠΊΠ°ΠΌΠ΅ΠΉΠΊΡ Π² ΡΠ΅Π½ΡΠΊΠ΅, ΡΠΎ Π½Π° Π½Π΅ΠΉ Π±ΡΠ΄Π΅Ρ ΠΏΡΠΈΡΡΠ½ΠΎ ΠΎΡΠ΄ΡΡ Π°ΡΡ Π»Π΅ΡΠΎΠΌ Π² ΠΆΠ°ΡΠΊΡΡ ΠΏΠΎΠ³ΠΎΠ΄Ρ. ΠΠ° ΠΈ Π²Π΅ΡΠ΅ΡΠΎΠΌ ΠΏΠΎΡΠΈΠ΄Π΅ΡΡ Π½Π° Π½Π΅ΠΉ ΠΈ ΠΏΠΎΡΠΌΠΎΡΡΠ΅ΡΡ Π½Π° Π·Π°ΠΊΠ°Ρ ΡΠΎΠ»Π½ΡΠ° Π½Π΅ ΠΌΠ΅Π½Π΅Π΅ ΠΏΡΠΈΡΡΠ½ΠΎ.
ΠΠΎΠΏΡΠΎΡ ΠΎ ΠΏΡΠΈΠΎΠ±ΡΠ΅ΡΠ΅Π½ΠΈΠΈ ΡΠ°Π΄ΠΎΠ²ΠΎΠΉ ΡΠΊΠ°ΠΌΠ΅ΠΉΠΊΠΈ Π²ΠΎΠ·Π½ΠΈΠΊΠ°Π» Π΄ΠΎΡΡΠ°ΡΠΎΡΠ½ΠΎ ΡΠ°ΡΡΠΎ ΠΏΠΎ ΡΠΊΠ°Π·Π°Π½Π½ΡΠΌ Π²ΡΡΠ΅ ΠΏΡΠΈΡΠΈΠ½Π°ΠΌ, Π½ΠΎ ΡΠ΅Π°Π»ΠΈΠ·Π°ΡΠΈΡ Π΄ΠΎΠ»Π³ΠΎ ΠΎΡΠΊΠ»Π°Π΄ΡΠ²Π°Π»Π°ΡΡ, ΠΏΠΎ ΠΏΡΠΈΡΠΈΠ½Π΅ ΡΠΎΠ³ΠΎ ΡΡΠΎ ΡΠ»ΠΎΠΆΠ½ΠΎ Π±ΡΠ»ΠΎ ΠΏΠΎΠ΄ΠΎΠ±ΡΠ°ΡΡ ΠΏΠΎΠ΄Ρ ΠΎΠ΄ΡΡΠΈΠΉ Π²Π°ΡΠΈΠ°Π½Ρ.
ΠΠΈΠ±ΠΎ Π½Π΅ ΡΡΡΡΠ°ΠΈΠ²Π°Π» ΠΏΠΎ ΡΠ΅Π½Π΅, Π»ΠΈΠ±ΠΎ ΠΏΠΎ ΠΊΠ°ΡΠ΅ΡΡΠ²Ρ, Π»ΠΈΠ±ΠΎ Π²ΠΎΠ·Π½ΠΈΠΊΠ°Π»ΠΈ ΠΏΡΠΎΠ±Π»Π΅ΠΌΡ Ρ ΡΡΠ°Π½ΡΠΏΠΎΡΡΠΈΡΠΎΠ²ΠΊΠΎΠΉ. ΠΠΎΡΡΠΎΠΌΡ Π² ΠΊΠΎΠ½Π΅ΡΠ½ΠΎΠΌ ΠΈΡΠΎΠ³Π΅ ΡΠ΅ΡΠΈΠ» ΡΠ΄Π΅Π»Π°ΡΡ ΡΠΊΠ°ΠΌΠ΅ΠΉΠΊΡ ΡΠ²ΠΎΠΈΠΌΠΈ ΡΡΠΊΠ°ΠΌΠΈ.
Π€ΠΎΡΠΎ Π³ΠΎΡΠΎΠ²ΠΎΠΉ ΡΠΊΠ°ΠΌΠ΅ΠΉΠΊΠΈ
ΠΠ°Π΄Π°Π²ΡΠΈΡΡ Π²ΠΎΠΏΡΠΎΡΠΎΠΌ ΠΊΠ°ΠΊ ΡΠ΄Π΅Π»Π°ΡΡ ΡΠ°Π΄ΠΎΠ²ΡΡ ΡΠΊΠ°ΠΌΠ΅ΠΉΠΊΡ, Π±ΡΠ» ΠΎΠΏΡΠ΅Π΄Π΅Π»Π΅Π½ ΡΡΠ΄ ΠΏΡΠΈΠ½ΡΠΈΠΏΠΈΠ°Π»ΡΠ½ΡΡ ΡΡΠ΅Π±ΠΎΠ²Π°Π½ΠΈΠΉ, ΠΊΠΎΡΠΎΡΡΠΌ ΠΎΠ½Π° Π΄ΠΎΠ»ΠΆΠ½Π° ΡΠ΄ΠΎΠ²Π»Π΅ΡΠ²ΠΎΡΡΡΡ.
- Π‘ΠΊΠ°ΠΌΠ΅ΠΉΠΊΠ° Π΄ΠΎΠ»ΠΆΠ½Π° Π±ΡΡΡ ΡΠ΄Π΅Π»Π°Π½Π° ΠΈΠ· Π΄ΠΎΡΡΡΠΏΠ½ΡΡ ΠΌΠ°ΡΠ΅ΡΠΈΠ°Π»ΠΎΠ², ΠΊΠΎΡΠΎΡΡΠ΅ Π½Π΅ ΡΠ»ΠΎΠΆΠ½ΠΎ ΠΏΡΠΈΠ²Π΅ΡΡΠΈ Π½Π° Π΄Π°ΡΡ.
- Π‘ΠΊΠ°ΠΌΠ΅ΠΉΠΊΠ° Π΄ΠΎΠ»ΠΆΠ½Π° Π±ΡΡΡ ΡΠ΄ΠΎΠ±Π½ΠΎΠΉ.
- ΠΠΎΠ½ΡΡΡΡΠΊΡΠΈΡ ΡΠΊΠ°ΠΌΠ΅ΠΉΠΊΠΈ Π΄ΠΎΠ»ΠΆΠ½Π° Π±ΡΡΡ ΡΠ°ΠΊΠΎΠΉ, ΡΡΠΎΠ±Ρ ΠΌΠΎΠΆΠ½ΠΎ Π±ΡΠ»ΠΎ ΠΈΠ·Π³ΠΎΡΠΎΠ²ΠΈΡΡ Π΅Π΅ ΡΠ²ΠΎΠΈΠΌΠΈ ΡΡΠΊΠ°ΠΌΠΈ Π±Π΅Π· ΠΏΡΠΈΠΌΠ΅Π½Π΅Π½ΠΈΡ ΡΠΏΠ΅ΡΠΈΠ°Π»ΡΠ½ΠΎΠ³ΠΎ ΠΈΠ½ΡΡΡΡΠΌΠ΅Π½ΡΠ°.
- Π‘ΠΊΠ°ΠΌΠ΅ΠΉΠΊΠ° Π΄ΠΎΠ»ΠΆΠ½Π° Ρ ΠΎΡΠΎΡΠΎ ΠΏΠ΅ΡΠ΅Π½ΠΎΡΠΈΡΡ ΡΠ»ΠΈΡΠ½ΡΠ΅ ΡΡΠ»ΠΎΠ²ΠΈΡ, Ρ.Π΅. ΠΎΠ½Π° Π΄ΠΎΠ»ΠΆΠ½Π° ΡΡΠΎΡΡΡ Π²Π΅ΡΡ Π΄Π°ΡΠ½ΡΠΉ ΡΠ΅Π·ΠΎΠ½ ΠΏΠΎΠ΄ ΠΎΡΠΊΡΡΡΡΠΌ Π½Π΅Π±ΠΎΠΌ ΠΈ Π½Π΅ ΡΠ΅ΡΡΡΡ ΡΠ²ΠΎΠ΅Π³ΠΎ Π²Π½Π΅ΡΠ½Π΅Π³ΠΎ Π²ΠΈΠ΄Π° ΠΈ ΡΡΠ½ΠΊΡΠΈΠΎΠ½Π°Π»ΡΠ½ΡΡ ΠΊΠ°ΡΠ΅ΡΡΠ².

Π€ΠΎΡΠΎ ΡΠΊΠ°ΠΌΠ΅ΠΉΠΊΠΈ Ρ Π΄ΡΡΠ³ΠΎΠ³ΠΎ ΡΠ°ΠΊΡΡΡΠ°
ΠΡΡ ΠΎΠ΄Ρ ΠΈΠ· ΠΎΠΏΠΈΡΠ°Π½Π½ΡΡ ΡΡΠ΅Π±ΠΎΠ²Π°Π½ΠΈΠΉ, ΡΠΎΠ΄ΠΈΠ»ΡΡ ΠΏΡΠΎΠ΅ΠΊΡ ΡΠ°Π΄ΠΎΠ²ΠΎΠΉ ΡΠΊΠ°ΠΌΠ΅ΠΉΠΊΠΈ ΠΏΠΎΠΊΠ°Π·Π°Π½Π½ΠΎΠΉ Π½Π° ΡΠΎΡΠΎ Π²ΡΡΠ΅. ΠΠ°ΡΠ΅ΡΠΈΠ°Π» ΡΠΊΠ°ΠΌΠ΅ΠΉΠΊΠΈ Π΄Π΅ΡΠ΅Π²ΠΎ. ΠΡΠΈ ΠΈΠ·Π³ΠΎΡΠΎΠ²Π»Π΅Π½ΠΈΠΈ Π΄Π΅ΡΠ΅Π²ΡΠ½Π½ΠΎΠΉ ΡΠΊΠ°ΠΌΠ΅ΠΉΠΊΠΈ ΡΠΏΠ΅ΡΠΈΠ°Π»ΡΠ½ΠΎΠ³ΠΎ ΠΈΠ½ΡΡΡΡΠΌΠ΅Π½ΡΠ° Π½Π΅ ΡΡΠ΅Π±ΡΠ΅ΡΡΡ. ΠΠ»Ρ Π·Π°ΡΠΈΡΡ ΠΎΡ Π²Π½Π΅ΡΠ½ΠΈΡ Π½Π΅Π±Π»Π°Π³ΠΎΠΏΡΠΈΡΡΠ½ΡΡ ΡΠ°ΠΊΡΠΎΡΠΎΠ² ΡΠΊΠ°ΠΌΠ΅ΠΉΠΊΠ° ΠΏΠΎΠΊΡΡΡΠ° Π»Π°ΠΊΠΎΠΌ. Π’Π°ΠΊ ΡΡΠΎ Π±ΠΎΠ»ΡΡΠΈΠ½ΡΡΠ²Ρ Π½Π°ΡΠ°Π»ΡΠ½ΡΡ ΡΡΠ΅Π±ΠΎΠ²Π°Π½ΠΈΠΉ ΠΎΠ½Π° ΡΠ΄ΠΎΠ²Π»Π΅ΡΠ²ΠΎΡΡΠ΅Ρ.
ΠΠ° ΠΌΠΎΠΉ Π²Π·Π³Π»ΡΠ΄, ΡΠ°ΠΌΠΎΠ΅ ΡΠ»ΠΎΠΆΠ½ΠΎΠ΅ ΠΈ ΠΈΠ½ΡΠ΅ΡΠ΅ΡΠ½ΠΎΠ΅ Π² ΠΈΠ·Π³ΠΎΡΠΎΠ²Π»Π΅Π½ΠΈΠΈ ΡΠΊΠ°ΠΌΠ΅ΠΉΠΊΠΈ ΡΠ²ΠΎΠΈΠΌΠΈ ΡΡΠΊΠ°ΠΌΠΈ ΡΡΠΎ ΠΊΠΎΠ½ΡΡΡΡΠΊΡΠΈΡ ΠΈ ΡΡΠ³ΠΎΠ½ΠΎΠΌΠΈΠΊΠ°. ΠΡΠ½ΠΎΠ²Π½ΡΠΌΠΈ ΡΠ°ΠΊΡΠΎΡΠ°ΠΌΠΈ ΠΏΠΎ ΡΡΠ³ΠΎΠ½ΠΎΠΌΠΈΠΊΠ΅ Π½Π° ΠΊΠΎΡΠΎΡΡΠ΅ ΡΠ»Π΅Π΄ΡΠ΅Ρ ΠΎΠ±ΡΠ°ΡΠΈΡΡ Π²Π½ΠΈΠΌΠ°Π½ΠΈΠ΅ ΡΠ²Π»ΡΠ΅ΡΡΡ Π²ΡΡΠΎΡΠ° ΡΠΊΠ°ΠΌΠ΅ΠΉΠΊΠΈ, ΡΠΈΡΠΈΠ½Π° ΡΠΈΠ΄Π΅Π½ΡΡ, ΡΠ³ΠΎΠ» Π½Π°ΠΊΠ»ΠΎΠ½Π° ΡΠΏΠΈΠ½ΠΊΠΈ, ΡΠΈΡΠΈΠ½Π° ΡΠΏΠΈΠ½ΠΊΠΈ ΠΈ Π΄Π»ΠΈΠ½Π½Π° ΡΠΊΠ°ΠΌΠ΅ΠΉΠΊΠΈ. ΠΡ ΡΡΠΈΡ ΠΏΠ°ΡΠ°ΠΌΠ΅ΡΡΠΎΠ² Π·Π°Π²ΠΈΡΠΈΡ, ΡΠ΄ΠΎΠ±Π½ΠΎ ΡΠΊΠ°ΠΌΠ΅ΠΉΠΊΠΎΠΉ Π±ΡΠ΄Π΅Ρ ΠΏΠΎΠ»ΡΠ·ΠΎΠ²Π°ΡΡΡΡ ΠΈΠ»ΠΈ Π½Π΅Ρ.

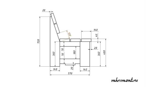
Π§Π΅ΡΡΠ΅ΠΆ ΡΠΊΠ°ΠΌΠ΅ΠΉΠΊΠΈ
ΠΡΠ΅ ΡΠ°Π·ΠΌΠ΅ΡΡ Π½Π° ΡΠ΅ΡΡΠ΅ΠΆΠ΅ ΠΏΡΠΈΠ²Π΅Π΄Π΅Π½Ρ Π² ΡΠ°Π½ΡΠΈΠΌΠ΅ΡΡΠ°Ρ , Π½Π΅ ΡΠΊΠ°Π·Π°Π½ ΡΠΎΠ»ΡΠΊΠΎ ΡΠ³ΠΎΠ» Π½Π°ΠΊΠ»ΠΎΠ½Π° ΡΠΏΠΈΠ½ΠΊΠΈ ΠΈ ΠΎΠ±ΡΠ°Ρ Π²ΡΡΠΎΡΠ°, ΠΎΠ± ΡΡΠΎΠΌ Π΄Π°Π»Π΅Π΅. Π ΡΠ½Π°ΡΠ°Π»Π° Ρ ΠΎΡΠ΅ΡΡΡ ΠΏΡΠΎΠΊΠΎΠΌΠΌΠ΅Π½ΡΠΈΡΠΎΠ²Π°ΡΡ Π½Π΅ΠΊΠΎΡΠΎΡΡΠ΅ ΡΠ°Π·ΠΌΠ΅ΡΡ.
- ΠΠ»ΠΈΠ½Π° ΡΠΊΠ°ΠΌΠ΅ΠΉΠΊΠΈ Π²ΡΠ±ΡΠ°Π½Π° ΡΠ°ΠΊΠΈΠΌ ΠΎΠ±ΡΠ°Π·ΠΎΠΌ, ΡΡΠΎΠ±Ρ ΡΠ²ΠΎΠ±ΠΎΠ΄Π½ΠΎ Π½Π° Π½Π΅ΠΉ ΠΌΠΎΠ³Π»ΠΎ ΡΠ°Π·ΠΌΠ΅ΡΡΠΈΡΡΡΡ ΡΡΠΈ ΡΠ΅Π»ΠΎΠ²Π΅ΠΊΠ°. ΠΡΠ»ΠΈ ΠΏΡΠΈΠΎΠ±ΡΠ΅ΡΠ°ΡΡ Π΄ΠΎΡΠΊΠΈ ΡΡΠ°Π½Π΄Π°ΡΡΠ½ΠΎΠ³ΠΎ ΡΠ°Π·ΠΌΠ΅ΡΠ° 6ΠΌ, ΡΠΎ Π½Π° ΠΈΠ·Π³ΠΎΡΠΎΠ²Π»Π΅Π½ΠΈΠ΅ ΡΠΊΠ°ΠΌΠ΅ΠΉΠΊΠΈ ΡΠΉΠ΄Π΅Ρ Π΄Π²Π΅ Π΄ΠΎΡΠΊΠΈ, ΠΈ ΠΎΠ±ΡΠ΅Π·ΠΊΠΎΠ² ΠΏΡΠ°ΠΊΡΠΈΡΠ΅ΡΠΊΠΈ Π½Π΅ ΠΎΡΡΠ°Π½Π΅ΡΡΡ. ΠΡΠΎΠΌΠ΅ ΡΠΎΠ³ΠΎ, ΠΏΠ΅ΡΠ΅Π²ΠΎΠ·ΠΈΡΡ Π΄ΠΎΡΠΊΠΈ Π΄Π»ΠΈΠ½ΠΎΠΉ 1,5 ΠΌ ΠΌΠΎΠΆΠ½ΠΎ Π±Π΅Π· ΡΡΡΠ΄Π° Π½Π° Π»Π΅Π³ΠΊΠΎΠ²ΠΎΠΌ Π°Π²ΡΠΎΠΌΠΎΠ±ΠΈΠ»Π΅.
- Π’ΠΎΠ»ΡΠΈΠ½Π° Π΄ΠΎΡΠΊΠΈ Π²ΡΠ±ΡΠ°Π½Π° 40ΠΌΠΌ, ΡΡΠΎ ΠΎΠ±Π΅ΡΠΏΠ΅ΡΠΈΠ²Π°Π΅Ρ ΠΆΠ΅ΡΡΠΊΠΎΡΡΡ ΠΊΠΎΠ½ΡΡΡΡΠΊΡΠΈΠΈ ΡΠΊΠ°ΠΌΠ΅ΠΉΠΊΠΈ.
- ΠΠ°Π·ΠΎΡΡ ΠΌΠ΅ΠΆΠ΄Ρ Π΄ΠΎΡΠΊΠ°ΠΌΠΈ Π½Π° ΡΠΏΠΈΠ½ΠΊΠ΅ ΠΈ Π½Π° ΡΠΈΠ΄Π΅Π½ΡΠ΅ Π½Π΅ΠΎΠ±Ρ ΠΎΠ΄ΠΈΠΌΡ, ΡΡΠΎΠ±Ρ Π½Π° ΡΠΊΠ°ΠΌΠ΅ΠΉΠΊΠ΅ Π½Π΅ Π·Π°Π΄Π΅ΡΠΆΠΈΠ²Π°Π»Π°ΡΡ Π²ΠΎΠ΄Π°, Ρ.ΠΊ. ΡΠΊΠ°ΠΌΠ΅ΠΉΠΊΠ° ΡΡΠΎΠΈΡ ΠΏΠΎΠ΄ ΠΎΡΠΊΡΡΡΡΠΌ Π½Π΅Π±ΠΎΠΌ. Π ΡΠ΅Π·ΡΠ»ΡΡΠ°ΡΠ΅, ΡΡΠΈΡΡΠ²Π°Ρ ΡΠΈΡΠΈΠ½Ρ Π΄ΠΎΡΠΊΠΈ ΠΈ Π·Π°Π·ΠΎΡΡ, ΠΏΠΎΠ»ΡΡΠ°Π΅ΡΡΡ, ΡΡΠΎ ΡΠΈΡΠΈΠ½Π° ΡΠΈΠ΄Π΅Π½ΡΡ 40 ΡΠΌ, ΡΡΠΎΠ³ΠΎ Π΄ΠΎΡΡΠ°ΡΠΎΡΠ½ΠΎ, ΡΡΠΎΠ±Ρ ΠΊΠΎΠΌΡΠΎΡΡΠ½ΠΎ ΡΠΈΠ΄Π΅ΡΡ Π²Π·ΡΠΎΡΠ»ΠΎΠΌΡ ΡΠ΅Π»ΠΎΠ²Π΅ΠΊΡ.
- Π£Π³ΠΎΠ» Π½Π°ΠΊΠ»ΠΎΠ½Π° ΡΠΏΠΈΠ½ΠΊΠΈ ΡΠΎΡΡΠ°Π²Π»ΡΠ΅Ρ ΠΏΠΎΡΡΠ΄ΠΊΠ° 18 Π³ΡΠ°Π΄ΡΡΠΎΠ². ΠΠ°ΠΊ ΡΠ΄Π΅Π»Π°ΡΡ ΡΠ°ΠΊΠΎΠΉ Π½Π°ΠΊΠ»ΠΎΠ½ Π±ΡΠ΄Π΅Ρ ΠΎΠΏΠΈΡΠ°Π½ΠΎ Π΄Π°Π»Π΅Π΅.
Π’Π΅ΠΏΠ΅ΡΡ Ρ ΠΎΡΠ΅ΡΡΡ ΡΠΊΠ°Π·Π°ΡΡ Π½Π΅ΡΠΊΠΎΠ»ΡΠΊΠΎ ΡΠ»ΠΎΠ² ΠΎ ΠΊΠΎΠ½ΡΡΡΡΠΊΡΠΈΠΈ ΡΠ°Π΄ΠΎΠ²ΠΎΠΉ ΡΠΊΠ°ΠΌΠ΅ΠΉΠΊΠΈ. ΠΠ°ΠΊ Π²ΠΈΠ΄Π½ΠΎ ΠΈΠ· ΡΠ΅ΡΡΠ΅ΠΆΠ° ΠΈ ΡΠΎΡΠΎ ΡΠΊΠ°ΠΌΠ΅ΠΉΠΊΠ° ΠΈΠΌΠ΅Π΅Ρ ΡΠ΅ΡΡΡΠ΅ Π½ΠΎΠΆΠΊΠΈ. ΠΡΠΈ ΡΡΠΎΠΌ Π·Π°Π΄Π½ΠΈΠ΅ Π½ΠΎΠΆΠΊΠΈ Π²ΡΠΏΠΎΠ»Π½ΡΡΡ ΡΠΎΠ»Ρ Π΄Π΅ΡΠΆΠ°ΡΠ΅Π»Ρ ΡΠΏΠΈΠ½ΠΊΠΈ. ΠΠ»Ρ ΠΏΡΠΈΠ΄Π°Π½ΠΈΡ ΠΆΠ΅ΡΡΠΊΠΎΡΡΠΈ Π½ΠΎΠΆΠΊΠΈ ΡΠΎΠ΅Π΄ΠΈΠ½Π΅Π½Ρ ΠΌΠ΅ΠΆΠ΄Ρ ΡΠΎΠ±ΠΎΠΉ.

ΠΠ»Π΅ΠΌΠ΅Π½ΡΡ ΠΊΠ°ΡΠΊΠ°ΡΠ°
Π Π°Π±ΠΎΡΠ° ΠΏΠΎ ΠΈΠ·Π³ΠΎΡΠΎΠ²Π»Π΅Π½ΠΈΡ ΡΠΊΠ°ΠΌΠ΅ΠΉΠΊΠΈ Π½Π°ΡΠΈΠ½Π°Π΅ΡΡΡ Ρ ΡΠΎΠ³ΠΎ ΡΡΠΎ Π΄ΠΎΡΠΊΠΈ ΠΏΠΈΠ»ΡΡΡΡ Π½Π° Π½ΡΠΆΠ½ΡΠΉ ΡΠ°Π·ΠΌΠ΅Ρ.
- 5 Π΄ΠΎΡΠΎΠΊ Π΄Π»ΠΈΠ½ΠΎΠΉ 1500 ΠΌΠΌ.
- 2 Π΄ΠΎΡΠΊΠΈ Π΄Π»ΠΈΠ½ΠΎΠΉ 360 ΠΌΠΌ.
- 2 Π΄ΠΎΡΠΊΠΈ Π΄Π»ΠΈΠ½ΠΎΠΉ 520ΠΌΠΌ. ΠΠ°Π»Π΅Π΅ ΡΡΠΈ Π΄ΠΎΡΠΊΠΈ ΡΠ°Π·ΡΠ΅Π·Π°ΡΡΡΡ ΠΏΠΎ Π΄Π»ΠΈΠ½Π΅, Π² ΡΠ΅Π·ΡΠ»ΡΡΠ°ΡΠ΅ ΠΏΠΎΠ»ΡΡΠ°Π΅ΡΡΡ 4 Π±ΡΡΡΠΊΠ°. ΠΡΠΈ Π±ΡΡΡΠΊΠΈ Π½Π΅ΠΎΠ±Ρ ΠΎΠ΄ΠΈΠΌΡ Π΄Π»Ρ ΡΠΎΠ΅Π΄ΠΈΠ½Π΅Π½ΠΈΡ Π½ΠΎΠΆΠ΅ΠΊ ΠΈ ΠΊΡΠ΅ΠΏΠ»Π΅Π½ΠΈΡ ΡΠΈΠ΄Π΅Π½ΠΈΡ. Π’Π°ΠΊ ΠΆΠ΅ Π½Π° ΡΡΠΈΡ Π±ΡΡΡΠΊΠ°Ρ ΡΠ½ΠΈΠΌΠ°Π΅ΡΡΡ Π²Π½Π΅ΡΠ½ΠΈΠΉ ΡΠ³ΠΎΠ», ΡΡΠΎΠ±Ρ Π½Π΅ ΡΠ΅ΠΏΠ»ΡΡΡ Π·Π° Π½Π΅Π³ΠΎ Π½ΠΎΠ³Π°ΠΌΠΈ.
- 2 Π΄ΠΎΡΠΊΠ° Π΄Π»ΠΈΠ½ΠΎΠΉ 720 ΠΌΠΌ. ΠΠ° ΡΡΠΈΡ Π΄ΠΎΡΠΊΠ°Ρ Π΄Π΅Π»Π°Π΅ΡΡΡ ΡΡΠ΅Π·. ΠΠ½ΠΈ Π±ΡΠ΄ΡΡ Π²ΡΠΏΠΎΠ»Π½ΡΡΡ ΡΠΎΠ»Ρ Π΄Π΅ΡΠΆΠ°ΡΠ΅Π»Ρ ΡΠΏΠΈΠ½ΠΊΠΈ ΠΈ Π½ΠΎΠΆΠΊΠΈ ΠΎΠ΄Π½ΠΎΠ²ΡΠ΅ΠΌΠ΅Π½Π½ΠΎ. Π Π°Π·ΠΌΠ΅ΡΡ ΡΠΊΠ°Π·Π°Π½Ρ Π½Π° ΡΠ΅ΡΡΠ΅ΠΆΠ΅ Π½ΠΈΠΆΠ΅.

Π§Π΅ΡΡΠ΅ΠΆ ΡΠΊΠ°ΠΌΠ΅ΠΉΠΊΠΈ Π²ΠΈΠ΄ ΡΠ±ΠΎΠΊΡ
ΠΡΠ΅ ΡΡΠΈ ΡΠ°Π·ΠΌΠ΅ΡΡ ΡΠΊΠ°Π·Π°Π½Ρ Ρ ΡΡΠ΅ΡΠΎΠΌ ΡΠΎΠ³ΠΎ, ΡΡΠΎ ΠΊΠΎΠ½Π΅ΡΠ½Π°Ρ ΡΠΈΡΠΈΠ½Π° Π΄ΠΎΡΠΊΠΈ ΠΏΠΎΡΠ»Π΅ ΡΡΡΠΎΠ³Π°Π½ΠΈΡ ΠΈ ΠΏΡ. ΠΎΠ±ΡΠ°Π±ΠΎΡΠΊΠΈ 140ΠΌΠΌ.
ΠΠΎΡΠ»Π΅ ΡΠΎΠ³ΠΎ ΠΊΠ°ΠΊ Π²ΡΠ΅ Π΄ΠΎΡΠΊΠΈ Π½Π°ΡΠ΅Π·Π°Π½Ρ Π½ΡΠΆΠ½ΠΎ ΠΈΡ ΠΎΡΡΡΡΠ°Π³Π°ΡΡ, ΡΡΠΎΠ±Ρ ΠΈΠ·Π±Π°Π²ΠΈΡΡΡΡ ΠΎΡ Π·Π°ΡΡΠ΅Π½ΡΠ΅Π². Π’Π°ΠΊΠΆΠ΅ ΠΆΠ΅Π»Π°ΡΠ΅Π»ΡΠ½ΠΎ ΡΠ½ΡΡΡ ΡΠ°ΡΠΊΠΈ, ΡΡΠΎΠ±Ρ ΠΊΡΠ°Ρ Π±ΡΠ»ΠΈ Π³Π»Π°Π΄ΠΊΠΈΠΌΠΈ. ΠΠΎΡΠ»Π΅ ΡΠ΅Π³ΠΎ ΠΌΠΎΠΆΠ½ΠΎ ΠΏΡΠΈΡΡΡΠΏΠΈΡΡ ΠΊ ΡΠ±ΠΎΡΠΊΠ΅ ΡΠ°Π΄ΠΎΠ²ΠΎΠΉ ΡΠΊΠ°ΠΌΠ΅ΠΉΠΊΠΈ.
Π‘Π½Π°ΡΠ°Π»Π° ΡΠΎΠ±ΠΈΡΠ°ΡΡΡΡ Π½ΠΎΠΆΠΊΠΈ. ΠΠΎΠΆΠΊΠΈ ΡΠΎΠ΅Π΄ΠΈΠ½ΡΡΡΡΡ ΠΌΠ΅ΠΆΠ΄Ρ ΡΠΎΠ±ΠΎΠΉ Ρ ΠΏΠΎΠΌΠΎΡΡΡ ΠΏΠΎΠΏΠ΅ΡΠ΅ΡΠ΅Π½ ΠΏΠΎ ΡΡΠ΅Π΄ΡΡΠ²Π°ΠΌ ΡΠ°ΠΌΠΎΡΠ΅Π·ΠΎΠ². ΠΠΎΡΠ»Π΅ ΡΠ΅Π³ΠΎ Π½Π° ΠΏΠΎΠ»ΡΡΠΈΠ²ΡΠΈΠ΅ΡΡ Π½ΠΎΠΆΠΊΠΈ ΠΊΡΠ΅ΠΏΡΡΡΡ Π΄ΠΎΡΠΊΠΈ ΡΠΈΠ΄Π΅Π½ΡΡ ΠΈ ΡΠΏΠΈΠ½ΠΊΠΈ. ΠΡΠΈ Π΄ΠΎΡΠΊΠΈ ΡΠ°ΠΊ ΠΆΠ΅ ΠΊΡΠ΅ΠΏΡΡΡΡ ΡΠ°ΠΌΠΎΡΠ΅Π·Π°ΠΌΠΈ. ΠΠ»Ρ ΡΠΎΠ³ΠΎ ΡΡΠΎΠ±Ρ ΡΠΏΡΡΡΠ°ΡΡ ΠΊΡΠ΅ΠΏΠ΅ΠΆ, ΠΊΡΠ΅ΠΏΠ»Π΅Π½ΠΈΠ΅ Π½ΡΠΆΠ½ΠΎ Π΄Π΅Π»Π°ΡΡ Ρ ΠΎΠ±ΡΠ°ΡΠ½ΠΎΠΉ ΡΡΠΎΡΠΎΠ½Ρ.

Π€ΠΠ’Π ΡΠΊΠ°ΠΌΠ΅ΠΉΠΊΠΈ ΡΠ·Π°Π΄ΠΈ
ΠΡΠ»ΠΈ Π΄Π»ΠΈΠ½Ρ ΡΠ°ΠΌΠΎΡΠ΅Π·ΠΎΠ² Π½Π΅ Ρ Π²Π°ΡΠ°Π΅Ρ, ΡΠΎ ΠΌΠΎΠΆΠ½ΠΎ ΠΏΡΠ΅Π΄Π²Π°ΡΠΈΡΠ΅Π»ΡΠ½ΠΎ ΠΏΡΠΎΡΠ²Π΅ΡΠ»ΠΈΡΡ ΠΎΡΠ²Π΅ΡΡΡΠΈΠ΅ Π΄ΠΈΠ°ΠΌΠ΅ΡΡΠΎΠΌ Π±ΠΎΠ»ΡΡΠ΅, ΡΠ΅ΠΌ ΡΠ»ΡΠΏΠΊΠ° ΡΠ°ΠΌΠΎΡΠ΅Π·Π°.

ΠΡΠ΅ΠΏΠ»Π΅Π½ΠΈΠ΅ ΡΠΏΠΈΠ½ΠΊΠΈ
ΠΠ°ΠΊΠ»ΡΡΠΈΡΠ΅Π»ΡΠ½ΡΠΌ ΡΡΠ°ΠΏΠΎΠΌ ΡΠ±ΠΎΡΠΊΠΈ ΡΠΊΠ°ΠΌΠ΅ΠΉΠΊΠΈ ΡΠ²Π»ΡΠ΅ΡΡΡ ΡΡΡΠ°Π½ΠΎΠ²ΠΊΠ° Π½ΠΈΠΆΠ½Π΅ΠΉ ΠΏΠΎΠΏΠ΅ΡΠ΅ΡΠΈΠ½Ρ, ΠΊΠΎΡΠΎΡΠ°Ρ ΡΠΊΡΠ΅ΠΏΠ»ΡΠ΅Ρ Π½ΠΎΠΆΠΊΠΈ ΠΌΠ΅ΠΆΠ΄Ρ ΡΠΎΠ±ΠΎΠΉ.
ΠΠΎΡΠ»Π΅ ΡΠΎΠ³ΠΎ ΠΊΠ°ΠΊ ΡΠΊΠ°ΠΌΠ΅ΠΉΠΊΠ° ΡΠΎΠ±ΡΠ°Π½Π° Π΅Π΅ ΠΌΠΎΠΆΠ½ΠΎ ΠΏΠΎΠΊΡΡΡΡ Π»Π°ΠΊΠΎΠΌ Π΄Π»Ρ Π·Π°ΡΠΈΡΡ ΠΎΡ Π²Π»Π°Π³ΠΈ, ΠΏΡΠΈΠΌΠ΅Π½ΠΈΠ² ΡΡ ΡΠΎΠ²ΡΠΉ Π»Π°ΠΊ. ΠΠΈΠ±ΠΎ ΠΎΠ±ΡΠ°Π±ΠΎΡΠ°ΡΡ ΠΏΡΠΎΠΏΠΈΡΠΊΠΎΠΉ ΠΎΡ Π³Π½ΠΈΠ΅Π½ΠΈΡ ΠΊΠ°ΠΊ Π΄Π΅ΡΡΠΊΡΡ ΠΏΠ΅ΡΠΎΡΠ½ΠΈΡΡ. ΠΠ΅Π·ΡΡΠ»ΠΎΠ²Π½ΠΎ, ΠΏΠΎΠΊΡΡΡΠΈΠ΅ Π»Π°ΠΊΠΎΠΌ Π²ΡΠ³Π»ΡΠ΄ΠΈΡ Π³ΠΎΡΠ°Π·Π΄ΠΎ Π»ΡΡΡΠ΅, Π½ΠΎ ΠΎΠ½ΠΎ ΠΎΠ±Π»Π°Π΄Π°Π΅Ρ ΠΎΠ΄Π½ΠΈΠΌ ΡΡΡΠ΅ΡΡΠ²Π΅Π½Π½ΡΠΌ Π½Π΅Π΄ΠΎΡΡΠ°ΡΠΊΠΎΠΌ, ΡΠΊΠ°ΠΌΠ΅ΠΉΠΊΠ° ΡΡΠ°Π½ΠΎΠ²ΠΈΡΡΡ Ρ ΠΎΠ»ΠΎΠ΄Π½ΠΎΠΉ Π½Π° ΠΎΡΡΠΏΡ.
Π’Π°ΠΊ ΠΆΠ΅ Π΅ΡΠ»ΠΈ ΠΏΡΠΎΡΡΠΎ ΠΏΠΎΠΊΡΡΡΡ Π»Π°ΠΊΠΎΠΌ ΡΠΊΠ°ΠΌΠ΅ΠΉΠΊΡ ΠΎΠ½Π° Π±ΡΠ΄Π΅Ρ ΡΠ΅ΡΡΠ°Π²ΠΎΠΉ. Π§ΡΠΎΠ±Ρ ΡΠΊΠ°ΠΌΠ΅ΠΉΠΊΠ° Π±ΡΠ»Π° Π³Π»Π°Π΄ΠΊΠΎΠΉ Π½ΡΠΆΠ½ΠΎ ΡΠ½Π°ΡΠ°Π»Π° ΠΏΠΎΠΊΡΡΡΡ Π΅Π΅ ΠΎΠ΄Π½ΠΈΠΌ ΡΠ»ΠΎΠ΅ΠΌ Π»Π°ΠΊΠ°, Π΄ΠΎΠΆΠ΄Π°ΡΡΡΡ ΠΊΠΎΠ³Π΄Π° ΠΎΠ½ Π²ΡΡΠΎΡ Π½Π΅Ρ. ΠΠΎΡΠ»Π΅ ΡΠ΅Π³ΠΎ Π½Π°ΠΆΠ΄Π°ΡΠ½ΠΎΠΉ Π±ΡΠΌΠ°Π³ΠΎΠΉ ΠΎΠ±ΡΠ°Π±ΠΎΡΠ°ΡΡ ΠΏΠΎΡΠ²ΠΈΠ²ΡΠΈΠ΅ΡΡ ΡΠ΅ΡΡΠ°Π²ΡΠ΅ ΠΌΠ΅ΡΡΠ°, ΠΏΠΎΡΠ»Π΅ ΡΠ΅Π³ΠΎ ΠΏΠΎΠΊΡΡΡΡ Π΅ΡΠ΅ Π΄Π²ΡΠΌΡ ΡΠ»ΠΎΡΠΌΠΈ Π»Π°ΠΊΠ°. Π’ΠΎΠ³Π΄Π° ΡΠΊΠ°ΠΌΠ΅ΠΉΠΊΠ° Π±ΡΠ΄Π΅Ρ Π³Π»Π°Π΄ΠΊΠΎΠΉ. ΠΠ° ΡΠΎΡΠΎ ΡΠΊΠ°ΠΌΠ΅ΠΉΠΊΠ° ΠΊΠΎΡΠΎΡΠΎΠΉ ΠΈΠ΄Π΅Ρ ΡΠ΅ΡΠ²Π΅ΡΡΡΠΉ Π³ΠΎΠ΄. Π’Π°ΠΊ Π²ΠΎΡ ΠΎΠ½Π° Ρ ΠΎΡΠΎΡΠΎ ΡΠΎΡ ΡΠ°Π½ΠΈΠ»Π°ΡΡ. ΠΡΡΠ΅ΡΡΠ²Π΅Π½Π½ΠΎ Π½Π° Π·ΠΈΠΌΡ ΠΎΠ½Π° ΡΠ±ΠΈΡΠ°Π΅ΡΡΡ Π² Π΄ΠΎΠΌΠΈΠΊ.
Π§ΡΠΎΠ±Ρ Π²Π°ΠΌ Π±ΡΠ»ΠΎ ΠΏΡΠΎΡΠ΅ ΡΠ΄Π΅Π»Π°ΡΡ ΡΠΊΠ°ΠΌΠ΅ΠΉΠΊΡ ΡΠ²ΠΎΠΈΠΌΠΈ ΡΡΠΊΠ°ΠΌΠΈ ΠΏΡΠΈΠ²Π΅Π΄Ρ ΡΠ΅ΡΡΠ΅ΠΆΠΈ ΡΠΊΠ°ΠΌΠ΅ΠΉΠΊΠΈ.

Π§Π΅ΡΡΠ΅ΠΆ Π²ΠΈΠ΄ ΡΠ±ΠΎΠΊΡ Ρ ΡΠ°Π·ΠΌΠ΅ΡΠ°ΠΌΠΈ

Π§Π΅ΡΡΠ΅ΠΆ Π²ΠΈΠ΄ ΡΠΏΠ΅ΡΠ΅Π΄ΠΈ.
Β
Β
ΠΠΎΠ½ΡΠ°Π²ΠΈΠ»ΡΡ Π½Π°Ρ ΡΠ°ΠΉΡ? ΠΡΠΈΡΠΎΠ΅Π΄ΠΈΠ½ΡΠΉΡΠ΅ΡΡ ΠΈΠ»ΠΈ ΠΏΠΎΠ΄ΠΏΠΈΡΠΈΡΠ΅ΡΡ (Π½Π° ΠΏΠΎΡΡΡ Π±ΡΠ΄ΡΡ ΠΏΡΠΈΡ ΠΎΠ΄ΠΈΡΡ ΡΠ²Π΅Π΄ΠΎΠΌΠ»Π΅Π½ΠΈΡ ΠΎ Π½ΠΎΠ²ΡΡ ΡΠ΅ΠΌΠ°Ρ ) Π½Π° Π½Π°Ρ ΠΊΠ°Π½Π°Π» Π² ΠΠΈΡΠ’Π΅ΡΠ΅Π½!
sdelaisam.mirtesen.ru
ΠΡΠΎΡΡΠ°Ρ ΡΠΊΠ°ΠΌΠ΅ΠΉΠΊΠ° ΡΠ²ΠΎΠΈΠΌΠΈ ΡΡΠΊΠ°ΠΌΠΈ: ΡΠ΅ΡΡΠ΅ΠΆΠΈ, ΡΠΎΡΠΎ

ΠΡΠΎΡΡΠ°Ρ ΡΠΊΠ°ΠΌΠ΅ΠΉΠΊΠ°: ΡΠ΅ΡΡΠ΅ΠΆΠΈ, ΡΠ°Π·ΠΌΠ΅ΡΡ, ΡΠΎΡΠΎ. ΠΠ°ΠΊ ΡΠ΄Π΅Π»Π°ΡΡ ΠΏΡΠΎΡΡΡΡ ΡΠΊΠ°ΠΌΠ΅ΠΉΠΊΡ ΡΠ²ΠΎΠΈΠΌΠΈ ΡΡΠΊΠ°ΠΌΠΈ, ΠΏΠΎΡΠ°Π³ΠΎΠ²ΠΎΠ΅ ΠΈΠ·Π³ΠΎΡΠΎΠ²Π»Π΅Π½ΠΈΠ΅ ΡΠΊΠ°ΠΌΠ΅ΠΉΠΊΠΈ Ρ ΡΠΎΡΠΎ.
Π ΠΏΡΠΎΡΠ»ΠΎΠΉ ΡΡΠ°ΡΡΠ΅ ΠΌΡ ΡΠΆΠ΅ ΠΏΠΎΠ΄ΡΠΎΠ±Π½ΠΎ ΡΠ°ΡΡΠΌΠ°ΡΡΠΈΠ²Π°Π»ΠΈ ΠΈΠ·Π³ΠΎΡΠΎΠ²Π»Π΅Π½ΠΈΠ΅ Π΄Π΅ΡΠ΅Π²ΡΠ½Π½ΠΎΠΉ ΡΠΊΠ°ΠΌΠ΅ΠΉΠΊΠΈ ΠΈΠ· Π΄ΠΎΡΠΎΠΊ, Π½Π° ΡΡΠΎΡ ΡΠ°Π· ΠΌΡ ΡΠ°ΠΊΠΆΠ΅ Π·Π°ΠΉΠΌΡΠΌΡΡ ΠΈΠ·Π³ΠΎΡΠΎΠ²Π»Π΅Π½ΠΈΠ΅ΠΌ ΡΠΊΠ°ΠΌΠ΅ΠΉΠΊΠΈ ΡΠΎ ΡΠΏΠΈΠ½ΠΊΠΎΠΉ, Π½ΠΎ ΠΊΠΎΠ½ΡΡΡΡΠΊΡΠΈΡ ΡΡΠΎΠΉ ΡΠΊΠ°ΠΌΠ΅ΠΉΠΊΠΈ Π±ΡΠ΄Π΅Ρ Π½Π΅ΠΌΠ½ΠΎΠ³ΠΎ ΠΏΡΠΎΡΠ΅.
ΠΠ°Π²ΠΎΡΠΊΠ° Π΄ΠΎΡΡΠ°ΡΠΎΡΠ½ΠΎ ΠΏΡΠΎΡΡΠ° Π² ΠΈΠ·Π³ΠΎΡΠΎΠ²Π»Π΅Π½ΠΈΠΈ, ΡΠ΄Π΅Π»Π°ΡΡ Π΅Ρ Π½Π΅ ΡΠΎΡΡΠ°Π²ΠΈΡ Π±ΠΎΠ»ΡΡΠΎΠ³ΠΎ ΡΡΡΠ΄Π°.
ΠΠ°ΡΠ΅ΡΠΈΠ°Π»Ρ Π΄Π»Ρ ΠΈΠ·Π³ΠΎΡΠΎΠ²Π»Π΅Π½ΠΈΡ ΡΠΊΠ°ΠΌΠ΅ΠΉΠΊΠΈ:
- ΠΠΎΡΠΊΠΈ.
- Π‘Π°ΠΌΠΎΡΠ΅Π·Ρ ΠΏΠΎ Π΄Π΅ΡΠ΅Π²Ρ.
- Π‘ΡΠΎΠ»ΡΡΠ½ΡΠΉ ΠΊΠ»Π΅ΠΉ.
- ΠΠ°ΠΆΠ΄Π°ΡΠ½Π°Ρ Π±ΡΠΌΠ°Π³Π°.
- ΠΡΠΎΠ·ΡΠ°ΡΠ½ΡΠΉ Π»Π°ΠΊ.
ΠΠ½ΡΡΡΡΠΌΠ΅Π½ΡΡ Π΄Π»Ρ ΠΈΠ·Π³ΠΎΡΠΎΠ²Π»Π΅Π½ΠΈΡ ΡΠΊΠ°ΠΌΠ΅ΠΉΠΊΠΈ:
- ΠΠΎΠΆΠΎΠ²ΠΊΠ° ΠΏΠΎ Π΄Π΅ΡΠ΅Π²Ρ.
- ΠΡΠ΅Π»Ρ ΡΠΎ ΡΠ²Π΅ΡΠ»ΠΎΠΌ Π΄ΠΈΠ°ΠΌΠ΅ΡΡΠΎΠΌ 2 ΠΌΠΌ.
- Π¨ΡΡΡΠΏΠΎΠ²ΡΡΡ ΠΈΠ»ΠΈ ΡΠΈΠ³ΡΡΠ½Π°Ρ ΠΎΡΠ²ΡΡΡΠΊΠ°.
- ΠΠ²Π΅ ΡΡΡΡΠ±ΡΠΈΠ½Ρ.
- Π£Π³ΠΎΠ»ΡΠ½ΠΈΠΊ, ΡΡΠ»Π΅ΡΠΊΠ°, ΠΊΠ°ΡΠ°Π½Π΄Π°Ρ.
ΠΡΠΎΡΡΠ°Ρ ΡΠΊΠ°ΠΌΠ΅ΠΉΠΊΠ° ΡΠ΅ΡΡΠ΅ΠΆΠΈ.
ΠΠ° ΡΠΈΡΡΠ½ΠΊΠ΅ ΠΏΡΠ΅Π΄ΠΎΡΡΠ°Π²Π»Π΅Π½Ρ ΡΠ΅ΡΡΠ΅ΠΆΠΈ Ρ ΡΠ°Π·ΠΌΠ΅ΡΠ°ΠΌΠΈ Π΄Π΅ΡΠ°Π»Π΅ΠΉ ΡΠΊΠ°ΠΌΠ΅ΠΉΠΊΠΈ.

Π‘Ρ Π΅ΠΌΠ° ΡΠ±ΠΎΡΠΊΠΈ ΡΠΊΠ°ΠΌΠ΅ΠΉΠΊΠΈ.
ΠΡΠ°ΠΊ, ΠΏΡΠΈΡΡΡΠΏΠΈΠΌ ΠΊ ΠΈΠ·Π³ΠΎΡΠΎΠ²Π»Π΅Π½ΠΈΡ ΡΠ°ΠΌΠΎΠΉ ΠΏΡΠΎΡΡΠΎΠΉ ΡΠΊΠ°ΠΌΠ΅ΠΉΠΊΠΈ, Π²ΡΠ΅ Π΄Π΅ΡΠ°Π»ΠΈ ΠΊΡΠ΅ΠΏΡΡΡΡ Ρ ΠΏΠΎΠΌΠΎΡΡΡ ΡΠ°ΠΌΠΎΡΠ΅Π·ΠΎΠ². Π§ΡΠΎΠ±Ρ ΡΠΎΠ΅Π΄ΠΈΠ½Π΅Π½ΠΈΡ Π±ΡΠ»ΠΈ Π±ΠΎΠ»Π΅Π΅ ΠΏΡΠΎΡΠ½ΡΠΌΠΈ, ΠΈ Π² Π½ΠΈΡ Π½Π΅ ΠΏΠΎΠΏΠ°Π΄Π°Π»Π° Π»ΠΈΡΠ½ΡΡ Π²Π»Π°Π³Π°, ΠΌΠΎΠΆΠ½ΠΎ Π΄ΠΎΠΏΠΎΠ»Π½ΠΈΡΠ΅Π»ΡΠ½ΠΎ ΠΌΠ΅ΡΡΠ° ΡΠΎΠ΅Π΄ΠΈΠ½Π΅Π½ΠΈΠΉ ΠΏΠΎΡΠ°Π΄ΠΈΡΡ Π½Π° ΡΡΠΎΠ»ΡΡΠ½ΡΠΉ ΠΊΠ»Π΅ΠΉ, Π° ΠΏΠΎΡΠΎΠΌ ΡΠΆΠ΅ ΠΊΡΠ΅ΠΏΠΈΡΡ ΠΈΡ Π½Π° ΡΠ°ΠΌΠΎΡΠ΅Π·Ρ.
Π§ΡΠΎΠ±Ρ ΡΠΊΡΡΡΡ ΡΠ»ΡΠΏΠΊΠΈ ΡΠ°ΠΌΠΎΡΠ΅Π·ΠΎΠ² Π²ΠΊΡΡΡΠΈΠ²Π°ΡΡ ΠΈΡ Π±ΡΠ΄Π΅ΠΌ Ρ Π²Π½ΡΡΡΠ΅Π½Π½Π΅ΠΉ ΡΡΠΎΡΠΎΠ½Ρ ΡΠΊΠ°ΠΌΠ΅ΠΉΠΊΠΈ, Π΄Π»Ρ ΡΡΠΎΠ³ΠΎ Π² ΠΌΠ΅ΡΡΠ°Ρ ΡΠΎΠ΅Π΄ΠΈΠ½Π΅Π½ΠΈΠΉ ΡΠ½Π°ΡΠ°Π»Π° ΡΠ²Π΅ΡΠ»ΠΈΠΌ ΠΎΡΠ²Π΅ΡΡΡΠΈΡ Π΄ΠΈΠ°ΠΌΠ΅ΡΡΠΎΠΌ ΠΌΠ΅Π½ΡΡΠ΅ ΡΠΎΠ»ΡΠΈΠ½Ρ ΡΠ°ΠΌΠΎΡΠ΅Π·Π°, Π° ΡΠΆΠ΅ ΠΏΠΎΡΠΎΠΌ Π²ΠΊΡΡΡΠΈΠ²Π°Π΅ΠΌ ΡΠ°ΠΌΠΎΡΠ΅Π·Ρ.
ΠΠ· Π΄ΠΎΡΠΎΠΊ ΠΎΡΠΏΠΈΠ»ΠΈΠ²Π°Π΅ΠΌ Π²ΡΠ΅ ΡΠ°ΡΡΠΈ Π΄Π»Ρ ΡΠΊΠ°ΠΌΠ΅ΠΉΠΊΠΈ ΡΠΎΠ³Π»Π°ΡΠ½ΠΎ, ΡΠ΅ΡΡΠ΅ΠΆΠ΅ΠΉ, ΡΠ°Π·ΠΌΠ΅ΡΡ ΡΠΊΠ°ΠΌΠ΅ΠΉΠΊΠΈ ΠΌΠΎΠΆΠ½ΠΎ ΠΈΠ·ΠΌΠ΅Π½ΠΈΡΡ ΠΏΠΎ ΡΠ²ΠΎΠ΅ΠΌΡ ΡΡΠΌΠΎΡΡΠ΅Π½ΠΈΡ.
ΠΠ·Π³ΠΎΡΠΎΠ²ΠΈΠΌ ΠΈΠ· Π½ΠΎΠΆΠ΅ΠΊ Π΄Π²Π΅ Π±ΠΎΠΊΠΎΠ²ΠΈΠ½Ρ Π΄Π»Ρ ΡΠΊΠ°ΠΌΠ΅ΠΉΠΊΠΈ. Π‘ΡΡΠ΅Π»ΠΊΠ°ΠΌΠΈ ΠΏΠΎΠΊΠ°Π·Π°Π½Ρ ΠΌΠ΅ΡΡΠ° Π²ΠΊΡΡΡΠΈΠ²Π°Π½ΠΈΡ ΡΠ°ΠΌΠΎΡΠ΅Π·ΠΎΠ² Π΄Π»Ρ ΠΊΡΠ΅ΠΏΠ»Π΅Π½ΠΈΡ ΠΏΠ»Π°Π½ΠΎΠΊ ΡΠΈΠ΄Π΅Π½ΠΈΡ ΠΈ ΡΠΏΠΈΠ½ΠΊΠΈ.

Π Π±ΠΎΠΊΠΎΠ²ΠΈΠ½Π°ΠΌ ΠΊΡΠ΅ΠΏΠΈΠΌ ΠΎΠΏΠΎΡΡ Π΄Π»Ρ ΡΠΏΠΈΠ½ΠΊΠΈ ΡΠΊΠ°ΠΌΠ΅ΠΉΠΊΠΈ.

Π‘ΠΎΠ΅Π΄ΠΈΠ½ΡΠ΅ΠΌ Π΄Π²Π΅ ΠΎΠΏΠΎΡΡ ΠΏΠΎΠΏΠ΅ΡΠ΅ΡΠΈΠ½ΠΎΠΉ.

Π£ΡΡΠ°Π½Π°Π²Π»ΠΈΠ²Π°Π΅ΠΌ ΠΏΠ»Π°Π½ΠΊΠΈ Π΄Π»Ρ ΡΠΈΠ΄Π΅Π½ΠΈΡ ΡΠΊΠ°ΠΌΠ΅ΠΉΠΊΠΈ. Π§ΡΠΎΠ±Ρ ΡΠΊΡΡΡΡ ΡΠ»ΡΠΏΠΊΠΈ ΡΠ°ΠΌΠΎΡΠ΅Π·ΠΎΠ², Π²ΠΊΡΡΡΠΈΠ²Π°Π΅ΠΌ ΠΈΡ Ρ ΠΎΠ±ΡΠ°ΡΠ½ΠΎΠΉ ΡΡΠΎΡΠΎΠ½Ρ, ΡΠΊΠ²ΠΎΠ·Ρ Π±ΠΎΠΊΠΎΠ²ΡΡ ΠΎΠΏΠΎΡΡ Π² ΠΏΠ»Π°Π½ΠΊΡ ΡΠΈΠ΄Π΅Π½ΠΈΡ.


Π’Π°ΠΊΠΈΠΌ ΠΆΠ΅ ΡΠΏΠΎΡΠΎΠ±ΠΎΠΌ ΡΠΎΠ±ΠΈΡΠ°Π΅ΠΌ ΡΠΏΠΈΠ½ΠΊΡ Π΄Π»Ρ ΡΠΊΠ°ΠΌΠ΅ΠΉΠΊΠΈ, ΠΊΡΠ΅ΠΏΠΈΠΌ ΠΏΠ»Π°Π½ΠΊΠΈ ΠΊ ΠΎΠΏΠΎΡΠ°ΠΌ ΡΠΏΠΈΠ½ΠΊΠΈ, ΡΠ°ΠΌΠΎΡΠ΅Π·Ρ Π²ΠΊΡΡΡΠΈΠ²Π°Π΅ΠΌ Π½Π°ΠΈΡΠΊΠΎΡΠΎΠΊ ΡΠ½Π°ΡΠ°Π»Π° Π² ΠΎΠΏΠΎΡΡ ΠΏΠΎΡΠΎΠΌ Π² ΠΏΠ»Π°Π½ΠΊΠΈ ΡΠΈΠ΄Π΅Π½ΠΈΡ.

Β
ΠΠ°ΠΊ ΡΠ΄Π΅Π»Π°ΡΡ ΠΏΡΠΎΡΡΡΡ ΡΠΊΠ°ΠΌΠ΅ΠΉΠΊΡ ΡΠ²ΠΎΠΈΠΌΠΈ ΡΡΠΊΠ°ΠΌΠΈ ΡΠΎΡΠΎ.



ΠΡΡΠ°Π²Π»ΡΠ΅ΠΌ ΡΠ°ΠΌΠΎΡΠ΅Π· Π² ΠΎΡΠ²Π΅ΡΡΡΠΈΠ΅ ΠΈ Π²ΠΊΡΡΡΠΈΠ²Π°Π΅ΠΌ ΡΡΡΡΠΏΠΎΠ²ΡΡΡΠΎΠΌ. Π§ΡΠΎΠ±Ρ Π²ΡΠ΅ΠΌΠ΅Π½Π½ΠΎ Π·Π°ΡΠΈΠΊΡΠΈΡΠΎΠ²Π°ΡΡ Π΄Π΅ΡΠ°Π»ΠΈ Π²ΠΎΡΠΏΠΎΠ»ΡΠ·ΡΠ΅ΠΌΡΡ ΡΡΡΡΠ±ΡΠΈΠ½Π°ΠΌΠΈ.


ΠΡΠΎΡΡΠ°Ρ ΡΠΊΠ°ΠΌΠ΅ΠΉΠΊΠ° Π³ΠΎΡΠΎΠ²Π°, ΡΡΠΎΠ±Ρ Π·Π°ΡΠΈΡΠΈΡΡ Π΄ΡΠ΅Π²Π΅ΡΠΈΠ½Ρ ΠΎΡ Π³Π½ΠΈΠ΅Π½ΠΈΡ Π²ΡΠΊΡΠΎΠ΅ΠΌ Π΅Ρ ΠΏΡΠΎΠ·ΡΠ°ΡΠ½ΡΠΌ Π»Π°ΠΊΠΎΠΌ.

sam-stroitel.com
Π‘ΠΊΠ°ΠΌΠ΅ΠΉΠΊΠ° ΡΠΎ ΡΡΠΎΠ»ΠΈΠΊΠΎΠΌ Π΄Π»Ρ Π΄Π°ΡΠΈ ΡΠ²ΠΎΠΈΠΌΠΈ ΡΡΠΊΠ°ΠΌΠΈ

ΠΡΠ΄ΡΡ Π½Π° Π΄Π°ΡΠ½ΠΎΠΌ ΡΡΠ°ΡΡΠΊΠ΅ ΡΠ²Π»ΡΠ΅ΡΡΡ Π½Π΅ΠΎΡΡΠ΅ΠΌΠ»Π΅ΠΌΠΎΠΉ ΡΠ°ΡΡΡΡ ΠΆΠΈΠ·Π½ΠΈ ΠΌΠ½ΠΎΠ³ΠΈΡ Π³ΠΎΡΠΎΠ΄ΡΠΊΠΈΡ ΠΆΠΈΡΠ΅Π»Π΅ΠΉ. Π‘ΠΌΠ΅Π½Π° ΠΎΠ±ΡΡΠ°Π½ΠΎΠ²ΠΊΠΈ ΠΈ Π΄Π΅ΡΡΠ΅Π»ΡΠ½ΠΎΡΡΠΈ, ΠΎΠ±ΡΠ΅Π½ΠΈΠ΅ Ρ ΠΏΡΠΈΡΠΎΠ΄ΠΎΠΉ ΠΎΡΠ»ΠΈΡΠ½ΠΎ Π²ΠΎΡΡΡΠ°Π½Π°Π²Π»ΠΈΠ²Π°ΡΡ ΠΆΠΈΠ·Π½Π΅Π½Π½ΡΠ΅ ΡΠΈΠ»Ρ ΡΠ΅Π»ΠΎΠ²Π΅ΠΊΠ°. ΠΠΎΠ±Π°Π²ΠΈΡΡ ΠΈΠ½Π΄ΠΈΠ²ΠΈΠ΄ΡΠ°Π»ΡΠ½ΠΎΡΡΠΈ Π²Π°ΡΠ΅ΠΉ Π΄Π°ΡΠ΅ ΠΌΠΎΠΆΠ΅Ρ Π΄Π°ΡΠ½Π°Ρ ΠΌΠ΅Π±Π΅Π»Ρ, ΠΈΠ·Π³ΠΎΡΠΎΠ²Π»Π΅Π½Π½Π°Ρ ΡΠ²ΠΎΠΈΠΌΠΈ ΡΡΠΊΠ°ΠΌΠΈ. ΠΡΡΡΠΈΠΌ ΠΌΠ°ΡΠ΅ΡΠΈΠ°Π»ΠΎΠΌ Π΄Π»Ρ Π΅Π΅ ΠΈΠ·Π³ΠΎΡΠΎΠ²Π»Π΅Π½ΠΈΡ ΡΠ²Π»ΡΠ΅ΡΡΡ Π΄ΡΠ΅Π²Π΅ΡΠΈΠ½Π°. Π‘Π΅Π³ΠΎΠ΄Π½Ρ ΡΠ°ΡΡΠΊΠ°ΠΆΠ΅ΠΌ ΠΎ ΡΠ΅Ρ Π½ΠΎΠ»ΠΎΠ³ΠΈΠΈ ΡΠ°ΠΌΠΎΡΡΠΎΡΡΠ΅Π»ΡΠ½ΠΎΠ³ΠΎ ΠΈΠ·Π³ΠΎΡΠΎΠ²Π»Π΅Π½ΠΈΡ ΠΎΡΠΈΠ³ΠΈΠ½Π°Π»ΡΠ½ΠΎΠΉ ΡΠΊΠ°ΠΌΠ΅ΠΉΠΊΠΈ Π½Π° Π΄Π²ΠΎΠΈΡ Ρ ΡΠ΄ΠΎΠ±Π½ΡΠΌ ΡΡΠΎΠ»ΠΈΠΊΠΎΠΌ ΠΏΠΎΡΠ΅ΡΠ΅Π΄ΠΈΠ½Π΅.
ΠΠ΅ΠΎΠ±Ρ ΠΎΠ΄ΠΈΠΌΡΠ΅ ΠΌΠ°ΡΠ΅ΡΠΈΠ°Π»Ρ Β ΠΈ ΠΈΠ½ΡΡΡΡΠΌΠ΅Π½ΡΡ
Π Π°Π±ΠΎΡΡ Π½Π°Π΄ ΡΠΊΠ°ΠΌΡΠ΅ΠΉ Π½Π°ΡΠ½Π΅ΠΌ Ρ ΠΏΠΎΠ΄Π±ΠΎΡΠ° ΠΌΠ°ΡΠ΅ΡΠΈΠ°Π»Π° ΠΈ ΠΈΠ½ΡΡΡΡΠΌΠ΅Π½ΡΠ°. ΠΠ°ΠΌ ΠΏΠΎΠ½Π°Π΄ΠΎΠ±ΡΡΡΡ Π΄ΠΎΡΠΊΠΈ Π»ΠΈΡΡΠ²Π΅Π½Π½ΡΠ΅ ΠΈΠ»ΠΈ Ρ Π²ΠΎΠΉΠ½ΡΠ΅, ΡΠΈΡΡΡΠΌ ΡΠ΅ΡΠ΅Π½ΠΈΠ΅ΠΌ 40Ρ 140, 40Ρ 80 ΠΈ 25Ρ 80 ΠΌΠΌ. Π’Π°ΠΊΠΎΠΉ ΡΠ°Π·ΠΌΠ΅Ρ Π΄ΠΎΠ»ΠΆΠ΅Π½ ΠΏΠΎΠ»ΡΡΠΈΡΡΡΡ ΠΏΠΎΡΠ»Π΅ ΠΏΡΠ΅Π΄Π²Π°ΡΠΈΡΠ΅Π»ΡΠ½ΠΎΠ³ΠΎ ΡΡΡΠΎΠ³Π°Π½ΠΈΡ Π½Π° ΡΠ΅ΠΉΡΠΌΡΡΠΎΠ²ΠΎΠΌ ΡΡΠ°Π½ΠΊΠ΅ ΠΈΠ»ΠΈ ΡΠ»Π΅ΠΊΡΡΠΎΡΡΠ±Π°Π½ΠΊΠΎΠΌ. ΠΡΠΎΠΌΠ΅ ΡΡΠΎΠ³ΠΎ Π½Π΅ ΠΎΠ±ΠΎΠΉΡΠΈΡΡ Π±Π΅Π· ΡΠΎΡΡΠΎΠ²ΠΎΡΠ½ΠΎΠΉ ΡΠ»Π΅ΠΊΡΡΠΎΠΏΠΈΠ»Ρ, ΡΠ»Π΅ΠΊΡΡΠΎΠ»ΠΎΠ±Π·ΠΈΠΊΠ° ΠΈ Π΄ΡΠ΅Π»ΠΈ (ΡΡΡΡΠΏΠΎΠ²Π΅ΡΡΠ°). ΠΠ»Ρ ΡΠ°Π·ΠΌΠ΅ΡΠΊΠΈ ΠΏΠΎΠ½Π°Π΄ΠΎΠ±ΠΈΡΡΡ ΠΌΠ΅ΡΡΠΎΠ²Π°Ρ ΠΌΠ΅ΡΠ°Π»Π»ΠΈΡΠ΅ΡΠΊΠ°Ρ Π»ΠΈΠ½Π΅ΠΉΠΊΠ° ΠΈΠ»ΠΈ ΡΡΠ»Π΅ΡΠΊΠ°. Π‘Π±ΠΎΡΠΊΡ ΠΊΠΎΠ½ΡΡΡΡΠΊΡΠΈΠΈ Π±ΡΠ΄Π΅ΠΌ ΠΎΡΡΡΠ΅ΡΡΠ²Π»ΡΡΡ Ρ ΠΏΠΎΠΌΠΎΡΡΡ ΡΠ΅ΡΠ½ΡΡ ΠΈΠ»ΠΈ ΠΎΡΠΈΠ½ΠΊΠΎΠ²Π°Π½Π½ΡΡ ΡΠ°ΠΌΠΎΡΠ΅Π·ΠΎΠ² ΠΏΠΎ Π΄Π΅ΡΠ΅Π²Ρ Π΄Π»ΠΈΠ½ΠΎΠΉ 50 ΠΈ 80 ΠΌΠΌ, Π³Π²ΠΎΠ·Π΄Π΅ΠΉ β50 ΠΈ ΠΊΠ»Π΅Ρ (ΠΠΠ ΠΈΠ»ΠΈ Π΅Π³ΠΎ Π°Π½Π°Π»ΠΎΠ³Π°).

ΠΠ΅ΡΠ²ΡΠΉ ΡΡΠ°ΠΏ β ΠΈΠ·Π³ΠΎΡΠΎΠ²Π»Π΅Π½ΠΈΠ΅ ΠΎΠΏΠΎΡ ΡΠΊΠ°ΠΌΡΠΈ
ΠΠ· Π΄ΠΎΡΠΊΠΈ 25Ρ 80 Π½Π°ΠΏΠΈΠ»ΠΈΡΠ΅ 2 Π΄Π΅ΡΠ°Π»ΠΈ Π΄Π»ΠΈΠ½ΠΎΠΉ 60 ΡΠΌ ΠΈ Π΄Π²Π΅ Π΄Π΅ΡΠ°Π»ΠΈ ΡΡΡΡ Π±ΠΎΠ»ΡΡΠ΅ΠΉ Π΄Π»ΠΈΠ½Ρ, ΠΈΠ· Π΄ΠΎΡΠΊΠΈ 40Ρ 80 β Π΄Π²Π΅ Π΄Π΅ΡΠ°Π»ΠΈ ΠΏΠΎ 58 ΡΠΌ. Π Π±ΠΎΠ»Π΅Π΅ ΡΠΎΠ»ΡΡΡΡ Π·Π°Π³ΠΎΡΠΎΠ²ΠΊΠ°Ρ ΡΠ°Π·ΠΌΠ΅ΡΠΈΠΌ ΠΈ Π²ΡΠΏΠΈΠ»ΠΈΠΌ ΠΏΠ°Π·Ρ Π³Π»ΡΠ±ΠΈΠ½ΠΎΠΉ 4 ΠΈ ΡΠΈΡΠΈΠ½ΠΎΠΉ 14 ΡΠΌ. ΠΡΠ°ΠΉ ΡΠ³Π»ΡΠ±Π»Π΅Π½ΠΈΡ Π΄ΠΎΠ»ΠΆΠ΅Π½ ΡΠ°ΡΠΏΠΎΠ»Π°Π³Π°ΡΡΡΡ Π½Π° ΡΠ΄Π°Π»Π΅Π½ΠΈΠΈ ΠΎΡ ΠΎΠ΄Π½ΠΎΠ³ΠΎ ΠΈΠ· ΡΠΎΡΡΠΎΠ² Π½Π° 21 ΡΠΌ.

ΠΡΠΏΠΈΠ»ΠΈΠ²Π°ΡΡ ΠΏΠ°Π· ΡΠ΄ΠΎΠ±Π½ΠΎ Ρ ΠΏΠΎΠΌΠΎΡΡΡ ΡΠ»Π΅ΠΊΡΡΠΎΠ»ΠΎΠ±Π·ΠΈΠΊΠ°, Π½Π°Π΄Π΅ΠΆΠ½ΠΎ Π·Π°ΠΊΡΠ΅ΠΏΠΈΠ² Π·Π°Π³ΠΎΡΠΎΠ²ΠΊΡ Π½Π° Π²Π΅ΡΡΡΠ°ΠΊΠ΅.

Π’Π΅ΠΏΠ΅ΡΡ ΠΌΠΎΠΆΠ΅ΠΌ ΡΠΎΠ΅Π΄ΠΈΠ½ΠΈΡΡ ΠΏΠΎΠ»ΡΡΠ΅Π½Π½ΡΠ΅ ΡΠ°ΡΡΠΈ Ρ ΠΏΠΎΠΌΠΎΡΡΡ ΡΠ°ΠΌΠΎΡΠ΅Π·ΠΎΠ². ΠΡΠ΅Π΄Π²Π°ΡΠΈΡΠ΅Π»ΡΠ½ΠΎ ΠΌΠ΅ΡΡΠ° ΡΠΎΠ΅Π΄ΠΈΠ½Π΅Π½ΠΈΡ ΡΠΌΠ°Π·ΡΠ²Π°Π΅ΠΌ ΠΊΠ»Π΅Π΅ΠΌ, Π° ΠΌΠ΅ΡΡΠ° ΡΡΡΠ°Π½ΠΎΠ²ΠΊΠΈ ΡΡΡΡΠΏΠΎΠ² ΠΏΡΠΎΡΠ²Π΅ΡΠ»ΠΈΠ²Π°Π΅ΠΌ ΡΠ²Π΅ΡΠ»ΠΎΠΌ Π΄ΠΈΠ°ΠΌΠ΅ΡΡΠΎΠΌ 4 ΠΌΠΌ ΠΈ ΡΠ°Π·Π·Π΅Π½ΠΊΠΎΠ²ΡΠ²Π°Π΅ΠΌ (Π½Π°Π΄ΡΠ²Π΅ΡΠ»ΠΈΠ²Π°Π΅ΠΌ ΡΠ²Π΅ΡΠ»ΠΎΠΌ 8 ΠΌΠΌ Π½Π° Π³Π»ΡΠ±ΠΈΠ½Ρ 2-3 ΠΌΠΌ).

Π ΡΠ΅Π·ΡΠ»ΡΡΠ°ΡΠ΅ Π΄ΠΎΠ»ΠΆΠ½Ρ ΠΏΠΎΠ»ΡΡΠΈΡΡΡΡ Π΄Π²Π΅ Π-ΠΎΠ±ΡΠ°Π·Π½ΡΠ΅ ΡΡΠΎΠΉΠΊΠΈ. ΠΠ° ΡΠΎΡΠΎ ΠΏΠΎΠ΄ΡΠΎΠ±Π½ΠΎ ΠΏΠΎΠΊΠ°Π·Π°Π½ΠΎ Π²Π·Π°ΠΈΠΌΠ½ΠΎΠ΅ ΡΠ°ΡΠΏΠΎΠ»ΠΎΠΆΠ΅Π½ΠΈΠ΅ Π΄Π΅ΡΠ°Π»Π΅ΠΉ ΠΎΡΠ½ΠΎΡΠΈΡΠ΅Π»ΡΠ½ΠΎ Π΄ΡΡΠ³ Π΄ΡΡΠ³Π°.

Π‘ΠΎΠ΅Π΄ΠΈΠ½Π΅Π½ΠΈΠ΅ ΠΎΠΏΠΎΡ, ΠΌΠΎΠ½ΡΠ°ΠΆ ΠΎΡΠ½ΠΎΠ²Π°Π½ΠΈΡ Π΄Π°ΡΠ½ΠΎΠΉ ΡΠΊΠ°ΠΌΠ΅ΠΉΠΊΠΈ.
ΠΠΎΠ»ΡΡΠ΅Π½Π½ΡΠ΅ Π½ΠΎΠΆΠΊΠΈ ΡΠΎΠ΅Π΄ΠΈΠ½ΡΠ΅ΠΌ Π΄Π²ΡΠΌΡ ΡΡΡΠΎΠ³Π°Π½Π½ΡΠΌΠΈ Π΄ΠΎΡΠΊΠ°ΠΌΠΈ. ΠΠ΄Π½Π° ΠΈΠ· Π½ΠΈΡ ΡΠ΅ΡΠ΅Π½ΠΈΠ΅ΠΌ 40Ρ 140 ΠΈΠΌΠ΅Π΅Ρ Π΄Π»ΠΈΠ½Ρ 188 ΡΠΌ, Π²ΡΠΎΡΠ°Ρ ΡΠ΅ΡΠ΅Π½ΠΈΠ΅ΠΌ 25Ρ 80 Β Π΄Π»ΠΈΠ½ΠΎΠΉ 180 ΡΠΌ. ΠΠ΅ΡΠ²Π°Ρ ΡΠ΅ΠΉΠΊΠ° ΠΊΡΠ΅ΠΏΠΈΡΡΡ Π² ΠΏΡΠ΅Π΄Π²Π°ΡΠΈΡΠ΅Π»ΡΠ½ΠΎ ΠΏΡΠΎΠΏΠΈΠ»Π΅Π½Π½ΡΠ΅ ΠΏΠ°Π·Ρ Π² ΠΏΠ΅ΡΠ΅Π΄Π½ΠΈΡ Π½ΠΎΠΆΠΊΠ°Ρ , Π²ΡΠΎΡΠ°Ρ ΡΠΎΡΡΠΎΠΌ ΠΊ Π·Π°Π΄Π½ΠΈΠΌ ΠΎΠΏΠΎΡΠ°ΠΌ.

ΠΠΈΠΆΠ½ΡΡ ΠΊΡΠΎΠΌΠΊΠ° ΡΠΎΠ½ΠΊΠΎΠΉ Π΄ΠΎΡΠΊΠΈ Π΄ΠΎΠ»ΠΆΠ½Π° ΡΠ°ΡΠΏΠΎΠ»Π°Π³Π°ΡΡΡΡ Π½Π° ΡΠ°ΡΡΡΠΎΡΠ½ΠΈΠΈ 190 ΠΌΠΌ ΠΎΡ ΠΏΠΎΠ»Π°.
ΠΠ°Π»Π΅Π΅ ΡΠ°Π·ΠΌΠ΅ΡΠ°Π΅ΠΌ ΠΈ ΠΎΡΠΏΠΈΠ»ΠΈΠ²Π°Π΅ΠΌ ΡΠ΅ΡΡΡΠ΅ Π΄Π΅ΡΠ°Π»ΠΈ ΡΠ°Π²Π½ΠΎΠΉ Π΄Π»ΠΈΠ½Ρ Ρ Π΄Π°Π»ΡΠ½Π΅ΠΉΡΠΈΠΌ ΡΠ°ΡΠΏΠΎΠ»ΠΎΠΆΠ΅Π½ΠΈΠ΅ΠΌ ΠΏΠΎΠ²Π΅ΡΡ ΠΏΡΠΎΠ΄ΠΎΠ»ΡΠ½ΠΎΠΉ Π΄ΠΎΡΠΊΠΈ ΡΠΎΠ»ΡΠΈΠ½ΠΎΠΉ 40 ΠΌΠΌ, ΠΎΠ½ΠΈ Π±ΡΠ΄ΡΡ Π²ΡΡΡΡΠΏΠ°ΡΡ Π·Π° Π΅Π΅ ΠΏΡΠ΅Π΄Π΅Π»Ρ Π½Π° 30 ΠΌΠΌ. Π‘Π²Π΅ΡΠΈΠ²Π°ΡΡΠΈΠ΅ΡΡ ΡΠΎΡΡΡ ΠΏΡΠ΅Π΄Π²Π°ΡΠΈΡΠ΅Π»ΡΠ½ΠΎ Π΄ΠΎΠ»ΠΆΠ½Ρ Π±ΡΡΡ ΠΎΡΠΏΠΈΠ»Π΅Π½Ρ ΠΏΠΎΠ΄ ΡΠ³Π»ΠΎΠΌ 15Β Π³ΡΠ°Π΄ΡΡΠΎΠ².
ΠΠΎΠ»ΡΡΠ΅Π½Π½ΡΠ΅ ΠΏΠΎΠΏΠ΅ΡΠ΅ΡΠΈΠ½Ρ ΠΊΡΠ΅ΠΏΠΈΠΌ ΠΏΠΎ ΠΊΡΠ°ΡΠΌ ΡΠΊΠ°ΠΌΡΠΈ ΠΊ Π±ΠΎΠΊΠΎΠ²ΡΠΌ ΠΎΠΏΠΎΡΠ°ΠΌ ΠΈ Π½Π° ΡΠ°Π²Π½ΠΎΠΌ ΡΠ΄Π°Π»Π΅Π½ΠΈΠΈ ΠΎΡ Π½ΠΈΡ ΡΠ°ΠΌΠΎΡΠ΅Π·Π°ΠΌΠΈ, ΠΏΡΠ΅Π΄Π²Π°ΡΠΈΡΠ΅Π»ΡΠ½ΠΎ Π·Π°ΡΠ²Π΅ΡΠ»ΠΈΠ² ΠΎΡΠ²Π΅ΡΡΡΠΈΡ.

ΠΠΎΠ½ΡΠ°ΠΆ ΠΊΠ°ΡΠΊΠ°Ρ ΡΠΏΠΈΠ½ΠΊΠΈ ΡΠΊΠ°ΠΌΡΠΈ
ΠΠ»Ρ ΡΠΏΠΈΠ½ΠΊΠΈ ΡΠ°ΠΊ ΠΆΠ΅ ΠΎΡΠΏΠΈΠ»ΠΈΡΠ΅ 4 Π΄Π΅ΡΠ°Π»ΠΈ ΠΏΠΎ 600 ΠΌΠΌ, ΡΠΏΠΈΠ»ΠΈΠ² ΠΎΠ΄ΠΈΠ½ ΠΈΠ· ΡΠΎΡΡΠΎΠ² ΠΏΠΎΠ΄ ΡΠ³Π»ΠΎΠΌ 15 ΠΎ, Π° Π²ΡΠΎΡΠΎΠΉ Π·Π°ΠΊΡΡΠ³Π»ΠΈΠ² ΠΏΠΎ ΠΏΡΠ΅Π΄Π²Π°ΡΠΈΡΠ΅Π»ΡΠ½ΠΎΠΉ ΡΠ°Π·ΠΌΠ΅ΡΠΊΠ΅. ΠΡΠ΅ΠΏΠ»Π΅Π½ΠΈΠ΅ ΡΠΏΠΈΠ½ΠΊΠΈ ΠΎΡΡΡΠ΅ΡΡΠ²Π»ΡΠ΅ΠΌ ΠΊ ΡΠ°Π½Π΅Π΅ ΡΡΡΠ°Π½ΠΎΠ²Π»Π΅Π½Π½ΡΠΌ ΠΎΡΠ½ΠΎΠ²Π°Π½ΠΈΡΠΌ ΡΠΈΠ΄Π΅Π½ΠΈΠΉ.

ΠΠ±ΡΠΈΠ²Π° ΠΊΠ°ΡΠΊΠ°ΡΠ°, ΡΠ±ΠΎΡΠΊΠ°Β ΡΡΠΎΠ»ΠΈΠΊΠ° ΠΈ ΠΏΠΎΠ΄Π»ΠΎΠΊΠΎΡΠ½ΠΈΠΊΠΎΠ²
ΠΠΎΠ»ΡΡΠ΅Π½Π½ΡΠΉ ΠΊΠ°ΡΠΊΠ°Ρ Π½Π΅ΠΎΠ±Ρ ΠΎΠ΄ΠΈΠΌΠΎ ΠΎΠ±ΡΠΈΡΡ. ΠΠ»Ρ ΡΡΠΎΠ³ΠΎ ΠΏΠΎΠ΄ΠΎΠΉΠ΄ΡΡ ΠΏΡΠ΅Π΄Π²Π°ΡΠΈΡΠ΅Π»ΡΠ½ΠΎ ΠΏΡΠΎΡΡΡΠΎΠ³Π°Π½Π½ΡΠ΅ ΡΠ΅ΠΉΠΊΠΈ ΡΠ΅ΡΠ΅Π½ΠΈΠ΅ΠΌ 80Ρ 20 ΠΈΠ»ΠΈ ΠΎΠ±ΡΠΊΠ½ΠΎΠ²Π΅Π½Π½Π°Ρ Π²Π°Π³ΠΎΠ½ΠΊΠ°. ΠΡΠ΅ΠΏΠΈΡΡ ΠΈΡ ΠΌΠΎΠΆΠ½ΠΎ ΡΠ°ΠΌΠΎΡΠ΅Π·Π°ΠΌΠΈ ΠΈΠ»ΠΈ Π³Π²ΠΎΠ·Π΄ΡΠΌΠΈ β50.

ΠΠ΅ Π·Π°Π±ΡΠ²Π°ΠΉΡΠ΅ ΠΏΡΠ΅Π΄Π²Π°ΡΠΈΡΠ΅Π»ΡΠ½ΠΎ Π½Π°Π΄ΡΠ²Π΅ΡΠ»ΠΈΠ²Π°ΡΡ ΠΎΡΠ²Π΅ΡΡΡΠΈΡ Π² ΠΌΠ΅ΡΡΠ°Ρ ΡΡΡΠ°Π½ΠΎΠ²ΠΊΠΈ ΡΡΡΡΠΏΠΎΠ². ΠΠΌΠ΅ΡΡΠΎ ΠΏΡΠΈΠΌΠ΅Π½Π΅Π½ΠΈΡ Π΄Π²ΡΡ ΡΠ²Π΅ΡΠ» β ΠΎΡΠ½ΠΎΠ²Π½ΠΎΠ³ΠΎ ΠΈ Π·Π΅Π½ΠΊΡΡΡΠ΅Π³ΠΎ ΠΌΠΎΠΆΠ½ΠΎ Π²ΠΎΡΠΏΠΎΠ»ΡΠ·ΠΎΠ²Π°ΡΡΡΡ ΡΠΏΠ΅ΡΠΈΠ°Π»ΡΠ½ΡΠΌΠΈ ΡΠ²Π΅ΡΠ»Π°ΠΌΠΈ, ΠΈΠΌΠ΅ΡΡΠΈΠΌΠΈ ΠΏΠ΅ΡΠ΅Ρ ΠΎΠ΄ Ρ ΠΎΠ΄Π½ΠΎΠ³ΠΎ Π΄ΠΈΠ°ΠΌΠ΅ΡΡΠ° Π½Π° Π΄ΡΡΠ³ΠΎΠΉ.
Π Π°ΡΡΡΠΎΡΠ½ΠΈΠ΅ ΠΌΠ΅ΠΆΠ΄Ρ ΡΠΈΠ΄Π΅Π½ΡΡΠΌΠΈ ΠΈΡΠΏΠΎΠ»ΡΠ·ΡΠ΅ΠΌ Π΄Π»Ρ ΡΠ°ΡΠΏΠΎΠ»ΠΎΠΆΠ΅Π½ΠΈΡ Π½Π΅Π±ΠΎΠ»ΡΡΠΎΠ³ΠΎ ΡΡΠΎΠ»ΠΈΠΊΠ°, ΠΊΠΎΡΠΎΡΡΠΉ ΠΌΠΎΠΆΠ΅Ρ Π±ΡΡΡ ΠΈΡΠΏΠΎΠ»ΡΠ·ΠΎΠ²Π°Π½ Π΄Π»Ρ ΡΡΡΠ°Π½ΠΎΠ²ΠΊΠΈ Π½Π°ΠΏΠΈΡΠΊΠΎΠ² ΠΈ Π»Π΅Π³ΠΊΠΈΡ Π·Π°ΠΊΡΡΠΎΠΊ. ΠΠ³ΠΎ ΠΎΡΠ½ΠΎΠ²ΠΎΠΉ ΡΠ²Π»ΡΡΡΡΡ ΡΠ΅ΡΡΡΠ΅ Π±ΡΡΡΠΊΠ°, ΠΊΠΎΡΠΎΡΡΠ΅ ΠΏΡΠΈΠΊΡΠ΅ΠΏΠ»ΡΠ΅ΠΌ ΡΠ°ΠΌΠΎΡΠ΅Π·Π°ΠΌΠΈ ΠΊ ΠΏΡΠΎΠ΄ΠΎΠ»ΡΠ½ΡΠΌ Π΄ΠΎΡΠΊΠ°ΠΌ. ΠΠ°ΡΠΈΠΊΡΠΈΡΠΎΠ²Π°Π½Π½ΡΠ΅ ΡΡΠΎΠΉΠΊΠΈ ΡΠΎΠ΅Π΄ΠΈΠ½ΡΠ΅ΠΌ ΠΏΠΎΠΏΠ°ΡΠ½ΠΎ ΠΏΠΎΠΏΠ΅ΡΠ΅ΡΠ½ΡΠΌΠΈ Π΄Π΅ΡΠ°Π»ΡΠΌΠΈ.

Π Π΅ΠΉΠΊΠΈ ΡΡΠΎΠ»ΠΈΠΊΠ° ΡΠ΄ΠΎΠ±Π½ΠΎ ΠΊΡΠ΅ΠΏΠΈΡΡ ΠΏΠΎΠΏΠ΅ΡΠ΅ΠΊ ΡΠΊΠ°ΠΌΠ΅ΠΉΠΊΠΈ Π½Π° ΠΈΠ·Π³ΠΎΡΠΎΠ²Π»Π΅Π½Π½ΡΠ΅ ΠΎΡΠ½ΠΎΠ²Π°Π½ΠΈΡ.

ΠΠ»Ρ ΡΠ΄ΠΎΠ±ΡΡΠ²Π° ΠΈΡΠΏΠΎΠ»ΡΠ·ΠΎΠ²Π°Π½ΠΈΡ ΡΠΊΠ°ΠΌΡΠΈ Π½Π΅ Π·Π°Π±ΡΠ΄ΡΡΠ΅ ΠΈΠ·Π³ΠΎΡΠΎΠ²ΠΈΡΡ ΡΠ΄ΠΎΠ±Π½ΡΠ΅ ΠΏΠΎΠ΄Π»ΠΎΠΊΠΎΡΠ½ΠΈΠΊΠΈ ΠΈΠ· ΡΠΈΡΠΎΠΊΠΎΠΉ Π΄ΠΎΡΠΊΠΈ.
ΠΡΠ΄Π΅Π»ΠΊΠ°Β ΡΠΊΠ°ΠΌΠ΅ΠΉΠΊΠΈ Π·Π°ΡΠΈΡΠ½ΡΠΌΠΈ ΡΠΎΡΡΠ°Π²Π°ΠΌΠΈ
ΠΡΠ΅ΠΆΠ΄Π΅ Π²ΡΠ΅Π³ΠΎ, Π½Π΅ΠΎΠ±Ρ ΠΎΠ΄ΠΈΠΌΠΎ ΠΏΠΎΡΡΠ°ΡΠ°ΡΡΡΡ ΡΠΏΡΡΡΠ°ΡΡ ΠΌΠ΅ΡΡΠ° ΡΡΡΠ°Π½ΠΎΠ²ΠΊΠΈ ΡΡΡΡΠΏΠΎΠ². ΠΠ»Ρ ΡΡΠΎΠ³ΠΎ Π²ΠΎΡΠΏΠΎΠ»ΡΠ·ΡΠ΅ΠΌΡΡ ΡΠΏΠ°ΡΠ»Π΅Π²ΠΊΠΎΠΉ ΠΏΠΎ Π΄Π΅ΡΠ΅Π²Ρ, Π½Π°Π½ΠΎΡΡ ΠΈ ΡΠ°ΡΠΏΡΠ΅Π΄Π΅Π»ΡΡ Π΅Π΅ Ρ ΠΏΠΎΠΌΠΎΡΡΡ ΡΡΠ°Π»ΡΠ½ΠΎΠ³ΠΎ ΠΈΠ»ΠΈ ΡΠ΅Π·ΠΈΠ½ΠΎΠ²ΠΎΠ³ΠΎ ΡΠΏΠ°ΡΠ΅Π»Ρ.
ΠΠ°ΡΡΡΠ²ΡΠΈΠΉ ΡΠΎΡΡΠ°Π² Π½Π΅ΠΎΠ±Ρ ΠΎΠ΄ΠΈΠΌΠΎ Π·Π°ΡΠ»ΠΈΡΠΎΠ²Π°ΡΡ ΠΌΠ΅Π»ΠΊΠΎΠΉ ΡΠΊΡΡΠΊΠΎΠΉ, Π·Π°ΠΊΡΠ΅ΠΏΠ»Π΅Π½Π½ΠΎΠΉ Π½Π° Π΄Π΅ΡΠ΅Π²ΡΠ½Π½ΠΎΠΌ Π±ΡΡΡΠΊΠ΅ ΠΈΠ»ΠΈ ΠΈΡΠΏΠΎΠ»ΡΠ·ΡΡ ΡΠ»ΠΈΡΠΌΠ°ΡΠΈΠ½ΠΊΡ.
ΠΠΎΠ»ΡΡΠΎΠ΅ Π·Π½Π°ΡΠ΅Π½ΠΈΠ΅ Π΄Π»Ρ ΠΈΠ·Π΄Π΅Π»ΠΈΠΉ, ΡΠΊΡΠΏΠ»ΡΠ°ΡΠΈΡΡΡΡΠΈΡ ΡΡ Π½Π° ΠΎΡΠΊΡΡΡΠΎΠΌ Π²ΠΎΠ·Π΄ΡΡ Π΅, ΠΈΠΌΠ΅Π΅Ρ ΠΎΡΠ΄Π΅Π»ΠΊΠ°. Π ΡΠ»ΡΡΠ°Π΅ Π½Π΅ΠΏΡΠ°Π²ΠΈΠ»ΡΠ½ΠΎΠ³ΠΎ Π²ΡΠ±ΠΎΡΠ° ΠΎΡΠ΄Π΅Π»ΠΎΡΠ½ΡΡ ΠΌΠ°ΡΠ΅ΡΠΈΠ°Π»ΠΎΠ² ΡΡΠΎΠΊ ΡΠ»ΡΠΆΠ±Ρ Π΄Π°ΡΠ½ΠΎΠΉ ΠΌΠ΅Π±Π΅Π»ΠΈ ΡΠΌΠ΅Π½ΡΡΠ°Π΅ΡΡΡ Π² Π½Π΅ΡΠΊΠΎΠ»ΡΠΊΠΎ ΡΠ°Π·.
Π Π΅ΠΊΠΎΠΌΠ΅Π½Π΄ΡΠ΅ΠΌ ΠΈΡΠΏΠΎΠ»ΡΠ·ΠΎΠ²Π°ΡΡ ΠΈΠΌΠ΅ΡΡΠΈΠ΅ΡΡ Π² ΠΏΡΠΎΠ΄Π°ΠΆΠ΅ Π³ΠΎΡΠΎΠ²ΡΠ΅ ΡΡΠ΅Π΄ΡΡΠ²Π°, ΠΊΠΎΡΠΎΡΡΠ΅ Π½Π΅ ΡΠΎΠ»ΡΠΊΠΎ Π·Π°ΡΠΈΡΠ°ΡΡ ΠΈΠ·Π΄Π΅Π»ΠΈΠ΅, Π½ΠΎ ΠΈ ΠΏΡΠΈΠ΄Π°ΡΡ Π΅ΠΌΡ ΠΎΡΡΠ΅Π½ΠΎΠΊ Π±Π»Π°Π³ΠΎΡΠΎΠ΄Π½ΡΡ ΡΠΎΡΡΠΎΠ² Π΄ΡΠ΅Π²Π΅ΡΠΈΠ½Ρ. Π ΡΠ»ΡΡΠ°Π΅ ΠΏΡΠΈΠΌΠ΅Π½Π΅Π½ΠΈΡ ΡΠ°ΠΌΠΎΠ΄ΠΎΡΡΠ°ΡΠΎΡΠ½ΡΡ ΠΏΠΎΡΠΎΠ΄, ΠΎΠ±Π»Π°Π΄Π°ΡΡΠΈΡ Π²ΡΡΠ°ΠΆΠ΅Π½Π½ΠΎΠΉ ΡΠ΅ΠΊΡΡΡΡΠΎΠΉ, ΠΈΡΠΏΠΎΠ»ΡΠ·ΡΠΉΡΠ΅ Π½Π°ΡΡΡΠ°Π»ΡΠ½ΡΠ΅ ΠΌΠ°ΡΠ»Π° ΠΈΠ»ΠΈ ΠΎΠ»ΠΈΡΡ.

ΠΠ΅Π·Π°Π²ΠΈΡΠΈΠΌΠΎ ΠΎΡ Π²ΡΠ±ΡΠ°Π½Π½ΠΎΠ³ΠΎ ΠΌΠ°ΡΠ΅ΡΠΈΠ°Π»Π°, Π½Π°Π½ΠΎΡΠΈΡΡ Π΅Π³ΠΎ Π»ΡΡΡΠ΅ Π² Π½Π΅ΡΠΊΠΎΠ»ΡΠΊΠΎ ΡΠ»ΠΎΠ΅Π² ΡΠ°ΠΌΠΏΠΎΠ½ΠΎΠΌ ΠΈΠ»ΠΈ ΠΊΠΈΡΡΡΡ Π½Π° Π²ΡΠ΅ ΠΏΠΎΠ²Π΅ΡΡ Π½ΠΎΡΡΠΈ ΠΈΠ·Π΄Π΅Π»ΠΈΡ, Π° Π½Π΅ ΡΠΎΠ»ΡΠΊΠΎ Π½Π° Π²ΠΈΠ΄ΠΈΠΌΡΠ΅.

ΠΠΎΡΠ»Π΅Π΄Π½ΠΈΠΉ ΡΠ»ΠΎΠΉ Π»ΡΡΡΠ΅ Π·Π°ΠΊΡΠ΅ΠΏΠΈΡΡ Π°ΡΠΌΠΎΡΡΠ΅ΡΠΎΡΡΠΎΠΉΠΊΠΈΠΌ ΠΌΠ΅Π±Π΅Π»ΡΠ½ΡΠΌ Π»Π°ΠΊΠΎΠΌ. Π ΡΠ»ΡΡΠ°Π΅ Π²ΠΎΠ·ΠΌΠΎΠΆΠ½ΠΎΡΡΠΈ ΠΏΡΠΈΡ ΠΎΠ΄Π° Π±ΠΎΠ»ΡΡΠΎΠ³ΠΎ ΠΊΠΎΠ»ΠΈΡΠ΅ΡΡΠ²Π° Π³ΠΎΡΡΠ΅ΠΉ ΠΈ ΡΠΎΠ΄ΡΡΠ²Π΅Π½Π½ΠΈΠΊΠΎΠ² ΡΠ΅ΠΊΠΎΠΌΠ΅Π½Π΄ΡΠ΅ΠΌ ΠΈΠ·Π³ΠΎΡΠΎΠ²ΠΈΡΡ Π½Π΅ΡΠΊΠΎΠ»ΡΠΊΠΎ ΠΏΠΎΠ΄ΠΎΠ±Π½ΡΡ Π΄Π°ΡΠ½ΡΡ ΡΠΊΠ°ΠΌΠ΅Π΅ΠΊ.
Π£Π²Π°ΠΆΠ°Π΅ΠΌΡΠ΅ ΡΠΈΡΠ°ΡΠ΅Π»ΠΈ, Π΅ΡΠ»ΠΈ Ρ Π²Π°Ρ ΠΎΡΡΠ°Π»ΠΈΡΡ Π²ΠΎΠΏΡΠΎΡΡ, Π·Π°Π΄Π°Π²Π°ΠΉΡΠ΅ ΠΈΡ , ΠΈΡΠΏΠΎΠ»ΡΠ·ΡΡ ΡΠΎΡΠΌΡ Π½ΠΈΠΆΠ΅. ΠΡ Π±ΡΠ΄Π΅ΠΌ ΡΠ°Π΄Ρ ΠΎΠ±ΡΠ΅Π½ΠΈΡ Ρ Π²Π°ΠΌΠΈ π
Π Π΅ΠΊΠΎΠΌΠ΅Π½Π΄ΡΠ΅ΠΌ Π΄ΡΡΠ³ΠΈΠ΅ ΡΡΠ°ΡΡΠΈ ΠΏΠΎ ΡΠ΅ΠΌΠ΅
stroi-specialist.ru
Π‘ΠΊΠ°ΠΌΠ΅ΠΉΠΊΠ°-ΡΡΠ°Π½ΡΡΠΎΡΠΌΠ΅Ρ ΡΠ²ΠΎΠΈΠΌΠΈ ΡΡΠΊΠ°ΠΌΠΈ
Β Β Π‘ΠΊΠ°ΠΌΠ΅ΠΉΠΊΠ°-ΡΡΠ°Π½ΡΡΠΎΡΠΌΠ΅Ρ ΡΠ²Π»ΡΠ΅ΡΡΡ ΠΏΡΠΈΡΡΠ½ΡΠΌ Π΄ΠΎΠΏΠΎΠ»Π½Π΅Π½ΠΈΠ΅ΠΌ Π΄Π»Ρ Π»ΡΠ±ΠΎΠ³ΠΎ Π·Π°Π³ΠΎΡΠΎΠ΄Π½ΠΎΠ³ΠΎ ΡΡΠ°ΡΡΠΊΠ°. ΠΠ΅Π΄Ρ ΠΎΡΠ΅Π½Ρ ΡΠ΄ΠΎΠ±Π½ΠΎ, ΠΊΠΎΠ³Π΄Π° ΠΈΠ· ΡΠΊΠ°ΠΌΠ΅ΠΉΠΊΠΈ, ΡΠ°ΡΠΏΠΎΠ»ΠΎΠΆΠ΅Π½Π½ΠΎΠΉ Π² ΡΠ΅Π½ΠΈ Π²Π΅ΡΠ²ΠΈΡΡΠΎΠ³ΠΎ Π΄Π΅ΡΠ΅Π²Π°, Π·Π° Π½Π΅ΡΠΊΠΎΠ»ΡΠΊΠΎ ΡΠ΅ΠΊΡΠ½Π΄ ΠΌΠΎΠΆΠ½ΠΎ ΡΠ΄Π΅Π»Π°ΡΡ ΡΡΠΎΠ» Ρ Π΄Π²ΡΠΌΡ Π»Π°Π²ΠΎΡΠΊΠ°ΠΌΠΈ ΠΈ ΠΎΡΠ³Π°Π½ΠΈΠ·ΠΎΠ²Π°ΡΡ ΠΈΠΌΠΏΡΠΎΠ²ΠΈΠ·ΠΈΡΠΎΠ²Π°Π½Π½ΠΎΠ΅ Π·Π°ΡΡΠΎΠ»ΡΠ΅ Ρ Π΄ΡΡΠ·ΡΡΠΌΠΈ. ΠΠ°ΠΊ ΡΠ΄Π΅Π»Π°ΡΡ ΡΠΊΠ°ΠΌΠ΅ΠΉΠΊΡ-ΡΡΠ°Π½ΡΡΠΎΡΠΌΠ΅Ρ ΡΠ²ΠΎΠΈΠΌΠΈ ΡΡΠΊΠ°ΠΌΠΈ β ΠΏΠΎΠ΄ΡΠΎΠ±Π½ΠΎ ΡΠ°ΡΡΠΌΠΎΡΡΠΈΠΌ Π² ΡΡΠΎΠΉ ΡΡΠ°ΡΡΠ΅.
ΠΠ΅Π»Π°Π΅ΠΌ Π»Π°Π²ΠΊΠΈ ΡΠΊΠ°ΠΌΠ΅ΠΉΠΊΠΈ-ΡΡΠ°Π½ΡΡΠΎΡΠΌΠ΅ΡΠ°
Β Β Β Π‘ΠΊΠ°ΠΌΠ΅ΠΉΠΊΠ°-ΡΡΠ°Π½ΡΡΠΎΡΠΌΠ΅Ρ ΡΠΎΡΡΠΎΠΈΡ ΠΈΠ· Π΄Π²ΡΡ
Π»Π°Π²ΠΎΡΠ΅ΠΊ ΠΈ ΡΡΠΎΠ»Π°. ΠΡΠΈΡΡΠΌ ΠΎΠ΄Π½Π° Π»Π°Π²ΠΎΡΠΊΠ° ΡΠΈΡΠ΅, ΡΠ΅ΠΌ Π΄ΡΡΠ³Π°Ρ. ΠΠ°ΡΠ½ΡΠΌ ΡΠΎΠ±ΠΈΡΠ°ΡΡ ΠΏΠ΅ΡΠ²ΡΡ. Π Π°Π·ΠΌΠ΅ΡΡ ΠΏΠ΅ΡΠ²ΠΎΠΉ Π»Π°Π²ΠΎΡΠΊΠΈ:118 Π½Π° 25 ΡΠΌ, ΡΠΎΠ»ΡΠΈΠ½Π° Π΄ΠΎΡΠΊΠΈ 20 ΠΌΠΌ, ΠΈΠ· ΡΡΠΎΠ³ΠΎ ΠΌΠ°ΡΠ΅ΡΠΈΠ°Π»Π° ΠΌΡ ΡΡΡΠΎΠΈΠ»ΠΈ Π΄Π°ΡΠ½ΡΠΉ ΡΡΠ°Π»Π΅Ρ ΠΈ Π΄ΡΡ. ΠΡΡΠ΅ΠΆΠ΅ΠΌ 2 ΡΠ΅ΡΠΈΠ½Ρ Π΄Π»ΠΈΠ½ΠΎΠΉ β 118 ΡΠΌ, ΡΠΈΡΠΈΠ½ΠΎΠΉ β 12 ΡΠΌ. ΠΡΡΠ»ΠΈΡΡΠ΅ΠΌ ΠΈΡ
Π±ΠΎΠ»Π³Π°ΡΠΊΠΎΠΉ Ρ Π½Π°ΡΠ°Π΄ΠΊΠΎΠΉ Π΄Π»Ρ ΡΠ»ΠΈΡΠΎΠ²Π°Π½ΠΈΡ ΠΈ ΠΎΡΠ»ΠΎΠΆΠΈΠΌ Π² ΡΡΠΎΡΠΎΠ½Ρ. 
Β ΠΠ»Ρ ΠΈΠ·Π³ΠΎΡΠΎΠ²Π»Π΅Π½ΠΈΡ Π½ΠΎΠΆΠ΅ΠΊ ΡΠΊΠ°ΠΌΠ΅ΠΉΠΊΠΈ-ΡΡΠ°Π½ΡΡΠΎΡΠΌΠ΅ΡΠ° ΠΏΠΎΠ΄Π±Π΅ΡΡΠΌ 2 ΡΠ΅ΡΠΈΠ½Ρ ΡΠ°Π·ΠΌΠ΅ΡΠΎΠΌ 37 Π½Π° 11 ΡΠΌ ΠΈ 2 ΡΠ΅ΡΠΈΠ½Ρ β 34 Π½Π° 11 ΡΠΌ. Π‘ΠΎΠ΅Π΄ΠΈΠ½ΠΈΠΌ ΠΈΡ
ΠΌΠ΅ΠΆΠ΄Ρ ΡΠΎΠ±ΠΎΠΉ ΠΌΠ΅ΡΠ°Π»Π»ΠΈΡΠ΅ΡΠΊΠΈΠΌΠΈ ΠΏΠ»Π°ΡΡΠΈΠ½Π°ΠΌΠΈ ΠΈ ΡΠ°ΠΌΠΎΡΠ΅Π·Π°ΠΌΠΈ ΡΠ°ΠΊΠΈΠΌ ΠΎΠ±ΡΠ°Π·ΠΎΠΌ, ΡΡΠΎΠ±Ρ Π²ΡΡΠΎΡΠ° Π½ΠΎΠΆΠ΅ΠΊ ΡΠ°Π²Π½ΡΠ»Π°ΡΡ 45 ΡΠΌ, Π° ΡΠΈΡΠΈΠ½Π° β 37 ΡΠΌ. 
Β Β Π’Π΅ΠΏΠ΅ΡΡ Π²ΠΎΠ·ΡΠΌΡΠΌ 2 ΡΠ΅ΡΠΈΠ½Ρ Π΄Π»Ρ ΡΠΈΠ΄Π΅Π½ΡΡ, ΠΊΠΎΡΠΎΡΡΠ΅ ΠΌΡ ΠΎΡΡΠ΅Π·Π°Π»ΠΈ ΡΠ°Π½Π΅Π΅, ΠΏΡΠΈΠΊΡΡΡΠΈΠΌ ΠΈΡ ΡΠ°ΠΌΠΎΡΠ΅Π·Π°ΠΌΠΈ ΠΊ Π½ΠΎΠΆΠΊΠ°ΠΌ. Π§ΡΠΎΠ±Ρ ΡΠ΅ΡΠΈΠ½Ρ Π½Π΅ Π»ΠΎΠΏΠ½ΡΠ»ΠΈ ΠΏΠΎΠ΄ ΡΠ°ΠΌΠΎΡΠ΅Π·Π°ΠΌΠΈ, Π² ΠΌΠ΅ΡΡΠ°Ρ ΠΊΡΠ΅ΠΏΠ»Π΅Π½ΠΈΡ ΠΈΡ Π½ΡΠΆΠ½ΠΎ ΠΏΡΠΎΡΠ²Π΅ΡΠ»ΠΈΡΡ Π΄ΡΠ΅Π»ΡΡ Ρ ΡΠΎΠ½ΠΊΠΈΠΌ ΡΠ²Π΅ΡΠ»ΠΎΠΌ. Π’Π°ΠΊ ΠΊΠ°ΠΊ ΡΠΎΠ»ΡΠΈΠ½Π° ΡΠ΅ΡΠΈΠ½Ρ Π²ΡΠ΅Π³ΠΎ 20 ΠΌΠΌ, ΡΡΠΎΠ±Ρ ΠΎΠ½Π° Π½Π΅ ΠΏΡΠΎΠ³Π½ΡΠ»Π°ΡΡ ΠΏΠΎΠ΄ ΡΠ΅Π»ΠΎΠ²Π΅ΠΊΠΎΠΌ, ΡΠ½ΠΈΠ·Ρ ΡΠΊΡΠ΅ΠΏΠΈΠΌ Π΅Ρ ΡΠ°ΡΠΏΠΎΡΠΊΠ°ΠΌΠΈ. ΠΡΡΡΠ΅ ΡΠ΄Π΅Π»Π°ΡΡ ΡΠΊΠ°ΠΌΠ΅ΠΉΠΊΡ-ΡΡΠ°Π½ΡΡΠΎΡΠΌΠ΅Ρ ΠΈΠ· Π΄ΠΎΡΠΊΠΈ β ΡΡΠΈΠ΄ΡΠ°Π΄ΠΊΠΈ, ΠΎΠ½Π° Π±ΡΠ΄Π΅Ρ ΠΊΡΠ΅ΠΏΡΠ΅ ΠΈ Π²ΡΠ³Π»ΡΠ΄Π΅ΡΡ ΠΌΠ°ΡΡΠΈΠ²Π½Π΅ΠΉ, Π½ΠΎ Π² Π½Π°ΡΠ΅ΠΌ ΡΠ»ΡΡΠ°Π΅ Π²ΡΠ±ΠΎΡΠ° ΠΌΠ°ΡΠ΅ΡΠΈΠ°Π»Π° Π½Π΅ Π±ΡΠ»ΠΎ. Π§ΡΠΎΠ±Ρ ΡΠΊΠ°ΠΌΠ΅ΠΉΠΊΠ° Π½Π΅ ΡΠ°Π·ΡΠ΅Π·ΠΆΠ°Π»Π°ΡΡ, Π½ΠΈΠ· ΡΠΎΠΆΠ΅ ΡΠΊΡΠ΅ΠΏΠΈΠΌ ΡΠ°ΡΠΏΠΎΡΠΊΠΎΠΉ.Β
Β Β ΠΡΠ°ΠΊ, ΠΏΠΎΠ΄Π²Π΅Π΄ΡΠΌ ΠΏΡΠ΅Π΄Π²Π°ΡΠΈΡΠ΅Π»ΡΠ½ΡΠ΅ ΠΈΡΠΎΠ³ΠΈ: Π²Π½Π΅ΡΠ½ΡΡ ΡΠΈΡΠΈΠ½Π° ΠΏΠ΅ΡΠ²ΠΎΠΉ Π»Π°Π²ΠΎΡΠΊΠΈ ΡΠ°Π²Π½Π° 118 ΡΠΌ, Π²Π½ΡΡΡΠ΅Π½Π½ΡΡ β 114 ΡΠΌ. Π‘ΡΠ°Π·Ρ ΠΎΡΠΌΠ΅ΡΠΈΠΌ, ΡΡΠΎ Π²ΡΠ΅ ΡΠ°Π·ΠΌΠ΅ΡΡ Π½ΡΠΆΠ½ΠΎ ΡΠΎΡΠ½ΠΎ Π²ΡΠ΄Π΅ΡΠΆΠΈΠ²Π°ΡΡ, Π² ΠΏΡΠΎΡΠΈΠ²Π½ΠΎΠΌ ΡΠ»ΡΡΠ°Π΅ ΡΠΊΠ°ΠΌΠ΅ΠΉΠΊΠ°-ΡΡΠ°Π½ΡΡΠΎΡΠΌΠ΅Ρ Π½Π΅ ΡΠΎΠ±Π΅ΡΡΡΡΡ.Β
Β Β ΠΠ° ΡΠ»Π΅Π΄ΡΡΡΠ΅ΠΌ ΡΡΠ°ΠΏΠ΅ ΡΠ΄Π΅Π»Π°Π΅ΠΌ Π²ΡΠΎΡΡΡ Π»Π°Π²ΠΊΡ ΡΠΊΠ°ΠΌΠ΅ΠΉΠΊΠΈ-ΡΡΠ°Π½ΡΡΠΎΡΠΌΠ΅ΡΠ°. ΠΡ ΡΠΈΡΠΈΠ½Π° Π±ΡΠ΄Π΅Ρ 109, Π΄Π»ΠΈΠ½Π° β 22 ΡΠΌ ΠΈ ΡΠΎΡΡΠΎΡΡΡ ΠΎΠ½Π° Π±ΡΠ΄Π΅Ρ ΡΠΎΠΆΠ΅ ΠΈΠ· Π΄Π²ΡΡ
ΡΠ΅ΡΠΈΠ½.
ΠΠΎΠ΄ Π½ΠΎΠΆΠΊΠΈ Π»Π°Π²ΠΊΠΈ Π²ΠΎΠ·ΡΠΌΡΠΌ Π΄Π΅ΡΠ΅Π²ΡΠ½Π½ΡΠ΅ Π±ΡΡΡΠΊΠΈ 40 Π½Π° 40 ΠΌΠΌ (4 Π±ΡΡΡΠΊΠ° Π΄Π»ΠΈΠ½ΠΎΠΉ 32 ΡΠΌ, 2 Π±ΡΡΡΠΊΠ° Π΄Π»ΠΈΠ½ΠΎΠΉ 22 ΡΠΌ ΠΈ 2 Π±ΡΡΡΠΊΠ° Π΄Π»Ρ ΡΠ°ΡΠΏΠΎΡΠΎΠΊ ΠΏΡΠΎΠΈΠ·Π²ΠΎΠ»ΡΠ½ΠΎΠΉ Π΄Π»ΠΈΠ½Ρ), ΠΈΡ
ΠΌΡ ΠΈΡΠΏΠΎΠ»ΡΠ·ΠΎΠ²Π°Π»ΠΈ ΠΏΡΠΈ ΠΈΠ·Π³ΠΎΡΠΎΠ²Π»Π΅Π½ΠΈΠΈ Π½Π°ΠΏΠΎΠ»ΡΠ½ΠΎΠΉ ΠΏΠΎΠ΄ΡΡΠ°Π²ΠΊΠΈ Π΄Π»Ρ ΡΠ²Π΅ΡΠΎΠ². Π’Π°ΠΊ ΠΆΠ΅ Π½Π°ΠΌ ΠΏΠΎΠ½Π°Π΄ΠΎΠ±ΡΡΡΡ Π΄Π²Π΅ ΡΠ΅ΡΠΈΠ½Ρ ΡΠ°Π·ΠΌΠ΅ΡΠΎΠΌ 40 Π½Π° 9 ΡΠΌ.
Π‘Π½Π°ΡΠ°Π»Π° ΠΊ Π±ΡΡΡΠΊΠ°ΠΌ Π΄Π»ΠΈΠ½ΠΎΠΉ 22 ΡΠΌ ΠΏΡΠΈ ΠΏΠΎΠΌΠΎΡΠΈ Π΄Π΅ΡΠ΅Π²ΡΠ½Π½ΡΡ
ΡΠΊΠ°Π½ΡΠΎΠ², ΡΡΠΎΠ»ΡΡΠ½ΠΎΠ³ΠΎ ΠΊΠ»Π΅Ρ ΠΈ ΡΠ°ΠΌΠΎΡΠ΅Π·ΠΎΠ² ΠΏΡΠΈΠΊΡΠ΅ΠΏΠΈΠΌ Π½Π° ΡΠ΅Π±ΡΠΎ Π΄ΠΎΡΠΊΡ Ρ ΠΎΠ΄Π½ΠΎΠ³ΠΎ ΠΊΡΠ°Ρ.
Β Β Π’Π°ΠΊ ΠΆΠ΅ ΡΠ΄Π΅Π»Π°Π΅ΠΌ ΠΈ ΡΠΎ Π²ΡΠΎΡΠΎΠΉ Π΄ΠΎΡΠΊΠΎΠΉ.Β ΠΠΎΡΠ»Π΅ ΡΡΠΎΠ³ΠΎ ΡΠ°ΠΌΠΎΡΠ΅Π·Π°ΠΌΠΈ ΠΈ ΡΠ³ΠΎΠ»ΠΊΠ°ΠΌΠΈ ΡΠΎΠ΅Π΄ΠΈΠ½ΡΠ΅ΠΌ Π½ΠΎΠΆΠΊΠΈ Π² Π²ΠΈΠ΄Π΅ Π±ΡΠΊΠ²Ρ Π. ΠΡΡΠΎΡΠ° ΠΎΡ Π·Π΅ΠΌΠ»ΠΈ Π΄ΠΎ Π²Π΅ΡΡ
Π½Π΅ΠΉ ΡΠΎΡΠΊΠΈ Π΄ΠΎΠ»ΠΆΠ½Π° Π±ΡΡΡ 45 ΡΠΌ. 
Β Β ΠΡΠΈΠΊΡΡΡΠΈΠΌ ΠΊ Π½ΠΈΠΌ ΡΠ°ΠΌΠΎΡΠ΅Π·Π°ΠΌΠΈ Π΄Π²Π΅ Π΄ΠΎΡΠΊΠΈ ΡΠ°ΠΊΠΈΠΌ ΠΎΠ±ΡΠ°Π·ΠΎΠΌ, ΡΡΠΎΠ±Ρ ΠΎΠ½ΠΈ Π±ΡΠ»ΠΈ Π·Π°ΠΏΠΎΠ΄Π»ΠΈΡΠΎ Ρ ΡΠ΅ΡΠΈΠ½ΠΎΠΉ, ΠΊΠΎΡΠΎΡΠ°Ρ ΡΡΠΎΠΈΡ Π½Π° ΡΠ΅Π±ΡΠ΅. Π¨ΠΈΡΠΈΠ½Π° Π²ΡΠΎΡΠΎΠΉ ΡΠΊΠ°ΠΌΠ΅ΠΉΠΊΠΈ ΠΏΠΎ ΡΠΈΠ΄Π΅Π½ΡΡ ΡΠ°Π²Π½Π° 109 ΡΠΌ, ΠΏΠΎ Π½ΠΎΠΆΠΊΠ°ΠΌ β 113 ΡΠΌ. ΠΠ°ΠΊ Π΄Π΅Π»Π°Π»ΠΈ ΡΠ°Π½Π΅Π΅, Π·Π°ΠΊΡΠ΅ΠΏΠΈΠΌ Π΄Π»Ρ ΠΏΡΠΎΡΠ½ΠΎΡΡΠΈ ΡΠ°ΡΠΏΠΎΡΠΊΠΈ ΠΈ ΡΠΊΡΠ΅ΠΏΠΈΠΌ ΡΠΈΠ΄Π΅Π½ΡΠ΅. 
Β Β ΠΡΠΎΠ²Π΅ΡΡΠ΅ΠΌ ΠΏΡΠ°Π²ΠΈΠ»ΡΠ½ΠΎΡΡΡ ΡΠ±ΠΎΡΠΊΠΈ Π»Π°Π²ΠΎΠΊ β Π΄Π»Ρ ΡΡΠΎΠ³ΠΎ Π½ΡΠΆΠ½ΠΎ ΠΈΡ ΠΏΠΎΡΡΠ°Π²ΠΈΡΡ Π²ΠΌΠ΅ΡΡΠ΅: Π΅ΡΠ»ΠΈ ΠΎΠ½ΠΈ ΡΠΎΠ΅Π΄ΠΈΠ½ΠΈΠ»ΠΈΡΡ ΠΈ ΡΡΠΎΡΡ Π½Π° ΠΎΠ΄Π½ΠΎΠΉ Π²ΡΡΠΎΡΠ΅, ΠΎΠ±ΡΠ°Π·ΡΡ Π΄ΠΈΠ²Π°Π½ΡΠΈΠΊ ΠΈΠ· ΡΠ΅ΡΡΡΡΡ Π΄ΠΎΡΠΎΠΊ, Π·Π½Π°ΡΠΈΡ ΠΌΡ Π²ΡΡ ΡΠΎΠ±ΡΠ°Π»ΠΈ ΠΏΡΠ°Π²ΠΈΠ»ΡΠ½ΠΎ.
Π‘ΠΏΠΈΠ½ΠΊΠ°-ΡΡΠΎΠ»Π΅ΡΠ½ΠΈΡΠ° ΡΠΊΠ°ΠΌΠ΅ΠΉΠΊΠΈ-ΡΡΠ°ΡΡΠΎΡΠΌΠ΅ΡΠ°
Β Β ΠΡΠΈΡΡΡΠΏΠΈΠΌ ΠΊ ΠΈΠ·Π³ΠΎΡΠΎΠ²Π»Π΅Π½ΠΈΡ ΡΡΠΎΠ»Π΅ΡΠ½ΠΈΡΡ. ΠΠ½Π° Π±ΡΠ΄Π΅Ρ ΡΠ°Π²Π½Π° 126 Π½Π° 57 ΡΠΌ. ΠΠΎΠ΄Π±Π΅ΡΡΠΌ 5 ΡΠ΅ΡΠΈΠ½ ΠΏΠΎΠ΄Ρ
ΠΎΠ΄ΡΡΠ΅Π³ΠΎ ΡΠ°Π·ΠΌΠ΅ΡΠ°, Π»ΠΈΡΠ½Π΅Π΅ ΠΎΡΡΠ΅ΠΆΠ΅ΠΌ Π»ΠΎΠ±Π·ΠΈΠΊΠΎΠΌ (ΠΈΠ· ΠΎΡΡΠ°ΡΠΊΠΎΠ² ΡΠ΅ΡΠΈΠ½ ΠΌΡ ΡΠ΄Π΅Π»Π°Π΅ΠΌ Π½Π°Π²Π΅ΡΠ½ΠΎΠΉ ΡΠΊΠ°ΡΡΠΈΠΊ) ΠΈ Ρ
ΠΎΡΠΎΡΠΎ ΠΈΡ
ΠΎΡΡΠ»ΠΈΡΡΠ΅ΠΌ. ΠΠ»Ρ ΡΠΎΠ΅Π΄ΠΈΠ½Π΅Π½ΠΈΡ Π΄ΠΎΡΠΎΠΊ ΠΌΠ΅ΠΆΠ΄Ρ ΡΠΎΠ±ΠΎΠΉ Π½Π°ΠΌ ΠΏΠΎΠ½Π°Π΄ΠΎΠ±ΠΈΡΡΡ 2 ΠΏΠ»Π°Π½ΠΊΠΈ 57 Π½Π° 4 ΡΠΌ.
ΠΠ΄Π΅ΡΡ Π½ΡΠΆΠ½ΠΎ ΠΎΡΠΌΠ΅ΡΠΈΡΡ, ΡΡΠΎ ΡΠΈΡΠΈΠ½Ρ ΠΏΠ»Π°Π½ΠΊΠΈ ΠΌΠΎΠΆΠ½ΠΎ Π±ΡΠ»ΠΎ ΡΠ΄Π΅Π»Π°ΡΡ 8 ΡΠΌ, ΡΠ°ΠΊ Π±ΡΠ»ΠΎ Π±Ρ ΠΏΡΠΎΡΠ΅ Π² Π΄Π°Π»ΡΠ½Π΅ΠΉΡΠ΅ΠΌ ΡΡΡΠΎΠΈΡΠ΅Π»ΡΡΡΠ²Π΅ ΡΠΊΠ°ΠΌΠ΅ΠΉΠΊΠΈ-ΡΡΠ°Π½ΡΡΠΎΡΠΌΠ΅ΡΠ°. ΠΠΎΠ»ΠΎΠΆΠΈΠΌ 2 ΠΏΠ»Π°Π½ΠΊΠΈ Π½Π° ΡΠ΅Π±ΡΠΎ, ΡΠ°Π·ΠΌΠ΅ΡΡΠΈΠΌ Π½Π° Π½ΠΈΡ
Π΄ΠΎΡΠΊΠΈ ΡΡΠΎΠ»Π΅ΡΠ½ΠΈΡΡ ΡΠ°ΠΊ, ΡΡΠΎΠ±Ρ Ρ ΠΊΠ°ΠΆΠ΄ΠΎΠ³ΠΎ ΠΊΡΠ°Ρ Π±ΡΠ»ΠΎ ΡΠ°ΡΡΡΠΎΡΠ½ΠΈΠ΅ 4 ΡΠΌ ΠΈ Π·Π°ΠΊΡΠ΅ΠΏΠΈΠΌ ΡΠ°ΠΌΠΎΡΠ΅Π·Π°ΠΌΠΈ. 
Β Π’Π΅ΠΏΠ΅ΡΡ ΠΏΡΠΈΠΊΡΡΡΠΈΠΌ ΡΡΠΎΠ»Π΅ΡΠ½ΠΈΡΡ ΠΊ Π»Π°Π²ΠΊΠ΅. ΠΠ»Ρ ΡΡΠΎΠ³ΠΎ ΠΎΡΡΠ΅ΠΆΠ΅ΠΌ 2 Π΄ΠΎΡΠΊΠΈ ΡΠ°Π·ΠΌΠ΅ΡΠΎΠΌ 40 Π½Π° 10 ΡΠΌ. ΠΡΠΎ Π±ΡΠ΄ΡΡ Π½Π°ΡΠΈ ΡΠΏΠΎΡΡ Π΄Π»Ρ ΡΡΠΎΠ»Π΅ΡΠ½ΠΈΡΡ. Π‘ ΠΎΠ΄Π½ΠΎΠΉ ΡΡΠΎΡΠΎΠ½Ρ ΡΠΏΠΎΡΠ° ΡΠ΄Π΅Π»Π°Π΅ΠΌ ΡΡΠ΅Π· Π½Π° ΡΠ³ΠΎΠ» 115 Π³ΡΠ°Π΄ΡΡΠΎΠ², ΡΠ°ΠΊΠΎΠ² Β Π½Π°ΠΊΠ»ΠΎΠ½ ΡΠΏΠΈΠ½ΠΊΠΈ. ΠΡΡΡΡΠΏΠΈΠΌ ΠΎΡ ΠΊΡΠ°Ρ ΡΡΠΎΠ»Π΅ΡΠ½ΠΈΡΡ 14 ΡΠΌ ΠΈ ΡΠ°ΠΌΠΎΡΠ΅Π·Π°ΠΌΠΈ Π·Π°ΠΊΡΠ΅ΠΏΠΈΠΌ ΡΠΏΠΎΡΡ Ρ Π²Π½ΡΡΡΠ΅Π½Π½Π΅ΠΉ ΡΡΠΎΡΠΎΠ½Ρ ΠΏΠ»Π°Π½ΠΊΠΈ.
Π£ΡΡΠ°Π½ΠΎΠ²ΠΈΠΌ ΡΠΏΠΈΠ½ΠΊΡ ΡΠΊΠ°ΠΌΠ΅ΠΉΠΊΠΈ-ΡΡΠ°Π½ΡΡΠΎΡΠΌΠ΅ΡΠ° Π½Π° ΡΠΏΠΎΡΡ Π½ΠΎΠΆΠ΅ΠΊ Π»Π°Π²ΠΊΠΈ ΠΈ, ΠΏΠ»ΠΎΡΠ½ΠΎ ΠΏΡΠΈΡΠ»ΠΎΠ½ΠΈΠ² Π΅Ρ ΠΊ Π»Π°Π²ΠΊΠ΅, ΠΏΡΠΎΡΠ²Π΅ΡΠ»ΠΈΠΌ ΠΎΡΠ²Π΅ΡΡΡΠΈΠ΅ Π΄ΠΈΠ°ΠΌΠ΅ΡΡΠΎΠΌ 7 ΠΌΠΌ Π² ΡΠΏΠΎΡΠ΅ ΡΠΏΠΈΠ½ΠΊΠΈ-ΡΡΠΎΠ»ΠΎΡΠ½ΠΈΡΡ ΠΈ Π² Π²Π΅ΡΡΠΈΠΊΠ°Π»ΡΠ½ΠΎΠΉ Π΄ΠΎΡΠΊΠ΅ Π½ΠΎΠΆΠ΅ΠΊ Π»Π°Π²ΠΊΠΈ. Π‘ΠΎΠ΅Π΄ΠΈΠ½ΠΈΠΌ ΠΊΠΎΠ½ΡΡΡΡΠΊΡΠΈΡ Ρ ΠΏΠΎΠΌΠΎΡΡΡ ΠΌΠ΅Π±Π΅Π»ΡΠ½ΠΎΠ³ΠΎ Π±ΠΎΠ»ΡΠ° Π΄ΠΈΠ°ΠΌΠ΅ΡΡΠΎΠΌ 6 ΠΌΠΌ, Π΄Π»ΠΈΠ½ΠΎΠΉ 8 ΡΠΌ ΠΈ ΡΠ°ΠΌΠΎΠΊΠΎΠ½ΡΡΡΡΠ΅ΠΉΡΡ Π³Π°ΠΉΠΊΠΈ. ΠΠ΅ΠΆΠ΄Ρ ΡΠΏΠΎΡΠ°ΠΌΠΈ ΠΏΠΎΡΡΠ°Π²ΠΈΠΌ ΠΌΠ΅ΡΠ°Π»Π»ΠΈΡΠ΅ΡΠΊΠΈΠ΅ ΡΠ°ΠΉΠ±Ρ. ΠΠΎΠ΄ Π³ΠΎΠ»ΠΎΠ²ΠΊΡ Π±ΠΎΠ»ΡΠ° Π½ΡΠΆΠ½ΠΎ ΡΠ°ΡΡΠ²Π΅ΡΠ»ΠΈΡΡ ΠΎΡΠ²Π΅ΡΡΡΠΈΠ΅ Π² ΡΠΏΠΎΡΠ΅, ΡΡΠΎΠ±Ρ ΠΎΠ½ Π½Π΅ Π²ΡΡΡΡΠΏΠ°Π» Π½Π°ΡΡΠΆΡ.
ΠΡΠΎΠ²Π΅ΡΠΈΠΌ ΠΏΡΠ°Π²ΠΈΠ»ΡΠ½ΠΎΡΡΡ ΡΡΡΠ°Π½ΠΎΠ²ΠΊΠΈ ΡΠΏΠΈΠ½ΠΊΠΈ-ΡΡΠΎΠ»Π΅ΡΠ½ΠΈΡΡ, ΠΎΡΠΊΡΡΠ² Π΅Ρ ΠΈ Π·Π°ΡΠΈΠΊΡΠΈΡΠΎΠ²Π°Π² Ρ ΠΏΠΎΠΌΠΎΡΡΡ ΠΊΠ°ΠΊΠΎΠΉ-Π½ΠΈΠ±ΡΠ΄Ρ ΠΏΠ°Π»ΠΊΠΈ. ΠΡΠ»ΠΈ Π²ΡΡ ΠΎΡΠΊΡΡΠ²Π°Π΅ΡΡΡ β Π·Π°ΠΊΡΡΠ²Π°Π΅ΡΡΡ, ΠΏΡΠΈΡΡΡΠΏΠ°Π΅ΠΌ ΠΊ Π·Π°Π²Π΅ΡΡΠ°ΡΡΠ΅ΠΌΡ ΡΡΠ°ΠΏΡ ΡΡΡΠΎΠΈΡΠ΅Π»ΡΡΡΠ²Π°. 
ΠΠ°Π²Π΅ΡΡΠ°ΡΡΠΈΠΉ ΡΡΠ°ΠΏ ΡΡΡΠΎΠΈΡΠ΅Π»ΡΡΡΠ²Π° ΡΠΊΠ°ΠΌΠ΅ΠΉΠΊΠΈ-ΡΡΠ°Π½ΡΡΠΎΡΠΌΠ΅ΡΠ°
Β Π‘ΠΎΠ΅Π΄ΠΈΠ½ΡΠ΅ΠΌ Π΄Π²Π΅ Π»Π°Π²ΠΊΠΈ Π²ΠΌΠ΅ΡΡΠ΅. ΠΠ° Π²ΡΡΡΡΠΏΠ°ΡΡΠΈΡ
Π΄ΠΎΡΠΊΠ°Ρ
Π½ΠΎΠΆΠ΅ΠΊ Π»Π°Π²ΠΊΠΈ ΡΡΡΠ°Π½ΠΎΠ²ΠΈΠΌ ΠΏΠΎΠ΄Π»ΠΎΠΊΠΎΡΠ½ΠΈΠΊΠΈ. ΠΡΡΠ΅ΠΆΠ΅ΠΌ ΠΈΠ· Π΄ΠΎΡΠΊΠΈ ΡΠ°ΡΡΠΈ Π΄Π»Ρ ΠΏΠΎΠ΄Π»ΠΎΠΊΠΎΡΠ½ΠΈΠΊΠ°: 2 Π΄ΠΎΡΠ΅ΡΠΊΠΈ ΡΠ°Π·ΠΌΠ΅ΡΠΎΠΌ 8 Π½Π° 22 ΡΠΌ, 4 Π΄ΠΎΡΠ΅ΡΠΊΠΈ β 6 Π½Π° 27 ΡΠΌ. Π‘ ΠΏΠΎΠΌΠΎΡΡΡ Π΄Π΅ΡΠ΅Π²ΡΠ½Π½ΡΡ
ΡΠΊΠ°Π½ΡΠΎΠ² ΠΈ ΡΡΠΎΠ»ΡΡΠ½ΠΎΠ³ΠΎ ΠΊΠ»Π΅Ρ (ΡΠ°ΠΊ ΠΌΡ Π΄Π΅Π»Π°Π»ΠΈΒ Π΄Π΅ΡΠ΅Π²ΡΠ½Π½ΡΡ Π΄Π²Π΅ΡΡ) ΡΠΎΠ΅Π΄ΠΈΠ½ΠΈΠΌ ΡΠ»Π΅ΠΌΠ΅Π½ΡΡ ΠΌΠ΅ΠΆΠ΄Ρ ΡΠΎΠ±ΠΎΠΉ.
ΠΡΠΈΡΠΎΠ΅Π΄ΠΈΠ½ΠΈΠΌ ΠΏΠΎΠ΄Π»ΠΎΠΊΠΎΡΠ½ΠΈΠΊΠΈ ΠΊ Π»Π°Π²ΠΊΠ΅ ΠΏΡΠΈ ΠΏΠΎΠΌΠΎΡΠΈ ΡΠ΅Ρ
ΠΆΠ΅ ΡΠΊΠ°Π½ΡΠΎΠ², ΡΡΠΎΠ±Ρ ΠΎΠ½ΠΈ ΡΠΏΠΈΡΠ°Π»ΠΈΡΡ Π² ΠΏΠ»Π°Π½ΠΊΠΈ ΡΠΏΠΈΠ½ΠΊΠΈ-ΡΡΠΎΠ»Π΅ΡΠ½ΠΈΡΡ.
Β Β ΠΡΡΠ°Π»ΡΡ Π·Π°Π²Π΅ΡΡΠ°ΡΡΠΈΠΉ ΡΡΠ°ΠΏ β ΡΡΡΠ°Π½ΠΎΠ²ΠΈΡΡ ΡΠ°ΠΊ Π½Π°Π·ΡΠ²Π°Π΅ΠΌΡΠΉ ΡΡΡΠ°Π³ Π΄Π»Ρ ΡΠΊΠ°ΠΌΠ΅ΠΉΠΊΠΈ-ΡΡΠ°Π½ΡΡΠΎΡΠΌΠ΅ΡΠ°. ΠΡΠΏΠΈΠ»ΠΈΠΌ ΠΈΠ· ΡΠ΅ΡΠΈΠ½Ρ ΠΎΡΡΠ΅Π·ΠΎΠΊ ΡΠ°Π·ΠΌΠ΅ΡΠΎΠΌ 88 Π½Π° 6 ΡΠΌ.
ΠΠ΄Π΅ΡΡ Π³Π»Π°Π²Π½ΠΎΠ΅ β Π΄Π»ΠΈΠ½Π°, ΡΠΈΡΠΈΠ½Π° ΠΌΠΎΠΆΠ΅Ρ Π±ΡΡΡ ΠΈ Π±ΠΎΠ»ΡΡΠ΅. ΠΡΠΈΠΌΠ΅ΡΠΈΠΌ ΡΡΡΠ°Π³ ΠΊ ΡΠΊΠ°ΠΌΠ΅ΠΉΠΊΠ΅, ΠΏΡΠΈΡΠ»ΠΎΠ½ΠΈΠ² Π΅Π³ΠΎ ΠΊ ΡΡΠΎΠΉΠΊΠ΅ Π½ΠΎΠΆΠΊΠΈ ΠΈ ΠΊ ΠΏΠ»Π°Π½ΠΊΠ΅ ΡΠΏΠΈΠ½ΠΊΠΈ-ΡΡΠΎΠ»Π΅ΡΠ½ΠΈΡΡ, ΠΎΠ½ΠΈ Π΄ΠΎΠ»ΠΆΠ½Ρ Π±ΡΡΡ Π² ΠΎΠ΄Π½ΠΎΠΉ ΠΏΠ»ΠΎΡΠΊΠΎΡΡΠΈ. ΠΡΠΌΠ΅ΡΠΈΠΌ ΠΊΠ°ΡΠ°Π½Π΄Π°ΡΠΎΠΌ ΠΌΠ΅ΡΠΊΠΈ ΠΈ ΠΏΡΠΎΡΠ²Π΅ΡΠ»ΠΈΠΌ ΠΎΡΠ²Π΅ΡΡΡΠΈΡ Π΄ΠΈΠ°ΠΌΠ΅ΡΡΠΎΠΌ 7 ΠΌΠΌ Π² ΡΡΡΠ°Π³Π΅, Π½ΠΎΠΆΠΊΠ΅ ΠΈ ΠΏΠ»Π°Π½ΠΊΠ΅. Π£ Π½Π°Ρ ΠΏΠΎΠ»ΡΡΠΈΠ»ΠΈΡΡ ΡΠ°ΠΊΠΈΠ΅ ΡΠ°Π·ΠΌΠ΅ΡΡ: Π² ΡΡΡΠ°Π³Π°Ρ
ΠΎΡΡΡΡΠΏΠΈΠ»ΠΈ ΠΎΡ ΠΊΡΠ°Ρ Ρ ΠΎΠ΄Π½ΠΎΠΉ ΡΡΠΎΡΠΎΠ½Ρ 1 ΡΠΌ, Ρ Π΄ΡΡΠ³ΠΎΠΉ ΡΡΠΎΡΠΎΠ½Ρ 5 ΡΠΌ, Π² ΠΏΠ»Π°Π½ΠΊΠ΅ ΠΎΡΡΡΡΠΏΠΈΠ»ΠΈ ΠΎΡ ΠΊΡΠ°Ρ 12 ΡΠΌ ΠΈ 1 ΡΠΌ. Π‘ΠΎΠ΅Π΄ΠΈΠ½ΠΈΠΌ ΡΡΡΠ°Π³ΠΈ ΠΈ Π»Π°Π²ΠΊΡ Ρ ΠΏΠΎΠΌΠΎΡΡΡ Π²ΡΠ΅ ΡΠ΅Ρ
ΠΆΠ΅ ΠΌΠ΅Π±Π΅Π»ΡΠ½ΡΡ
Π²ΠΈΠ½ΡΠΎΠ² ΠΈ Π³Π°Π΅ΠΊ, ΠΌΠ΅ΠΆΠ΄Ρ ΡΠ»Π΅ΠΌΠ΅Π½ΡΠ°ΠΌΠΈ ΠΏΠΎΡΡΠ°Π²ΠΈΠΌ ΡΠ°ΠΉΠ±Ρ. Π‘Π°ΠΌΠΎΡΠ΅Π·Π°ΠΌΠΈ ΡΠΎΠ΅Π΄ΠΈΠ½ΠΈΠΌ ΡΡΡΠ°Π³ Ρ ΠΏΠΎΠ΄Π»ΠΎΠΊΠΎΡΠ½ΠΈΠΊΠΎΠΌ, ΡΡΠΎΠ±Ρ ΠΎΠ½ Π΄Π΅ΡΠΆΠ°Π»ΡΡ ΠΏΡΠΎΡΠ½ΠΎ. 
Β Β ΠΡΠΎΠ±ΡΠ΅ΠΌ ΡΠ°Π·Π»ΠΎΠΆΠΈΡΡ ΡΠΊΠ°ΠΌΠ΅ΠΉΠΊΡ-ΡΡΠ°Π½ΡΡΠΎΡΠΌΠ΅Ρ. ΠΡΠ»ΠΈ Π²ΡΡ ΡΠ΄Π΅Π»Π°Π»ΠΈ ΠΏΡΠ°Π²ΠΈΠ»ΡΠ½ΠΎ, ΠΏΠΎΠ»ΡΡΠΈΡΡΡ ΡΡΠΎΠ» Ρ Π΄Π²ΡΠΌΡ Π»Π°Π²ΠΊΠ°ΠΌΠΈ, ΠΎΠΏΠΈΡΠ°ΡΡΠΈΠΉΡΡ Π½Π° ΠΏΠΎΠ΄Π»ΠΎΠΊΠΎΡΠ½ΠΈΠΊΠΈ, Π΅ΡΠ»ΠΈ ΡΠΊΠ°ΠΌΠ΅ΠΉΠΊΠ° Π½Π΅ ΡΠ°ΡΠΊΠ»Π°Π΄ΡΠ²Π°Π΅ΡΡΡ, ΠΈΡΠ΅ΠΌ ΠΏΡΠΈΡΠΈΠ½Ρ, ΡΡΡΡΠ°Π½ΡΠ΅ΠΌ ΠΈ ΠΏΠΎΠ»ΡΠ·ΡΠ΅ΠΌΡΡ. 
Β Β ΠΠΎΠ³Π΄Π° Π½Π° ΡΠ»ΠΈΡΠ΅ ΠΏΠΎΡΠ΅ΠΏΠ»Π΅Π΅Ρ, ΠΏΠΎΠΊΡΠ°ΡΠΈΠΌ ΡΠΊΠ°ΠΌΠ΅ΠΉΠΊΡ Π»Π°ΠΊΠΎΠΌ ΠΈ ΠΏΠΎΡΡΠ°Π²ΠΈΠΌ Π² Π·ΠΎΠ½Ρ ΠΎΡΠ΄ΡΡ
Π°. 
Β Β Β ΠΠΈΠ΄Π΅ΠΎ
Β
Β
Β
stroimzanovo.ru
