Питание светодиода от 220 вольт – Схемы светодиодных ламп на 220 вольт: советы по ремонту
Светодиодные лампы своими руками на 220 вольт. Питание светодиода от 220 вольт
Устройство светодиодной лампы на 220 вольт | Электирика
» Электирика
Светодиодная лампа: устройство и принцип работы
Устройство и принцип работы светодиодных ламп. Основные части осветительного прибора:
— светодиоды
— драйвер
— цоколь
— корпус.
Светоизлучающий диод. Буквенно его обозначают сокращением СИД (СД) в русском языке или LED в английском. Собственно, это и есть источник света светодиодной лампы .
Принцип его работы полностью повторяет процессы, происходящие в обыкновенном полупроводниковом диоде с p-n переходом из кремния или германия: при подаче положительного потенциала к аноду, а отрицательного к катоду в материалах начинается движение отрицательно заряженных электронов к аноду, а дырок к катоду. В итоге, диод пропускает электрический ток только одного прямого направления.
Однако, светодиод выполнен из других полупроводниковых материалов, которые при бомбардировке в прямом направлении носителями зарядов (электронами и дырками) осуществляют их рекомбинацию с переводом на другой энергетический уровень. В итоге происходит выделение фотонов — элементарных частиц электромагнитного излучения светового диапазона.
Даже в электрических схемах в качестве их обозначений используются обозначения обычных диодов, только с добавлением двух стрелочек, обозначающих излучение света.
Полупроводниковые материалы обладают разными свойствами выделения фотонов. Такие вещества, как арсенид галия (GaAs) и нитрид галлия (GaN), являясь прямозонными полупроводниками, одновременно прозрачны для видимого спектра световых волн. При замене ими слоев p-n перехода происходит выделение света.
Расположение слоев, используемых в светодиоде, показано на рисунке ниже. Их маленькая толщина порядка 10÷15 нм (наномикрон) создается специальными методами химического осаждения из газовой фазы. В слоях размещены контактные площадки для анода и катода.
Как при любом физическом процессе, во время преобразования электронов в фотоны существуют потери энергии, обусловленные следующими причинами:
— часть световых частиц просто теряется внутри даже такого тонкого слоя
— при выходе из полупроводника возникает оптическое преломление световых волн на границах кристалл/воздух, искажающее длину волны.
Применение специальных мер, например, использование сапфировой подложки, позволяет создать бо́льший световой поток. Такие конструкции применяются для установки в лампы освещения, но не для обычных светодиодов, используемых в качестве индикаторов, показанных на рисунке ниже.
Они имеют линзу, выполненную из эпоксидной смолы и рефлектор для направления света. В зависимости от назначения свет может распространяться в широких диапазонах угла 5-160°.
Дорогие светодиоды, выпускаемые для ламп освещения, производители изготавливают с ламбертовской диаграммой. Это означает, что их яркость постоянна в пространстве, не зависит от направления излучения и угла наблюдения.
Габариты кристалла весьма маленькие и от одного источника можно получить небольшой поток света. Поэтому для ламп освещения такие светодиоды объединяют довольно большими группами. При этом, создать от них равномерное освещение во все стороны весьма проблематично: каждый светодиод является точечным источником.
Частотный спектр световых волн от полупроводниковых материалов значительно уже, чем от обычных ламп накаливания или солнца, что утомляет глаза человека, создает определенный дискомфорт. С целью исправления этого недостатка в отдельные конструкции светодиодов для освещения вводится слой люминофора.
Величина излучаемого светового потока полупроводниковых материалов зависит от тока, проходящего через p-n переход. Чем больше ток, тем выше излучение, но до определенного значения.
Маленькие габариты, как правило, не позволяют использовать токи, превышающие 20 миллиампер для индикаторных конструкций. У мощных осветительных ламп применяется теплоотвод и дополнительные меры защиты, использование которых, однако, строго ограничено.
При запуске световой поток лампы пропорционально возрастает с увеличением тока, но затем из-за образования тепловых потерь начинает снижаться. Следует понимать, что процесс выделения фотонов из проводника не связан с тепловой энергией, светодиоды относятся к источникам холодного света.
Однако, проходящий через светодиод ток в местах контактов различных слоев и электродов преодолевает переходное сопротивление этих участков, вызывающее нагрев материалов. Выделяемое тепло вначале только создает потери энергии, но при увеличении тока может повредить конструкцию.
Количество светодиодных кристаллов, установленных в одну лампу, может превышать сотню работающих элементов. На каждый из них необходимо подвести оптимальный ток. Для этого создают стеклотекстолитовые платы с токопроводящими дорожками. Они могут иметь самую различную конструкцию.
К контактным площадкам плат припаиваются светодиодные кристаллы. Чаще всего их формируют в определенные группы и запитывают последовательно друг с другом. Через каждую созданную цепочку пропускают один и тот же ток.
10i5.ru
Питание светодиодов от 220В своими руками. Схема и подробное описание
В данной статье приведен еще один пример схемы питание светодиодов от 220В, которую можно собрать самостоятельно.
В отличии от светодиодной лампы на 220В, описанной в предыдущей статье, данный светильник обладает переключателем, позволяющим выбрать один из трех режимов яркости свечения светодиодов. В нижнем положении яркость будет минимальной, поскольку питающий ток через светодиоды составляет всего лишь 2 мА, в среднем положении – 6 мА и в верхнем – максимальная яркость при токе 20мА.
Описание лампы LED с питанием от 220В
Сопротивление R1 гасит амплитуду выбросов тока возникающих: в момент выбора яркости свечения переключателем SA1, во время включения в сеть 220В и в момент зарядки конденсаторов светильника при питании от 220В. Емкость С4 предназначена для уменьшения пульсаций напряжения после выпрямления переменного напряжения диодным мостом, тем самым снижается риск повреждения LED при питании от 220В.
При сборке лампы необходимо проконтролировать, чтобы напряжение на емкости С4 при применении LED обозначенного типа (504UWC) должно соответствовать примерно 30,7 вольт при выборе яркого режима работы (верхнее положение SA1)
Выпрямительный мост КЦ407А возможно поменять на DB105, DB107, либо можно установить четыре диода серии КД105Г, 1N4004, КД243Ж. Емкости C1,C2,C3 – любые пленочные К78-2, К73-17, К73-24 или схожие зарубежные, имеющие напряжение не ниже 400 В.
Возможно установить и другие светодиоды имеющие белое свечение, например, RL30-WH744D (5 мм, 5000мКд), RL50-WH744D (яркость — 8000мКд), DB10D-439AWD (10 мм, 9000мКд), RL30-WH744D (Змм. 5000мКд), RL80-WH744D (8 мм, 8000мКд). При подборе светодиодов, выбор следует делать в сторону светодиодов большого диаметра.
Перед тем как первый раз включить лампу в сеть 220В, необходимо все тщательно проверить. В особенности правильную полярность подключения группы светодиодов к конденсатору C4.
В силу того, что после выключения питания, конденсатор C4 имеет еще некоторый заряд, то будет наблюдаться некоторое время слабое свечение светодиодов. Если в цепи светодиодов какой-то из них погас раньше, то его следует поменять на новый, поскольку он, либо был бракованный изначально, либо был перегрет во время пайки.
Внимание!
Схема не имеет гальванической развязки с электросетью. Поэтому сборку и настройку лампы необходимо производить при ее отключение от сети.Автор: А. Бутов, Ярославская обл.
www.joyta.ru
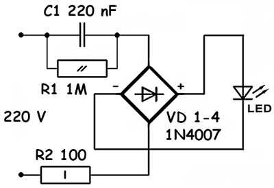
Схема питания светодиода от 220 вольт, как подключить. Светодиод индикатор 220 В.
Тема: рабочий вариант электрической схемы запитки светового диода от 220 V.
Порой возникает необходимость подключить обычный светодиод к сетевому переменному напряжению величиной 220 вольт. Например, это может быть нужно при установке светодиодного индикатора на переднюю панель какого-либо электроприбора, который будет сигнализировать об определенном режиме работы той или иной функции устройства. Допустим это индикатор наличия сетевого питания, или сигнальная лампа аварии и т.д. Как известно, большинство обычных индикаторных светодиодов изначально рассчитаны на постоянное низковольтное напряжение величиной от 1,5 до 4 вольт. Сила тока, которую могут потреблять такие светодиоды около 5 — 20 миллиампер. Следовательно, чтобы запитать такой световой диод от более высокого напряжения, да к тому же переменного типа, нужна специальная схема.

Данная схема, по моему мнению, является наилучшим вариантом подключения индикаторного светодиода к переменному, сетевому напряжению 220 вольт. Она имеет, пожалуй, всего один недостаток, это относительно большое количество деталей. Во всем остальном она хороша (ее элементы не нагреваются, светодиод защищен от пробоя высоким обратным напряжением, имеющиеся незначительные пульсации света не заметны человеческому глазу, путем изменения емкости конденсатора можно подбирать нужную силу тока, которую будет потреблять светодиод, возможность подключения множества световых диодов в схему).
Теперь давайте разберем саму электрическую схему, ее работу, назначение функциональных элементов. Итак, в начале схемы стоит конденсатор C1, который является ограничителем тока. Как известно конденсаторы не пропускают через себя постоянный ток, тем самым являясь для него бесконечно большим сопротивлением. Переменный же ток конденсаторы могут весьма хорошо пропускать, и величина этого тока будет зависеть от частоты и от емкости конденсатора. Поскольку в обычной электросети частота стандартизирована и равна 50 герцам, то силу тока в схеме мы можем менять только за счет подбора соответствующей емкости.
Стоит заметить, что конденсатор C1 не должен быть электролитом (иметь полюса)! Поскольку в этом случае он попросту может взорваться. В схему ставится емкость пленочного типа. Величина напряжения данного токоограничительного конденсатора должна быть более 250 вольт (можно и 250 В, но лучше 400 В или 600 В). В данной схеме питания индикаторного светодиода от напряжения 220 вольт емкость конденсатора равна 220 nF (220 нанофарад, они же 0,22 микрофарад). Данная емкость соответствует силе тока около 15 миллиампер, что является вполне оптимальным вариантом питания обычного индикаторного светодиода. Напряжение же на световом диоде осядет ровно столько, сколько ему требуется для своей нормальной работы (в схеме питающая энергия контролируется силой тока, а нужное постоянное напряжение возникает вследствии падения напряжения на светодиоде).
Вот таблица зависимости емкости конденсатора C1 от силы тока светодиода:
Параллельно конденсатору C1 стоит резистор R1. Его функция заключается в разряде конденсатора, после отключения схемы от питающего напряжения. То есть, данная схема питания индикаторного светового диода будет работать и без R1, но тогда существует большая вероятность, что Вас может ударить небольшим током (при случайном соприкосновении с токопроводящими частями схемы) даже после отключения питания от этой схемы. Этот резистор просто снимает накопленный электрический заряд с конденсатора, и все. Его можно поставить небольшой мощности, величиной около 1 мегаома (от 500 килоом до 2 мегаом).
На схеме можно увидеть еще один резистор R2, который является токоограничительным. Для переменного тока фиксированной частоты и напряжения конденсатор будет иметь свое определенное реактивное сопротивления, которое нам и ограничивает силу тока для питания светодиода. Но вот для случайных всплесков напряжения, что возникают в электросети по причине включения и выключения различных, мощных индуктивных нагрузок (сварочные аппараты, мощные трансформаторные блоки питания, индукционные электроплиты, обогреватели и т.д.) наш конденсатор будет иметь практически нулевое сопротивление.
То есть, если Ваш сосед часто включает и выключает такие мощные индуктивные нагрузки, то возникающие всплески напряжения легко пройдут через конденсатор и осядут на индикаторном светодиоде, что с большой вероятностью его может вывести из строя. Именно силу тока таких всплесков призван ограничивать резистор R2. В схеме номинал этого резистора может быть от 68 ом до 150 ом (мощность 0,5 ватт).
Ну и последней, важной функциональной частью схемы питания индикаторного светодиода от напряжения 220 вольт является выпрямительный диодный мост. Его роль заключается в преобразовании переменного напряжения в постоянное (хотя и скачкообразное). Этот мост все полуволны переменного напряжения переводит в одну полуволну, частота которой уже будет 100 герц. Именно эта частота уже не воспринимается как мерцающая. То есть, раздражающих световых мерцаний мы не заметим.
При подборе этого диодного моста важно чтобы его диоды (или готовый мост в виде целостной сборки) были рассчитаны на обратное напряжение более 400 вольт, и силу прямого тока более того, что будет потребляться индикаторным светодиодом. В схеме я поставил на диодный мост диоды типа 1N4007, у которых обратное напряжение равно 1000 вольт, и прямой ток они выдерживают до 1 ампера. Стоят они недорого! Имеют маленькие размеры. Широко распространены, легко доступны.
Ну вот и все, что касается элементов данной электрической схемы питания светодиода индикатора от переменного, сетевого напряжения 220 вольт. Как я уже говорил выше, единственный недостаток этой схемы заключается в том, что она содержит относительно много элементов. Во всем остальном она хороша. Так что если кому нужно, берите и собирайте ее.
P.S. На просторах интернета можно найти множество более простых схем для питания световых диодов от 220 В. Они имеют, как свои достоинства, так и свои недостатки. Среди них я выбрал наиболее оптимальный и рабочий вариант, чем собственно с вами и поделился в этой статье.
electrohobby.ru
Схема и устройство светодиодной лампы на 220 вольт
Светодиодная лампа на 220в, частота сети 50Гц, мощность 3Вт, тип LED3-JDR, производитель Camelion, цоколь E14, потребляемый ток 26mA, световой поток 235Лм. Температура свечения 4500 К. Это параметры заявленные производителем.
Внимание! Соблюдайте правила электробезопасности. Электротравмы, могут быть смертельными, а неправильный ремонт пожароопасным.
Яркость свечения светильника визуально сопоставима с энергосберегающей лампой на 7-9 Вт. Разобрать лампу оказалось не просто. Защитное стекло приклеено на совесть, прорезал склейку по контуру, но снять его без потерь не получилось – стекло плафона очень хрупкое.
На плате с наружной стороны установлены 6 smd светодиодов неизвестного типа. На обратной стороне «драйвер». Схема питания светодиодов этой лампы не удивила: для гашения избыточного напряжения используется реактивное сопротивление конденсатора С2, далее выпрямительный мост и сглаживающий конденсатор С3, а не импульсный драйвер, как в светодиодной лампе GL5,5.
Принципиальная электрическая схема светодиодной лампы LED3-JDR во многом совпадает со схемой лампы Selecta-G9-220v-5w.Конденсатор С2 полистирольный металлопленочный типа CBB22 рассчитан на использование в цепях постоянного тока и импульсных схемах, обладает эффектом самовосстанавления, хорошей изолирующей способностью и минимальными потерями на высокой частоте. Советские аналоги — конденсаторы типов К73-17, К73-44, К71-7

Десятиомный резистор ограничивает пиковый ток заряда С3 для исключения перегрузки выпрямительного диодного моста при включении. Через резистор R1 разряжается конденсатор С3 после выключения. С1 на плате не установлен, предназначен для увеличения тока через светодиоды при необходимости. При обрыве в цепи светодиодов напряжение на С3 без резистора R2 может достигнуть 350 вольт, а с этим резистором оно хоть и превысит номинальное для конденсатора, но не настолько, чтобы тот вышел из строя.
При напряжении в сети 237 вольт напряжение на всей цепочке диодов составило 93 В, на каждом светодиоде 15,3 вольта соответственно. Корпуса излучателей на плате типоразмера 6730 (6,7х3 мм), похоже, в каждом корпусе находится матрица из 4-х последовательно включенных светодиодов. Для светодиодов белого свечения падение напряжения при номинальном токе порядка 3,5 вольт. В нашем случае получается 3,8 вольта на каждом диоде, т.е. диоды работают в жестком режиме. Об этом говорит и то, что их температура при работе составляет 50-60 градусов Цельсия. В таком режиме диоды подвержены усиленной деградации и срок их службы будет в разы меньше, чем при номинальных токах. Производитель никогда не будет делать «вечную» лампу, иначе он разорится.
В схеме светодиодной лампы с гасящим конденсатором и выпрямительным мостом, за которым стоит конденсатор для сглаживания пульсаций ток будет очень отличаться от синусоидальной формы. Но это отдельная тема.

На этом фото, для сравнения, показаны однокристальные светодиоды 3528 (3,5х2,8 мм) у которых номинальный ток 20 мА.
Более эффективные (но больших габаритов) светодиодные светильники на 220 вольт можно сделать своими руками из диодной ленты. Для этого нужно взять 20 отрезков ленты 3528 на 12 вольт и спаять их последовательно, соблюдая полярность. Конденсаторы С1, С2 и резисторы R1, R2 исключаются из схемы. Вместо R1 надо поставить перемычку, а С3 должен быть на напряжение не менее 310 вольт. В данной схеме 10-тиомный резистор будет служить еще и предохранителем в случае короткого замыкания моста. На такой светильник понадобиться 1 метр открытой ленты с 60 диодами (20 отрезков по 5 сантиметров) или 0,5 метра с 120 диодами (20 отрезков по 2,5 см). Конструкция и размеры могут быть различными, главное соблюдать технику безопасности и, конечно, такой светильник должен иметь корпус с хорошей изоляцией.
firstelectro.ru
Яркая светодиодная матрица с питанием от сети 220 вольт.
Светодиоды все стремительнее занимает свое место среди источников освещения.
Низкое потребление электроэнергии, яркость позволили светодиодам вытеснить традиционные лампы накаливания и довольно уверенно соперничать с энергосберегающими.
Поддавшись общей тенденции, решил собственными руками пощупать и собственными глазами посмотреть на светодиодную матрицу, не требующую каких-то отдельных драйверов, а подключающихся непосредственно к сети 220 вольт. Кому интересна данная тема, прошу под кат.
В результате остановил свой выбор на следующем экземпляре:

Из описания на странице следует, что данный источник света:
— производится по технологии LED СОВ;
— напряжение питания 220 вольт;
— потребляемая мощность 30 ватт;
— цветовая температура 2500- 3200К;
— материал подложки (основания) алюминий;
— габаритные размеры 40*60мм;
Пока ехала посылка, изучил теорию.
Что собой представляет технология LED СОВ?
Примерно до 2009 года у светодиодной продукции было только одно направление развития – увеличение мощности светодиода или Power LED. Совершенствование данной технологии позволило добиться мощности одного светодиода на уровне 10 ватт.
Как оказалось дальнейшее наращивание мощности не имеет смысла ввиду высокой стоимости производства отдельного мощного светодиода. Важную роль в поисках иного пути развития так же послужило то, что светодиод является точечным источником света и добиться засветки большой площади поверхности с помощью мощных светодиодов оказалось не просто и весьма не дешево. Для получения более-менее приемлемых результатов требовалось применение оптических систем для того, чтобы сделать свет рассеянным.
Следующим шагом было применение для создания приемлемых источников рассеянного света SMD светодиодов – на одну плату припаивалось большое количество светодиодов. Недостатками является общая трудозатратность пр
mysku.me
Подключение светодиода к сети 220В
Для питания светодиодов необходим источник постоянного тока. Кроме этого, этот ток должен быть стабилизирован. В бытовой сети напряжение 220В, что значительно больше, чем нужно для питания обычных светодиодов. Плюс, это напряжение переменное. Как же совместить несовместимое и подключить светодиод к сети 220В? Нет ничего невозможного, но сначала попробуем разобраться, для чего это подключение может вообще потребоваться.
Прежде всего, речь может идти о подключении мощных источников света. В этом случае совсем простыми способами не обойтись, потребуются специализированные драйвера или аналогичные приборы, которые будут способны выдать стабилизированный ток большой мощности. Оставим этот вариант напоследок.
Также часто бывает необходимо к 220В подключить маломощный индикаторный светодиод — для, собственно, индикации того, что напряжение в данный момент присутствует. Или может потребоваться маломощное дежурное освещение, для которого городить сложную электронику совсем не хочется. В этих случаях, если нужные токи светодиодов не превышают 20-25мА, можно обойтись минимальным количеством дополнительных деталей. Рассмотрим эти подключения подробнее.
Самый простой способ ограничения тока — использование резистора. Этот вариант подойдет и для сети переменного тока с напряжением 220В. Необходимо только учесть один важный нюанс: 220В — это ДЕЙСТВУЮЩЕЕ напряжение. Фактически же напряжение в бытовой сети меняется в более широких пределах — от -310В до +310В. Это, так называемое, АМПЛИТУДНОЕ напряжение. Подробнее, почему так — читайте в Википедии. Для нас же важно, что для расчета значений токоограничиваюжего резистора нужно использовать не действующее, а именно амплитудное значение сети переменного тока, т.е. 310В.
Сопротивление резистора рассчитывается по привычному закону Ома:
R = (Ua — UL) / I, где Ua — амплитудное значение напряжения (310В), UL — падение напряжения на светодиодах, I — требуемая сила тока.
Токоограничивающий резистор должен быть очень мощным, поскольку на нем будет рассеиваться большое количество тепла, которое будет зависеть от рабочего тока и сопротивления резистора:
P = I2 * R
Резистор будет греться и, если окажется, что он не рассчитан на рассеивание того количества тепла, которое на нем выделяется, он достаточно эффектно сгорит. Поэтому про допустимую мощность резистора забывать ни в коем случае не следует, а для реального использования подбирать ее еще и с запасом. Если вам не хочется заниматься собственными расчетами значений резистора, можете воспользоваться «Калькулятором светодиодов».
Простые схемы для подключения светодиода к сети 220В с токоограничивающим резистором
Светодиоды способны выдержать только небольшое обратное напряжение (до 5-6В) и для работы в сети переменного тока им нужна защита. В самом простом случае для этого может быть использован диод, которые включается в цепь последовательно светодиоду. Требования к диоду — он должен быть рассчитан на обратное напряжение не менее 310В и на прямой ток, который нам нужен. Подойдет, например, диод 1N4007 — обратное напряжение 1000В, прямой ток 1А.
Второй вариант — включить диод параллельно светодиоду, но в обратном направлении. В этом случае подойдет любой маломощный диод, например, КД521 или аналогичный. Более того, можно вместо диода подключить второй светодиод (как и изображено на правой схеме). В этом случае они будут защищать друг друга и одновременно светиться.
Для ограничения тока в переменной сети можно использовать и, так называемый, балластный конденсатор. Это неполярный керамический конденсатор, который включается в цепь последовательно. Его допустимое напряжение должно быть, по меньшей мере, с полуторным запасом больше напряжения сети — не менее 400В. Ограничение тока будет зависеть от емкости конденсатора, которая может быть рассчитана по следующей эмпирической формуле:
C = (4,45 * I) / (Ua — UL), где I — требуемый ток в миллиамперах. Значение емкости при этом получится в микрофарадах.

Использование балластного конденсатора для подключения светодиода к сети 220В
В приведенной выше схеме резистор R1 необходим для разряда конденсатора после отключения питания. Без его использования конденсатор C1 заряд в себе сохранит и пребольно ударит, если потом коснуться его выводом. Резистор R2 служит для ограничения начального тока заряда конденсатора C1. Использование его очень желательно, поскольку он продлевает срок службы других деталей, кроме того, при пробое конденсатора он будет служить предохранителем и сгорит первым, защитив остальную часть схемы.
Оставшиеся детали — светодиод D1 и защитный диод D2 уже знакомы нам с предыдущих схем.
Почему не использовать конденсаторы вместо токоограничивающего резистора все время? Дело в том, что высоковольтные конденсаторы достаточно крупные по размеру да и при их использовании резисторы все равно нужны — готовая схема в итоге займет больше места. Преимущество же их в том, что они практически не греются.
Приведенные схемы подключения светодиодов к сети 220В часто используются на практике. Индикаторные светодиоды можно встретить в выключателях с подсветкой.

Схема обычного выключателя с подсветкой
Как можно увидеть, здесь даже не используется защитный диод! Дело в том, что сопротивление резистора очень велико, итоговый ток получается очень небольшой — около 1мА. Светодиод светится совсем не ярко, но этого свечения хватает, чтобы подсветить выключатель в темной комнате.
Схемы с балластным конденсатором используются в простых светодиодных лампах.
Схема светодиодной лампы мощностью до 5Вт
Здесь ток выпрямляется диодным мостом. Резис
www.flashled.com.ua
Как происходит подключение светодиодов. Как включить светодиод в сеть 220 вольт
Включение светодиода в сеть 220 вольт через конденсатор и через транзистор: схемы включения и фото
Освещение светодиодными лампами со временем становится все более выгодным, а, значит, и все более распространенным. Соответственно, увеличивается и рынок предложений: так появились и бытовой светильник, и светодиодные ленты, и панели и так далее.
Однако у всех этих устройств есть одно общее свойство: им требуется постоянный ток с напряжением 12 или 24 В, а в 220 вольт.
Светодиод: технические характеристики


Источником освещения, в отличие от всех остальных категорий осветительной техники, здесь выступает не какой-либо нагревательный элемент, а полупроводниковый кристалл, способный генерировать оптическое излучение под действием тока. Следовательно, качества его весьма далеки от вольфрамовой спирали или чего-то подобного.
- При самом малом увеличении напряжения сила тока резко возрастает – зависимость на схеме имеет вид крутой дуги. Столь значительное повышение заставляет полупроводник нагреваться и быстро разрушаться.
- При переменном напряжении на светодиодный элемент действует не только прямое напряжение, но и обратной полярности (пробивное), создавая условия для протекания тока в обратном направлении. Сила его невелика и светодиод не излучает, но вполне достаточна для того, чтобы нагревать полупроводник. Что, в свою очередь, приводит к повреждению.
Благодаря указанным свойствам прямое подключение к электросети с переменным током и напряжением в 220 вольт становится невозможным.
Включение в бытовую электросеть через резистор

Резистор (или сопротивление) вводится в схему подключения для того, чтобы предохранить светодиод от резкого увеличения силы тока. Любая цепь, где светодиодная лампочка служит индикатором – святящийся выключатель, панель на аппарате, обязательно включает в себя сопротивление.
Гасящий резистор и светодиод подсоединяются последовательно. Величина сопротивления рассчитывается исходя из характеристик светодиода по формуле:
- R=(Uсети-Uсв.д.)/Iсв.д. где:
- R – сопротивление;
- Uсети – амплитудное напряжение сети 220 вольт, рассчитывается из действующего: 220*1,41=310 В;
- Uсв.д. – падение напряжения на светодиоде;
- Iсв.д. – номинальное значение тока.
Например, для индикации устанавливается красная лампочка. Из справочника берутся нужные величины: Iсв.д. =18 мА, Uсв.д.=2,0 В.
Подставив в формулу значения, получают: (310-2)/0,018=17 кОм. Значит, для подключения через резистор требуется подсоединение сопротивления в 10–20 кОм.
- Номиналы резисторов, выпускаемых промышленностью, выбираются из специальных номинальных рядов, поэтому сопротивление подбирается наиболее близкое по значению к полученному результату. При включении через резистор в 10 кОм, лампочка будет гореть ярче, при 2О кОм – слабее.
На фото приведена простейшая схема индикаторной цепи.
Подключение светодиода в сеть 220 вольт через конденсатор


Балластный конденсатор накапливает электрический заряд и является пассивным компонентом цепи. Благодаря этому при включении через конденсатор не выделяется тепло. Но так как после выключения он остается заряженным и продолжает накапливать заряд при включении, то через какое-то время может возникнуть ситуация, при которой произойдет разряд, как правило, в руку пользователя прибора. Мощность заряда недостаточна, чтобы нанести существенный урон, но удар все, же весьма чувствительный.
Для того чтобы этого избежать, в цепь параллельно конденсатору включается резистор.
Емкость устройства также рассчитывается по соответствующей формуле – она носит эмпирический характер и может быть использована при частоте напряжения 50 Гц.
C=(4,45*Iсв. д.)/(U-Uсв. д.) где:
- C – емкость;
- I св. д.– номинальное значение тока;
- U – максимальное напряжение в сети;
- U св. д. – величина падения напряжения.
Подбирается ближайшее к результату значение емкости и включается в цепь. При необходимости допускается параллельное соединение двух или больше устройств. Применяется либо керамический конденсатор, рассчитанный на напряжения в 400 В, не меньше, либо специальный, предназначенный для работы в сети при напряжении в 250 В.
На видео процесс монтирования индикаторной цепи со светодиодом представлен более подробно.
Гашение обратного напряжения

Включение через конденсатор или сопротив
10i5.ru
