Проходной выключатель с подсветкой – Подключение выключателя с подсветкой: виды, устройство и схема
Подключение выключателя с подсветкой: виды, устройство и схема
В домах, квартирах и остальных помещениях, куда проведена электроэнергия, обязательно установлены выключатели. Современные модели позволяют не только включать/выключать освещение, но и программировать работу отдельных приборов и систем, например, теплый пол.
Среди всех разновидностей самые удобные в использовании те, которые оборудованы подсветкой. Установка и подключение выключателя с подсветкой имеют свои нюансы и правила.

Как устроен выключатель с подсветкой
Основное отличие устройства с подсветкой от классических моделей — наличие индикатора. Это может быть неоновая лампочка или светодиод.
Схема соединения проста. Индикатор идет параллельно выводам устройства. При выключении приборов эта маленькая деталь подключается к проводу ноль (с помощью сопротивления лампы) и начинает светиться. При включении света схема закорачивается, индикатор выключается.
Выключатель с подсветкой/индикатором не будет работать с такими видами устройств:
- люминесцентные лампы;
- приборы освещения с электронными пусковыми регуляторами;
- некоторые виды светодиодных ламп.
По функциональности различают приборы одно-, двух-, трех- и четырехклавишные, шнуровые и кнопочные и т. д.

Выключатели с подсветкой имеют массу преимуществ:
- Дизайн и конструкция почти не отличаются от стандартных устройств. Единственное отличие — наличие светодиода на передней панели, что делает нахождение в темном помещении более комфортным.
- Большинство схем отличаются экономичностью. Встроенные индикаторы потребляют совсем немного электроэнергии.
- Обслуживание светодиода не требует больших энергозатрат.
Часто устройства с подсветкой устанавливаются в спальнях. Работающая подсветка помогает быстро сориентироваться в комнате при внезапном пробуждении.
к содержанию ↑Важно! Из недостатков можно выделить потребление большого количество электроэнергии при подключении по отдельным схемам (с использованием резистора).
Виды в зависимости от типа подсветки
Параметром для разделения на виды, кроме функциональности, будет и вид подсветки:
- С резистором. Такая схема подключения выключателя с подсветкой имеет недостаток — не будет работать, если в осветительных приборах стоят светодиодные лампы. Это легко объяснить. При работе подобных устройств не получится создать высокое напряжение, потому что светодиоды имеют большее, чем лампы накаливания, сопротивление. Сюда можно подсоединить энергосберегающую лампочку, но она мигает после выключения.
- Светодиод с конденсатором. Схема позволяет увеличить КПД и уменьшить уровень потребляемой подсветкой электрической энергии. Резистор здесь выступает ограничителем тока конденсатора.
- С неоновой лампой. Выключатели такого типа недостатков почти не имеют. Способны работать с любыми приборами освещения, в том числе обычными лампами, люминесцентными и светодиодными.

В быту используются приборы всех перечисленных видов.
к содержанию ↑Правила подключения
Независимо от вида, установка выключателя с подсветкой происходит одинаково. Отличия лишь в паре нюансов.
Установка одинарного выключателя
Проще всего выполнить подключение одноклавишного (одинарного) выключателя с подсветкой. В первую очередь необходимо отключить электроэнергию и снять старый выключатель.
Для этого:
- С помощью плоской отвертки снять клавишу.
- Осторожно убрать декоративную накладку.
- Открутить винты, соединяющие устройство с подрозетником. Вытащить его.
- Ослабить крепления, отсоединить провода.
По окончании манипуляций на руках остается внутренность демонтированного выключателя. Ее выбрасывают или используют в качестве запасных деталей.

Чтобы поставить новый выключатель света с индикатором/подсветкой, необходимо повторить перечисленные действия, только в обратном порядке:
- Вставить «внутренности» в подрозетник, не забывая прикрепить провода к контактам выключателя.
- Вкрутить болты.
- Установить декоративную рамку.
- Вставить клавишу.
- Включить электроэнергию для проверки правильности монтажа и подключения. Если работа сделана правильно, диод в подсветке засветится.
Монтаж и подключение выключателей с несколькими клавишами
Подключение двойного или тройного выключателя с подсветкой проводится примерно так же. Для установки конструкции с двумя клавишами понадобятся отвертка, бокорезы, наконечники и индикатор, с помощью которого определяют фазу.
Работа проводится так:
- Как и в предыдущем случае, в первую очередь необходимо обесточить квартиру/дом. Далее начинается демонтаж старого устройства.
- Снять клавиши и открутить винты. В подрозетнике останется три проводка. Один — приходящее питание, еще два — питание, уходящее к осветительному прибору.
- Теперь, используя индикаторную отвертку, необходимо найти фазный провод, пометить его или просто запомнить. Действовать нужно крайне осторожно, потому что этот этап требует наличия напряжения в сети.
- Обесточить сеть.
- Провода зачистить от изоляции.
- Взять новое устройство. В нем есть три контактные группы и пара проводов, идущих от подсветки.
- С помощью измерительного прибора определить положение «Выкл.». Обычно на проводках, исходящих от светодиода, есть специальные контактные пластины для винтов. Винт нужно открутить, приставить к пластинке и закрутить назад. Повторить действие для остальных контактов.
- Фазный провод прикрепить к пластине, расположенной отдельно от остальных, винтом.
- Провод, идущий к люстре, соединить с контактом и закрепить.
- Последний провод закрепить под контакт, на котором нет пластин.
- Проверить правильность подключения.
- Вставить внутреннюю часть выключателя в монтажную коробку.
- Закрепить винты.
- Установить на прежнее место клавиши.
По окончании монтажа подключить электроэнергию и проверить работоспособность устройства.

При необходимости в управлении источником света с разных мест следует установить проходной/перекидной выключатель. Его основное отличие от классических моделей — наличие подвижного контакта. Если нажать клавишу включение/выключение, он перекинется с одного контакта на другой, запуская работу второй цепи.
к содержанию ↑Подключение проходного выключателя с подсветкой
Схема подключения проходного выключателя предельно проста. Два отдельных устройства устанавливаются с двух сторон цепи.
Для этого понадобится проложить трехжильный кабель к одному и к другому.
Отключение подсветки выключателя
Устройство позволяет на время или навсегда отключить «светлячок». Сделать это просто:
- Как и в остальных случаях, сначала необходимо отключить электроэнергию.
- С помощью плоской отвертки поддеть, потом снять клавиши.
- Снять декоративную рамку.
- Открутить болтики.
- Вытащить внутреннее наполнение из подрозетника/монтажной коробки.
- Используя индикаторную отвертку, проверить наличие напряжения на проводах.
- Отсоединить провода от контактов.
- Найти в конструкции выключателя защелку, скрепляющую две части. Разделить их.
- Найти резистор и светодиод.
- Взять кусачки и перекусить провода, направленные к подсветке. Альтернативный вариант — выпаять светодиод.
- Собрать выключатель, повторяя вышеописанные действия в обратном порядке.

Теперь индикатор не будет работать.
к содержанию ↑Как самому установить подсветку в выключатель
Схема и устройство выключателя с подсветкой несложные. Собрать устройство возможно в домашних условиях своими руками. Достаточно приобрести обычный выключатель и светодиод.
Схема состоит из основных частей:
- светодиод;
- ограничивающий резистор;
- диод, подключающийся параллельно светодиоду.
Для светодиодов подойдет резистор с номиналом 100 кОм и мощностью не меньше 1 Вт. Для защиты следует применять диод КД521.
Обратите внимание! Эта схема имеет недостаток — большое потребление электроэнергии. В месяц ее количество может достигать 1 кВт.
Чтобы сэкономить электроэнергию, можно воспользоваться другой схемой, которая ограничивает ток светодиода с помощью конденсатора. Его емкость должна быть равна 1 мкФ. При подключении цепи следом за конденсатором будет подключаться резистор, ограничивающий ток заряда. Эта схема имеет недостаток, который касается процесса монтажа. Часто конденсаторы имеют немалые размеры, что может привести к трудностям с их установкой в выключатель.
Конструкции, в которых в качестве подсветки используется светодиод, гармонично работают исключительно с обычными лампами накаливания. Люминесцентные ламы в такой цепи будут мигать после выключения. Светодиодные осветительные приборы вообще не будут работать, поскольку сопротивление светильника всегда больше.
Более эффективна схема с неоновой лампой в составе, предусматривающая последовательное подключение резистора с сопротивлением от 0,5 до 1 мОм.
Установить подсветку в выключатель очень просто. Светодиод или неоновую лампу необходимо закрепить на корпусе, используя обычный клей. В клавише нужно просверлить отверстие для света.
к содержанию ↑Заключение
Подключение выключателей со светодиодом, неоновой лампой и т. д. выполнить довольно просто. Процесс напоминает монтаж обычного устройства и не зависит от разновидности (одно-, двух- или трехклавишный).

Схемы настолько просты, что подсветку можно установить самостоятельно, используя минимум времени и сил. Необходимо лишь приобрести обычный выключатель и индикатор.
Подключение выключателя с подсветкой: виды, устройство и схема
220.guru
схема подключения и ее особенности
В магазинах часто можно встретить выключатели, в которые уже встроена подсветка. Однако просто так менять установленный выключатель вряд ли кто-то захочет. Но искать в темноте клавишу на ощупь тоже не всегда удобно.
Практичность выключателей с подсветкой
Выключатель с подсветкой, схема подключения которого практически такая же, как и у обычных выключателей, стал очень популярен. Любой, кому надоело искать выключатель в ночной темноте, может внести в это устройство небольшие изменения, даже если у него нет специальных знаний в электрике.
В любой выключатель можно вставить светодиод, используя довольно простые схемы. Между собой доступные схемы различаются своими характеристиками, а не только комплектацией. Например, выключатель может не захотеть работать из-за того, что в светильнике установлена светодиодная лампа. Если лампы энергосберегающие, то они могут светиться в темноте или мерцать, что тоже не является правильным результатом.
Схемы подключения выключателей
Существует много приемлемых схем, каждая из которых имеет свои плюсы и свои минусы. Разобраться в существующих схемах подключения светодиодной подсветки в выключатель не сложно.
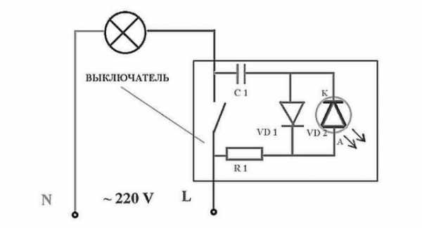
Например, выключатель с подсветкой, схема подключения которого представлена ниже.

Когда выключатель находится в положении «Выключено», то ток проходит через сопротивление (R1-любое, в диапазоне от 100 до 150 кОм). После сопротивления он проходит через VD2 (светодиод, который при этом светится). Для того чтобы защитить светодиод от напряжения, ставим диод VD1. Особенно хорошо светит при такой схеме подключения резистор с током 3 мА. Если же окажется, что светодиод светится слабовато, то следует уменьшить номинал сопротивления. Светодиод и диод в этой схеме подойдут любые. Можно и самому рассчитать необходимые параметры резистора. Достаточно всего лишь вспомнить классический закон силы тока.
Рассмотрим еще один выключатель с подсветкой, схема подключения которого крайне проста, но с небольшим недостатком. Дело в том, что она потребляет около 1 киловатта в месяц.

Направленные вниз концы подключаем к клеммам. Если в доме нет паяльника, или по какой-то причине нет желания возиться с этим, то эта схема подходит идеально. Она выполнена на скрутках. Хотя, из соображений безопасности и долговечности прибора, места соединения все же лучше пропаять, а резистор хорошенько заизолировать.

Схема светодиодной подсветки выключателя с конденсатором
Чтобы на порядок повысить уровень свечения, можно использовать конденсатор. А резисторный ток, наоборот сократить до 90-100 Ом. Можно использовать выключатель с подсветкой, схема подключения которого отличается от предыдущей тем, что вместо резистора используется конденсатор. А резистор (R1) играет роль ограничителя зарядного тока.
Правда, собранная по этой схеме подсветка отличается большими габаритами, но зато отличается крайне низким энергопотреблением — около 0,05 ватт в месяц.

Подключение проходного выключателя
Если рассматривать выключатель Legrand с подсветкой, схема подключения которого находится выше, то необходимо отметить, что он отличается безопасностью использования этой продукции, которая изготовлена из материалов, значительно увеличивающих срок эксплуатации. А о простоте подключения выключателей этой компании и говорить не приходится, настолько все продумано и легко осуществляется.
При изготовлении выключателей используется поликарбонат и оцинкованная сталь. Винты, захваты и суппорт — все это выполнено из этого металла. Из поликарбоната сделаны клавиши, механизмы, корпус и рамка. А это гарантия того, что на протяжении долгого времени выключатель «Легранд» с подсветкой, схема подключения которого крайне проста, не потрескается и не разрушится от солнечного излучения.
Установка двухклавишного выключателя
Двухклавишные проходные выключатели Legrand отличает присутствие пары контактов, независимых друг от друга. При надавливании на клавиши они переключают верхние линии на нижние, и при этом верхние контакты выполнены с отсутствием конечного вывода. А нижние контакты связаны со вторым, таким же проходным выключателем.
Зная, как устроены левая и правая группа контактов, легко понять, как подключить проходной выключатель.
Подключение пары проходных выключателей предельно просто. Фаза, которая выходит из электрического щита квартиры или дома, подается на контакт второго выключателя, в то время как в самих рамках всей группы контакты перемычкой соединены между собой. А те контакты, которые находятся в левой группе, подают ток на независимые друг от друга приборы освещения. Здесь важно учитывать одно правило. Два эти контакта ни в коем случае не должны соединяться между собой. Затем все перекрестные четыре контакта нужно увязать между собой в виде пары.

Выключатели компании Legrand
«Легранд», пожалуй, самый распространенный бренд среди электротехнических приборов, и поэтому большинство предпочитает использовать именно их продукцию, либо близкую к ним, но тоже известных компаний.
Среди продукции, относящейся к электротехнической арматуре, нужно выделить и розетки, подходящие для телевизионных и телефонных сетей — слаботочные, и все они, кроме отменного дизайна, обладают высоким качеством, откуда получили широкую популярность не только в нашей стране, но и во всем мире.
Принцип работы проходных выключателей
Внешне обычный переключатель практически не отличается от проходного и визуально различить их, не раскрывая конструкцию, нельзя. Различие кроется во внутреннем устройстве. Обычный переключатель размыкает или замыкает цепь, несущую электрический ток, а проходной, соединяя одну линию, при этом разъединяет другую. То есть, другими словами, при работе проходного выключателя, какая бы пара клавиш не была бы нажата, выключатель готов к работе. Нажали левую на одном выключателе — лампочка погасла. Нажали вторую на нем же, либо клавишу на втором выключателе — лампочка снова горит. Это, несомненно, очень удобно.
Иными словами, у обычного одноклавишного выключателя рабочими являются оба контакта, а у проходного аж целых три. Потому что второй контакт, который выступает в роли выходного, соединен со вторым выключателем, парным. А при подключении двухклавишных проходных выключателей количество контактов увеличивается уже до шести.
Если внимательно рассмотреть схему подключения, приведенную ниже, то можно без труда справиться с монтажом любых проходных выключателей и установить все нужные устройства для того, чтобы схема нормально функционировала. Главное — соблюдать технику безопасности, не работать при включенном напряжении в сети и удостовериться, что используется работоспособная схема.

Рассмотрим, пожалуй, самую нетребовательную схему, с помощью которой можно подключить такие выключатели. Ноль в схеме обозначен синим цветом. Он, попав в распределительную коробку, затем направляется на лампу освещения. Оранжевый провод — это фаза. Он проходит из той же коробки на вход первого из выключателей. Затем на выходах черные провода нужно соединить со входными клеммами второго переключателя. А затем, уже всего одним проводом пройти к лампе.
Двойной выключатель с подсветкой, схема подключения которого идентична рассмотренным, применяется в качестве устройства для управления источниками освещения, которые разнесены друг от друга и могут находиться на значительном расстоянии. Но управлять ими требуется из конкретного места, а порой из двух или трех.
Особенно ощутим эффект комфорта, когда используется двухклавишный выключатель с подсветкой, схема подключения которого прилагается в комплекте, на лестницах, в больших комнатах, когда не хочется вставать, например, с кровати, чтобы выключить в спальне свет. Если выключатель находится у двери — это неудобно перед сном. Поэтому логичней использовать проходной выключатель. Один устанавливается как обычно, у двери в помещении, а второй около кровати, чтобы можно было выключить свет, не вставая.
Часто используют автоматическую регулировку выключения и включения света. Для этого к лампочкам подключают детекторы, которые реагируют на движение или на звук. Либо на освещение — когда становится темно, лампочка включится самостоятельно и наоборот.
Таким образом, если используется одноклавишный выключатель с подсветкой, схема подключения которого уже рассмотрена, а также проходные выключатели с различным количеством клавиш, легко достигаются любые результаты в реализации дизайнерских задумок и проектов. А простота монтажа обуславливает возможность самостоятельного проведения работ, не прибегая к услугам дорогих специалистов.
fb.ru
Подключение выключателя с подсветкой: схема, устройстово, особенности
Наш комфорт складывается из мелочей. Такая мелкая деталь — подсветка выключателя — а плюсов от нее много. Как выполнить подключение выключателя с подсветкой так, чтобы все работало без проблем, как «подружить» со светодиодными и энергосберегающими лампами, как сделать чтобы это небольшое усовершенствование не «тянуло» много электричества. Обо всем этом — в статье.
Содержание статьи
Какие бывают выключатели с подсветкой
В электрических выключателях подсветка — это светодиод или неоновая лампочка. Внешне они мало отличимы, но неонки потребляют меньше электричества, зато создают большее падение напряжения. Для светодиодов минимальный ток свечения 2 мА и падение напряжения 2 В, для неоновых лампочек в подсветке — 0,1 мА и 70 В соответственно. И это стоит учитывать при выборе.

В темноте подсветка на выключателе лишь слегка светится
Еще один важный момент: подсветка выключателя может корректно работать не со всеми видами ламп. Без проблем выключатель с подсветкой работает с лампами накаливания и галогеновыми. А вот с энергосберегающими и светодиодными их лучше не ставить или принять особые меры. Если просто подключить, могут быть проблемы. Наиболее распространенные — не будет гореть подсветка либо в выключенном состоянии будет моргать лампочка.

Светящийся элемент может быть в виде небольшой точки или черты
Если говорить о количестве клавиш, то подсветка может быть на выключателе с любым количеством клавиш: с одной, двумя, тремя или даже четырьмя (если найдете). Кроме того, они могут быть как на обычных моделях, так и на проходных. Месторасположение светящейся точки тоже разное: на клавише или на корпусе. На клавише может быть вверху или посередине, на корпусе — по центру вверху или внизу.
Устройство
Подключение выключателя с подсветкой — несложная процедура, но стоит знать, как выбрать качественную модель или как переделать то, что уже есть в наличии. Подсветка в выключателе обычно представляет собой последовательное соединение светодиода/неоновой лампы с сопротивлением. Эта небольшая цепь включена параллельно контакту выключателя. Получается, вне зависимости от того, включен свет или выключен, эта цепь все время под напряжением.
При таком подключении, когда освещение выключено, создается следующая цепь: фаза идет через токоограничивающий резистор, протекает через светодиод или неоновую лампу, через клеммы подключения попадает на лампочку, через нить накаливания — на нейтраль. То есть, подсветка включена.
При включенном выключателе, цепь подсветки шунтируется замкнутым контактом, сопротивление которого значительно меньше. Ток через подсветку почти не течет, она не горит (может гореть в треть или четверть «накала»).

Принцип работы подсветки в выключателе
Как уже говорили, последовательно со светодиодом или неоновой лампой в выключателе установлен токоограничивающий резистор (сопротивление). Его задача, снизить ток до приемлемого значения. Так как для светодиодов и для неоновых ламп требуется разная величина тока, то и резисторы ставят разного номинала:
- для неонок 0,5-1 МОм и рассеиваемая мощность 0,25 Вт:
- для светодиодов — 100-150 кОм, рассеиваемая мощность — 1 Вт.
Но подключение светодиодной подсветки только через резистор — не самый лучший вариант. Во-первых, резистор сильно греется. Во-вторых, при таком подключении есть вероятность, что через цепь может потечь обратный ток. Это может привести к пробою светоида. В-третьих, в моделях со светодиодной подсветкой, потребление электроэнергии одного выключателя может превышать 300 Вт в месяц. Вроде и немного, но если подсветка на каждой клавише каждого выключателя… Существуют более экономичные и безопасные схемы подсветки клавиш выключателя.
С диодом
Прежде всего стоит решить проблему обратного тока. Обратный ток грозит пробоем светодиода, то есть подсветка будет нерабочей. Решается эта проблема очень просто — установкой диода параллельно с LED элементом.

Вариант подсветки в электровыключателе
При такой схеме рассеиваемая мощность резистора — не менее 1 Вт, сопротивление 100-150 кОм. Диод подбирается с параметрами, аналогичными параметрам светодиода. Например, для AL307 подходит КД521 или аналоги. Недостаток схемы все тот же: греется резистор и подсветка «тянет» немало энергии.
Обратите внимание, что выключатель с подсветкой такого типа будет нормально работать с лампами накаливания. Со светодиодными люстрами или с экономками может работать некорректно.
С конденсатором: для экономии электроэнергии
Чтобы решить проблему греющегося резистора и снизить затраты на подсветку, в цепь добавляют конденсатор. Параметры резистора тоже меняют, так как теперь он ограничивает заряд конденсатора. Схема выглядит следующим образом.

Схема подсветки клавиш выключателя с конденсатором
Параметры резистора — 100-500 ОМ, параметры конденсатора — 1 мF, 300 В. Параметры резистора подбираются экспериментально. Еще, в данной схеме можно вместо обычного диода, поставить второй LED-элемент. Например, на вторую клавишу или с противоположной стороны корпуса.
Подобная схема практически не «тянет» электричество. Месячный расход — порядка 50 Вт. Но поместить конденсатор в небольшое пространство корпуса порой проблематично. И работа со светодиодными и энергосберегающими лампами все равно не гарантирована.
Как подключить выключатели с подсветкой
Сразу скажем, что подключение выключателя с подсветкой точно такое же, как и моделей без нее. Схемы ничем не отличаются, так как наличие дополнительных цепей подсветки на функции не влияет. По технике безопасности на выключатель заводится фаза — это делается для того, чтобы при выключенном выключателе на контактах патрона не было напряжения. Нейтраль (ноль) и земля идут напрямую на светильник или люстру. И будьте внимательны: работаем только с отключенным напряжением. Если есть возможность, создайте видимый разрыв — снимите предохранитель или выкрутите пробки. На автомат повесьте табличку, чтобы когда вы копаетесь в проводке, никто не включил питание.
Куда подключать провода
Если выключатель вы держите в руках впервые, вопросов будет много. Перед началом подключения и установки, надо разобраться с конструкцией. Для этого его надо разобрать, рассмотреть что и для чего. В большинстве случаев, чтобы разобрать выключатель, надо снять клавиши. Это касается и именитого Legrand, и производителей попроще типа Viko, и всяких других.
Клавиши на выключателе держатся на пластиковых защелках или штырьках. Обычно достаточно захватить клавишу, потянуть ее «на себя» и немного вниз. Можно попробовать поддеть плоской отверткой. Только чрезмерных усилий не прилагайте. Как только снимете одну клавишу, остальные «пойдут» без проблем.

Снимаем клавиши и рамку
Далее еще надо снять декоративную рамку корпуса. Она держится на паре шурупов, найти и открутить их не проблема. Вот мы и добрались до электрической части. Если внимательно рассмотреть, можно найти клеммы для подключения проводов. В большинстве случаев это медные площадки с винтами. Их легко опознать. Если в вашем выключателе именно такие, при подключении надо зачистить провод от изоляции, просунуть его под винт и контактную пластину, затянуть винт. Затягивать надо с достаточным усилием, но не перестарайтесь. Лучше через полчаса подтяните винты снова — медь немного поддастся под винтом, а вам необходимо создать надежное соединение. Поэтому проверьте соединение еще раз и дотяните его немного.
Есть еще выключатели с подсветкой, в которых разъемы для подключения проводов пружинного типа. Они встречаются у европейских производителей (есть и у Легранда). Работать с ними проще — надо только зачистить провод на 1 см и воткнуть его в нужный разъем. Там находится пружина, которая и обеспечит захват и контакт. Это проще, но такие модели дороже, да и немного их на нашем рынке.

Разъемы на выключателях Legrand для подключения проводов. Слева — стандартные винтовые зажимы Etika, справа — автоматические зажимы Etika Plus
Подключение одноклавишного выключателя с подсветкой
Одинарные выключатели с подсветкой подходят для небольших люстр — на один-два рожка. Используют их для включения одной группы потолочных светильников — на кухне, в коридоре, ванной и т.д. Схема подключения проста: ноль напрямую подается на светильники от щитка, фаза заводится на одну из клемм выключателя (все равно какую). От второй клеммы провод подается на второй вывод светильника.

Как подключить одноклавишный (одинарный) выключатель с подсветкой: схема
Вроде просто, но как реализовать эту схему на практике? Да все несложно. Количество клемм для подключения проводов зависит от количества клавиш. На одинарном выключателе клеммы всего две, и в подрозетнике для установки выключателя у вас должно быть всего два проводка (двужильный провод). Так что запутаться невозможно. Ищем клеммы на корпусе выключателя, на одну заводим провод от щитка, на вторую — от люстры. Куда-какой — без разницы, можно даже не проверять. Вот и все, можно включить питание и попробовать, включается освещение или нет.
Подключение двойного выключателя с подсветкой
Схема подключения двухклавишного (двухкнопочного) выключателя с подсветкой, от рассмотренной выше отличается мало. В подрозетник выводится трехжильный провод. По одной из жил поступает питание (фаза), две другие жилы — по одной на группы светильников или группы рожков на люстре. На этом отличия заканчиваются. Правда, подключить провода чуть сложнее — надо найти фазный (при помощи тестера или отвертки-пробника) и его подключить в требуемое гнездо.

Подключение выключателя с подсветкой: схема для модели с двумя клавишами
На двойном включателе есть три контакта для подключения проводов. Фаза, скорее всего, выведена красным или коричневым, а от люстры могут прийти провода одного цвета (могут быть черные или белые). Перед подключением проверяем наличие фазного напряжения, если надо, маркируем провод (приклеить кусок изоленты, например, покрасить лаком для ногтей, нанести метку маркером). После этого отключаем питание и приступаем к подключению выключателя с подсветкой.
Разберемся с контактами. Как уже говорили, их три. Один — для подключения фазы от щитка, два — для подключения проводов от светильника. Чтобы понять, куда подавать фазу, посмотрите на корпус. Должна быть небольшая схемка или стоять латинская буква L, которой обычно обозначают фазные клеммы. Если схема или надпись есть, подключение выключателя с подсветкой делаем, ориентируясь на эти обозначения.
Если никаких опознавательных знаков нет, можно попробовать зайти с другой стороны. Сверху обычно есть всего один контакт, снизу — два. К верхнему подключаем фазу, которая пришла от щитка, к нижним клеммам — провода от люстры.

Один контакт вверху — сюда заводим фазный провод от щитка. Два контакта внизу — сюда подключаем провода от люстры
После того, как подсоединили провода, включаем питание, пробуем включить свет. Сначала одну клавишу, затем вторую. Если все работает, подключение выключателя с подсветкой закончено, но его надо еще установить в подрозетник, а потом собрать.
Способы избавления от «моргающих» ламп
Всем хороши выключатели с подсветкой — красиво, удобно, недорого, практично. Вот только идеально совместимы они только с лампами накаливания — обычными или галогенными. С экономками их вообще лучше не использовать — те моргают постоянно. Могут работать с качественными диммируемыми светодиодными. Но, только качественными. Читай — дорогими. И то, со временем, если есть где-то некачественный трансформатор, могут начаться проблемы. Это значит, что или лампы станут светить вполнакала, или станут «подгорать» в выключенном состоянии. Так что, подключение выключателя с подсветкой возможно только со «старыми» лампами?

Удобно — не надо искать на стене
Решение проблемы есть и даже несколько. Разной степени сложности. Причем не все и не всегда срабатывают. Так что можно пробовать их один за другим. Вот как можно «подружить» выключатель с подсветкой и светодиодные лампочки:
- В люстру со светодиодными или экономками вкрутить одну лампу накаливания. Мощность подбирается экспериментально.
- Если светодиоды «встроенные» и никакой возможности добавить лампу накаливания не изуродовав люстру нет, параллельно люстре устанавливается конденсатор емкостью 0,22 мкФ, рассчитанный на 630 В. Это же решение подходит для групп встраиваемых светодиодных светильников. Перед первым светильником в ветке, параллельно ему, ставят конденсатор.
- Кардинальное решение проблемы — «выкусить» цепь подсветки. На работоспособности выключателя это не скажется никак. Второй способ — вытащить неоновую лампу Это проще, если цепь интегрирована в корпус, как это сделано в выключателях с подсветкой Legrand.

Просто удалить подсветку
- Наиболее правильное, и как водится, наиболее сложное решение. Вывести в подрозетник нейтраль от щитка, отсоединить один край цепи подсветки от клеммы, подключить его к нейтрали. В таком случае подсветка будет гореть всегда, но не будет паразитных цепей, которые питают лампы с малым сопротивлением (светодиодные и экономки).
Все варианты, кроме последнего, имеют один недостаток. Из-за паразитных токов, которые текут через цепь подсветки, светодиодные лампы постоянно находятся под напряжением. Пока ток недостаточен для начала свечения, этого просто незаметно. Но встроенные преобразователи напряжения все время » в работе». Как сказывается это на лампах, пока не очень понятно, но существует предположение, что они будут быстрее сгорать.
elektroznatok.ru
как подключить по схеме, устройство, как отключить индикатор и прочее
Выключатель с подсветкой наверняка придумал человек, которому надоело считать углы, передвигаясь по комнатам ночью. По сути, такой выключатель ничем не отличается от обычного, но имеет в себе лампочку, которая светится в темноте. Чаще всего для этой цели используют светодиоды, что позволяет не только комфортно пользоваться осветительными приборами, но и экономить электроэнергию.
Принцип работы выключателя с подсветкой
Существует большое разнообразие моделей выключателей с индикаторами (подсветкой), но принцип работы у всех один и тот же. Если контакт есть, свет зажигается, контакта нет — основного света также нет, зато горит подсветка, позволяющая легко найти выключатель в темноте.

При выключенном основном свете на корпусе загорается светодиод, по которому прибор легко найти в темноте
Внутри выключателя, если снять клавиши, можно увидеть светодиод. Он и является основным элементом подсветки, которая работает только при выключенном свете. Кроме светодиода в схеме имеется токоограничивающий резистор. Именно благодаря ему энергии, идущей от входной фазы, достаточно, чтобы дать питание подсветке, но недостаточно, чтобы включить светильники в доме.

Если контакт выключателя разомкнут, ток проходит через цепь подсветки и включает светодиод
Напряжение подаётся на входящую фазу выключателя L. От неё ток идёт либо в цепь подсветки, если контакт выключателя разомкнут, либо сразу на светильник, если контакт замыкается. Во втором случае ток не проходит к резистору и светодиоду, потому что сопротивление этого участка цепи больше, чем у прямого провода к осветительному прибору.
Виды выключателей в зависимости от типа подсветки
Выделяют несколько категорий подсветки для выключателей:
- С токоограничивающим резистором. Недостатком этой схемы является то, что она не работает, если в домашних светильниках и люстрах установлены светодиодные лампы. Обусловлено это тем, что при их использовании невозможно создать ток большой силы для подсветки (сопротивление светодиодных ламп значительно больше, чем у ламп накаливания). Энергосберегающие лампы при этой схеме могут светиться в темноте.
- На светодиоде с конденсатором. Подсветка с конденсатором применяется для увеличения КПД и снижения потребления электроэнергии при работе подсветки. Резистор здесь служит для ограничения тока заряда конденсатора.
- С неоновой лампочкой. Выключатели с неоновой подсветкой практически не имеют недостатков. Здесь во всём доме могут использоваться любые лампы: люминесцентные, светодиодные, накаливания.
Подключение выключателя с подсветкой
Независимо от формы и количества клавиш управления светом монтаж и подключение выключателя производится по одному принципу. Проще всего его можно объяснить на примере одноклавишного устройства.
Установка одинарного выключателя
Перед тем как начать работу по установке, нужно обязательно обесточить помещение.
Затем демонтируется старый выключатель, если он был ранее установлен. Для этого:
- Снимаем клавиши, поддевая их отвёрткой с плоским жалом.

Каждая клавиша (если их несколько) аккуратно поддевается отвёрткой и удаляется из посадочного гнезда
- Аккуратно удаляем декоративную рамку.
- Откручиваем винты крепления выключателя к подрозетнику и вытаскиваем корпус прибора из стены.

После отручивания двух винтов корпус выключателя можно свободно вынуть из гнезда подрозетника
- Ослабляем крепления проводов и отсоединяем их.

Для отсоединения проводов достаточно ослабить болты их крепления на 1–2 оборота
В результате у нас в руках останется внутренняя часть старого выключателя, которую можно утилизировать или оставить на запасные части.
Чтобы правильно вмонтировать новый выключатель, нужно соблюдать такую же схему, как и при снятии, только в обратном порядке, то есть:
- Вставить в гнездо внутреннюю часть, предварительно подсоединив к ней провода.
- Закрутить болты крепления к подрозетнику.
- Установить рамку и клавиши.
- Включить рубильник и проверить работоспособность устройства во всех режимах.

При выключенном свете лампочка подсветки должна гореть
Необходимо отметить, что процесс подключения выключателя с подсветкой ничем не отличается от подсоединения обычного прибора.
Видео: как подключить одноклавишный выключатель с подсветкой
Монтаж и подключение выключателей с несколькими клавишами
В обиходе часто используются выключатели на несколько клавиш. С их помощью можно управлять работой сразу нескольких линий приборов освещения. Их устанавливают в больших помещениях или при необходимости включать и выключать свет в нескольких комнатах из одного места.
Установка таких выключателей полностью аналогична изложенной выше с тем лишь отличием, что из стены будет подходить один фазовый провод и несколько (по числу клавиш) проводов от потребителей. Важно подключить их в правильном порядке
Видео: как подключить трёхклавишный выключатель с розеткой
Подключение проходного выключателя с подсветкой
Проходным называется выключатель, который состоит из двух частей. Первая устанавливается в начале какого-либо пути, например, перед лестницей на второй этаж. Вторая часть при этом монтируется в конце, т. е. при входе на этаж. Таким образом, освещение лестницы можно включить внизу, а выключить уже после подъёма.
Для установки проходного выключателя понадобится проложить кабель из трёх жил к обоим выключателям. Схема подключения выключателей обычно приводится на их упаковке. Монтаж каждого устройства полностью аналогичен описанному выше.

Для подключения проходного выключателя к каждому из устройств нужно протянуть по три жилы и подключить их по схеме, которая имеется в комплекте
Видео: как подключить проходной выключатель
Отключение подсветки выключателя
Подсветку выключателя можно отключить. Это делается довольно просто, необходимо лишь отключить питание и снять светодиод.
Последовательность действий:
- Выключаем рубильник и обесточиваем помещение.
- Поддеваем защёлки клавиш выключателя и снимаем их.
- Осторожно демонтируем рамку устройства.
- Выкручиваем крепёжные болты.
- Вытаскиваем устройство из монтажной коробки.
- Проверяем, есть ли напряжение на проводах индикаторной отвёрткой.

Перед тем как прикасаться к оголённым участкам проводов, лучше ещё раз убедиться в том, что напряжение отключено — при поднесении пробника к каждому из контактов индикатор не должен гореть
- Отсоединяем провода.

После отсоединения проводов корпус выключателя можно забрать с собой для выполнения последующих работ
- Осмотрев выключатель, находим защёлки, которыми крепятся две половинки устройства.
- Разделяем выключатель на две части и находим резистор со светодиодом.

Разобрав выключатель, получаем доступ к деталям подсветки
- Обычными кусачками перекусываем провода (жилы) подсветки. Вместо этого можно просто выпаять светодиод.
- Заново собираем выключатель.
Как самому установить подсветку в выключатель
Можно сделать индикатор в выключателе самостоятельно. Последовательность операций такова:
- Повторить действия, указанные выше (см. пункты 1–9).
- В выключатель впаять (к входному и выходному контакту) собранную цепочку из резистора и светодиода. Лучше добавить к схеме обычный диод, подключённый навстречу индикатору для его защиты от обратного тока.

В схеме с резистором и светодиодом последний защищается от пробоя обратным током установкой обычного диода
- Установить выключатель, применяя обратную последовательность действий, и проверить его в работе.
Эту схему монтируют, если в светильниках используются лампы накаливания. При выключенном положении ток проходит через резистор и светодиод, отчего он светится. Ток в этом случае равен около 3 mA, что вполне достаточно для питания светодиодной лампочки.
Есть также схема для подключения подсветки на неоновой лампе. Её преимуществом является то, что в светильниках и люстре можно использовать любые лампочки: на светодиодах, люминесцентные, накаливания.

Если вместо светодиода установить неоновую подсветку, выключатель будет работать со всеми видами ламп
Как мы уже говорили выше, существует и схема изготовления выключателя с подсветкой на конденсаторе. Благодаря конденсатору система подсветки работает более стабильно и потребляет меньше энергии, чем в случае с сопротивлением. Но использовать её со светодиодными лампами тоже нельзя.

Схема с конденсатором может использоваться с галогенными лампами и лампами накаливания
Видео: подсветка в выключателе
Если подсветка моргает
Бывает, что подсветка начинает моргать. Что в таком случае делать? Нужно проверить напряжение в сети и подачу тока. Если все нормально, значит, диод пришёл в негодность, нужна замена. Чтобы сделать индикатор выключателя, проделайте шаги 1–9 из подраздела об отключении подсветки, перекусите жилы в том месте, где провода идут к лампочке. Запомнив места соединения диода с выходящей фазой и резистором, возьмите новый индикатор и подключите его к контактам. Места скрутки обмотайте изолентой или наденьте на них пластиковую трубочку. Далее заново соберите выключатель и протестируйте подсветку.
Выключатели с подсветкой — это не дань моде, а удобство, ведь всё совершенствуется на благо человечеству.
Здравствуйте, уважаемые заказчики! Оцените статью: Поделитесь с друзьями!refite.ru
Как подключить выключатель с подсветкой
Как работает выключатель с подсветкой? Разобраться несложно, так как схема подключения его довольно проста.
Принцип работы
Всем знакома такая история: заходишь в темное время суток в комнату и трудно сразу найти клавишу на стене, чтоб включить свет. Когда находится заветная кнопка, мы включаем освещение. Возникает мысль: нужно установить выключатель с подсветкой. Подобные устройства уверенно занимают свое место на рынке светотехнической продукции. Они имеют высокую степень надежности, хороший дизайн, удобство в эксплуатации.
Устройство выключателя с подсветкой довольно простое. Идея заключается в том, что при выключенной лампочке пластмассовый корпус коммутирующего элемента светится, и его легко можно найти в темноте. Принцип действия основан на элементарных законах физики. Схема выключателя света оснащена индикатором в виде светодиода, светодиодом или неоновой лампочкой. Когда отключено освещение, контакты выключателя разомкнуты, ток при этом должен потечь по цепи индикатора, установленного параллельно, и включить подсветку. Вся задача состоит в том, чтоб правильно рассчитать сопротивление резистора.
Схематично подключение выключателя с подсветкой изображено на рисунке.
Подключение выключателяВиды переключателей
Выключатели света с подсветкой бывают следующих видов: кнопочные, сенсорные, клавишные и поворотные. Наиболее широкое применение получили устройства с клавишами. Сенсоры дороже обычного переключателя, поэтому используются редко. Последний тип считается устаревшим и применяется не очень часто.
По количеству управляемых электрических цепей они в свою очередь подразделяются на выключатели с одной клавишей, с двумя и с тремя.
Одноклавишный выключатель с подсветкой применяется для выполнения коммутации одной цепи и укомплектован встроенным диодом.
Двухклавишный выключатель с подсветкой применяется для светильников, имеющих несколько лампочек. Иногда двойной выключатель ставится на входе в туалет и ванную. Здесь для удобства тоже актуальна ночная подсветка.
Если нужно объединить гораздо большее количество электрических цепей, тогда берут несколько штук и комбинируют, устанавливая их в блоки.
Особое внимание необходимо уделить такому виду коммутаторов, как проходной выключатель с подсветкой. Он устроен немного иначе, чем стандартное устройство, и дает возможность управления несколькими схемами из разных мест. Область их применения – помещения с большими площадями и несколькими входами. Механизм такого выключателя имеет подвижный контакт, который всегда используется при разрыве электрической цепи. При использовании кнопки «вкл/откл» подвижная часть устройства перебрасывается от одного контакта к другому, обеспечивая работу другого участка.
Бывает как одинарный, так и двойной выключатель подобного типа. На рисунке изображена схема его подключения.
Схема подключения проходного выключателяФаза подведена ко второму выключателю, контакты первого и второго переключателя соединены между двумя кабелями. Конец фазного провода с первого переключателя подсоединен к лампе. При отключении замыкающего элемента светильник не горит. При установке первого выключателя в положение «вкл» появляется замкнутый контакт, и свет в лампе загорится, а если подать сигнал со второго, то погаснет.
Удобно размещать такие схемы включения на лестницах, чтоб можно было управлять освещением как сверху, так и снизу. Чтобы избежать вероятности падения со ступенек в темноте, как раз и рекомендуется оснащать их подсветкой. Удобнее всего использовать готовые выключатели на светодиодах.
Как установить выключатель?
Как подключить выключатель с подсветкой? Это несложно выполнить как опытному электрику, так и новичку. Монтаж подобных электроустановочных изделий доступен любому человеку, способному держать в руках отвертку.
Если выключатель с подсветкой одноклавишный, то осуществить установку и подсоединение двух проводов при соблюдении элементарных правил техники безопасности можно за 5–10 минут.
Немного сложнее окажется подключение двухклавишного выключателя. Как правило, они комплектуются индикацией с одной лампочкой, если их две, то лампы нужно объединить скруткой и подключить к подходящей на выключатель фазе, а другие концы требуют подсоединения к двум исходящим фазам. Далее установка выключателя с подсветкой производится стандартным способом.
Если в квартире установлены старые выключатели без подсветки, то ее можно сделать своими руками по имеющейся схеме. Существуют следующие варианты исполнения:
- с индикатором из неоновой лампы;
- со светодиодом.
Схема выключателя с подсветкой с использованием светодиода и резистораОна состоит из светодиода типа АЛ307, одноваттного резистора сопротивлением 100 Ом и параллельно подключенного диода КД521, который служит для защиты от пробоя. Однако в такой схеме есть недостаток – это большая потребляемая мощность. Для экономии электрической энергии в схему можно установить конденсатор, имеющий емкость 1 мкФ. Он будет ограничивать ток светодиода. Но дело в том, что эта громоздкая конструкция может не поместиться в корпус выключателя. Подобные схемы подсветки применяются только для ламп накаливания и «галогенок». Люминесцентная лампа будет мигать, а светодиодная совсем не будет работать из-за большого сопротивления светильника.
И подводя небольшой итог, можно сказать, что устройство выключателя с подсветкой не такое сложное, модернизировать своими руками уже имеющиеся старые образцы несложно. Но все же лучше купить готовые – они более надежны в эксплуатации, а также имеют хороший дизайн.
lampagid.ru
Подключение выключателя с подсветкой. | Для дома, для семьи
Здравствуйте, уважаемые читатели сайта sesaga.ru. В этой статье расскажу Вам, как подключить выключатель с подсветкой. Сразу отмечу, что здесь сложного ничего нет, потому что выключатель с подсветкой подключается так же, как и обычный выключатель. Просто в нем, в отличие от обычного выключателя, добавлен дополнительный наворот – это лампочка подсветки.

Вы должны понять и запомнить, что не имеет значения, выключатель какого производителя Вы собираетесь установить: будь то «MAKEL», «LEZARD», «SIEMENS», или любой другой компании.
Принцип действия у всех выключателей один: контакт замкнулся – свет зажегся, контакт разомкнулся – свет погас. Единственное, чем они могут отличаться, так это дизайном.
Устройство выключателя с подсветкой.
Если снять клавиши выключателя, то в нижней части можно увидеть небольшую неоновую лампу – это и есть подсветка.

Чтобы понять, как она работает, рассмотрим устройство выключателя с подсветкой. И сначала вспомним, как работает двойной выключатель.
Фаза, приходящая на выключатель, подключается на контакт L, а с контактов L1 и L2 уходит на лампы освещения, например, люстру.

Подвижные контакты выключателя замыкают между собой контакты L, L1 и L2:
1. L и L1 -> нажата первая клавиша;
2. L и L2 -> нажата вторая клавиша;
3. L — L1 и L2 -> нажаты обе клавиши.
Теперь понятно, почему нельзя к выключателю одновременно подключать «фазу» и «ноль» — будет короткое замыкание.
Здесь же на выключателе установлена цепь подсветки, состоящая из токоограничивающего резистора и неоновой лампочки. Лампочка и резистор припаяны к контактам L и L1.
Схема подсветки работает следующим образом:
Пока свет выключен, контакты выключателя L и L1 разомкнуты, а значит, неоновая лампочка будет гореть, так как через нить накала лампы на нее приходит напряжение.
При включении света, подвижный контакт выключателя замыкает между собой L и L1, тем самым, исключая цепь подсветки из схемы. Лампа освещения загорается, а подсветка гаснет.
Возникает вопрос. А почему через подсветку не загорается лампа освещения?
Здесь все просто.
Чтобы зажечь неоновую лампу, достаточно небольшого напряжения и силы тока.
В схеме подсветки за это отвечает токоограничивающий резистор, который гасит лишнее напряжение. А вот для лампы освещения этого напряжения и силы тока недостаточно, поэтому она и не загорается.
Когда же выключатель включен, то через его контакты L и L1 фаза напрямую приходит на лампу, минуя цепочку подсветки.
Как установить выключатель.
Чтобы установить выключатель, сначала необходимо снять клавиши.

Пальцем поддеваете выступающий край клавиши, на рисунке стрелка 1, и тянете на себя. Если пальцем не получается, то можно вначале поддеть отверткой, пока не почувствуете, что клавиша тронулась с места.
Сама клавиша, своими штырями 2, входит в отверстия подвижной площадки 3.
Когда обе клавиши будут сняты, подключаете провода к выключателю, как на монтажной схеме ниже.

Теперь Вам осталось вставить его в коробку, и винтами, указанными стрелками, закрепить выключатель.

Ну вот и все. Теперь у Вас не должно возникнуть вопросов, как подключить выключатель с подсветкой.
Удачи!
sesaga.ru
описание, общие принципы подключения :: SYL.ru
Вернувшись вечером после работы домой, в первую очередь приходится в темном помещении нащупывать выключатель. Да и ночью нередко нужно вставать с постели и спросонья в полной темноте шарить рукой по стене, чтобы найти кнопку и включить свет. Порой на такую процедуру уходит немало времени, и часто это сопровождается падением попавшихся на пути предметов. Для облегчения поиска местонахождения и экономии времени и нервов был придуман выключатель с подсветкой.

Особенности
По внешнему виду и своей конструкции такие приборы практически ничем не отличаются от обычных выключателей, единственное, они оборудованы световой индикацией, которая в темноте сразу бросается в глаза и указывает их местоположение.
При этом световой индикатор потребляет совсем немного электроэнергии и светится только тогда, когда выключен свет. Поэтому переживать по поводу того, что при использовании данного устройства расход электричества будет больше, не стоит, поскольку выключатель с подсветкой почти ее не потребляет.

Разновидности выключателей
Современный строительный рынок предлагает выключатели в достаточно большом ассортименте, поэтому покупатель может подобрать для себя максимально подходящий вариант. Приборы отличаются не только внешним видом, но и конструктивными особенностями.
Существует несколько видов выключателей:
- кнопочные;
- клавишные;
- поворотные;
- сенсорные;
- шнуровые.
Также в жилых помещениях могут использоваться проходные выключатели с подсветкой, но среди всех видов получили наибольшее распространение:
1. Одноклавишные выключатели с подсветкой. Применяются для замыкания только одной цепи. Имеют встроенный диод для ночной подсветки.
2. Выключатель двухклавишный с подсветкой, имеющий два переключателя. Применяется для люстр и прочих многоламповых светильников. Принцип управления заключается в том, что при нажатии одной клавиши одновременно включаются 1-2 и более лампочек, а при нажатии второй загорается остальная часть осветительного прибора. Часто двухклавишный выключатель используют для раздельных санузлов.
3. Трех- или четырехклавишные выключатели одновременно могут замыкать три-четыре электрические цепи, поэтому они используются для управления из одного места осветительными приборами в нескольких помещениях. К примеру, очень удобно, когда в доме в одном месте включаются лестница, прихожая и раздельный санузел.
4. Шнуровой выключатель применяется в переносных светильниках и бра. Подсветка, как правило, здесь не используется.
Среди всех моделей именно клавишные выключатели считаются самыми популярными и распространенными. Они имеются практически во всех квартирах и домах, в детсадах, школах, офисах и иных общественных местах. Очень удобен выключатель клавишный с подсветкой.

Преимущества использования выключателей с подсветкой
1. Конструкция и общий дизайн выключателя с подсветкой почти ничем не отличается от обычных моделей, но встроенный светодиод позволяет определить местонахождение прибора даже в полной темноте.
2. Светящийся индикатор очень экономичен, так как маленькая светодиодная подсветка выключателя потребляет совсем мало электроэнергии.
3. Работает диод только при нерабочем состоянии устройства, а при его включении гаснет автоматически.

Как это работает?
Большинство подсвечиваемых выключателей подключаются к основной проводке точно так же, как обычные модели.
Основные составляющие подсветки:
- маленькая неоновая лампа подсветки выключателя;
- светодиод с элементом сопротивления.
Подсоединение с основными контактами выключателя должно быть параллельным. Если устройство находится в нерабочем положении, тогда питание светодиода проходит по нити накала внутри диода с малым сопротивлением.
Чтобы системе домашнего освещения добавить комфорта, потребуется времени не более получаса. Можно просто заменить морально устаревшие выключатели на улучшенные (на диодах) модели. Другой вариант – снабдить уже имеющиеся устройства элементом для ночной подсветки. Зная, как подключить выключатель с подсветкой, это можно сделать и своими руками, даже без образования электрика. Нужно просто иметь элементарное представление о том, что такое электричество, замкнутая цепь и уметь читать схемы. Каждая электросхема имеет свои особенности, параметры и комплектующие. При неправильном подключении подсвечиваемого выключателя возможны следующие последствия:
- может не светиться диод;
- будут мерцать энергосберегающие лампы;
- во тьме датчик будет слабо светиться.
Схема одноклавишного выключателя
Рассмотрим более подробно принцип работы такого прибора.

Как видно из схемы, в стандартном исполнении подразумевается простой разрыв фазного провода (слева). Если имеется светодиодная подсветка выключателя, диодная лампочка соединяет провод в положении «Выкл». Почему в данном случае основное освещение не горит? На данный вопрос ответ довольно прост: диод впаивается вместе с резистором, понижающим напряжение цепи до низкого значения. Этого вполне достаточно для питания маленькой лампочки, но для зажигания большой нити накаливания напряжения не хватает.

Подключение
Немного разобравшись в данном устройстве и подобрав подходящую модель, можно начинать подключение выключателя с подсветкой. Предлагаем рассмотреть пошаговую инструкцию, при помощи которой можно без проблем заменить прибор самостоятельно:
- Перед началом работы нужно обязательно отключить электричество в распределительном щитке.
- Затем необходимо снять прежний выключатель. Сперва удаляются клавиши, далее следует убирать рамку и вынуть внутреннюю часть, открутив заранее зажимные винты.
- Ослабить крепления контактов и освободить устройство.
- С обратной стороны каждого выключателя должна быть указана схема подключения данного прибора, согласно которой и нужно подсоединять провода к новому выключателю.
- Приступаем к монтажу нового выключателя. Делается это в обратной последовательности.
- Теперь можно включить рубильник и проверить работоспособность нового устройства и его подсветки.
Вот и все. Главное в этой работе — не торопиться, и все обязательно получится.

Проходной выключатель с подсветкой
Отличительная черта контактного механизма данного типа выключателей — подвижный контакт, который при разрыве цепи всегда задействован. При нажатии кнопки «Вкл./Выкл.» подвижный контакт в таком устройстве перекидывается с одного контакта на другой, обеспечив при этом работу второго участка цепи. Поэтому он и получил название – проходной или перекидной выключатель.
Схема подключения проходного выключателя с подсветкой принципиально отличается доступом. Одной лампой (люстрой) здесь возможно управление с двух разных мест. Например, включать свет в начале лестницы и выключать с другой стороны. Такой тип выключателей иначе выполняет замыкание цепи и с разных сторон приводит в действие осветительный прибор.
Схема установки прибора очень простая: с одной стороны установлен первый выключатель, на другом конце – второй проходной выключатель со светодиодом. Когда происходит отключение элементов замыкания сети, лампа перестает гореть – нет замкнутого контура для похождения тока. При включении первого выключателя появляется замкнутый контакт – лампочка начинает светиться, если же задействовать второй, она погаснет.

Как самостоятельно сделать подсветку
Если нет желания избавляться от старого выключателя и хочется покопаться, то индикацию можно сделать собственноручно. Для этого нужно:
- Извлечь выключатель из стены.
- Из диода и резистора собрать при помощи паяльника цепь.
- Собранную конструкцию припаять к контактам (входному и выходному).
- Уложить в корпусе диодную лампу и вмонтировать выключатель на прежнее место.
Заключение
Выбрать и подключить новый выключатель с подсветкой очень просто. Но для этого следует учитывать возможности электропроводки, поскольку иногда нужна ее модернизация. А в этом случае уже не обойтись без электрика. Кроме того, могут появиться неожиданные сюрпризы, такие как моргание ламп. Поэтому, прежде чем покупать новенькие выключатели, проконсультируйтесь у специалистов.
www.syl.ru
