Разводка электрики по потолку – прокладка кабеля, проводка в квартире под натяжным потолком, разводка света в гофре, крепление проводов, чем и как крепить электропроводку к потолку
прокладка кабеля, проводка в квартире под натяжным потолком, разводка света в гофре, крепление проводов, чем и как крепить электропроводку к потолку
Содержание:
Укладка электрики по потолку имеет несколько преимуществ, среди которых можно выделить экономию довольно дорогого кабеля. Это объясняется тем, что коммуникации укладываются по самому короткому пути. Также расположение электрики на поверхности потолка позволяет защитить провода от различных механических повреждений, тем самым продлевая срок эксплуатации. Помимо этого потолок является местом расположения приборов освещения, питание которых обеспечивается наличием электрического кабеля.

Для эффективного и безопасного размещения проводки на потолке знать способы укладки электрики, а также правила, по которым определяется качество выполненных работ.
Как правильно выбрать способ укладки коммуникаций
Способ разводки электрики по потолку определяется по следующим параметрам:
- Тип строения. Здесь речь идет об эксплуатационном назначении объекта, специфике используемых материалов для строительства и других параметров.
- Место, где располагается главный распределительный щит или распределительный ящик.
- Расположение оборудования, к которому требуется провести проводку.
- Используемый кабель, в частности его марка и проектное сечение.

Монтажные работы по укладке силовой и слаботочной проводки выполняются по следующим типам потолка:
- Железобетонные плиты перекрытия.
- Открытые перекрытия из дерева.
- Оштукатуренная деревянная поверхность.
Для каждой разновидности потолка характерно наличие своих особенностей.

Многих мастеров интересует вопрос, что лучше, прокладка кабеля по потолку или на полу. В этом случае можно рассматривать степень удобства выполнения монтажных работ. К примеру, потолочная поверхность уже подготовлена к финишной отделке, а пол еще ждет своего времени. Конечно, разумнее будет закладка коммуникаций в бетонную стяжку пола. Однако, следует учитывать отрицательные стороны расположения проводки на полу. Во-первых, в такой ситуации возрастает нежелательная нагрузка на кабель. Во-вторых, грызуны очень часто повреждают проводку, в результате может произойти короткое замыкание и даже пожар.
Перечисленные моменты позволяют сделать вывод: при острой необходимости прокладки кабеля по полу нужно использовать трубки, устойчивые к деформации и повреждениям.
Устройство разводки
Различают два типа расположения электрики:
- Скрытая проводка в квартире по потолку предполагает заведение кабеля в полость перекрытия или его закладка в защитные конструкции. Другими словами при монтаже таким способом необходимо использовать специальные трубы, гибкие металлические рукава, короба. Кроме того провода и кабель заливать в бетонных строительных конструкциях в процессе их изготовления, а также размещать в замкнутых каналах и пустотах плит перекрытия.
- Наружная проводка предусматривает крепление коммуникаций на внешней поверхности перекрытия. Другими словами при открытом способе провода можно закреплять на стенах, потолках и других элементах конструкции. Наружная проводка также может быть помещена в трубы, короба, гибкие гофрированные рукава из тонкостенного металла или полипропилена. Кабель можно проложить в электротехнических плинтусах и наличниках, с использование струн, тросов или свободной подвеской.

Монтаж скрытой проводки выполняется следующими способами:
- Применение монтажных скоб или изоляторов.
- Использование пластиковых или металлизированных гибких рукавов.
- Заведение в тонкостенные стальные трубы.
- Укладка электротехнические пластиковые трубы.
- Использование специальных коробов.

Монтаж скрытой проводки электрики под натяжной потолок может выполнять только квалифицированный специалист, который обладает знаниями и навыком проведения проводов по пустотам внутри плит перекрытия.
При самостоятельной укладке кабеля внутри плиты можно воспользоваться несколькими способами.
Укладка электрики до приборов освещения по внутренним пустотам плит перекрытия
Такой способ разводки коммуникаций используется при монтаже электропроводки в новых домах, готовящихся к сдаче в эксплуатацию. Проектная документация в этом случае содержит соответствующие отметки, поэтому при необходимости можно легко определить расположение проводов.
Чтобы своими руками подвести проводку для светильников натяжного потолка, достаточно приготовить набор необходимых инструментов и воспользоваться определенной инструкцией.
Из инструментов понадобится следующее:
- Перфоратор с буром, соответствующим диаметру крепежей.
- Молоток.
- Шнур или веревка для разметки.
- Крепежные элементы для осветительных приборов.
- Шурупы с пластиковыми уплотнителями.
- Электрический кабель.
- Тонкая и жесткая проволока.

Монтажные работы выполняются по такой инструкции:
- Используя шнур или веревку, определяется центральная точка на потолке. Для этого в углах помещения крепят шурупы, привязывают веревку или шнур, с помощью которых отбивают диагонали. На месте их пересечения находят центральную точку. В этой точке следует расположить прибор освещения.
- В центральной точке с помощью перфоратора необходимо сделать отверстие, через которое будет выведен кабель.
- Отверстие расширяют до диаметра около 3 см.
- Далее находим точку пересечения уровня распределительной коробки и продольной лини от отверстия в центре потолка. Здесь сверлится еще одно отверстие и расширяется до определенного диаметра.
- К кабелю прикрепляют перевязку из жесткой стальной проволоки.
- Другой конец проволоки вставляют в отверстие около распределительной коробки и проталкивают ее до центральной части потолка внутри полости плиты.
- Когда по расчетам перевязка достигнет определенной точки, крючок из жесткой проволоки необходимо вставить в отверстие в центре и попытаться зацепить перевязку.
- В случае удачной попытки проволоку вытягивают вместе с проводкой на необходимую длину.
- После этого устанавливают крепежные элементы для приборов освещения, включая различные светильники и люстры.
Разводка электрического кабеля по этой схеме, включая проводку под натяжным потолком, соответствует строительным нормам и правилам, но иногда не совпадает с потребностями собственников квартир. По этой причине можно воспользоваться дополнительной схемой разводки кабеля, который необходимо проложить для нестандартно расположенных светильников и люстр. В этом случае под каждый прибор делают отверстие с помощью перфоратора и протягивают к ним кабель электропитания. Читайте также: «Проводка по потолку – как правильно провести проводку своими руками».
Разводка проводов открытого типа
Такой способ используется в том случае, когда нет возможности протянуть кабель по внутренним пустотам плиты. Открытая прокладка подразумевает закрепление коммуникаций с внешней стороны. Монтаж можно выполнить самостоятельно без особых проблем, но следует учитывать, что потолок в этом случае выглядит не очень привлекательно. По этой причине открытая разводка чаще используется в складских и промышленных помещениях. Установка в жилом помещении возможна при последующей маскировке подвесными потолочными системами.

Наружная разводка своими руками, включая электропроводку под натяжным потолком, выполняется по следующей схеме:
- Делают разметку расположения электрического кабеля на потолке.
- Согласно разметке сверлят отверстия с помощью перфоратора глубиной около 5 см, выдерживая между ними расстояние примерно 50 см.
- Кабель тщательно выпрямляют, стараясь удалить все волны.
- Перед тем как крепить проводку к потолку, провод вставляют в дюбель-елочку и втыкают последний в отверстие в потолке. При необходимости дюбель подбивают молотком.
- Проделывают подобные действия по всей длине кабеля.

При решении вопроса, как закрепить кабель на потолке, вместо дюбелей можно использовать специальные стяжки под шуруп. В этом случае провод фиксируется следующим образом:
- По потолку проводят линию согласно расположению кабеля и с небольшим шагом сверлят отверстия.
- Прежде чем крепить провода к потолку, каждое отверстие вставляют простой пластиковый дюбель, в который забивают шуруп с петлей стяжки.
- После установки дюбелей по всей длине кабель подвязывают стяжками.
- Концы стяжки можно в дальнейшем обрезать.
Укладка проводов в штробы
Если рассматривать правовую сторону, то штробление плит перекрытия строго запрещено строительными нормами и правилами, так как подобные операции ослабляют плиту и могут стать причиной аварии. Штробы можно делать только в штукатурном слое.
Укладка электропроводки по потолку в квартире в штробы выполняется с помощью болгарки с отрезным диском по бетону, молотка и монтажных скоб. Процесс подразумевает следующие действия:
- На стенах и потолке делают отметки расположения электропроводки.
- С помощью болгарки разрезают слой штукатурки на глубину до 2 см. Чтобы готовое углубление имело треугольную форму, болгарку следует держать под небольшим углом.
- Кабель выпрямляют и укладывают в полученные углубления.
- Крепление провода к потолку осуществляют с помощью скоб по бетону.
- В завершении монтажных работ свободное пространство в штробе заполняют штукатурным составом.

Следует помнить, что при таком способе отсутствует возможность извлечения провода в случае повреждения. Однако есть и положительная сторона, если правильно выполнить укладку кабеля в штробы и выбрать верное решение вопроса, как закрепить провода на потолке, то необходимость ремонта не возникнет достаточно долгое время.
Монтаж кабеля в гибкие рукава
Очень часто при разводке электрики используются гибкие гофрированные рукава. Это приспособление можно назвать универсальным средством для прокладки силового и слаботочного кабеля. Одним из преимущественных моментов в этом случае является наличие внутри рукава проволоки протяжки. Монтажные работы предполагают фиксацию гофрированного шланга на потолке и протягивание кабеля с помощью проволоки-перетяжки.
Готовая схема разводки света по потолку представляет собой следующую картину: от щитка идет кабель, который доходит до распределительной коробки и расходится в разных направлениях, в соответствии с расположением розеток и приборов освещения. Из этого следует, что электрическая распределительная коробка на потолке предназначена для разведения кабеля к источникам питания, розеткам и люстрам. Главное условие монтажа – обеспечение постоянного доступа к коробке. Следовательно, распределительная коробка для проводки на потолке и натяжной потолок можно назвать несовместимыми конструкциями. Что касается подвесных систем, то в них можно сделать специальный лючок для доступа к распределительной коробке.

Некоторые особенности прокладки электрического кабеля по потолку
Существует несколько моментов, о которых необходимо помнить при укладке электрики по потолку, в том числе электрики под натяжным потолком:
- В бытовых условиях можно не использовать защитный гофрированный рукав, но в этом случае необходимо использовать кабель марки ВВГнг с медной жилой. В случае замыкания такая проводка не будет гореть или тлеть, что особенно важно при маскировке кабеля потолочными конструкциями.
- Осуществляя разводку электрики под натяжным потолком винилового типа, важно выдержать определенное расстояние от лотка электрики до самой конструкции, которое в большинстве случаев приравнивается к 15 см. Установка гипсокартонной подвесной конструкции в этом случае ограничений не имеет.
- Прокладку электрического кабеля по деревянным перекрытиям необходимо проводить только с использованием защитного гофрированного рукава или специального лотка. В противном случае при замыкании может случиться пожар, так как дерево является легко возгораемым материалом. При укладке слаботочной проводки монтаж на деревянных поверхностях может осуществляться открытым способом, не используя защитные трубки.
- Прокладывая проводку по металлической обрешетке, можно не использовать защитную трубку, достаточно привязать кабель к профилю с помощью пластиковых стяжек. Однако в этом случае важно проверить провода на предмет отсутствия участков с поврежденной изоляцией. Аналогичная ситуация возникает при фиксации электрического кабеля к черновому потолку.

Таким образом, разводку кабеля по потолочному перекрытию, включая укладку проводки по потолку в гофре, вполне можно осуществить своими руками, особых сложностей в этом процессе нет. Главное условие – соблюдение всех правил и рекомендаций от квалифицированных специалистов.
pod-potol.com
Электропроводка под натяжным потолком: нормы, фото, правила монтажа
Монтаж электропроводки под натяжным потолком не представляет собой ничего сложного, главное учитывать требования и нормы, касающиеся пожаробезопасности и удобства обслуживания электросети. Далее мы подробно рассмотрим, как правильно провести проводку своими руками, предоставив к Вашему вниманию пошаговую инструкцию, наглядные фото примеры и несколько полезных советов от специалистов.
Требования к электромонтажным работам
Первое, о чем хотелось бы рассказать – как сделать электропроводку под натяжным потолком безопасной. Как Вы знаете, проводник нагревается, когда через него протекает ток. Этот процесс описывает закон Джоуля-Ленца.
Если монтаж электрики будет производиться по сгораемой поверхности, к примеру, дереву, Вы должны учитывать следующие моменты:
- Согласно таблице 2.1.3 ПУЭ (см. Главу 2.1 ПУЭ) проводка должна прокладываться защищенными проводами в оболочке из несгораемых или трудносгораемых материалов, под это определение подходит распространённый ВВГнг-LS. В этом случае разрешается крепить провода к сгораемой поверхности непосредственно или в ПВХ-гофре.
- В случае использования кабелей со сгораемой изоляцией обязательна прокладка проводки в металлических трубах.
- При прокладке в трубах стыковать их можно сваркой или резьбовыми соединениями. В последнем случае соединения уплотните прокладками из несгораемых материалов.
Если же Вы решили проложить электропроводку по бетонному потолку, то также прокладывайте кабель ВВГнг-LS. Прокладывать в этом случае можно непосредственно, закрепляя кабель к потолку на дюбель-хомуты или другой крепёж или же в гофрированных трубах.
Еще одно требование, которое беспокоит многих домашних мастеров и электриков — как поступать с распределительными коробками. Ведь согласно ПУЭ 2.1.23. должен быть обеспечен доступ к соединениям и ответвлениям проводов. В случае с натяжными потолками распредкоробка, установленная на потолке, будет недоступна для обслуживания. В этом случае можно руководствоваться СП 76.13330.2012, в которых сказано, что можно делать соединения проводов недоступными, если жилы соединены сваркой либо гильзами.
Особенности разводки электросети
Итак, теперь поговорим, как правильно сделать электропроводку под натяжным потолком своими руками. В пошаговой инструкции будет показан монтаж по бетонному перекрытию, которое встречается как в квартирах, так и в частных домах.
Этапы электромонтажных работ:
- Начертите схему разводки проводки по потолку от распределительного щитка. Обратите внимание на то, что провод должен проходить строго параллельно и перпендикулярно по отношению к стыку стены и потолка. Распределительные коробки нужно размещать так, чтобы к ним можно было всегда открыть доступ для ремонта и обслуживания. Не следует халатно относиться к составлению схемы монтажа, т.к. без нее у Вас может получиться путаница и разводка электропроводки будет не только неудобная, но и небезопасная. Сравнение хорошего и плохого варианта электромонтажа Вы можете увидеть на фото ниже.


- Перенесите чертеж на поверхность, используя строительный уровень (как правило, лазерный) или отвес.
- С помощью перфоратора сделайте отверстия под дюбель хомуты либо клипсы (смотря, что Вы будете использовать для крепления электропроводки). Расстояние между креплениями должно быть таким, чтобы провод после монтажа не провисал. Как правило, принимают расстояние от 50 до 90 см.
- Установите распределительные коробки и клипсы согласно схеме и закрепите электропроводку под натяжным потолком. Делают это в такой последовательности – сначала кабель затягивают в гофру, для этого в ней есть зонд (иначе его называют «протяжка» — это тонкая проволока). После этого гофрированная труба крепится в клипсах и соединяется с распределительными коробками. Выпуск провода с каждого конца гофры должен быть не менее 15 см для соединения жил, как показано на фото.

- Соедините провода по схеме и проведите визуальный осмотр правильности монтажа. После чего можно прозвонить проводку и проверить отсутствие замыканий между фазой и нулём. Сделать это можно мультиметром, омметром или обычной прозвонкой.

Вот и вся технология электромонтажных работ. Как Вы видите, провести электропроводку под натяжным потолком своими руками несложно, главное – быть внимательным и учитывать предоставленные рекомендации. Советуем сразу же просмотреть видео пример, на котором показан готовый вид разводки провода по потолочному перекрытию.
Видеообзор завершенной разводки электросети
Альтернативные варианты перекрытия
Давайте рассмотрим особенности прокладки проводки под натяжным потолком в деревянном доме:
- Прокладывайте кабели с приставкой –нг-LS в гофрированных трубах из ПВХ (серые).
- При прокладке кабелей с другим типом оболочки (из сгораемых материалов) прокладывайте их в металлических трубах или без них. Но в этом случае нужна подложка из несгораемого материала, которая будет выступать на расстояние по 10мм в каждую сторону (ПУЭ 2.1.37). Сам кабель должен прокладываться на расстоянии в 10 мм от сгораемой поверхности или в металлической трубе.
- Проводить кабель под натяжным потолком без гофры вообще не рекомендуется из соображений того, что всегда существует опасность затопления соседями сверху. Чтобы лишний раз защитить проводку от влаги, рекомендуем ее все равно помещать в гофру, особенно в ванной комнате.
- При монтаже учтите, что металлорукав не заменит металлическую трубу – он не обладает локализационной способностью, монтаж как на фото ниже возможен лишь с применение кабелей с оболочкой из несгораемых или трудносгораемых материалов.

Также ознакомьтесь с требованиями к прокладке проводки по черновому потолку в статье о проводке под гипсокартоном — https://samelectrik.ru/kak-provesti-elektroprovodku-pod-gipsokartonom.html. В ней все вопросы рассмотрены глубже, а требования предъявляются аналогичные.
Вот и все, что хотелось рассказать Вам о том, как самому провести проводку под натяжным потолком. Надеемся, что теперь Вы знаете, как должны проходить электромонтажные работы и что делать, чтобы домашняя электросеть была безопасной!
Похожие материалы:
Нравится(0)Не нравится(0)samelectrik.ru
особенности работы с разными материалами.
Развести электричество по помещению можно несколькими способами, проводка по потолку – один из самых простых и наименее затратных методов. Процесс монтажа может быть выполнен своими руками, однако важно соблюдать правила безопасности и не допускать ошибок, которые часто совершают неспециалисты.

Общие правила монтажа
От того, насколько качественно выполнен монтаж электрического кабеля, зависит безопасность живущих в доме людей. Важно учитывать материал перекрытия, чтобы выбрать подходящую защиту для проводки.
Если электрика будет проложена по возгораемым поверхностям (дереву, например), необходимо:
- Прокладывать ее в защитном рукаве или стальной трубе, предохраняющей потолок от воспламенения при нагревании проводки.
- Закрыть места соединения элементов трубы или рукава уплотнителями, выполненными из негорючих материалов.
- Для прокладывания кабеля над натяжным потолком использовать только негорючую проводку.
Для бетонных поверхностей подойдут гофрированные, а не стальные трубы – они нужны, чтобы замедлить распространение пламени в случае короткого замыкания. Также гофра защитит полотно натяжного потолка от появления пятен или подпалин, если проводка начнет сильно греться.
Такая мера не потребуется, если по проекту планируется монтаж точечных светильников – кабель для них проходит сквозь снижающий напряжение трансформатор, и потому он почти не нагревается.
Подготовительные работы

Схема монтажа проводки по всей квартире
Перед тем как приступить к монтажу, потребуется выполнить несколько задач:
- Определить наиболее подходящий метод прокладки.
- Подобрать комплектующие для прокладывания кабеля.
- Установить местоположение распределительных коробок. Их рекомендуется монтировать в местах ответвления кабеля к выключателю или на максимально близком к этому месту участке. Чем больше распределительных коробок, тем проще будет монтаж и обслуживание готовой системы.
- Составить план проводки, помня, что провода должны идти только под прямым углом. На схеме также нужно отметить места установки осветительных приборов в помещении.
- Подобрать марку и сечение кабеля (сделать это можно с помощью специальной таблицы).
- Приобрести нужные материалы и инструменты.
Разводка под натяжным полотном
Перед тем как крепить проводку под натяжными потолками, необходимо составить план разводки электрики по потолку. При составлении схема следует помнить, что все провода нужно прокладывать под прямыми углами, параллельно или перпендикулярно стыкам стен и потолка комнаты.
Распределительные коробки рекомендуется устанавливать в таких местах, где к ним сохраняется свободный доступ (он нужен для обслуживания и ремонта элементов).
Игнорировать этот пункт – составление плана – не следует. Без подробной и продуманной схемы процесс монтажа будет сильно затруднен, а итоговый результат может не отвечать нормам безопасности.
С помощью строительного уровня переносят схему на поверхности. Используя перфоратор, в стенах и потолке проделывают отверстия, предназначенные под крепеж для фиксации проводки (дюбели, клипсы). Каждое отверстие располагают на расстоянии от 0,5 до 0,9 м – этого достаточно, чтобы кабель имел должную поддержку и не провисал.
Переходят к установке распределительных коробок и крепежа, сверяя свои действия с планом. Протягивают электропроводку, вдетую в гофру, по потолку, фиксируя с помощью крепежных элементов.

Схема электропроводки для точечных светильников
Соединяют концы гофрированных труб с распределительными коробками. Концы кабеля должны выходить за пределы гофры минимум на 15 см, чтобы можно было соединить жилы. Провода соединяют друг с другом; проверяют работу, используя мультиметр.
Монтаж на деревянных перекрытиях
Чтобы закрепить кабель на деревянной поверхности потолка, нужно предварительно протянуть его по стальной трубе – эта мера предназначена для защиты от возгорания. Диаметр трубки зависит от диаметра проводки. Если позволяют размеры трубы, в ней можно протянуть несколько кабелей.
Здесь потребуются распределительные коробки из негорючих материалов (в идеале – металла). Внутренние поверхности обрабатывают изоляционными материалами, чтобы исключить возможный контакт кабеля со стенками коробки.
Порядок действий:
- Схему переносят на поверхности, отмечая линии, по которым будет проходить электрика.
- Устанавливают распределительные коробки.
- Нарезают металлические трубы на отрезки нужной длины. Крепят их к потолку.
- Отдельные элементы сваривают в единую конструкцию.
- Прокладывают по трубам кабель, используя протяжку.
- Выводят проводку в распределительную коробку, оставляя концы длиной около 20 см.
- Соединяют жилы проводки, изолируют, заземляют.
- Проверяют систему.
Особенности крепления к металлическим поверхностям
Если электрика будет проходить по потолку, поверхность которого выполнена из металла, работы проводят особо тщательно, поскольку этот материал – хороший проводник электричества.
Полезная информация: «Варианты металлических подвесных потолков«
Оптимальное решение для защиты кабеля и для распределительных коробок – трубы, сделанные из электротехнического пластика. Важно убедиться, что условия и назначение помещения позволяют использование этого материала. В противном случае используют изделия из стали.
Безопасность при монтаже и распространенные ошибки
Чтобы работа прошла без эксцессов, рекомендуется придерживаться простых рекомендаций:
- Все работы выполняют в специальных защитных рукавах.
- Большая часть работ проходит на потолке, и потому используют только устойчивые и прочные стремянки.
- Чтобы не возникала необходимость постоянно спускаться за инструментами, все нужное складывают в сумку и держат при себе.
Несколько советов, которые помогут избежать проблем при работе:
- Если не использовать защитные коробки, со временем могут возникнуть аварийные ситуации.
- Важно правильно рассчитать сечение провода – если оно не будет соответствовать нагрузке, кабель может перегреться или загореться.
- Если подключить всех потребителей к одному устройству защитного отключения, при любых повреждениях потребуется ремонт всех точек. Также это просто небезопасно: человека, находящегося в помещении, может ударить током даже при выключенных электроприборах.
- Работу всегда нужно начинать с установки распределительных коробок, и только после этого прокладывать кабель.
- Нельзя допускать соприкосновения или пересечения кабеля.
Крепление проводки на потолке – задача несложная, однако требующая внимания. Если игнорировать технику проведения работ, поручиться за безопасность готовой системы будет нельзя.
znatokpotolka.ru
Что такое проводка по потолку в квартире, и как ее сделать своими руками
Содержание статьи
От автора: здравствуйте, уважаемые посетители нашего строительного портала. Буквально несколько недель назад столкнулся с интересной ситуацией. Друг решил сделать ремонт своей квартиры, а так как он знает, что я квалифицированный электрик, — то решил найти на нашем портале информацию о том, как делается проводка по потолку в квартире своими руками и не нашел ее. Обратившись ко мне, он попросил рассказать ему, как делаются данные работы.

Ну так вот, мои друзья, чтобы у вас не возникало сложностей с этим вопросом, сегодня я в точности решил описать то, что рассказал своему другу. Ведь монтаж электрики — это не такие и трудоемкие работы, но требуют они определенных знаний в области электроснабжения.
Настоятельно рекомендуем эту статью к прочтению, так как только здесь вы найдете самую достоверную информацию от человека, который в действительности на практике изучил этот вопрос вдоль и поперек, проложил не один десяток километров проводов и реально знает, о чем говорит. Читайте и наматывайте на ус!
Все выполняемые работы лучше всего планировать заранее. Еще на этапе планирования ремонта квартиры следует определиться с тем, как мы будем его делать, и что нам для этого понадобится.
Виды потолков и способы прокладки проводов
При монтаже самым популярным способом укладки проводов является их размещение в потолке. Мало того, это не только самый популярный способ — он еще и самый правильный. Согласно ПУЭ, электропроводка прокладывается именно так. И это не случайно. Этот способ облегчает эксплуатацию и ремонт, обеспечивает оптимальные условия эксплуатации, пожарную и электрическую безопасность.
Для того, чтобы знать, как крепятся провода при их прокладке в потолке, мы должны понимать, какие вообще бывают потолки и что они собой представляют. Давайте коротко опишем их:
- Армстронг — подвесные панели из спрессованной бумаги вторичной переработки, с добавлением некоторого количества стекловолокон для связи и придания механической прочности. Панели имеют размер 50×50 см и в основном применяются в офисных зданиях с высокими потолками. Для укладки проводки в таком потолке возможно свободное крепление проводов и гофрированной защитной трубы, — непосредственно к поверхности плиты перекрытия.

- Вагонка — популярное покрытие для потолков и стен. Представляет собой пластиковые полосы шириной около 25–30 см и длинной порядка 6 м, имеют разнообразную расцветку и свойства. Крепится этот потолок на деревянную обрешетку или каркас, который прикручивается к потолку. Так как данная деревянная конструкция не рассчитана быть подвесной, то проводку приходится прокладывать либо в полостях плит перекрытия, либо высверливать в деревянных брусках специальные отверстия для пропуска через них проводов в гофротрубе.
- Пенополистирольные панели — квадраты со сторонами 50×50, толщиной порядка 8–10 мм. Поверхность чаще всего представляет собой фактурный рисунок, схожий по композиции с гипсовыми панелями для обустройства потолков общественных заведений. Крепятся к плитам перекрытия жидкими гвоздями, реже — на шпаклевку. Не используются для выравнивания потолка, а лишь в декоративных целях, поэтому не остается полости между панелями и потолком. По этой причине провода придется прокладывать в полости плит перекрытия.
- Натяжной — самый современный и эстетически привлекательный вид потолка. В магазинах представлен широчайший цветовой диапазон. Изготавливается из терморезины определенного состава. Крепится непосредственно к стенам. При монтаже образует пространство между пленкой и плитой, поэтому появляется возможность укладки проводов, помещенных в гофротрубу — непосредственно на поверхность перекрытия.
- Гипсокартон — самый популярный вид подвесного потолка, так как имеет сравнительно небольшую стоимость и легок в монтаже. Для изготовления используется специальный потолочный гипсокартон, — он более тонкий и легкий по сравнению со стандартным. Монтируется на специальную конструкцию из легкого металлического профиля. Если у вас планируется установка таких потолков, то прокладку проводов следует осуществлять на заранее изготовленную металлоконструкцию. В итоге провода у вас окажутся в полости между бетонной плитой перекрытия и листом гипсокартна. Это один из самых удобных способов монтажа.

- Шпаклевка — не менее распространенный вид потолков. Представляет собой обычное нанесение шпаклевки на перекрытие. Тем самым он выравнивается и красится. Получается довольно-таки красиво. Минус в том, что придется прокладывать провода в полости бетонных плит, а это не так просто, как может показаться на первый взгляд.
А теперь давайте распишем все, что вам придется сделать для того, чтобы выполнить работу. Поговорим о том, чем пользоваться при прокладке, да и вообще — обо всем, с чем вам придется столкнуться.
Подготовительные работы
Для начала вам необходимо произвести подготовку монтажа. Для этого потребуется:
- Очистить стены от обоев.
- Отключить старую проводку. Для этого вам нужно откинуть провода непосредственно от автомата питания в подъезде и подключить к нему временную переноску для электроинструментов.
- Если счетчик электроэнергии находится у вас в квартире и для продолжения работы вам необходимо снять пломбу, — необходимо посетить снабжающую организацию и написать заявление о ее снятии.
- Демонтировать старое оборудование, то есть, электрощитки, старые розетки и выключатели.
При выполнении работ по демонтажу, требуется обеспечить все меры по предотвращению подачи электроэнергии в электросистему вашей квартиры. Лучше всего вообще полностью отсоединить, откусить питающие провода, которые идут от автомата питания. Главное — не ошибитесь. Вы должны быть уверены на 100% в том, что это именно ваши провода, а не соседей.
Помните: на автомат питания идет всего один провод, это — фаза. Второй провод подключается в нулевой шине, его также перекусываем. Так вот, после того как вы все отключили и приступаете к демонтажу, возьмите тестер или указатель напряжения и проверьте отсутствие напряжения во всех выключателях и розетках.
Выбор материала и сечения проводов
Для того чтобы проложить проводку, вам необходимо знать, какие провода купить и какое у них должно быть сечение. На современном рынке стройматериалов и электротехники можно найти великое множество продукции разнообразных брендов. Но для нас достаточно будет знать два основных вида, которые представляет рынок — это ВВГ и ПВС. ВВГ — винил-винил голый, то есть, каждая жила в виниловой изоляции, а все эти жилы — еще в одной изоляции. Обычно в строительных магазинах такой кабель только одножильный, то есть, его жилка литая, а не из сотни тоненьких проволочек.

ПВС — провод с виниловой изоляцией соединительный. Самый распространенный медный провод, который используют как для проводки, так и для изготовления переносок и других приспособлений. Данный кабель выполнен из меди и имеет многожильные провода, то есть, одна его жилка состоит из сотни тоненьких жилок, это положительно сказывается на его электропроводности и в целом — на качестве изделия.
Если вы собираетесь частично изготовить проводку, то тогда вы должны узнать, какими проводами она у вас уже смонтирована. Если медь одножильная, выбирайте ВВГ, если алюминиевая лапша, то выбирайте АВВГ — тот же самый ВВГ, только алюминиевый. Если вы полностью решили менять проводку, тогда однозначно остановите свой выбор на кабеле ПВС.
Выбираем сечение. Обычно современную проводку изготавливают отдельно для группы освещения и для группы розеток, а на особо мощные потребители — и вовсе ведут отдельную линию от щитка. Так вот, линию для освещения ведут с помощью провода 1,5 мм², а розеточную линию достаточно будет проложить проводом 2,5 мм². Кстати, данные значения соответствуют ПУЭ.
Если вы хотите индивидуально рассчитать сечение проводников, тогда посчитайте всю нагрузку на линию. Например, мы ведем отдельную линию на кухню. Там у нас расположена стиральная машина (1,5 кВт), чайник электрический (2 кВт), микроволновка (1,5 кВт), мелкие кухонные приборы, такие как миксер и блендер (1 кВт). Складываем все вместе и получаем, что при одновременном использовании потребляемая мощность составит 6 кВт/ч. 6000/220=27 ампер, — это ток, потребляемый вашими приборами.
Провод в 2,5 мм² пропускает именно 27А, кабель 1,5 мм² пропускает ток в 4,1А. Если у вас более мощная техника, например, электроплита, тогда берите более мощный кабель — 4 мм², который способен пропускать ток в 38А. Если у вас планируется светодиодное освещение, — тогда на группу освещения выберите 1 мм². Меньше брать не стоит, так как не исключены случаи установки обычных вольфрамовых ламп. Опираясь на данные цифры, рассчитываем сечение наших проводников.
Изготовление схемы
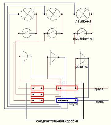
Следующим шагом будет изготовление схемы. Необходима она для того, чтобы конкретно знать, какие провода куда идут и что они запитывают. Вообще, для нас достаточно будет и банальной электрической схемы, нарисованной не в соответствии с правилами и стандартами чертежного искусства, а так чтобы нам легко было в ней разобраться.
Делается она так: схематично изображаем наши монтажные коробки, в которых будут все наши скрутки. Изображаем лампочки и выключатели, сборный щиток автоматов. Далее прямоугольниками рисуем скрутки в этих коробках, а точками изображаем провода, которые там скручены.
Изготавливая такую простейшую схемку, вы точно не допустите ошибок при скрутке систем проводов. Если в будущем возникнет необходимость ремонта или отключения системы, при помощи данной схемы вы без труда во всем разберетесь.
Изобразите на чертеже не только провода, но и маркировку кабелей и фазы. Маркировку пишите прямо на конике кабеля маркером. Процесс изготовления схемы не займет более 15 минут. В результате у вас должно получиться нечто подобное:

Штробление, протяжка и укладка проводов
Ну а теперь переходим к работам. Первым делом возьмите карандаш и проведите линии, по которым вы будете резать штробу: места, где установите выключатели и места вхождения проводов в перекрытие, если потолок просто отшпаклеван.
После того, как все разметили, берите перфоратор и начинайте бурить короной отверстия под розетки и выключали. Используйте еврокорону, так как все размеры монтажных коробок, или, как их еще называют, «дозы» — изготовлены именно по евростандартам. Кстати говоря, по современным стандартам, розетки устанавливаются на расстоянии 40 см от пола, а выключали — в 90 см.
Далее меняем корону в перфораторе на зубило. Теперь выдалбливаем то, что пробурили, а также создаем с края плиты отверстия для будущей протяжки проводов по ней. Поиск пустоты также осуществляем при помощи перфоратора. Устанавливаем бур «шестерку» и бурим. Там, где бур влетает в пустоту — долбим отверстие.
Лучше всего проведите прямой перпендикуляр от существующего отверстия в середине потолка, там, где раньше была расположена люстра. Проведя перпендикуляр к стене, начните в этом месте делать отверстие. Скорее всего, вы тут же попадете в старое зашпаклеванное углубление, в котором обнаружите старый провод. На него и ориентируйтесь, чтобы протянуть новый к этому месту.
Далее переходим к вырезке штробы. Делается это при помощи штрабореза. Поскольку это довольно дорогой и редкий инструмент, работу можно выполнить и обычной болгаркой первого номера (самой маленькой). При этом используется диск по камню. Делаем по уже намеченной линии два параллельных реза. Расстояние между ними должно составлять примерно 15–20 мм. Выдалбливаем перфоратором эту полоску штукатурки.

Начинаем прокладывать провода. Какой и куда — известно из нашей схемы. Ну а закрепляем их в штробе обычным алебастром со шпаклевкой. При приготовлении раствора, необходимо соблюсти пропорции 1:1.
А теперь самое интересное. Если мы решили тянуть провода в полости перекрытия, берем стальную проволоку с 2–4 миллиметровым сечением, и пропускаем ее от одного отверстия в плите до другого, а затем к одному концу привязываем наш провод и вытягиваем за стальку.
Если мы планируем монтаж подвесного потолка, тогда просто продеваем наш провод в защитный бронешланг (у него также внутри специальная сталька для протяжки) — и этот бронешланг с проводом крепим к потолку посредством ударных дюбелей. На шляпку шурупа приматываем проволочку и ею привязываем к потолку наш бронешланг.

Если дом панельный и планируется установка подвесного потолка из гипсокартона, то можно крепить провод и без бронешланга, но если у вас деревянный дом, то это крайне необходимо. При этом использовать нужно не пластиковый бронешланг, а металлический, или как его еще называют — металлорукав.
Завершающий этап, расключение
После того как все вышеперечисленные работы завершены, приступаем к расключению. Используя нашу схему, скручиваем и изолируем провода в распределительных коробках. Подключаем автоматы, УЗО, розетки и выключатели к заранее зашпаклеванным подразетникам. Если у вас гипсокартон, то в заранее изготовленные отверстия под лампочки вставляем светильники и софиты. В общем, делаем всю чистовую работу.

Ну а после — делаем самое интересное, — проверяем сопротивление линий, — не должно быть КЗ. Наконец, можно подавать напряжение.
Вот и все, мои друзья, как видите нет тут ничего сложного, главное — делайте все последовательно и обдуманно, не спешите. Особенно в работе с электричеством этого делать нельзя. Если у вас остались вопросы по какому-либо пункту, отпишитесь в комментариях, мы обязательно на них ответим, либо читайте другие статьи по теме.
А если вы ранее никогда не имели дела с электричеством, лучше всего вам нанять специалистов с группой по электробезопасности не ниже третьей, так данная статья носит лишь рекомендательный характер, а не является прямым указанием к действиям. Удачи, и до новых встреч на страницах нашего ремонтно-строительного сайта!
seberemont.ru
Прокладка проводки по потолку — на что обращать внимание и какие ошибки наиболее распространены?
Главная / Монтаж, ремонт, уход / Ремонтные работы / На что следует обращать внимание при монтаже проводки по потолку?
В современных квартирах все реже можно встретить потолки в «первозданном» виде. Обычно, смонтированы натяжные или гипсокартонные конструкции. Они очень красивы и имеют множество преимуществ, одним из которых является возможность установки большого количества светильников. Всем им необходимо подключение к электросети и для этого, необходима прокладка проводки по потолку.

Основные ошибки
Самая главная ошибка, которую может совершить хозяин дома при монтаже проводки – доверить эту операцию непрофессионалу или сделать все самостоятельно, не имея необходимых знаний и опыта.
Очень часто можно увидеть, как проводка проложена по потолку без всяких монтажных коробов и защитной гофры. Это самая распространенная ошибка и такая прокладка кабеля может привести к пожару. Если электропровод будет поврежден и возникнет короткое замыкание, могут загореться все соседние детали конструкции.

Согласно требованиям, которые применяются для наружной проводки, все провода необходимо прокладывать только в защитном металлорукаве или гофре из специального самозатухающего пластика.

Вторая распространенная ошибка – подключение всех осветительных приборов и прочих потребителей электроэнергии на одно устройство защитного отключения. Если нагрузка не превышает расчетной, то такое подключение будет доставлять неудобства только при возникновении замыкания в одном из потребителей – они будут отключаться все сразу.
Более серьезным нарушением, когда осуществляется монтаж проводки в квартире, в том числе и по потолку, будет подключение выключателя не на фазовый провод, а на нулевой. В этом случае, даже когда выключатель находится в положении «выключено», существует опасность поражения электрическим током. Например, при смене лампочки или подключении светильника.
Наконец, самой опасной и грубой ошибкой при монтаже проводов, будет неверный выбор их сечения. Из экономии часто выбирается не то сечение, которое необходимо, а тот вариант, который дешевле. Это приводит к тому, что неправильно выбранный провод постоянно греется и подвергается повышенной нагрузке. Вместе эти факторы могут привести к короткому замыканию и возгоранию и как следствие – к пожару.

Несмотря на то, что всех этих ошибок очень легко избежать, они встречаются постоянно. Некоторые просто экономят и сознательно их допускают, а некоторые совершают такие грубые нарушения по незнанию.
Как избежать нарушений и ошибок
На самом деле, это несложно. Есть свод основных правил, соблюдая которые, проводка в квартире легко прокладывается хоть по потолку, хоть по стенам, безо всяких сложностей и проблем.
Прежде всего, следует понять, что прокладывать все электротехнические составляющие в запотолочном пространстве следует в соответствии с требованиями к прокладке наружной проводки. Это значит, что все токопроводящие элементы системы должны быть уложены в специальную гофру из пластика или металлический короб. При этом, крепление проводки к потолку очень удобно осуществлять при помощи специальных монтажных клипс.

Еще до начала монтажа, необходимо составить подробный план размещения всех потребителей, которые будут подключены к этой проводке. В соответствии с этим планом, на каждую группу потребления электричества необходимо запланировать одну распределительную коробку.
На потолке нужно наметить все места, где такие коробки будут располагаться. Весь монтаж стоит начинать именно с установки распределительных коробов. От них, в гофре, прокладываются кабели, подводящие ток к светильникам и прочим потребителям электроэнергии. Все каналы или гофры, расположенные на потолке, должны проходить параллельно друг другу. Это упростит обслуживание в дальнейшем. Пересекаться провода не должны. В местах соединений нескольких линий, необходимо смонтировать распаечную коробку.

В ванных, кухнях и других помещениях с высоким содержанием влаги в воздухе, необходимо применять специальные распаечные коробки, которые дают достаточную защиту от воздействия влаги. То же самое относится и к гофротрубе, в которой будут уложены провода – она должна защищать уложенные кабели от воды.
Отдельного упоминания стоит монтаж электрических проводов с использованием скрытого метода. В этом случае, кабели укладываются в специально пробитый в перекрытии канал. Здесь необходимо соблюдать требования по безопасности, предъявляемые к скрытой проводке.

Лучше всего, скрытый тип проводки применять в кухнях, ванных и прочих влажных местах. Так будет намного безопаснее. Однако, даже при монтаже скрытым способом, необходимо использовать кабель каналы или гофрированные пластиковые трубки.
Учитывая, что после скрытого монтажа будет затруднен доступ ко всем составляющим системы, нужно заранее продумать и рассчитать нагрузку потребителей и подобрать соответствующее сечение проводов.
wikipotolok.com
Замена электропроводки: проводка по стене или по потолку — что лучше?
Автор: Евгений Чертушко Рубрика: Полезные советы Вы сейчас здесь: Главная » Полезные советы » Замена электропроводки: проводка по стене или по потолку — что лучше?Замена электропроводки: проводка по стене или по потолку — что лучше?
Добрый день, уважаемые посетители Elektrika56!
Сегодня речь пойдет о замене электропроводки.
Тот, кто задумал капитальный ремонт в квартире или офисе, строительство частного дома рано или поздно доберется и до замены электропроводки. То, что вопрос это серьезный, мало кто сомневается. Сегодня без электричества никуда. Бытовые приборы, ТВ, компьютер, кондиционер, отопительные котлы, водяные насосы — все требует электричества.
.
Заботу о том, как электричество попадет к вам в квартиру берет на себя обслуживающая организация. У меня это например — Энергосбыт плюс, Оренбургский филиал. Достаточно вызвать электрика и в вашем распределительном щитке появится 220в, а то и 380в. Что делать дальше? Как подвести электроэнергию к вашим потребителям?
.
Как вариант, можно заказать проект электроснабжения для вашей квартиры. Специально обученный человек, за сравнительно «небольшую» плату, нарисует и подробно распишет, как должна быть расположена электропроводка вашей квартиры. Главное, что сделает это так, как того требуют строительные нормы и правила устройства электроустановок (ПУЭ).
На практике, услугами проектировщиков пользуются не так уж часто. Чуть чаще, чем никогда.
Иногда отдают решение этого вопроса дизайнеру.
.
В основном, люди даже не задумываются, над тем, как правильно должны располагаться провода. Главное, чтобы розетки-выключатели находились на нужных местах. Как провод ляжет от распределительного щитка до розетки — вопрос второстепенный.
Наверное поэтому, иногда, встречается на объектах проводка расположенная по диагонали.

Примерно вот так:
Почему так делать нельзя?
Во-первых, диагональное расположение проводов в стене запрещают ПУЭ.
Во-вторых, расположив провода подобным образом, вы рискуете повредить их собственноручно. Через год после окончания ремонта, захотите повесить полочку или часы, как раз там, где проходит провод. Потому что сложно запомнить расположение всей электропроводки, если она скрыта в стене и сделана как попало. Небезопасно и непрактично.
Правильное расположение проводов в стене Горизонтальное или вертикальное.
Вот так.

Первым вариантом, мы стараемся не пользоваться. По одной простой причине. Горизонтально расположенную проводку сложнее обнаружить и легче повредить. Особенно, если розетки находятся на нескольких уровнях по высоте. Гораздо надежнее, когда от всех электроточек, будь то розетки или выключатели, провода уходят строго вверх. Запутаться в таком случае намного сложнее. Не сверли, не забивай гвоздик над розеткой — и будет твоя проводка в порядке!
На практике это выглядит вот так.

С размещением в стене все понятно.
Теперь вопрос. Как должен идти провод от распределительного щитка до вертикальной штробы?
Тут есть несколько вариантов.
Первый — укладка проводов гофре по полу.
Выглядит это вот так. Да, современная электропроводка это целая куча проводов.

Смотрится красиво, но есть минусы.
Во первых, если уложить провода подобным образом, необходимо заливать полы стяжкой толщиной не менее 5 см. Плюс высота шлейфа проводов 25-50 мм. То есть, получаем полы толщиной 10см. Это мало того, что неудобно. Это еще и довольно таки дорого. Ну и наверняка захочется закрепить порог двери длинным саморезом. Прямо в кабель. То есть, еще и ненадежно. Поэтому, этим методом не пользуемся.
Изготовление горизонтальной штробы под потолком.
Выглядит это вот так.

По всему периметру квартиры, на расстоянии 20-30 см от потолка изготавливается горизонтальный канал для укладки проводов. На этом же канале выбираются ниши для распредкоробок. От них провод опускается вертикально вниз.
.
Для заказчика удобно. Знаешь, что провода от розетки идут строго вверх, на высоте 30 см от потолка — линия проводов. Там сверлить не надо. И для натяжных потолков не помеха. Для них достаточно отступить от потолка 7-10 см. Всем хорош этот метод.
Один минус. Трудоемко и поэтому дорого.
.
Один метр штробы сейчас стоит 100-150р. А таких метров по периметру квартиры набегает прилично. Такой вариант выбираем в том случае, если не будет натяжных или подвесных потолков.
.
Ну и наконец самый удобный, безопасный и относительно недорогой метод.
Разводка электропроводки по потолку.
Выглядит это дело вот так.

Провода укладываются в защитной гофре и крепятся непосредственно на потолок. Там же находятся распредкоробки. В самом конце ремонта, вся эта красота закрывается натяжным потолком. Реже подвесным или конструкцией из ГКЛ.
.
Плюсы данного метода.
Основная масса проводов находится вне стен. В стене только вертикально расположенные провода. Повредить такую проводку очень сложно. Вызывать электрика придется реже.
Дешевле предыдущего метода.
.
При необходимости внести изменения в электропроводку, например добавить несколько розеток или установить проходной выключатель, необходимо всего-лишь снять натяжной потолок, внести необходимые изменения и установить потолок на место.
Согласитесь, это дешевле, чем раздолбить пол-стены в поисках распредкоробки.
На сегодня это все.
Прокладывайте электропроводку правильно.
С уважением, Elektrika56!
elektrika56.ru
Электрика в натяжных потолках. Нюансы от бывалых
Натяжной потолок на сегодняшний день – это самый удобный, практичный и недорогой способ отделки, который помимо своих декоративных качеств обладает еще тем самым незаменимым свойством, при котором легко решается вопрос с электрикой.
Электрика в натяжных потолках проводится в специальных гофрированных трубах для электропроводки, которые надежно крепятся к бетонной плите клипсами-зажимами. В нужные места приходят концы кабеля на люстру. Как правило, это геометрический центр комнаты. А также разводятся выводы на точечные потолочные светильники, если такие предусмотрены в проекте электрики.

Зачем делать электрику под натяжным потолком?
Часто Заказчики нам задают такой вопрос. Не приходит электричество на люстру, надо от выключателя вести новый провод. Как это можно сделать? Ответ, зачастую расстраивает, но, на самом деле, вариантов здесь не много.
Первый и самый простой способ – это подвести электричество в кабель-канале. Но с точки зрения эстетики вариант ущербный, и вполне естественно, что не все на это соглашаются.
Второй способ, который можно предложить, – это попробовать заменить электрический кабель на люстру. Это возможно, если в вашей квартире этот кабель проложен в специальном технологическом отверстии в плите перекрытия и беспрепятственно вытягивается оттуда. Далеко не всегда получается так сделать, так как часто бывает так, что этот кабель замурован в плите. А иногда, особенно в домах-хрущевках, он проходит по полу верхней квартиры. Да, да! Вот так бывает! И ничего вы с этим не сделаете.
Ну и способ номер три: вести электрику по плите перекрытия и закрывать ее подвесным, реечным или натяжным потолком. Но подвесной потолок, если он из гипсокартона, — это тяжелая конструкция, которая еще требует дополнительного шпатлевания и отделки. Реечный потолок, скорее всего, подойдет для ванной комнаты или туалета. Для жилого помещения он редко применяется.
Остается самый простой вариант – это натяжной потолок, который будет сделан без грязи и пыли, за очень короткое время и выглядеть будет отлично. Он имеет бесчисленное многообразие видов материала и цветов. А его подсветка может быть ограничена только степенью буйства вашей фантазии.
Штробить потолок запрещено!
Постойте!!! – говорят Заказчики. А как же проштробить маленькую ложбинку и спрятать туда этот пресловутый кабель для люстры? И не нужно ничего мудрить ни с электрикой, ни с натяжным потолком!
Отнюдь, нет. Согласно СНИП (строительным нормам и правилам) плиты перекрытия штробить СТРОГО ЗАПРЕЩЕНО. Мы соблюдаем СНИП и такие работы делать не будем. Может, и найдется мастер-ломастер, который пойдет на любой ваш каприз, ведь ему не жить в вашем доме. И ответственность не его будет, а ваша. Ведь в случае, если, не дай Бог, плита треснет, этого мастера вы уже днем с огнем не найдете. Поэтому лучше не действовать на свой страх и риск, а спрятать электрику под натяжной потолок, который будет прекрасным украшением вашей комнаты.

Проводка под натяжным потолком. Что нужно учесть?
Планируя электрику в натяжном потолке, обязательно надо учесть ряд нюансов, чтобы в дальнейшем не возникло непредвиденных проблем.
Электропроводку в натяжных потолках, как было сказано выше, нужно вести в гофроканалах. Таково требование ПУЭ, СНИП и их надо соблюдать. Это связано с пожаробезопасностью и с необходимостью заложить возможность на будущее сменить проводку через много-много лет, не снимая полотно.
Не делайте соединения в электропроводке под натяжным потолком!
Электрика под натяжным потолком должна быть цельная. Кабель, который закладывается под полотно, не должен иметь соединений. В идеале не должно быть ни одной распределительной коробки. Многие электрики вам скажут: это не возможно, да и не нужно.
- Обязательно, нужно! Любое место соединения, распаячная коробка – это потенциальное место потери контакта в будущем. Если повторится ситуация, рассмотренная в самом начале статьи, что не идет свет на люстру, надо будет снимать потолок. Доступа к распределительной коробке не будет. Это нужно иметь в виду.
- Кроме того, это возможно! Мы делаем коммутацию выключателей без дополнительных распаячных коробок. С цельным кабелем не случится короткого замыкания. Да и обрыв также ему не грозит.
Электрика и освещение: ошибки при монтаже натяжного потолка.
А теперь поговорим про освещение.
Когда мастера-потолочники будут натягивать полотно, проследите, чтобы они поставили крепление под люстру. Бывают случаи, что натянули потолок, а потом ищут электрика для установки люстры. Приезжает мастер-электрик, а дальше начинаются танцы с бубнами по установке крепления для люстры через малюсенькое отверстие, оставленное потолочниками.
Нет, конечно, сделать можно все. И мы, к сожалению, нередко сталкиваемся с такими случаями. На днях у нас был вызов электрика в Щёлково, когда как раз пришлось переделывать основание под крепление для центральной люстры, так как потолочники не рассчитали с его уровнем и получалось, что люстра очень сильно поджимала полотно. Халтура!

Но здесь уже вопрос возможности и случайности. Электрик вынужден сделать ювелирную работу, и если вдруг он повредит полотно, то вы будете очень недовольны работой электрика. А на самом деле корень зла в другом месте. Надо ругать мастеров, которые, вроде как, профессионалы в строительстве натяжных потолков, только не дальновидные, и вдруг забыли поставить эту бабышечку под крепление люстры. Это важно знать и понимать!
Планируйте правильно электрику под потолочные светильники.
А вот еще интересный момент. Если вы запланировали несколько точечных светильников, то обратите внимание вот на что. В магазине вам предложат лампочки на 220в и 12в. Лампочки на 12в потребуют установки в цепь трансформатора, который напряжение 220в превратит в 12в. Этот трансформатор придется спрятать под полотно, а он через пару лет сгорит. Выход один: опять разбирать потолок. Поэтому электрика натяжного потолка должна быть ориентирована на лампочки под 220в. Ну или нужно запланировать установку трансформатора в доступном месте. У нас был проект, мы делали электрику в Мытищах в новостройке. Мы заложили вывод на такой трансформатор в кладовку, которая была рядом с комнатой, где предполагались точечные светильники.
Такая же проблема, как с трансформатором, может возникнуть и с устройством плавного пуска. Многие советуют его ставить, чтобы продлить жизнь галогенкам. В данном случае ваши лампочки переживут устройство плавного пуска, которое в какой-то момент сгорит. Но лампочки легко поменять, а ту самую маленькую коробочку уже нет! А итог все тот же самый. Полотно придется снимать. Ну или перестать пользоваться этим светом.
Планируя электрику натяжных потолков, учитывайте все эти особенности, чтобы хорошим мастерам электрикам не приходилось вас разочаровывать. Электрики – не волшебники, хотя порой случается обратное.
Если материал этой статьи был для вас интересен и полезен, поделитесь им со своими знакомыми в социальных сетях. Возможно, кому-то эта информация очень пригодится. C уважением, электрик Королёв.
elektrik-korolev.ru






