Блок питания своими руками для светодиодной ленты – Схемы для самодельных блоков питания светодиодных лент. Бп для светодиодной ленты своими руками схема
Блок питания для светодиодной ленты своими руками, схема
Современный рынок осветительных приборов позволяет сделать любой тип освещения для своего дома. При этом многие умельцы некоторые элементы осветительных приборов собирают своими руками.
Самым распространенным типом освещения на сегодняшний день является светодиодная лента. Самостоятельный сбор в данной ситуации возможен как отдельных диодов, так и целого блока питания к ленте.
Эта статья расскажет вам, как своими руками можно сделать блок питания к светодиодной ленте.
Особенности изделия
Для светодиодной ленты присущи некоторые особенности, благодаря которым она пользуется наибольшей популярностью среди потребителей. К ним можно отнести:
- возможность создания скрытой подсветки;
- качественный световой поток;
- наличие разнообразия в цветовой гамме свечения;
- доступная стоимость изделия;
- простой монтаж, который легко можно сделать своими руками.
Единственным минусом светодиодной ленты является необходимость подключения ее к источнику питания только через «посредника» – блок питания.
Кроме этого сами светодиоды обладают особенной вольт-амперной характеристикой, из-за которых они могут нагреваться в процессе работы. Поэтому очень важно правильно подобрать блок питания для светодиодной ленты.
Немного о посреднике

Разные модели
Любой вид светодиодной ленты всегда идет в комплекте с блоком питания, через который проводится подключение источника света к электросети. Блок питания для светодиодной ленты может быть на 5В, 12В, 19В. Разные типы блока подходят для различных целей:
- 5В – для зарядки мобильных устройств;
- 12В – для питания компьютера, а также некоторых видов планшета;
- 19В – применяются для питания мониторов, ноутбуков и т.п.
У каждого из нас в доме имеется хотя бы парочка таких блоков, которые остались после того, как соответствующая им техника вышла из строя.
Обратите внимание! Любой из перечисленных видов блока питания можно адаптировать своими руками для светодиодной ленты. Хотя многие утверждают, что зарядники на 5В в данной ситуации использовать нельзя. Из них, с использованием 3-6 светодиодов, можно сделать простой ночник для детской комнаты.
Рассмотрим более подробно особенности блока питания на 12В. Такой блок питания бывает от 6 до 36 Ватт. Обычно, для нормальной подсветки рабочей поверхности хватает 10 Ватт. Такой блок делится на два подвида:
- старые, основанные на трансформаторах. Для них характерен больший вес;
- современные импульсные. По-другому он еще называется электронным трансформатором. Для них характерен небольшой вес и размеры, но большая мощность.
Обратите внимание! Специалисты рекомендуют использовать современные импульсные изделия. В противном случае блок питания (БП) в ходе работы может нагреваться, если его мощность будет выше такого же показателя у ленты более чем в два раза.
Прибор на 19В

Модель на 19В
Такой БП также можно переделать под светодиодную ленту. Данный тип блоков широко применим для компьютерной и оргтехники. Зачастую они имеют мощность от 16 д 32 В.
БП на 19В позволит вам запитать светодиодную ленту на 6000 Люмен и даст возможность создать освещение помещения с габаритами 20 квадратов. Внутрь самого корпуса лезть в данной ситуации не придется. Можно использовать более простые способы, с использованием небольшого понижателя со стабилизатором.
Рассмотрим два основных способа.
Способ № 1. В данной ситуации нам понадобится стабилизатор на 7812. Он должен быть на микросхеме типа КРЕН 7812. В ходе его монтажа на радиатор охлаждения данный стабилизатор выдержит ток 1 Ампер. Схема сборки показана ниже.
Схема
Данный способ на сегодняшний день считается громоздким и устаревшим. Это связано с тем, что для блока питания, например, от ноутбука таких стабилизаторов понадобится 5-6 штук, а также большой радиатор из алюминия для охлаждения.
Способ № 2. Импульсный стабилизатор современного типа. Он более практичен и малогабаритный, при этом не греется и довольно прост в организации. Также стоит отметить, что КПД импульсного стабилизатора составляет выше 80-90%.
Импульсивный стабилизатор
Применяя тот или иной способ, вы сможете использовать модифицированный БП для подключения светодиодной ленты и создания необходимого уровня освещения помещения.
Самостоятельная сборка
БП в своей основе имеют трансформаторы. При этом, чем большая мощность характерна для изделия, тем больше его габариты и вес. В результате часть КПД расходуется на нагрев и «гудение». Кроме этого не всегда можно найти то изделие, которое подойдет для светодиодной ленты. Сделать его можно своими руками. Для этого необходима схема паяния. Примерная схема спайки приведена ниже.

Схема для самостоятельной сборки
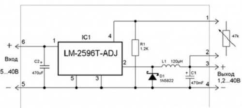
В этой ситуации вам понадобится довольно большое количество деталей и времени. Все необходимые детали можно найти на радиорынке или в специализированных магазинах. Рассмотрим процесс сборки на примере LM2596. В данной ситуации вам понадобится всего четыре радиоэлемента. Аналогами, которые схожи по функционалу, являются L5973D, ST1S10, ST1S14.
На сегодняшний день существуют
- регулируемый вариант LM2596ADJ;
- фиксированный 12 V, LM2596-12;
- собранный китайский прибор.
При этом характеристики изделия будут следующими:
- входное напряжение – не превышает 40В;
- на выходе — 3-37В;
- выходной ток составляет 3А;
- защиты срабатывает при токе 3А;
- частота преобразования составляет 150 кГц.
Лучше использовать для блока ленты выходы от 3 до 37 В. Плюсом применения такой конструкции является возможность при подключении к светодиодной ленте менять ее яркость без применения диметра. Для этого сборка происходит по следующей схеме:

Схема для выхода от 3 до 37 В
Также можно использовать схему сборки с фиксированным 12B. В данной ситуации необходимо использовать стабилизатор, собранный на микросхеме LM2596-12.
Такая схема будет несколько проще.

Схема для фиксированного 12 В
Кроме этого универсальным вариантом будет применение с тремя регуляторами. В данной ситуации вы сможете запитать не только диодную ленту, но также и светодиоды. В результате полученное устройство здесь может выступать в роли электронного трансформатора и драйвера.
Любой самодельный вариант, который приведен выше, позволит вам подключать светодиодную ленту к источнику питания без опасения, что она испортится или будет некорректно работать.
Заключение
Такой прибор, как блок питания для подключения к электросети светодиодной ленты, вполне реально собрать своими руками. При этом можно обойтись «малой кровью», просто переделав оставшееся после компьютера устройство для питания на 19В. Для этого нужно только определиться с типом модификации и неукоснительно следовать схеме спайки деталей между собой.
Если же у вас нет подходящей «кандидатуры» на переделку, всегда можно купить необходимую модель на радиорынке или в специализированном магазине.
1posvetu.ru
Блок питания для светодиодов своими руками на 12в схема
Блок питания
Светодиоды получают все большее распространение в качестве осветительных приборов. В первую очередь это основано на их высокой светоотдаче, эффективности, высоком КПД и, как следствие, минимальному энергопотреблению среди всех осветительных приборов.
К устройствам на светодиодах относят также и светодиодные ленты, которые могут выполняться любой длины, в зависимости от текущих требований. Схема подключения светодиодной ленты легка в использовании.
Особенностью применения светодиодных устройств является потребность в пониженном напряжении питания, в основном 12 В. В продаже существуют две разновидности преобразователей напряжения осветительной сети 220 В в напряжение питания светодиодов. Это стабилизаторы напряжения (в просторечии – блок питания) и стабилизаторы тока (драйверы).
Немного теории
Большинство светодиодов требует для работы напряжение порядка 2-3 В. Конструкция осветительных ламп и светодиодных лент такова, что для их питания используются более распространенные источники напряжения на 12 В. В частности, светодиодные ленты выполнены на группах из трех последовательно соединенных одиночных светодиодов с ограничительным резистором. Откуда тогда два различных типа источников питания?
ПримечаниеДело в том, что светодиод для питания требует не напряжение, а ток. Странновато звучит?
Все правильно. Те 2-3 В, которые требуются для работы, это не питание, а падение напряжения на отдельном светодиоде, а оно уже образуется в результате протекания тока через элемент. Ток должен быть стабилизирован, так как светодиоды очень критичны к его величине. Во-первых, из-за большой зависимости яркости излучения, а, во-вторых, превышение тока катастрофически сокращает срок службы.
При нормальных условиях работы достаточно стабилизировать напряжение питания, ток также будет стабильным. Не зря сказано – при нормальных условиях. Дело в том, что, как и все полупроводниковые элементы, светодиоды имеют ярко выраженную температурную зависимость (которая, кстати, является основой всех электронных измерителей температуры). При изменении температуры окружающей среды, будет меняться и ток, протекающий через прибор при неизменном входном напряжении. Со всеми вытекающими последствиями.
Так что же лучше?
В большинстве случаев применяются именно стабилизаторы напряжения. Ведь в основном светодиодное освещение применяется там, где диапазон изменения температур не очень высок. Это жилые и рабочие помещения, квартиры, частные дома и так далее. Еще одним доводом в пользу стабилизаторов является то, что осветительные приборы всегда соединяются параллельно. Даже светодиодные ленты, хоть и имеющие в составе группы из последовательно соединенных светодиодов. Эти группы при наращивании длины ленты соединяются также параллельно. А, как известно, падение напряжения при параллельном соединении остается неизменным. Растет потребляемый ток.
Драйвер (стабилизатор тока) целесообразно применять, в случае одиночных светодиодных ламп, последовательно соединенных приборов, и при значительных колебаниях температуры (уличное освещение).
Мощность источника питания
Мощность источника питания зависит от мощности суммарной нагрузки всех подключенных устройств. Все блоки питания имеют некоторый предел допустимой мощности, при превышении которой нарушается стабильность работы или возникает перегрев. Поэтому мощность нагрузки должна быть ниже максимально допустимой у блока питания. Запас по мощности источника может быть сколько угодно велик, растет только его масса и стоимость. Но это касается только блоков питания старого типа, в схемах которых используются понижающие трансформаторы. Современные импульсные блоки питания имеют ограничение по минимальному току нагрузки. Это также следует учитывать при проектировании осветительной сети.
То же самое относится и к драйверам. Принцип стабилизации тока подразумевает его стабильность при различных значениях выходного напряжения. Например, лампа на 12 В мощностью 1 Вт, потребляет ток 0.83 А (Закон Ома). Такой же ток должен выдавать драйвер. При подключении к нему этой лампы на выходе источника будет 12 В. Используя две таких лампы, соединенных последовательно, при том же потребляемом токе можно увидеть на выходе блока уже 24 В. И так далее, пока не наступит ограничение выходного напряжения. Тогда, соответственно, уже упадет и ток. Подключать параллельно несколько ламп к драйверу нельзя, по той причине, что выходной стабилизированный ток, поделится пропорционально между всеми потребителями.
Сложность проектирования освещения с драйверами и невозможность изменения количества подключенных приборов ограничивает их использование. А вот при выполнении наружного освещения, в диапазоне температур от минусовых до плюсовых, без стабилизаторов тока не обойтись.
Блок питания своими руками
Собрать своими руками импульсный блок питания под силу только квалифицированному специалисту. Гораздо проще для изготовления будет схема на трансформаторе. Главное, от чего необходимо отталкиваться – это мощность понижающего трансформатора, больше ожидаемой нагрузки (лампы или ленты) раза в полтора. На выходе трансформатора должно присутствовать переменное напряжение порядка от 12 В до 20 В.
Далее следует двухполупериодный выпрямитель с фильтрующей емкостью и простейший стабилизатор на микросхеме 7812. Такая схема может обеспечить выходной ток не более 1.5 А. Для его увеличения, схема блока питания дополняется мощным внешним транзистором.
Блок питания для светодиодов своими руками на 12в схема
Нет смысла повторяться, поскольку подобная схема стабилизатора на 12 В для изготовления своими руками во всех подробностях рассмотрена в интернете.
opotolkax.com
Блок питания для светодиодной ленты: схемы, подбор
Диоды являются самым простым современным способом организовать дешевое освещение. Предлагаем рассмотреть, как сделать и подключить своими руками блок питания для светодиодной ленты, а также расчет мощности и подбор устройства.
Назначение блока питания
Светодиодные ленты – это прекрасная альтернатива мощному освещению, к примеру, от лампы накаливания или энергосберегающего светильника. Подобрать светодиоды не сложно, больше всего проблем вызывает их подключение к сети. Для того чтобы организовать удобную и красивую диодную подсветку, Вам понадобится специальный блок питания.
Фото – Блок питания для светодиодной лентыБлок питания, также известный как малогабаритный трансформатор или проводник, является одним из наиболее важных компонентов системы LED и предназначен для питания светодиодов. Его размеры маленькие, поэтому Вы без проблем сможете крепить прибор под подвесным потолком или в мебели. Использование неправильного типа устройства электропитания может не только навредить светодиодной ленте, но и стать причиной возгорания жилища. Важно также знать, какое входное напряжения переменного тока Вам необходимо, и быть уверенным, что выбранный аппарат соответствует этим параметрам. Для сооружения корпуса в основном используется пластик, который противостоит многим внешним разрушающим факторам (его можно использовать на улице, во влажных комнатах). Рассмотрим, как правильно выбрать блок питания:
- Определите нужное напряжение.
Постоянное напряжение, которое требуется светодиодной продукции до работы имеет ключевое значение при выборе модели трансформатора и его уровня питания. В основном в магазинах предлагается контроллер нерегулируемый, т.е. он всегда выдает одно и то же напряжение. Это не означает, что яркость ламп не будет контролироваться, напротив, данный показатель контролируется специальным ШИМ-диммером, который значительно упрощает работу блока питания. Наиболее популярны модели со встроенным диммером марок Feron (для RGB ленты LB005 30W 12V), Led Lamp, 450W GEMBIRD ATX (120mm fan) CCC-PSU, Arlight, ARPV LV-35-12, NS-LV-50-12(12V, 4A, 50W), HTS-100, YGY-121000, ZC-BSPS 12V3,3A=40W jaZZway.
- Определите общую длину ленты освещения.
После того как Вы определили напряжение светодиодного продукта, который хотите использовать, нужно рассчитать расстояние всей светодиодной ленты.
- Подобрать мощность бока питания.
Подбор мощности для любого блока питания светодиодной ленты производится согласно специальной таблице, рекомендуем Вам ознакомиться с инструкцией выбранной фирмы. Очень важно не экономить на приспособлении с нужной мощностью.
- Расчет прибора.
Перед тем, как установить маломощный или многоканальный трансформатор, нужно подсчитать некоторые параметры. Если Вы знаете длину светодиодной ленты и мощность, то необходимо перемножить эти показатели и добавить к ним 10-5 процентов погрешности. Полученное число будет являться показателем теплового потока Вт/м2, и в зависимости от него нужно подбирать блок питания. Это поможет уберечь себя и свою семью от коротких замыканий и перегораний кабеля.
- Монтаж блока.
Теперь осталось только собрать блок питания и ленту в одну рабочую систему. Если Вы не используете компьютерный трансформатор, то Вам нужно:
Взять небольшой кусочек проволоки и короткий зеленый, и черный провод. Так мы разметим кабеля фазы и заземления. Подключите электричество в желтый и черный провода. Предположим, Желтый = 12 + Красный = 5В + черный = Земля. Для чистоты установки Вам, возможно, понадобится полностью разобрать трансформатор. Вырежьте все провода, оставляя пару черных шнуров, зеленый кабель и некоторые желтые.
Фото – Подключение блока питанияСнимите зеленый и черный шнуры, скрутите их вместе и отложите в сторону. Проверьте правильность соединения черных и желтых проводов, после чего подключите прибор в сеть. Убедитесь, что прибор герметичный, кабель выхода хорошенько запаян, а другие места контактов не соприкасаются.
Фото – Компактный блок питания для светодиодной лентыПосле окончания работы, наденьте корпус на место, включите напряжение, проверьте правильность последовательности горения светодиодов. Как видите, подключения трансформатора своими руками – это достаточно простая задача.
Видео: подключение светодиодной ленты к блокам питания
Как сделать блок питания
Самостоятельно сделать блок питания для светодиодов достаточно просто. Для ленты на 20 ячеек Вам понадобится:
- Трансформатор на 12 Вольт, который может передавать ток на 1 А;
- Диодный мост с конденсатором;
- Микросхема КР142ЕН8Б (или 7812), которая будет необходима для радиатора (ели блок питания гудит, то это проблема именно данной детали).
Соединяем все приспособления по стандартной схеме и подключаем самодельный проводник к ленте. Собрать блок можно в старый корпус от обычного мини-трансформатора, в нем же и скрыт провод. Для удобства ниже представлена схема цепи блока питания для светодиодной ленты:
Фото – Схема цепи блока питания для светодиодной ленты
Фото – Схема светодиодной ленты с блокомФото – Подключение светодиодной ленты к сетиОбзор цен
Правильно соединить все части схемы не каждому под силу, поэтому часто более выгодно приобрести уже готовый трансформатор. Купить компактный и герметичный блок питания можно в любом магазине электрических товаров.
| Город | Цена блока питания на SLG-BP-50-24 |
| Барнаул | 350 |
| Брянск | 300 |
| Воронеж | 320 |
| Красноярск | 300 |
| Одесса | 350 |
| Саранск | 300 |
| Тверь | 300 |
| Уфа | 320 |
| Харьков | 350 |
Стоимость приборов может варьироваться в зависимости от производителя (Китай будет дешевле), или дополнительного функционала (с дистанционным управлением, датчиками движения и т.д.). При необходимости вполне возможна самостоятельная переделка прибора под свой вкус и потребности.
www.asutpp.ru
Блок питания для светодиодной ленты своими руками
Опубликовал admin | Дата 6 августа, 2018В статье пойдет речь о простом блоке питания на 12 вольт для светодиодных лент. Выходное напряжение на выходе стабилизированное, ток нагрузки зависит в основном от мощности применяемого сетевого трансформатора. В данном случае он равен шести амперам и способен питать пятиметровую светодиодную ленту, состоящую из светодиодов SMD5050 и 60 штук на метр.
Схема устройства представлена на рисунке ниже.

В данной схеме в качестве силового трансформатора применен унифицированный трансформатор ТН60.
Пониженное переменное напряжение с вторичной обмотки трансформатора подается на выпрямительный мост VD1. Здесь можно применить, как готовый мост на 10А 50В, например, BR1005, так и собрать его из отдельных диодов, например, Д214А, с соответствующими параметрами. Схема защиты от КЗ реализована на полевом транзисторе МОП с N каналом – IRL2505.
Применение такого транзистора стало возможным благодаря специальному оптрону U1 — TLP590B. Речь о нем уже шла в статье «Твердотельное реле своими руками». В этой же статье есть ссылка на данные по этому оптрону. Еще одним элементом схемы защиты является оптрон U2. В данном случае использовался оптрон LTV817, в принципе можно применять любые оптроны данной структуры.
Стабилизатор напряжения реализован по классической схеме, так же на транзисторе IRL2505 и микросхеме КР142ЕН19, ее можно заменить импортной микросхемой, например TL431.
Работа схемы
При подаче напряжения на первичную обмотку трансформатора на его вторичной обмотке, коммутированной, как показано на схеме, появляется напряжение порядка 16 вольт. Это напряжение выпрямляется мостом VD1 и фильтруется конденсатором С1. В результате на стоке транзистора VT1 должно присутствовать напряжение, равное = 16В х 1,41 = 22,56В. Это без нагрузки. В это время начнет протекать ток заряда конденсатора С2 по цепи, +С1 > Анод светодиода оптрона U1 > Катод светодиода > R2 > C2 > Общий провод. Это цепь запуска схемы. Под действием этого тока засветится светодиод оптрона U1 и на его выходе, ножки 4 и 6, появится отпирающее для транзистора VT1, напряжение порядка восьми вольт. Транзистор откроется и запитает стабилизатор напряжения, на его выходе появится напряжение. Часть этого напряжения через резистор R2 приложится к светодиоду оптрона U2. Откроется фототранзистор и через его открытый переход коллектор-эмиттер и ограничительный резистор R5 катод светодиода оптрона U1 будет связан с общим проводом. Произойдет «защелкивание» схемы в рабочем состоянии.
При режиме КЗ цепь R6 и светодиод оптрона U2 обесточится. Закроется транзистор оптрона U2 и разорвет цепь питания светодиода U1. В этом режиме цепь запуска схемы тоже не будет играть ни какой роли, так как конденсатор С2 уже заряжен, а тока через резистор R3, будет недостаточно для того, чтобы ключ на транзисторе VT1 оставался включенным. Таким образом, ключ закроется, для перезапуска схемы достаточно выключить и снова включить питание блока. Так работает схема защиты от КЗ.
Резистор R1 необходим для разряда емкости затвор-исток транзистора для уменьшения времени его выключения. Через резистор R3 разряжается конденсатор запуска С2. Резистор R4 должен иметь такую величину, при которой ток через микросхему DA1 будет больше 1мА. Выходное напряжение стабилизатора можно регулировать резисторами R7 или R8.
Диодный мост и транзистор VT2 должны иметь теплоотводы на соответствующие мощности. Транзистор VT1 работает в ключевом режиме и в моем случае при токе 6А, на нем падало напряжение 0,013В. Сопротивление открытого канала транзистора, в моем случае составило 0,013 / 6 ≈ 0,002Ом. При таких условиях, на нем выделится всего 6А х 0,013В = 0,078 Вт.
Скачать статью.
Скачать “Блок-питания-для-светодиодной-ленты-своими-руками” Блок-питания-для-светодиодной-ленты-своими-руками.rar – Загружено 53 раза – 118 KB
Обсудить эту статью на — форуме «Радиоэлектроника, вопросы и ответы».
Просмотров:323
www.kondratev-v.ru
Блок питания для светодиодной ленты на 12В своими руками, схема подключения
Лента со светодиодами – светотехническое приспособление, предназначенное для подсветки-декора в доме, кафе, на рекламных щитах. LED-устройство сделано из пластика, на который прикрепляют светодиоды. Напряжение блоков питания для светодиодной ленты составляет 12В или 24В. Иногда используют трансформатор, предназначенный для компьютера. БП производят со встроенной защитой-автоматом, которая спасает от перегрузки сети и короткого замыкания.
Виды блоков питания

Источник, который позволяет отрегулировать сетевое напряжение для подсветки светодиодами, подразделяют на несколько типов:
- Компактный БП. Это устройство имеет маленькие размеры, немного весит, поэтому зачастую его используют для декора в жилых помещениях. Производится в водонепроницаемом корпусе. Основным минусом компактного трансформатора является невысокая мощность.
- Блок в герметичной коробке из алюминия. Представляет собой крупногабаритное устройство с большой массой. Его мощность может составлять больше 100 Ватт. Учитывая размеры БП, его часто применяют для декора на улице (устойчив к воздействию влаги, температурных перепадов).
- Открытый проводник. Может иметь разную мощность. Этот трансформатор выигрывает низкой стоимостью. Минусы: БП открытого типа очень громоздкий, тяжелый.
Блоки питания для светодиодной ленты бывают трансформаторными и импульсными:
- Трансформаторный БП снижает напряжение до 12 В со стандартных 220 В. При помощи специального фильтра осуществляется сглаживание пульсирующего напряжения. Главным преимуществом этого трансформатора считаются его элементарная конструкция и развязка от электрической сети переменного тока. Минусы: крупный размер, не справляется с перепадами напряжения.
- Импульсный блок тоже работает на трансформаторе. Отличается тем, что функционирует на высокой частоте, характеризуется небольшими габаритами и массой. БП этого типа подключается к электросети 220 Вольт, как и трансформаторное устройство. Недостатки: очень плохо переносит работу «вхолостую», перегрузы. Плюс его схема тяжело поддается ремонту.
Как подобрать блок питания для светодиодной ленты

Если для конструкции со светодиодами выбрать неправильный трансформатор, то это может привести к повреждению светотехники и даже стать причиной пожара. Зачастую можно отыскать котроллеры, производящие стабильные показатели напряжения, которые нельзя изменить. Это не влияет на параметры яркости светодиодов, а напротив, делает проще работу проводника. Мини-трансформатор должен быть настроен на показатели выбранной светодиодной ленты – во избежание проблем с напряжением.
Очень важно приобрести или сделать самостоятельно такой проводник, который будет совпадать со всеми условиями определенной схемы и грамотно использоваться. Как выбрать блок питания для светодиодной ленты? Для грамотного выбора нужно рассчитать:
- рабочее напряжение;
- входящую и выдаваемую мощность.
Как рассчитать мощность
При расчете мощности необходимо учитывать длину светодиодного устройства. Для выбора устройства с нужными показателями нужна информация о потреблении одного метра ленты. Рассмотрим на примере, как выполнить расчет мощности блока питания. Вы выбрали источник освещения типа SMD 5050 с 30 диодами, его длина составляет 5 м. Расчет:
- Показатели мощности для одного метра ленты умножаются на длину светотехники (5х7,2 = 36).
- Получается, что 5 метров будут «съедать» 36 Ватт.
- Следует помнить о том, что мощность трансформатора нужно выбирать с запасом. В приведенном примере лучше купить БП на 40 Ватт.
Как подключить
Подключить блок просто. Если декоративная подсветка будет устанавливаться в процессе возведения здания, то лучше подвести электропроводку максимально близко к месту, где будет размещена лента. Установите там розетку. Когда такая возможность отсутствует, стоит заранее приобрести кабель необходимой длины. БП должен быть оборудован штепселем, который будет подключаться к сети (если такого нет, то его изготавливают собственноручно).
Схема монтажа

Этапы подсоединения:
- Берем кабель нужной длины. Жила сечения – минимум 1,5 мм.
- С одной стороны кабеля устанавливаются провода, которые зачищают от изоляции на 3 мм, с другой – вилка для включения в электросеть.
- Провод коричневого цвета подключается к фазе (гнездо L), синий – к нулю (гнездо N).
- Концы кабеля надо закрепить при помощи винтов.
- Подключают проводник. Если планируется подсоединение нескольких лент сразу, то у него должна быть хорошая мощность.
Как сделать блок питания 12 вольт своими руками

Любой желающий самостоятельно сделает проводник, который пригодится для работы устройства со светодиодами. Чтобы сконструировать БП на 20 звеньев понадобятся:
- Блок на 12 Вольт, способный передавать электрический ток на 1 Ампер.
- Микросхема 7812 для радиатора.
- Диодный мост с наличием конденсатора.
- Подготовленные устройства соединяют по классической схеме. Осталось только подключить самодельный проводник. Детали БП при желании помещают в корпус от стандартного маленького трансформатора.
Видео: подключение светодиодной ленты к блокам питания
Подсоединить БП может каждый желающий. Главное – точно придерживаться инструкции. Благодаря видеоролику вы поймете, как правильно запитать светотехнику, какие действия выполняют для корректной и безопасной работы освещения. На видео подробно показан процесс подключения блока для светодиодной ленты. Видеоинструкция доступно разъяснит особенности каждого этапа работ.
sovets.net
cxema.org — Блок питания для светодиодов своими руками
Блок питания для светодиодов своими руками
Электронный трансформатор — самый дешевый импульсный блок питания, но как известно, все дешевое — мусор. Тут тоже действует этот закон, но на основе электронных трансформаторов можно собрать неплохой блок питания для запитки мощных светодиодов и светодиодных модулей. Я представлю цикл переделки электронного трансформатора, а в качестве подопытного буду использовать китайский электронный трансформатор для галогенных ламп 12 Вольт с мощностью 50 ватт. На самом деле 50 ватт — потребление от сети, а чистая выходная мощность не более 25-30 ватт, так и должно быть, поскольку КПД аналогичных схем не превышает 60%.
Схема из себя представляет обычный полумостовой инвертор, усилить схему, конечно можно, но об этом поговорим в другой раз.
Мы постараемся переделать блок питания и использовать для запитки светодиодов с мощностью 10 ватт.
Для начала нам нужно будет перемотать, точнее домотать импульсный трансформатор, поскольку оптимальное напряжение для указанных светодиодов составляет 11.5 Вольт, а под нагрузкой напряжение БП падает до 7 Вольт. В указанном блоке питания вторичная обмотка состоит из 9 витков провода 0,8мм, нам нужно отделить от платы (выпаять) один из выводов вторичной обмотки. Далее смотрим на вторичную обмотку и именно в том же направлении мотаем 4 витка того же провода. Разобрать трансформатор не нужно, также не нужно мотать максимально ровную обмотку, все ровно КПД от этого не увеличится.
После намотки, нужно очистить лак с кончиков провода, затем последовательно соединить новую и заводскую обмотку. Делается это так — кончик, который был выпаян с платы присоединяется с одним из концов новой обмотки, но нужно соблюдать концовку обмоток (фазировку), к примеру — начало оной обмотки к концу второй или наоборот. Таким образом, мы получаем одну целую обмотку, один из концов намотанной нами обмотки (свободный конец, оставшиеся после фазировки обмоток) запаивается на плату на место старого.
Получаем на выходе примерно 14 — 15 Вольт без нагрузки, с нагрузкой порядка 10,5-11 Вольт — то, что нам нужно.
Далее это напряжение нужно выпрямить. Чтобы не мучить себя, используем всего один диод (можно применять диоды шоттки от компьютерных блоков питания или любые импульсные диоды с током более 3 Ампер). После диода нужно хоть как-то сгладить пульсации, для этого можно использовать пленочный конденсатор с емкостью 0,22 — 1 мкФ. На выходе мы получаем выпрямленный ток, который нужно стабилизировать, поскольку при резких скачках сетевого напряжения, блок может спалить светодиод из-за резкого увеличения выходного напряжения.
Стабилизацию можно реализовать двумя способами — использованием интегрального стабилитрона, либо использовав самодельный линейный стабилизатор на транзисторе. В случае первого варианта можно использовать готовую микросхему из серии 7812 — интегральный линейный стабилизатор напряжения на 12 Вольт. Стабилизатор обязательно укрепляется на теплоотвод.
Второй вариант более надежный, тут использован стабилитрон и мощный силовой ключ, транзистор тоже устанавливают на теплоотвод. В качестве стабилитрона можно взять буквально любой стабилитрон на 11 — 12 Вольт, желательно с мощностью 1 ватт. Резистор подбирается на 1-2 ватт, может наблюдаться тепловыделение.
КПД такого БП не на высоком уровне, но как вариант, такой способ питания мощных светодиодов вполне рабочий и надежный.
С уважением — АКА КАСЬЯН
- < Назад
- Вперёд >
vip-cxema.org
особенности подключения, установка и отзывы
Осветительные приборы, предлагаемые производителем на российском рынке, довольно разнообразны. Они могут отличаться как по внешнему виду, так и по типу установленных в них излучателей. На сегодняшний день наибольшей популярностью пользуются устройства на LED-элементах. Однако проблема в том, что не все они способны работать без дополнительного оборудования. Сегодня речь пойдет о блоках питания светодиодных лент. Следует разобраться, какие виды подобных устройств встречаются, для чего они служат и как их выбрать.
Что собой представляет БП для светодиодной ленты
Подобное устройство используется для понижения напряжения сети и стабилизации тока. По сути, блок питания светодиодной ленты – это трансформатор, оборудованный выпрямителем и облаченный в защитный корпус, который может быть как простым, не имеющим защиты от влаги, так и герметичным. Помимо перечисленных элементов, блоки питания оборудуются конденсаторами, служащими для защиты от провалов и гасящими различные помехи. Чем его емкость будет больше, тем лучше для светодиодной ленты.

Индивидуальный блок питания подбирается по параметрам непосредственно под уже приобретенную LED-полосу либо одновременно с ней при наличии произведенных заранее расчетов. Многие считают, что покупка такого устройства – совершенно неоправданная трата финансовых средств, и изготавливают блок питания для светодиодной ленты своими руками. Сделать это несложно, в его качестве может выступить БП от старого компьютера. Главное, чтобы подошли все необходимые характеристики.
Типы блоков питания по выходному напряжению
Для организации освещения квартир и частных домов применяются 3 типа БП.
- Выходное напряжение 12 В – наиболее распространенные устройства, которые можно найти практически повсеместно. Поэтому в случае выхода из строя такого блока заменить его труда не составит.
- 24 В – такие устройства хотя и встречаются, но намного реже. По причине не слишком большого спроса в магазинах таких блоков обычно ограниченное количество. При необходимости приобретения нет никаких гарантий, что такой БП можно будет быстро найти, особенно в небольших городах.
- 36 В – сравнительно новое оборудование. На сегодняшний день спрос на такие блоки питания светодиодной ленты минимален. Это заставляет усомниться в том, что такие БП удержатся на рынке.

Подключение стабилизирующего устройства
Вопрос, как подключить светодиодную ленту к блоку питания, довольно прост, однако имеет некоторые нюансы. На корпусе БП указаны клеммы для подключения – здесь ошибиться будет очень сложно. А вот в длине полос и способах коммутации многие часто путаются.
Светодиодная лента, на которую подается питание, не должна быть длиннее 5 м. В противном случае токопроводящие дорожки могут не выдержать нагрузки и перегореть. Если требуется подключение большей длины полосы, можно добавить второй отрезок. Но подключение обязательно делается параллельным. При последовательном получится то же, что и монтаж целого отрезка в 10 м, а это недопустимо.
Сегодня в магазинах можно встретить бухты LED-полосы по 50 и 100 м. Подключается такая светодиодная лента без блока питания и предназначена для больших площадей. Чаще всего она облачена в силиконовый рукав для защиты от атмосферных осадков и довольно успешно используется в оформлении улиц, витрин и других объектов. Из следующего видео можно узнать подробнее о такой полосе.

Критерии выбора ИБП для LED-полосы
Перед покупкой блока питания необходимо тщательно просчитать нагрузку, потребляемую всеми светодиодами, которые планируется к нему подключить. Сложив мощность всех отрезков лент, нужно добавить 15-20 %. Если в продаже нет ИБП именно с такими параметрами, они округляются в большую сторону. Не стоит приобретать блок питания светодиодной ленты с характеристиками, сильно превышающими необходимые. Это приведет лишь к лишним затратам.
Важную роль играет место установки ИБП. Если планируется подсветка потолка, стен или мебели в спальне, прихожей, гостиной, то можно купить блок питания в незащищенном корпусе. А вот для санузла, ванной и даже кухни придется приобрести устройство с защитой от влаги. Обычный БП в этом случае не только долго не прослужит, а может быть даже опасен. Также нужно внимание на выходное напряжение: если лента рассчитана на 12 В, то блок питания на 24 В ее просто сожжет.

Что еще следует знать о LED-полосах и блоках питания
Такое оборудование может отличаться и по функционалу. Более дорогие блоки питания светодиодных лент оборудуются встроенными диммирующими устройствами. В этом случае на место штатного выключателя устанавливается система управления интенсивностью света. Возможны и варианты с ПДУ, что намного удобнее. При этом связь может осуществляться как по инфракрасному, так и по радиоканалу.
По компактности подобные устройства также отличаются. Размер блока питания будет зависеть от его мощности. Поэтому если планируется большое количество отрезков LED-полосы, не стоит ожидать, что ИБП будет миниатюрным.

Уличные LED-полосы и их использование
Без подобной иллюминации сейчас не обходится ни одна городская елка. Но дюралайт (светодиодная лента 220В без блока питания) используется не только для праздников. Подсветка рекламных щитов, витрин магазинов, надписи из бегущих огней – всего не перечислить.
Такие светодиодные ленты рассчитаны на эксплуатацию под дождем и снегом, как отмечается в многочисленных отзывах. Подключаются они напрямую к сети, однако для этого на входе имеется диодный мост. То, что такое подключение удобно, сомнений не вызывает у пользователей, но как раз в этом и состоит главная проблема (как это ни парадоксально). Диодный мост не в состоянии обеспечить защиту от скачков напряжения, которые могут привести к выходу LED-элементов из строя.

Отзывы
Судя по отзывам, многие домашние мастера оценили удобство и практичность монтажа подсветки светодиодной лентой. Главное здесь – не ошибиться в выборе индивидуального блока питания, а помочь в этом могут только точные расчеты. Но не стоит сбрасывать со счетов и фирму-производителя – китайский товар вряд ли будет долго радовать владельца бесперебойной работой. Лучше заплатить более высокую цену за бренд, проверенный временем, чем менять дешевые блоки питания с периодичностью раз в 2-3 месяца.
fb.ru
