Солнечная батарея своими руками для дачи – как сделать самодельную солнечную панель
Самодельная солнечная батарея из подручных материалов
Ни для кого не секрет, что солнечная энергетика набирает обороты с каждым днем. Одна проблема: из-за высокой стоимости модулей позволить себе пользоваться дарами солнца может не каждый, вот и выкручиваются умельцы как могут. Кто-то заказывает фотоэлементы через интернет-магазины и уже из них паяет солнечные панели, некоторые изготавливают батареи из светодиодов и транзисторов, а кому-то в голову приходят более интересные идеи, не требующие больших финансовых вложений.
Ведь мало, кто задумывается, что для того, чтобы солнце работало для Вас и Вашего дома, не нужно устанавливать дорогостоящую солнечную систему, нужно только внимательно посмотреть вокруг себя. Порой, самые обычные вещи, которые уже давно можно сдать в утиль, могут принести немалую помощь и сэкономить Вам кучу денег. Минимум финансовых затрат, немного усилий, и Ваши приборы начинают потреблять бесплатную энергию.
Тепло от алюминиевых банок
Вряд ли найдется хотя бы один человек, который никогда не пил из алюминиевых банок. И чаще всего мы их просто выкидываем, а ведь они могут стать отличным исходным материалом при изготовлении солнечной батареи для дома. Да, да, не удивляйтесь, это не выдумка, а вполне проверенный факт. Единственное уточнение, из алюминиевых банок вы сможете смастерить не батарею, а коллектор, то есть на выходе Вы получите не электрическую энергию, а тепловую, например, для обогрева дома, что тоже очень даже неплохо.
Делается подобная солнечная батарея очень просто. Все, что Вам понадобится это некоторое количество банок, рама и материал для остекления коллектора. Из деревянных брусков или картона собирается рама, которая заполняется банками. Для увеличения количества поглощенного тепла раму и банки рекомендуется покрасить в черный цвет. Сверху полученная конструкция накрывается стеклом, гофрированным поликарбонатом или пластиком. У каждого из этих материалов есть и плюсы, и минусы. Стекло является самым дорогим и хрупким, главный недостаток поликарбоната – небольшая ширина листа, всего 60 см, а пластик прослужит Вам не больше 3-х лет. Но при этом все они справляются с повышенными температурами и хорошо пропускают солнечный свет.
Каким бы странным Вам не казался этот метод изготовления батареи (коллектора) из алюминиевых банок, практика показывает, что он вполне действенный. При размещении на южной стороне дома такая самодельная батарея хорошо нагревается и может служить эффективным обогревательным прибором. А с ее сборкой справится и школьник.
Подробности изготовления солнечной панели из банок на видео:
Транзисторы – генераторы электричества
Самодельная солнечная батарея, которая на выходе будет генерировать не тепловую энергию (как в предыдущем разделе), а электрическую может быть собрана из обычных транзисторов. Конечно, для энергообеспечения всего дома такая самодельная батарея не подойдет, но запитать небольшие приборы или подзарядить мобильный телефон Вы точно сможете. Чем больше транзисторов Вы используете, тем более мощная солнечная батарея у Вас получится, это нужно учитывать.
Первое с чего нужно начать, это аккуратно спилить верхнюю часть элемента, чтобы солнечный свет беспрепятственно попадал на p-n переходы. Если Вы используете транзисторы типа П, необходимо высыпать порошок из его внутренней части. После этих приготовлений переходим непосредственно к процессу сборки. Последовательное соединение элементов используется для повышения напряжения, а параллельное – силы тока. В качестве подложки рекомендуется использовать текстолит или органическое стекло. Чтобы не повредить кристалл транзистора, паять выводы, подходящие к нему, лучше не стоит. Один транзистор обеспечивает силу тока от 0,1 до 3 мА, а блок, состоящий из 4-х транзисторов, – от 10 до 15 мА.
Светодиоды – свет во все дома
Самодельная солнечная панель из светодиодов – явление не новое, вот только изготовить ее можно лишь в качестве эксперимента, ведь, как показывает практика, вырабатываемое ею напряжение слишком мало, чтобы от него был толк. Более подробно о батареях из светодиодов мы уже писали в одной из предыдущих статей «Мастерим солнечную батарею из диодов», поэтому сильно углубляться в эту тему не будем. Заметим только, что для подобной панели подойдут светодиоды любого размера и цвета, но в зависимости от цвета светодиодов будет зависеть их светопропускная способность.
Значение пикового напряжения 1 светодиода равняется в среднем 2,5 В. Для увеличения выходных параметров элементы соединяются последовательно/параллельно, но для того, чтобы получить хорошие показатели количество светодиодов должно быть неограниченно большое. Одно уточнение: подобная батарея очень чувствительна к углу наклона относительно солнца, даже небольшое отклонение от прямого попадания лучей может снизить напряжение на выходе.
Фольга для батареи – в чем плюс?
Как мы выяснили из предыдущих разделов статьи, самодельная солнечная батарея может делаться из различных материалов, причем некоторые из них улучшают эффективность ее работы. Так, например, использование фольги для подложки позволяет увеличить отражающую способность. Один из вариантов – изготовление солнечного коллектора из самого простого шланга для полива, деревянной рамы и фольги. Подводим к шлангу 2 трубки, и солнечный водонагреватель для дачного дома готов.
Также фольгу можно использовать и при установке панелей, размещая их на поверхность фольги, Вы уменьшаете риск перегрева батареи, что способствует улучшению их эксплуатации и увеличению срока работоспособности. Напоследок один совет: не бойтесь экспериментировать, ведь когда-то те вещи, без которых сегодня мы не представляем своей жизни, людям казались фантастикой. Лишь эксперименты двигают науку вперед. И кто знает, может, Вы придумаете новый способ изготовления солнечной батареи своими руками.
Статью подготовила Абдуллина Регина
Диоды для солнечной панели: подробности на видео:
altenergiya.ru
устройство, необходимые элементы для сборки и принцип работы, фото, видео-инструкция как сделать солнечную батарею из подручных средств
Современная жизнь без телефонов, навигаторов, ноутбуков и других гаджетов уже немыслима. Все хорошо, если вы находитесь в городе, потому что все эти устройства обычно в процессе их эксплуатации разряжаются. Но что делать, если оно разрядилось далеко от плодов цивилизации, скажем, в лесу или на озере, где нет электропитания? Вариант один – купить солнечную батарею и носить ее с собой в походы и на пикник. Правда, стоит это устройство немалых денег, так что не всем по карману. Поэтому лучше всего это устройство изготовить самостоятельно, благо комплектующие сегодня в свободном доступе и в обычных магазинах, и в Интернете. Итак, будем разбираться с вопросом, как и из чего собирается солнечная батарея своими руками.
Солнечная батарея для зарядки телефонаКомплектующие
Что необходимо для того, чтобы собрать простейшую солнечную батарею?
- Во-первых, потребуются сами солнечные элементы, с помощью которых энергия нашего светила будет преобразовываться в электрическую. Производители предлагают различного рода элементы с разными размерами и разной мощностью. Чаще всего это устройства размерами 15×8 мм, такие небольшие пластинки. Чтобы собрать батарею мощностью 60 Вт, потребуется приблизительно около сорока приборчиков. Приплюсуйте сюда еще 10 штук про запас на случай излома. Солнечные элементы очень хрупкие.
Внимание! Выбирайте те солнечные элементы, в которые уже впаяны отводящие провода. Это облегчит и ускорит сам процесс сборки. Все дело в том, что пайка провода к элементу – операция мелкая и трудоемкая.

- Во-вторых, понадобится оргстекло. Для этого надо будет два листа: один снизу, который будет выполнять функции основы батареи. Его толщина должна быть 4-6 мм. Кстати, нижнее оргстекло можно заменить фанерой. Второй слой – верхний толщиною 2 мм.
- В-третьих, крепежные детали: самоклеящийся двусторонний скотч, металлические (алюминиевые) уголки, клей, болты с гайками для крепления двух оргстекол между собой.
- В-четвертых, дополнительные электрические детали: припой (лучше всего легкоплавкий), флюс, диоды и так далее.
Сборка батареи
На нижний лист оргстекла с помощью самоклеящегося скотча прикрепляются солнечные элементы. Их можно располагать в любой последовательности, но лучше, если они заполнять равномерно всю площадь будущей батареи. При этом расстояние между ними должно быть минимальным.
На готовую панель укладывается верхний лист оргстекла. Обратите внимание, что с помощью скотча можно регулировать зазор между солнечными элементами и верхним стеклом. Уложите его чуть больше (в два или три слоя по периметру), и зазор увеличится. Нет необходимости переусердствовать, зазор быть должен, но небольшой (1-3 мм).

После чего по всему периметру между стеклами наносится герметик, далее устанавливается алюминиевый уголок, который скрепляется болтами и гайками. Все, самодельная солнечная батарея почти готова, можно проводить испытание. В таком состоянии прибор должен выдавать напряжение 20-22 вольта (это без нагрузки), при нагрузке 16-18 вольт. При этом выделяется ток силой 3,0-3,5 А. можно подсчитать, и результат будет – 60 Вт, что и требовалось.
Дополнительные элементы (комплектующие)
Дополнением к конструкции будет диод шотки. Это специальный полупроводниковый элемент с малым падением напряжения, если производится прямое включение. Падение напряжения – это, по сути, потери, от которых необходимо избавиться, что и позволяет сделать установленный диод шотки. Он в первую очередь дает возможность заряжать аккумуляторы через солнечную батарею, во-вторых, в момент отсутствия самого солнца не дать аккумуляторам разрядиться. Все дело в обратном токе. Это очень важная комплектующая.
Чтобы дальше усовершенствовать весь прибор, можно добавить и еще некоторые устройства.

- Контроллер заряда аккумулятора. Он дает возможность сохранять электроэнергию определенное количество времени. К примеру, от 50 до 100 часов. Стоит этот прибор недешево, но если вы хотите, чтобы все устройство работало долго, то стоит раскошелиться.
- Инвертор. Это преобразователь напряжения, то есть, на выходе получится не 12 В, а 220 В. При этом мощность самой солнечной батареи может подняться до 100 Вт.
Как видите, усовершенствовать и сделать солнечную батарею своими руками не так уж и сложно. Тем более вся конструкция обойдется вам в разы дешевле, чем промышленный экземпляр. Плюс ко всему самодельная конструкция будет весить меньше, а, значит, в походе нагрузка на плечи от рюкзака снизится. Для сравнения, промышленный модуль ТСМ-60, вырабатывающий мощность 60 Вт, весит 6 кг. Самодельная конструкция около 4 кг.
Солнечные батареи на загородных участках
Конечно, с гаджетами все понятно, ситуаций, где используется их зарядка от солнечной батареи, большое количество. Но тут встает другой вопрос, а можно ли использовать эти устройства для нужд на дачах? К примеру, соорудить садовый светильник на солнечных батареях своими руками.
Как показывает практика, ничего невозможного нет. Правда, это устройство более сложное в плане сбора электрического тока. Поэтому для того чтобы светильник горел ночью, когда солнца нет, нужны аккумуляторы.
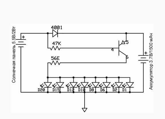
Комплектация светильника
Итак, потребуется:
- Аккумулятор емкостью 1500 мАч. Выходное напряжение на клеммах должно составлять 3,7 В. Такие аккумуляторы приобрести не проблема.
- Солнечная панель. Ее параметры: напряжение 5,5 В, ток 200 мА. Такая батарея зарядит аккумулятор часов за восемь.
- Несколько резисторов, транзистор, диоды. Их количество видно на рисунке ниже.

Все комплектующие в сборе поместятся на колпачок от обычного дезодоранта. Только схему из диодов, транзисторов и резисторов, а также аккумулятор, можно разместить внутри колпачка. Солнечную же панель размещают снаружи. Ее просто можно приклеить специальным термоклеем. Чтобы усилить отражающую способность всей конструкции, к колпачку надо приклеить обычный компакт-диск. По сути, сборка очень похожа на детский конструктор.
Такая батарея спокойно потянет светодиод мощностью до 3 Вт. А его хватит для одного дачного уличного светильника. Самое интересное, что на основе данной схемы сам светильник будет автоматически включаться с приходом темноты и отключаться ранним утром. Как видите, даже такие сложные солнечные батареи своими руками сделать не проблема.
Правда, практика показывает, что иногда солнечные батареи для дома или дачи на улицу горят с меньшей яркостью и вдруг затухают совсем. Это связано с низким сопротивлением схемы. Поэтому данная проблема решается просто. Необходимо в цепь врезать резистор сопротивления (последовательно) с номиналом 20-80 Ом. Специалисты рекомендуют выбирать резистор по току. Его показатель – 5 мА, что хватит с лихвой обеспечить электричеством светодиод в течение нескольких часов. Кстати, в этом случае можно использовать аккумулятор меньшей емкости.
Светодиодные светильники на солнечных батареяхЗаключение по теме
Итак, в этой статье мы постарались ответить на вопрос, как сделать солнечную батарею в домашних условиях? Были рассмотрены две схемы для зарядки гаджетов и для светодиодного светильника, который можно установить на улице в загородном доме. Есть ли необходимость все это создавать, если рынок заполнен промышленными изделиями. Все, как обычно, упирается в стоимость. А у промышленных образцов она достаточно высокая. Так что все дело, как обычно, в деньгах. Но не стоит сбрасывать со счетов и хобби. Это занимательное и очень увлекательное дело – собирать солнечную батарею в домашних условиях своими руками.
onlineelektrik.ru
Солнечные батареи своими руками: много способов, видео
Получение электричества из альтернативных источников питания весьма затратное занятие. Например, использование солнечной энергии при покупке готового оборудования придется потратить значительную сумму денег. Но в наше время возможно собрать солнечные батареи своими руками для дачи или частного дома из готовых фотоэлементов или других подручных материалов. И прежде, чем приступить к покупке необходимых компонентов и проектированию конструкции, необходимо понять, что такое солнечная батарея и ее принцип работы.
Солнечная батарея: что это и как работает
У людей, которые впервые сталкиваются с этой задачей, сразу возникают вопросы: «Как собрать солнечную батарею?» или «Как сделать солнечную батарею?». Но изучив устройство и принцип его работы, проблемы с реализацией данного проекта отпадают сами собой. Ведь конструкция и принцип действия просты и не должны вызвать затруднений при создании источника питания в домашних условиях.
Солнечная батарея (СБ) — это фотоэлектрические преобразователи энергии, излучаемой солнцем, в электрическую, которые соединены в виде массива элементов и заключены в защитную конструкцию. Преобразователи — полупроводниковые элементы из кремния для генерации постоянного тока. Они производятся трех видов:
- Монокристаллический;
- Поликристаллический;
- Аморфный (тонкопленочный).

Типы фотоэлементов
Принцип работы устройства основан на фотоэлектрическом эффекте. Солнечный свет, падая на фотоэлементы, выбивает свободные электроны с последних орбит каждого атома кремниевой пластины. Перемещение большого количества свободных электронов между электродами батареи вырабатывают постоянный ток. Далее, он преобразовывается в переменный ток для электрификации дома.

Принцип работы солнечной батареи
Выбор фотоэлементов
До начала проектных работ по созданию панели в домашних условиях нужно выбрать один из трех типов преобразователей солнечной энергии. Для выбора подходящих элементов нужно знать их технические характеристики:
- Монокристаллические. КПД этих пластин 12–14%. Однако, они чувствительны к количеству попадающего света. Небольшая облачность значительно снижает количество вырабатываемого электричества. Срок службы до 30 лет.
- Поликристаллические. Эти элементы способны выдавать КПД 7–9%. Но на них не влияет качество освещенности и они способны выдавать такое же количество тока в облачную и даже пасмурную погоду. Эксплуатационный период — 20 лет.
- Аморфные. Изготавливаются на основе гибкого кремния. Вырабатывают КПД около 10%. Количество производимого электричества не снижается из-за качества погоды. Но дорогое и сложное производство делает их труднодоступными.
Для изготовления СБ своими силами можно приобрести преобразователи типа В (второй сорт). К ним относятся элементы с небольшими дефектами, даже при замене некоторых компонентов себестоимость батарей будет в 2–3 раза меньше рыночной, благодаря этому сэкономите свои средства.
Для обеспечения частного дома электричеством от альтернативного источника энергии лучше всего подходят первые два типа пластин.
Выбор места и проектирование
Батареи лучше располагать по принципу: чем выше, тем лучше. Отличным местом будет крыша дома, на нее не попадает тень от деревьев или других построек. В случае, если конструкция перекрытий не позволяет выдержать вес установки, то место следует выбирать на участке дачи, который больше всего воспринимает излучение от солнца.
Собранные панели необходимо располагать под таким углом, чтобы солнечные лучи максимально перпендикулярно падали на кремниевые элементы. Идеальным вариантом установки солнечных батарей будет наличие возможности корректирования всей установки по направлению за солнцем.
Угол наклона СБ можно легко рассчитать исходя из географического месторасположения и уровня солнцестояния для данного участка.
Изготовление батареи своими руками
Обеспечить дом или дачу электричеством в 220 В от солнечной батареи вам не удастся, т.к. размеры такой батареи будут огромны. Одна пластина генерирует электрический ток с напряжением 0,5 В. Оптимальным вариантом считается СБ с номинальным напряжением 18 В. Исходя из этого рассчитывается необходимое количество фотоэлементов для устройства.
Сборка каркаса
В первую очередь самодельная солнечная батарея нуждается в защитной рамке (корпусе). Ее можно изготовить из алюминиевых уголков 30х30 мм или из деревянных брусков в домашних условиях. При использовании металлического профиля на одной из полок снимается напильником фаска под углом 45 градусов, а вторая полка отрезается под тем же углом. Отрезанные по нужным размерам с обработанными концами детали каркаса скручиваются при помощи угольников из того же материала. К готовой раме на силикон приклеивается защитное стекло.

Корпус из алюминиевого уголка
Спайка пластин
При спаивании элементов в домашних условиях нужно знать, что для увеличения напряжения необходимо соединять последовательно, а для увеличения силы тока — параллельно. Кремневые пластины выкладываются на стекло, оставляя между ними зазор 5 мм с каждой стороны. Этот промежуток необходим для погашения возможного температурного расширения элементов при нагреве. Преобразователи имеют две дорожки: с одной стороны «плюс», с другой — «минус». Все детали соединяются последовательно в единую цепь. Затем проводники с последних компонентов цепи выводятся на общую шину.
Для избегания саморазряда устройства в ночное время или облачную погоду специалисты рекомендуют предусмотреть монтаж диода Шоттки 31DQ03 или аналога на контакт от «средней» точки.
После окончания паяльных работ при помощи мультиметра необходимо проверить выходное напряжение, которое должно быть 18–19 В для полноценного обеспечения частного дома электроэнергией.

Сборка элементов батареи
Сборка панели
В готовый корпус укладываются спаянные преобразователи, потом в центр каждого кремневого элемента наносится силикон, и сверху накрывается подложкой из ДВП для их фиксации. После чего конструкция закрывается крышкой, и все стыки герметизируются герметиком или силиконом. Готовая панель монтируется на держатель или каркас.
Солнечные батареи из подручных материалов
Помимо сборки СБ из купленных фотоэлементов их можно собрать из подручных материалов, которые есть у любого радиолюбителя: транзисторов, диодов и фольги.
Батарея из транзисторов
Для этих целей наиболее подходящими деталями являются транзисторы типа КТ или П. Внутри них находится довольно большой кремневый полупроводниковый элемент, необходимый для производства электричества. Подобрав необходимое количество радиодеталей, с них необходимо срезать металлическую крышку. Для этого нужно зажать его в тесках и ножовкой по металлу аккуратно произвести срез верхней части. Внутри можно увидеть пластину, которая будет служить в качестве фотоэлемента.

Транзистор для батареи со спиленной крышечкой
Все эти детали имеют три контакта: база, эмиттер и коллектор. При сборке СБ нужно выбирать коллекторный переход в связи с наибольшей разностью потенциалов.
Сборка осуществляется на ровной плоскости из любого диэлектрического материала. Спаивать транзисторы нужно в отдельные последовательные цепочки, а эти цепочки, в свою очередь соединять параллельно.
Расчет готового источника тока можно производить из характеристик радиодеталей. Один транзистор выдает напряжение 0,35 В и силу тока при КЗ в 0,25 мкА.
Батарея из диодов
Солнечная батарея из диодов Д223Б действительно может стать источником электрического тока. Эти диоды имеют наибольший вольтаж и выполнены в стеклянном корпусе, покрытом краской. Напряжение на выходе готового изделия можно определить из расчета, что один диод на солнце генерирует 350 мВ.
- Необходимое количество радиодеталей складываем в емкость и заливаем ацетоном или другим растворителем и оставляем на несколько часов.
- Затем, необходимо взять пластину нужного размера из не металлического материала и выполнить разметку под впаивание компонентов источника питания.
- После размокания краску можно легко соскрести.
- Вооружившись мультиметром, на солнце или под лампочкой определяем плюсовой контакт и загибаем его. Диоды впаиваются вертикально, т.к. в таком положении кристалл лучше всего генерирует электричество из энергии солнца. Поэтому на выходе получим максимальное напряжение, которое будет генерировать солнечная батарея.

Распайка диодов
Батарея из фольги
Помимо описанных выше двух способов источник питания можно собрать из фольги. Самодельная солнечная батарея, сделанная согласно пошаговой инструкции, описанной ниже, сможет давать электроэнергию, хотя и очень малой мощности:
- Для самоделки понадобится медная фольга площадью 45 кв. см. Отрезанный кусок обрабатывается в мыльном растворе для удаления жира с поверхности. Так же желательно вымыть руки, чтобы не оставлять жировые пятна.
- Наждаком необходимо удалить защитную оксидную пленку и любой другой вид коррозии с плоскости отреза.
- На горелку электрической плитки мощностью не меньше 1,1 кВт ложится лист фольги и нагревается до образования красно-оранжевых пятен. При дальнейшем нагреве образовавшиеся окислы превращаются в оксид меди. Этому свидетельствует черный цвет поверхности куска.
- После образования оксида нагрев необходимо продолжать в течение 30 минут, чтобы образовалась оксидная пленка достаточной толщины.
- Прожарка останавливается, и лист остывает вместе с печкой. При медленном охлаждении медь и оксид остывают с разной скоростью, что способствует последнему легко отслоиться.
- Под проточной водой удаляются остатки оксида. При этом нельзя сгибать лист и механически отдирать мелкие кусочки, чтобы не повредить тонкий слой окиси.
- Вырезается второй лист по размерам первого.
- В пластиковый бутыль объемом 2–5 литров с обрезанным горлом нужно поместить два куска фольги. Закрепить их зажимами «крокодил». Располагать их надо, чтобы они не соединялись.
- К обработанному куску подводится минусовая клемма, а ко второму — плюсовая.
- В банку заливается солевой раствор. Его уровень должен быть ниже верхней кромки электродов на 2,5 см. Для приготовления смеси 2–4 столовые ложки соли (в зависимости от объема бутылки) растворяются в небольшом количестве воды.

Батарея из фольги
Все солнечные батареи не пригодны для обеспечения дачи или частного дома помещения электричеством в виду своей маломощности. Но они способны служить источником питания для радиоприемников или зарядки мелких электроприборов.
Видео по теме
vashumnyidom.ru
как сделать в домашних условиях, панель для дома, самодельная из подручных средств
Электричество – незаменимая часть нашей жизни. Но вместе с тем это дорогое удовольствие, которое наносит вред окружающей среде. Чтобы получать бесперебойное освещение, тепло и работу всех электрических приборов, весь мир использует солнечные батареи. Собрать конструкцию достаточно легко, можно самостоятельно справиться с поставленной задачей.
Принцип работы солнечного модуля своими руками
Многие начинают устанавливать на своих домах солнечные батареи, которые позволяют абсолютно бесплатно получать электроэнергию. Достаточно просто сделать солнечный модуль самостоятельно, потратив небольшую сумму на материалы. Но для начала необходимо разобраться, как работает панель из подручных материалов.
Схема солнечной батареи:
- Коллектор;
- Аккумулятор;
- Инвертор.
Коллектор представляет собой конструктор из небольших по размеры деталей. Работа устройства заключается в преображении солнечной энергии в поток электронов положительного и отрицательного заряда. Высокого напряжения ток типовые детали вырабатывать не в силе.
Нормой считается формирование одного элемента – 0,5 Вт. Солнечный коллектор должен крафтится ток напряжением в 18 Вт. Этой энергии хватит для зарядки аккумулятора мощностью 12 Вт. Для больших зарядов потребуется большая площадь модуля.
Аккумуляторы для солнечных батарей для дома или дачи обеспечивают нужно количество электрической энергии. Заряда одного модуля не хватит. Но многое зависит от приборов, которые работают от мощности солнечной панели.
Количество аккумуляторов со временем потребуется увеличить. Вместе с этим необходимо приобретать и коллекторы. Для одной системы можно взять больше 10 аккумуляторов.
Аккумуляторы и инверторы потребуется купить в специализированном магазине или на рынке. Но саму солнечную батарею можно соорудить из подручных материалов.
Принцип работы инвертора заключается в переработке добытого тока в электрическую энергию. При покупке устройства необходимо учитывать характеристику элемента. Мощность прибора должна составлять не менее 4кВт.
Сделать безопасный и практичный ветрогенератор можно самостоятельно. Что для этого необходимо узнавайте в следующем материале: https://homeli.ru/stroitelstvo-doma/inzhenernye-sistemy/elektrichestvo/vetrogenerator-svoimi-rukami
Монтаж солнечных батарей своими руками: расчетные работы
Раму для солнечных батарей можно сделать самостоятельно из подручных материалов, что поможет сэкономить. Но можно и приобрести готовый вариант. Для самостоятельно изготовления лучше всего использовать дюралюминий. Но можно специально подготовить и другой материал, который покрывается особенной защитой.
Для начала необходимо рассчитать размеры рамы. Необходимо взять необходимый заряд аккумулятора. Берем данное число за основу и разделяем на 0,5 Вт. Получается нужно количество элементов.
Для зарядного тока в 3,6 А потребуется соединить параллельно 3 цепочки. Для этого количество необходимых деталей умножается на 3 цепочки. Если умножить данный показатель на цену, то можно узнать стоимость панели.
Детали на солнечной панели необходимо соединять параллельно-последовательно. Стоит соблюдать равное количество элементов в каждой цепочке.
На деле полученный расчет будет меньше, так как солнце неравномерно светит на протяжении всего дня. Для полноценного заряда потребуется соединить вместе несколько панелей. Так получится 6 рядов элментов.
Необходимые инструменты для работы:
- Сварочный аппарат;
- Канифоль;
- Монтажный провод;
- Герметик на основе силикона;
- Двусторонний скотч.
Количество инструментов может меняться. Чтобы разместить все элементы на раме, потребуется модуль размером 90х50 см. Если в готовых рамах другие размеры, то можно провести иные расчеты.
Подбор и пайка солнечных элементов
Геопанель должна работать при температуре 70-90 градусов. Но контролировать данный показатель бывает непросто. Именно поэтому в раме потребуется проделать отверстия для вентиляции. Их диаметр приблизительно 10 мм. Элементы для батареи придется спаять самому.
Для приобретения набора элементов для пластин потребуется потратить определенную сумму. Но в итоге все равно выйдет дешевле, чем те варианты, что выпускает Мариуполь и другие заводы. Это кремниевые пластины, способные перерабатывать солнечную энергию в электричество. Для их производства используется поликристаллический кремний.
Пайка деталей включает такие этапы:
- Проводники необходимо нарезать согласно заготовкам;
- Элементы устанавливаются на нужных местах;
- На контакты наносят припой и кислоту;
- Дальше происходит фиксация проводников;
- Затем начинают паять.
Перед работой стоит учесть, что перевертывать сваренную конструкцию бывает непросто. Именно с этой целью сначала спаиваются элементы, а затем ряды. На крайних элементах делают шину на минус и плюс. Выводящая проводка оснащается изоляцией. Наружная сторона рамы оборудована клеммой.
Если возникают трудности при пайке, то можно обработать контакты нулевой наждачной бумагой.
Дальше необходимо прикрепить панели к основанию. Здесь пригодится силиконовый герметик. Силикон соединяет все элементы и провода с основанием.
После соединения элементов следует проверить их работоспособность. Для этого используют тестер. Оптимальные показатели прибора – 17-19 Вт. Данное мероприятие проводят несколько дней и только после этого переходят к герметизации.
На раму наносят герметик и монтируют оргстекло. Нужно выделить время, чтобы силикон высох. К раме оргстекло прикрепляется с помощью саморезов. Все швы также необходимо заполнить герметиком.
Сборка солнечной панели своими руками
После спайки собираем все элементы воедино. Для начала необходимо разобраться с инверторами. Они перерабатывают ток и меняют его напряжение.
Виды инверторов:
- Системные – дополнительный источник энергии. При создании энергии в комплексе с центральным источником электроэнергии, аккумуляторы совсем не потребуются.
- Гибридные – подходит в качестве основного источника, но от центральной подачи отказываться все равно не стоит. Такие инверторы способны не только перерабатывать энергию, но и накапливать ее.
- Автономные – используются без центрального энергоснабжения. Монтируется с необходимым количеством аккумуляторов.
Количество аккумулятор для дома придется рассчитать, исходя из требуемой мощности. Также играет роль количество панелей и высота их установки. Чем выше смонтировать солнечную батарею, тем лучше.
Для домашних нужд семьи необходимо 4 кВт.
К аккумулятору солнечная батарея подключается при помощи диода. Такое мероприятие не позволит батареи разрядиться за ночь. Для исключения перезарядки и закипания приборов приобретается контроллер заряда.
Солнечные батареи особенно пригодятся там, где часто отключают электроэнергию. Насколько они эффективны узнаете, прочитав нашу статью: https://homeli.ru/stroitelstvo-doma/inzhenernye-sistemy/elektrichestvo/solnechnye-batarei
Способ, как сделать солнечную батарею в домашних условиях
Чтобы сделать солнечную панель своими руками в домашних условиях, необходимо запастись нужными материалами. Потребуется медный лист, пластиковая бутылка без горлышка, кухонная соль, теплая вода и 2 зажима. Из инструментов пригодится тестер, электроплита и наждачная бумага.
Последовательная сборка солнечной батареи:
- Отрезаем кусок металла подходящего размера для размещения на спирали электрической плиты.
- На плите медь нагреется и почернеет. Спустя полчаса можно снять материал.
- Медь должна остыть. Материал начнет сжиматься и окись отслоится.
- После остывания меди, материал моет в теплой воде.
- Дальше начинается изготовление солнечной панели. Отрезаем еще одну медную пластину. Сжимаем 2 части и помещаем в бутылку. Медные части не должны контактировать между собой.
- Фиксируем материал с помощью зажимов.
- Подсоединяем провода к плюсам и минусам.
- В бутыль помещаем соленую воду. При этом жидкость не должна доставать к меди несколько сантиметров.
Такая простая конструкция способна работать даже без солнечной энергии. Но это достаточно простая панель. Подходит она для зарядки мобильника, не более. Проверить работоспособность модуля можно с помощью тестера.
Особой популярностью пользуется энергосберегающая система отопления дома. Подробности на сайте: https://homeli.ru/stroitelstvo-doma/inzhenernye-sistemy/kanalizatsiya/energosberegayushchie-sistemy
Солнечные батареи своими руками из подручных средств
Многие выполняют отличные солнечные модули из подручных средств. Для работы можно использовать жестяные банки. При этом материал таких бутылок – обязательно алюминий.
Как сделать солнечную батарею из пивных банок:
- Сначала необходимо подготовить материал. Для этого банки промываются. Дно следует пробить, чтобы отобрать тепло.
- Поверхности материала следует обезжирить.
- Банки склеиваются между собой.
Для каркаса солнечного модуля потребуется основание, деревянная рама и оргстекло. Подложка основы выполняется из фольги. Это усилит светоотражающую функцию основы.
Для солнечного модуля не рекомендуется использовать материал из-под пива, так как он был подвержен высокой коррозии и плохо сохраняет тепло.
Использование солнечной энергии в качестве источника электроэнергии несет экологическую безопасность. Использование подручных средств позволяет сэкономить на обустройстве солнечного модуля. От такого в выигрыше остаются все.
Сборка солнечных батарей своими руками (видео)
Изготовить солнечную батарею сможет каждый желающий. Для этого не требуется особых навыков и материалом. Самодельные приборы выполняют из подручных средств. Но, если делать серьезную панель, то придется приобрести аккумуляторы и инверторы.
homeli.ru
Солнечные батареи своими руками в домашних условиях + видео
Можно ли сделать солнечные батареи своими руками? Этот вопрос интересует многих людей, решивших использовать альтернативные энергоисточники. Да, вполне можно. Причем процесс этот, по сути, далеко не такой технологически сложный, как может показаться на первый взгляд. Главная сложность будет заключаться в пайке проводников к фотоячейкам, но и эту проблему можно решить с минимальными затратами.
Однако прежде, чем собирать солнечную батарею в домашних условиях, нужно приобрести все необходимые элементы. То есть собственно фотоячейки и материалы для изготовления корпуса (сам корпус и лицевое защитное стекло). Также понадобятся паяльник и припой.
Выбор фотоячеек
Фотоячейки можно использовать и поли-, и монокристаллические, все зависит от того, какие рабочие параметры должна будет «выдавать» батарея. Разумеется, их нужно рассчитать заранее. Приобрести фотоячейки можно на крупных интернет-порталах (Ebay, Amazon и т.д.) или же в специализированных магазинах. Причем в последнее время там все чаще продаются уже готовые наборы для солнечных панелей, включающие в себя подобранные по параметрам фотоячейки с уже припаянными к ним проводниками. Более того, для защиты от механических повреждений такие ячейки покрыты защитным ламинирующим составом.
Лучше всего воспользоваться именно таким набором, поскольку пайка проводников к ячейкам – процесс очень трудоемкий и без должного опыта вряд ли выполнимый. А кроме того, купленные «по отдельности» ячейки в ходе транспортировки нередко оказываются поврежденными.
Еще один немаловажный аспект – классификация фотоячеек. По своему качеству все ячейки для солнечных батарей делятся на 5 классов:
- A. Отборные элементы без малейших дефектов, способных снизить их производительность.
- B. Фотоэлементы «второго сорта» с незначительными царапинами или иными дефектами малых размеров.
- C. Элементы «третьего сорта» с ярко выраженными дефектами, сколами и трещинами.
- D. Брак ячеек. Треснутые, разломанные изделия, пригодные только для переработки.
Разумеется, выбирать нужно фотоячейки с маркировкой «Grade A». Именно они будут обладать максимальным КПД и позволят собрать для дома или для дачи наиболее эффективную солнечную батарею.
Схема же соединения ячеек представляет собой последовательное соединение. Число ячеек в цепи будет зависеть, опять же, от требуемого выходного напряжения. Чем больше ячеек, тем выше будет напряжение на выходе. Как правило, для дачи или для дома достаточно изготовить солнечную батарею из 36 ячеек. Их выходное напряжение составляет 12-18 В (в зависимости от исходных параметров ячеек), что как раз позволяет запитывать бытовую энергосберегающую нагрузку. Единственное условие – наличие в схеме запирающего диода (обычно – диода Шотке). Он необходим для предотвращения появления обратных токов при отсутствии солнечных лучей.

Лучше всего паять ячейки, заранее расположив их в нужном порядке на будущей лицевой поверхности солнечной батареи. Расстояние между ячейками надо выдерживать около 5 мм.
Корпус
Корпус солнечной батареи выполняет несколько важных функций. Прежде всего он защищает ячейки от механических повреждений, а электрические контакты – от влаги и пыли. Поэтому материал корпуса должен быть обязательно влагостойким. Отлично подойдут фанера и деревянные рейки, обработанные влагоотталкивающим составом. Можно воспользоваться и алюминиевыми уголками (для боковых граней).

Для защиты лицевой стороны корпуса лучше использовать специальное закаленное стекло. Кстати, некоторые фирмы продают специальные стекла для солнечных батарей. Они достаточно прочны, чтобы выдерживать воздействия погодно-атмосферных факторов и при этом обладают хорошими оптическими характеристиками. Можно использовать и простое оргстекло.
Сборка
Когда каркас батареи будет готов, а элементы – спаяны, начинается непосредственная сборка изделия. Фотоячейки должны быть расположены на лицевой поверхности солнечной батареи (если это не было сделано перед пайкой, то придется перекладывать уже соединенные ячейки).
Следующие этап – герметизация системы. Для этих целей в промышленности применяют специальные компаунды, изготовление же своими руками позволяет воспользоваться силиконовым герметиком. Сначала система фиксируется по краям, затем – в середине, и лишь после этого герметиком заливаются промежутки между ячейками. Перед герметизацией лучше еще раз проверить качество пайки и надежность соединений.
Последняя стадия – соединение лицевой части корпуса с каркасом и их надежное скрепление. Также необходимо установить специальную коммутационную коробку, к которой будут подсоединены выводные рабочие контакты фотоячеек. Кроме того, коробка имеет отдельные разъемы для дальнейшего подключения солнечной батареи в систему. Монтируется она на тыльную сторону корпуса. Нередко в комплекте с такой коробкой продаются и соединительные кабели для коммутации панели. Коробка герметична и надежно защищает все электроконтакты от погодно-атмосферных факторов.
«Химическая» солнечная батарея
Домашнюю фотопанель можно сделать не только из кремниевых пластин, но и из обычной листовой меди. Правда, полученная таким образом батарея, будет обладать гораздо меньшей производительностью — ее хватит лишь для получения совсем небольшого тока. Однако и себестоимость ее изготовления, и затраты времени в несколько раз ниже.
Итак, нам понадобятся:
- Два листа меди (размером примерно 15х15 см). Их можно найти и в хозяйственном магазине.
- Два зажима-«крокодила».
- Небольшой мультиметр или высокочувствительный амперметр (для фиксации токов 10-50 мкА).
- Обычная электрическая плитка (мощностью более 1000 Вт для получения нужного нагрева).
- Стеклянная банка (достаточно объема 2 л) или пластиковая бутыль с отрезанным горлом.
- Обычная вода.
- Поваренная соль (2 столовые ложки).
Также потребуются ножницы для нарезки меди и наждачная бумага или же металлическая щетка (для зачистки меди).
Изготовление
Сам процесс очень простой. В первую очередь необходимо отрезать два куска меди нужных размеров (чтобы они полностью помешались на ТЭНе или конфорке плитки). Затем тщательно промыть один лист с моющим средством, чтобы удалить все жировые загрязнения. Наждачной бумагой или щеткой лист очищается от возможного микрокорродирования или поверхностных сульфидов.
Затем лист нужно положить на плитку и включить ее на полную мощность. Медь начнет прогреваться и постепенно менять цвет с оттенков красного на черный. Это означает, что начала образовывать медная окись. Когда весь лист станет равномерно черным, можно начинать отсчет времени. Медь должна прокалиться еще полчаса. Это необходимо для того, чтобы образовался более толстый слой окиси. Впоследствии черный слой легко «отойдет», открыв многоцветный нижний слой. Именно он и потребуется для генерации энергии.

По истечении 30 минут плитку нужно отключить, оставив лист на конфорке. Медь должна остыть, причем очень медленно, иначе черная окись не отслоится. По мере остывания черный слой начнет «шелушиться», а так как окись и медь остывают с разными скоростями, то верхние хлопья начнут самостоятельно отскакивать от листа.
Примерно через 20 минут пластина остынет до комнатной температуры. Оставшиеся небольшие участки черной окиси надо аккуратно удалить под проточной водой. Ни в коем случае нельзя пользоваться губкой, моющими средствами и т.д., так как они повредят необходимый для фотореакции слой красно-фиолетовой меди.
Сборка
Собственно сборка не менее проста. Второй лист меди (он должен быть такого же размера) аккуратно сгибают по дуге и помещают в банку. Также поступают и с прокаленным листом. Пластины меди не должны касаться друг друга! Причем так как при прокаливании на верхней стороне листа образуется покрытие лучшего качества, то именно эта сторона и должна «смотреть наружу из банки».

Далее к пластинам подсоединяют «крокодилы». Провод от чистого листа подключают к «плюсу» измерительного прибора, от прокаленного – к «минусу». Затем соль растворяют в небольшом количестве обычной воды. Раствор выливают в банку, причем он должен отступать от края пластин примерно на 2 см (чтобы при перемещении банки не намочить контакты).
Все, солнечная батарея из меди готова! Правда, производительность ее минимальна, около 50 мкА на 0,25 В. Поэтому для бытовых практических целей она мало применима.
solarb.ru
видео-инструкция как выбрать своими руками, комплект, фото
Современный человек в сутки потребляет огромное количество электроэнергии, получаемой из невозобновляемых ископаемых ресурсов. И это как раз в то время, когда над нашими головами солнце ежедневно излучает миллиарды килоджоулей энергии, цена добычи которых равна нулю.
Именно поэтому сегодня все большую популярность набирают, так называемые, возобновляемые источники электроэнергии, в роли которых выступают экологически чистые и безопасные солнечные батареи. Именно такие устройства способны преобразовать энергию солнца в так необходимый нам электрический ток, который может быть использован потребителем в его ежедневных нуждах.

Система автономного энергоснабжения
Как работают такие устройства

Установка на крыше обеспечивает попадание прямых солнечных лучей
В представлении большинства обывателей солнечные батареи представляют собой устройство, способное накапливать энергию солнца. Но в реальности процесс преобразования солнечного света в эклектический ток намного сложнее (см.также статью «Освещение дачного участка: инструкция по использованию подручных материалов»).
Давайте попробуем рассмотреть более детально, из чего состоят солнечные батареи на дачу:
- Солнечный модуль – элемент конструкции, который способен преобразовывать солнечную энергию в электрический ток;
- Прерыватели или автоматы — обеспечивают безопасность при обслуживании такой батареи и компонентов системы энергоснабжения;
- Контролер заряда устройства – данный элемент конструкции несет ответственность за переключение между режимами зарядки и ожидания, что позволяет в разы увеличить срок службы аккумуляторов;
- Аккумуляторные батареи – выступают в роли накопителей электроэнергии, которую вырабатывают модули;
- Инвертор – элемент, который преобразовывает постоянный ток от солнечных модулей в переменный, который необходим для беспроблемного использования внутренней электросети строения;
- Автоматика – данный элемент может понадобиться в том случае, если солнечные батареи являются резервным источником питания.

Схема работы изделия
Обратите внимание! Именно автоматика позволяет переключать устройства, подключенные к электросети, на аварийную сеть, если произойдет отключение электроэнергии. А после того как подача тока возобновится, переключить резервную электросеть в режим ожидания.
Рассмотрев состав таких изделий, можно убедиться в том, что солнечные батареи — это не просто модуль для преобразования энергии солнца в электричество. Конечно, преобразователи играют важнейшее значение в таких конструкциях, но помимо них существует набор дополнительных элементов.
Виды солнечных батарей
В зависимости от вида используемого солнечного модуля различают несколько видов изделий данного типа:
- Монокристаллические кремниевые;
- Поликристаллические кремниевые;
- Тонкопленочные.
Обратите внимание! Главное различие солнечных модулей кроется в типе основного вещества, используемого при их изготовлении.
Монокристаллические модули
Изготовление таких элементов ведется из кристаллов кремния высокого качества, поэтому они считаются наиболее эффективными.
Обратите внимание! Кристаллы для таких устройств выращиваются в промышленных условиях. Инструкция по их наращиванию была разработана ученым Чохральским.
- Мощность такого модуля составляет 30 Вт. Конструкция данных элементов является более компактной благодаря большей их производительности, но такие изделия являются очень капризными к условиям производства их монтажа.
- Для того чтобы успешно пользоваться системой, состоящей из подобных устройств, вам придется хорошенько потратиться, потому что расчет среднего КПД должен учитывать запас на ночной простой системы, а также на пасмурные дни.
- Но если такая система электропитания является не основной, а резервной, тогда и расчеты будут несколько иными, а соответственно и затраты.
Поликристаллические модули
Устройства такого типа являются более дешевыми, т. к. для их изготовления применяются материалы более низкого качества. Производительность таких модулей равна 12-15%, тогда как у монокристаллических модулей производительность достигает 20%.
Тонкопленочные модули
Такие элементы конструкции изготавливаются из аморфного кремния или иных видов металлов, наделенных необходимыми примесями. По сравнению с выше представленными вариантами, данный является самым дешевым и малопроизводительным. КПД такой системы составит всего 10-12%.
К преимуществам тонкопленочных конструкций можно отнести:
- Небольшая масса;
- Простота и легкость монтажа ввиду не привередливости изделия;
- Гибкость.
К недостаткам можно отнести:
- Малая производительность;
- Малый срок эксплуатации.
Обратите внимание! Такие тонколистовые модули благодаря своей гибкости и малому весу больше подходят для установки на крыше автомобиля или небольшой лодки.

На фото – процесс установки
Если устанавливается солнечная батарея для дачи своими руками, тогда непременно следует учесть особенности места расположения объекта. Высокой эффективности вы сможете добиться, только если солнечные лучи будут попадать прямо на модули.
Совет. Для достижения наилучшей эффективности следует устанавливать изделия под углом в 40-45 градусов, таким образом, чтобы они ориентировались на юг.
Преимущества использования энергии солнца

Чем больше, тем лучше
Комплект солнечных батарей для дачи — это система, наделенная рядом положительных качеств:
- Установив такие изделия, дачники обретают возможность пользоваться автономной системой энергоснабжения, которая сможет покрыть все нужды и при этом не будет требовать дорогостоящего обслуживания;
- Вы сможете получать экологически чистую энергию от неисчерпаемого источника;
- Система абсолютно бесшумна;
- Система обладает высоким уровнем безопасности для жизни и здоровья;
- Качественные батареи прослужат вам очень долго;
- Для установки таких изделий на загородных и частных домах вам не понадобится никаких разрешений;
- Монтаж достаточно прост и вполне под силу хозяевам.
Минусы использования энергии солнца

Обустройство системы снабжения электроэнергией
К недостаткам систем такого типа можно отнести:
- Разовое капиталовложение, которое способно серьезно ударить по кошельку;
- В регионах с малым количеством солнечных дней такая система будет неэффективна;
- С течением времени производительность системы будет снижаться примерно на 1,5-2% за 12 месяцев.
Выбираем батареи для собственной дачи
Как выбрать устройства таким образом, чтобы вложить деньги с умом?
Для этого вам в первую очередь необходимо определиться с целью, которую вы преследуете.
- Если вы стремитесь создать на дачном участке дополнительный или резервный источник электроэнергии на случаи не долгосрочного отключения центральной сети, тогда солнечные батареи — это далеко не лучший вариант вложения средств.
- Но если такие отключения бывают довольно часто и длятся несколько дней, тогда подобное решение будет вполне оправданным.
Кому нужна энергия солнца
Солнечные батареи действительно необходимы следующим группам дачников:
- Людям, решившим полностью перейти на автономную систему подачи электроэнергии, являющейся экологически чистым продуктом;
- Людям, которые постоянно наблюдают отключения системы энергоснабжения и в тех случаях, когда подобные отключения становятся затяжными;
- Всем, кто принял решение снизить собственные расходы на электроэнергию;
- Если к участку нет подвода электроэнергии вовсе.
Выбирая батареи, за основу необходимо брать не максимальную или пиковую нагрузку, а среднюю. А также следует учитывать такой показатель, как энергопотребление в час.
Зная значения данных величин, специалисты рассчитывают оптимальную емкость используемых аккумуляторов, необходимую производительность модулей и предложат вам комплект солнечной батареи для дачи с оптимальными для вас параметрами.

Гибкое изделие
Обратите внимание! Энергосистема, основанная на солнечных батареях, в загородных домах или дачах пока не требует никаких разрешений и утверждения документации. Но если ваша дача расположена в черте города, тогда вам понадобится разрешение Министерства Энергетики России для установки такого рода устройств.
В заключение

Изделия различного размера
Подводя итог, можно сделать вывод о том, что оптимальным решением для тех, кто решил обустроить на собственной даче автономную систему электроснабжения, путем использования солнечных батарей, могут стать изделия на основе из монокристаллических солнечных модулей (читайте также статью «Электростанция для дачи — источник энергии для частного домовладения: разновидности и рекомендации»).
Единожды потратившись на такую систему, вы сможете стать потребителем экологически чистой электрической энергии, получаемой из практически неисчерпаемого источника. А видео в этой статье позволит вам еще больше узнать о том, какими бывают и как лучше устанавливать солнечные батареи на своем загородном участке.
Добавить в избранное Версия для печатиОтличная статья 0
9dach.ru
Как сделать солнечную батарею своими руками (фото, видео)
Использование альтернативных источников получения энергии на сегодня набирает все больше популярности в обществе. Добывание солнечной энергии совершенно бесплатно и доступно всем. И если экология и экономия являются для вас сопутствующими показателями для жизни, то вниманию предлагается статья, как своими руками сделать солнечную батарею.
ОГЛАВЛЕНИЕ
- Принцип работы
- Расчеты и подготовка
- Панель без затрат в домашних условиях
- Солнечная панель из простых алюминиевых банок
Принцип работы
Стоит согласиться, что получать совершенно бесплатно электроэнергию, не просто мечта, а реальность. Приблизиться к мечте в виде электрификации частного дома посредством использования альтернативного источника получения энергии очень просто. Нужно предпринять всего лишь несколько действий, затраты на которые не превысят недельной прибыли семьи.
Но прежде, как сделается установка, стоит узнать, как работает самостоятельно созданная солнечная батарея из подручных материалов. Какие главные элементы конструкции, как взаимодействуют между собой и для чего они предназначены. По сути, устройство состоит всего из трех необходимых элементов:
- Солнечный коллектор.
Конструктор, состоящий из небольших относительно размеров элементов. Задача солнечной батареи преобразовать световой эффект в поток электронов положительно и отрицательно заряженных. Электрический ток большого показателя напряжения типовые элементы вырабатывать не в состоянии.
Нормальный показатель генерирования одного элемента – 0.5В. Задача солнечного коллектора выработать электрический ток напряжением в 18В. Данного показателя вполне достаточно для зарядки 12В аккумуляторной батареи. Так что о генерировании показателя напряжения 220В говорить не приходится. Электростанция типового показателя выработки энергии будет занимать огромный объем площади.
- Аккумуляторы.
Данные элементы в конструкции используются для обеспечения частного дома либо дачи необходимым количеством электроэнергии. Заряда одной батареи надолго не хватит. Но все зависит от мощности и количества подключенных источников потребления электрической энергии.
По мере необходимости, количество аккумуляторов со временем допустимо увеличивать. При этом единовременно необходимо дополнять систему солнечными коллекторами. В одной действующей системе может использоваться более 10-ти аккумуляторов.
- Инверторное устройство.
Инверторы в домашних условиях преобразовывают добытый ток низкого напряжения в электрическую энергию высокого показателя напряжения. Типовое устройство можно отыскать в свободной продаже. При этом, стоит обращать внимание на характеристики приобретаемого инвертора: выходная мощность устройства не должна быть меньше 4кВт. Данной мощности хватит для энергоснабжения дачи либо загородного дома.
Аккумуляторы и инвертор рекомендовано приобретать – они доступны в продаже. А вот солнечную батарею реально собрать из подручных материалов в домашних условиях.
Расчеты и подготовка
Прежде, как изготовить своими руками солнечную батарею , стоит определиться с необходимыми параметрами. Рекомендовано определить величину нагрузки, рассчитываемую на источники будущего потребления энергии. Зачастую известны два параметра:
- какой показатель напряжения нужен для определенного потребителя электроэнергии;
- какой величины ток необходимо обеспечить при этом.
загрузка…
Произведение двух известных параметров и выказывает потребляемый объем нагрузки мощности.
Рекомендуют в цепочке использовать для начала аккумулятор, заряжаемый от солнечной батареи. Затем от заряженного аккумулятора поставляют энергию к потребителю.
Изготавливается самодельная солнечная батарея из специальных элементов, заряжающихся от светового воздействия. Типовые элементы установлены во многих калькуляторах. Допустимо отдельно приобрести новые солнечные составляющие, но стоимость будет равна готовой батареи в сборе. Можно отыскать работоспособные использованные составные фотоэлементы на многих аукционах, ибо «с рук».
Солнечные элементы воссоединяются между собой проводниками следующим образом:
- выкладываются ячейки на ровной поверхности;
- проводник аккуратно укладывается на ячейки;
- на место будущего сращивания проводника и элемента наносится припой и паяльная кислота;
- далее проводник аккуратно припаивается без нажима.
Корпус для спаянных фотоэлементов с проводниками для частного использования может изготавливаться из стекла (оргстекла) в раме из фанеры, деревянных брусков и ДВП:
- Из предварительно расчерченной фанеры, вырезается днище и обрамляется по периметру подготовленными брусками сечением до 25мм. Для естественной вентиляции во избежание перегрева элементов в работе в брусках насверливаются отверстия d-10мм (шаг до 20см).
- Из ДВП — подложка для фотоэлементов так же снабжается насверленными отверстиями для вентиляции.
- Крышка корпуса вырезается из оргстекла и закрепляется на поверхности саморезами.
Панель без затрат в домашних условиях
Солнечную панель можно изготовить в домашних условиях без приобретения фотоэлементов. Самодельная солнечная батарея из диодов либо транзисторов, конечно, не обеспечит энергией все потребности дома. Тем не менее, батарея из транзисторов с легкость сможет обеспечить бесперебойную работу мелкой домашней электроники.
В домашних условиях можно собрать устройство можно из старых транзисторов типа «П» либо «КТ». В начале аккуратно спиливается верхняя часть транзисторов для свободного попадания света на р-n-переход. Верхняя часть транзистора типа «П» продувается после высыпанного порошка. Для использования фотоэлементов необходимо воссоединить ячейки в блоки (параллельное соединение). Крепление ячеек транзисторов воспроизводится посредством навесного закрепления на текстолитовой подложке.
Диоды (типа Д223Б) не стоит разбирать. Со стеклянной поверхности корпуса снимается (ацетоном) краска. Впаиваются диоды в подложку в вертикальном расположении, что придает больший эффект площади освещенности элемента.
Солнечная панель из простых алюминиевых банок
Невероятно практичная конструкция гелионагревателей создается из пивных или банок из под газировки. Стоит всего лишь набрать необходимое количество пустых алюминиевых банок.
Лучше не использовать жестяные пивные банки. Материал сильно подвержен коррозии и наделен низким показателем теплообмена.
Сборка банок в единую систему выглядит следующим образом:
- Подготовка банок. Каждая банка промывается, дно пивных банок пробивается для потока воздуха в целях сбора тепла.
- Производится обезжиривание поверхности банок.
- Подготовленные банки склеиваются друг на друга, как конструктор.
Каркас под теплообменник нужно изготовить из основы, деревянной рамы и оргстекла для лицевой отделки. Подложку основы лучше сделать из фольги. Ведь, как известно, установка подложки из фольги повышает светоотражающие качества основы.
Аккумулирование природного солнечного света является полезным действом, что касается экологии. К тому же производство солнечного света совершенно бесплатно и доступно на любом открытом участке дачи. И к тому же, такая приятная экономия денежных средств вас приятно удивит.
electricvdele.ru
