Трехходовой термостатический смесительный клапан для котла – виды, термостатический смесительный клапан для котла, термосмесительный клапан, подключение
виды, термостатический смесительный клапан для котла, термосмесительный клапан, подключение
Содержание:
В современных системах обогрева помещений, работающих на твёрдом топливе, есть возможность установки трёхходового клапана для твердотопливного котла, который помогает регулировать режим температуры теплоносителя, идущего к батареям. Это актуально ещё и в связи с тем, что в системах, которые работают на твёрдом топливе, существует такая проблема, как резкие перегревы и закипание жидкости, выполняющей роль теплоносителя. Не всегда есть возможность проконтролировать этот процесс, поэтому установка такого оборудования ещё и выполняет роль системы безопасности.

Как работает клапан и для чего он нужен
Стремление к экономии энергоресурсов приводит к созданию всё новых видов оборудования, которое позволяет решать эту задачу. По своей конструкции трёхходовые клапаны объединяют в себе пару двухходовых устройств. Однако они не перекрывают течение теплоносителя, а выполняют функцию регулировки интенсивности водного потока для достижения нужного температурного режима.
Важно. Трехходовой клапан дает возможность, не меняя площадь радиаторов, обеспечивать помещение необходимым количеством тепла, исключительно в границах мощностных характеристик отопительной системы.

У трехходового клапана бывают внешне различные конфигурации и разные типы приводов, но задача одна: смешать два потока воды разной температуры в один поток с установленным температурным уровнем. Жидкость при этом будет перемещаться от одного патрубка к другому, пока температура не дойдёт до необходимой величины. После этого привод будет поэтапно впускать теплоноситель из третьего патрубка для поддержания температуры требуемого температурного уровня. Поэтому и называют его «трёхходовой клапан», так как все действия происходят в три шага.
Главное назначение трехходового смесительного клапана для котла — стабильное поддержание в помещении комфортного теплового баланса. При этом такая задача решается не путём уменьшения температуры теплоносителя, а путём изменения количества жидкости. Это особенно актуально в случаях, когда температуру теплоносителя другим путём понизить невозможно. Несмотря на то, что устройство выполняет такую сложную задачу, по своей конструкции оно достаточно простое.
Конструктивные отличия устройства
По конструктивным отличиям трёхходовые клапаны делятся на следующие виды:
- Смесительный клапан с регулированием штока вверх и вниз («шток-седло»). Шток перемещается с помощью электромеханического привода. По сути, здесь речь идёт о предельной автоматизации работы и регулировки системы. Смесительный клапан предназначен для соединения водных потоков и терморегуляции. Для входящих потоков, у которых различная температура, предусмотрено два входа, и один выход. Эти клапаны часто применяют и при монтаже тёплых полов, чтобы не допустить перегрев системы.
- Второй вид — это разделительный клапан, работающий по системе «шарик-гнездо». Местоположение шарика изменяется благодаря его вращению. Этот клапан используют, если теплоноситель требуется подавать сразу в несколько направлений. По сути, он представляет собой смеситель, формирующий водный поток необходимой температуры. Устройство обладает хорошей износостойкостью, так как предназначено выдерживать резкие перепады температур жидкости. Классифицируют его в качестве запорной арматуры. В домовладениях, где воду расходуют в небольшом объёме, он может применяться и как обычный смеситель.

По форме клапан похож на обычный тройник. Однако функциональные возможности у него совершенно иные. Клапан трехходовой используют и в качестве смесителя, а так же распределителя воздуха или горячей воды.
Какие виды трехходовых клапанов используются
Термостатический смесительный клапан для котла оснащён двумя патрубками для входа и одним для выхода. Типы приводов, посредством которых распределяется жидкость, бывают следующими:
- пневматическими;
- гидравлическими;
- ручными;
- электромеханическими.

Электромеханические, в свою очередь, бывают следующих видов:
- термостатические;
- головчатые.
Термостатический тип приводов обычно используют в быту. Под воздействием высокой температуры чувствительный элемент расширяется, давит на шток устройства и открывает его. Таким образом смешиваются холодная и прогретая жидкости. Термостатическая головка оснащена температурным выносным датчиком, который устанавливают вместо термостата.

Важно. Наиболее удобным, простым и точным способом регулировки потока теплоносителя считается термостатический привод, который не использует электроэнергию.
Устройства с электроприводом принимают сигналы для смешивания жидкости с управляющего блока. Клапаны с сервоприводами — это упрощённые варианты моделей с контролёрами, где управление клапаном происходит напрямую.
Если привод у трехходового термосмесительного клапана для котла головчатый, то кран управляется посредством нажима головки на шток. Этот тип с успехом применяют в напольных системах отопления. Ручной привод приводится в действие путём вращения колпачка, который поставлен на вентиль.
Важно. Если приобрести трехходовой термостатический клапан для котла, к которому можно подключить сервопривод, то авторежим особенно пригодится при системе водяного тёплого пола.
Как выбирать термостатический смесительный клапан
Термостатический смесительный клапан для твердотопливных котлов следует подбирать по параметрам, которые имеют отношение как регулирующей арматуре, так и к характеристикам конкретного отопительного котла:
- По материалу изготовления. Это чрезвычайно важный критерий выбора, влияющий на технические и эксплуатационные характеристики устройства. Лучшим считается медный или чугунный клапан.
- По объёму потребления теплоносителя. Этот показатель можно узнать из техпаспорта к котлу или из проектной документации к отопительной системе. Расход теплоносителя следует обязательно знать, чтобы соотнести его с пропускной возможностью клапана.
- Трехходовой термостатический клапан для твердотопливного котла выбирают, исходя из модификации привода и схемы обвязки. В упрощённом варианте схема следующая: клапан подаёт теплоноситель с третьего патрубка на первый. Как только жидкость в котле нагреется до необходимой температуры, из второго патрубка выйдет поток не прогретого теплоносителя. По сути, произойдёт обмен, когда холодная жидкость из бака теплового аккумулятора сменяется на горячую. Если на кране стоит контролёр, то обвязка более сложная. Здесь понадобится двухконтурный и двухприводный смесители. Первый (термостатический) ставят рядом с источником тепла. Второй привод электрический и управляется контролёром, подающим сигналы от датчика. Термостатический клапан для твердотопливных котлов держит заданную температуру воды.
Важно. Выбор привода это чрезвычайно важная составляющая при приобретении термосмесительного клапана для твердотопливного котла. Ручные гораздо дешевле, более надёжные, но менее функциональны, электрические ломаются быстрее и стоят значительно дороже, но задачу решают кардинально.
- Важнейшим рабочим параметром трехходового смесительного клапана для твердотопливного котла является предельно допустимая температура теплоносителя. Она должна быть от 35 до 60 градусов. Если речь идёт о клапанах для горячего водоснажбения или о полах с водяным подогревом, там требования к устройствам с термостатическим приводом иные, так как температура доходит до 90 градусов.
- При приобретении клапана нужно учитывать размеры внутреннего и наружного диаметров для подсоединения к отопительной системе. В том случае, когда не удаётся найти нужный размер, можно использовать для решения проблемы обычный переходник.
Требования к эксплуатации
При подключении трехходового клапана к котлу, который работает на твёрдом топливе, нужно строго соблюдать правила эксплуатации системы:
- Периодически проводить тщательный осмотр системы, чтобы убедиться в его стабильной работе.
- Не допускать применения оборудования не по его назначению.
- Всё оборудование для отопительной системы должно соответствовать техническим возможностям отопительного котла.
- Нельзя устанавливать запорную арматуру между расширительным баком и системой отопления.
- Чтобы котёл соответствовал правилам по безопасному использованию, отопительная система оснащается краном аварийного сброса, который экстренно срабатывает, когда необходимо понизить давление в отопительной системе.
- Для простоты монтажа, направление движения теплоносителя с трехходовым термосмесительным либо распределительным клапаном, изображено на корпусе устройства стрелками либо буквами. Ставить устройство в отопительную систему следует только по указанным направлениям. Несоблюдение этого правила может стать причиной поломке всей системы и даже взрыву котла.
Монтаж трёхходового термостатического смесительного клапана для твердотопливного котла делают и в случае одновременного подключения нескольких контуров отопления с различными температурными показателями.

Все перечисленные требования необходимо неукоснительно соблюдать, чтобы увеличить срок службы всего оборудования отопительной системы и обеспечить безопасную и эффективную работу.
Трехходовой клапан для твердотопливного котла
Твердотопливный котел довольно сложно устроен, имеет множество разных деталей, узлов. Клапан отвечает за функции смесителя для регулирования температуры теплоносителей, за счет которых воздух в трубах нагревается равномерно и быстро. Без крана невозможен равномерный нагрев, температура в комнатах будет сильно разниться.

Трехходовой клапан подходит для всех типов котлов к газовым и твердотопливным моделям. Отличаться кран может только по размерам, по конфигурации, независимо от марки он стандартен.
Теплоносителем служит водопроводная вода, всегда имеется в наличии, при эксплуатации не возникает серьезных проблем. Материалом клапана является нержавейка, либо бронза. Изделие может быть полимерным, но пока не нашло своего массового распространения.
Кран имеет 3 отверстия: одно входное и два на выходе, внутри находится привод, регулирующий поступление потоков для достижения оптимальной температуры.
Принцип действия устройства в любых моделях стандартен — смешивается холодная вода с горячей до нужной температуры, вода следует от патрубка к патрубку до тех пор, пока ее температура не будет соответствовать заданным параметрам. Далее, привод открывает поток из третьего патрубка, вода, в котором уже течет нагретая.
Работает он автономно, не нуждается в участии человека, от него требуется только проверять его работу.

Плюсы устройства:
- Долговечен.
- Прост в установке.
- Функционален.
- Практичен.
- Регулируем.
Среди недостатков отмечается:
- Непредназначенность клапана к грязным средам.
- Высокая стоимость устройства.
Типы приводов и критерии выбора
Автоматический клапан с электрическим приводомПо типу привода модели бывают:
- Механическими, установка разделителя производится вручную. Чтобы контролировать показатели температуры, на каждую входящую трубу устанавливается термометр.
- Автоматическими, движение мембраны зависит от температуры и осуществляется самостоятельно.
Привод может быть:
- Термостатическим, при котором чувствительный элемент под воздействием температуры расширяется, начинает давить на шток клапана, смешивая холодные потоки с горячими.
- Электрическим, при котором сигналы подаются с блока управления.
- Головчатым, управление краном происходит за счет нажатия головки на приводной шток, привод применим при монтаже напольной обогревательной системы.
При выборе трехходового клапана, главное – тип привода. Ручное управление приводом стоит дешевле, но и функций мало. Электрические модели дорогие, быстро ломаются, но их многофункциональность не оставляет равнодушными большинство потребителей. Бронзовый латунный материал для крана долговечный, но и дорогой.
Оптимальный вариант – чугун, медь.
При выборе учитывается:
- Расход носителя.
- Схема обвязки.
- Рабочие параметры.
Расход и температура должны быть указаны в проектной документации, при ее отсутствии, оптимальная температура нагрева воды указывается в паспорте, обычно составляет не выше 50 гр. Расход учитывается при подборе клапана по пропускной его способности.
Тип привода должен соответствовать схеме обвязки. Более простая схема у термостатического клапана, при котором вода циркулирует через третий патрубок к первому, котел нагревает ее, только после этого начинает прогреваться теплоноситель. Нагревшись до нужной температуры, из трех возможных, кран открывает из второго патрубка потоки с холодной водой, происходит замещение, холодная вода уходит, горячая вода поступает в бак с тепловым аккумулятором.
Схема обвязки сложнее, при установленном на кране внешнем контроллере. В данном случае, потребуются смесители двухприводные и двухконтурные. Первый контур устанавливается рядом с источником тепла и является термостатическим. Второй привод – электрический, управляется контроллером путем подачи сигналов датчика, кран поддерживает температуру теплоносителя.
Важным критерием при выборе устройства является диапазон выставленных температур, изделия, как правило, в данном случае имеют термостатический привод в обвязках котлов ГВС, системах теплого пола. Диапазон кранов зависит от предназначения изделий, составляет 20- 43 грамм, 35-60 грамм и выше. Советуется придерживаться второго варианта при покупке.
Монтируя обвязку, стоит поинтересоваться, как проверяется кран. Если изделие новое, проверить его не трудно, устанавливается минимальная температура в диапазоне в третий патрубок, заливается горячая вода. Через 15 — 20 минут патрубок должен перекрыть кран.
Проверить устройство в уже установленной системе можно, измерив температуру воды при входе в котел, то есть на обратной стороне трубопровода значение должно быть таким же, как и на термостате.
Схема обвязки:

Подключение и установка своими руками

При подключении учитывайте направленность теплоносителя, вверху корпуса должен присутствовать указатель в виде стрелки.
Устанавливается клапан в вертикальном, или горизонтальном направлении, место его расположения значения не имеет:
- В многоэтажных домах, рабочая жидкость подается на кран через нагревательный элемент, далее – в насос, в отопительную систему. На входе обозначается “А”, на выходе — “АБ”.
- Далее, подача охлажденной воды поступает в котел на арматурный узел на входе “Б”. Чтобы давление в котлах было стабильным, и поддерживалась определенная температура, учитываются индивидуальные особенности котла, установка устройства в конкретном случае может отличаться.
- Узлы монтируются в зависимости от вариаций соединений их с другими частями трубопровода. Обычно монтируется клапан с резьбовым соединением.
Пошаговое руководство по монтажу:
- При установке, важно не допустить ошибок, можно повредить трубопровод, либо установить температурный режим с резкими перепадами. На заводском изделии должны быть обозначены стрелки, по которым можно определить направление движущегося потока и установить устройство самостоятельно.
- При сварке нельзя допускать перегрева крана.
- Место установки должно быть легкодоступным.
- При установке крана в теплоноситель с примесями дополнительно потребуются фильтры.
- Определитесь с местом подсоединения клапана в зависимости от направления потока теплоносителя.
- Установите вертикально, либо горизонтально клапан.
- Установите рычаг под углом в радиусе от 90 до 180 гр.
Клапан служит для смешивания холодных и горячих потоков, препятствует вхождению холодного потока на трубопровод, иначе образуется конденсат, система деформируется, на стыках появляются трещины, или полностью приходит в негодность.
Благодаря смесительному крану, жидкость на входе в котел будет не менее 50 гр., что устраняет резкие перепады температуры, холодная вода не оказывает на трубы своего негативного воздействия.
Задача смесительного крана — препятствовать попаданию теплоносителя в трубопровод с высокой температурой. Средний диапазон -75 — 85 градусов.
Правила эксплуатации и цена

- Периодически проверяется стабильная работа и производительность крана.
- Эксплуатация устройства осуществляется на основании инструкции.
- При покупке, важно обращать внимание на технические характеристики, тип конструкции.
- Согласно схеме обвязки, между расширительным баком и отопительной системой не должна присутствовать запорная арматура.
- Чтобы котел соответствовал технике безопасности, в нем должен быть аварийный кран для сброса давления в случае превышения его нормы.
- Группа безопасности может не сработать, котел – взорваться, трубы – расплавиться при установке системы на обратке.
- Система безопасности ставится на подаче горячей воды на выходе, только такая установка котла будет считаться правильной и безопасной. Кран считает простой запорной арматурой, но важным элементом при монтаже коммуникаций.
На цену влияют сопутствующие свойства клапана и изготовитель. Клапан фирмы “Есбе”15 мм в диаметре с пропускной способностью до 3 метров в кубе можно приобрести за 45 — 50$. Клапан от фирмы “Honeywell” обойдется в 90 -100$, клапан и производителя “Danfoss” – до 130$.
Благодаря современным моделям, их область применения существенно расширилась, устанавливают в котлах отопления, смесительных узлах, укладке теплых полов, напольном отоплении. Конструкция простая, но имеет высокие эксплуатационные показатели.
По сути, устройство напоминает привычный смеситель для смешивания горячей и холодной воды. Установив его, можно достичь нужной температуры при смешивании вод с разными температурными показателями, получить горячий поток за счет динамического перенаправления устройства, перенаправить поток вод при необходимости.
househill.ru
Зачем нужен термостатический клапан для твердотопливных котлов

- Содержимое:
- Для чего нужен трёхходовой клапан для котла
- Как работает трехходовой термоклапан для ТТ котла
- Как выбрать трехходовой клапан к котлу
- Какой марки термосмесительный клапан поставить
- Как и в какое место устанавливается клапан
Закипание теплоносителя, вследствие перегрева, является распространенной проблемой эксплуатации котлов, работающих на твердом топливе. Для подержания необходимой температуры, подключения сразу нескольких контуров к отопительному оборудованию, используется термостатический клапан для твердотопливных котлов.
Для чего нужен трёхходовой клапан для твердотопливного котла
В котлах, работающих на твердом топливе, достаточно сложно добиться стабильной температуры нагрева теплоносителя. Еще сложнее, обеспечить постоянные параметры на подаче и обратке водяного контура.
Назначением трехходового клапана в системе отопления с твердотопливным котлом, является:
- Предотвратить аварийные ситуации и выход из строя котла, по причине большой разницы температуры водяного потока на подаче и обратке системы отопления. Особенно чувствительны к перепадам нагрева, чугунные теплообменники.
- Обеспечить стабильные параметры нагрева, при одновременном подключении нескольких водяных контуров. При подключении теплых полов, трехходовой клапан входит в обязательную схему обвязки. Если требуется одновременно отопить несколько отдельно стоящих зданий, также применяют регулирующую арматуру данного типа.
Заменить трехходовой клапан в системе отопления можно, установив два двухходовых устройства. При этом, обязательным условием является работа арматуры на реверсе. При открытии одного клапана, должен закрываться второй и т.д.
Как работает трехходовой термоклапан для ТТ котла
Температурный предохранительный клапан для котлов на твердом топливе, имеет несколько предназначений. Тип выбранного устройства влияет на место установки и принцип работы.
Принято классифицировать два вида регулирующей арматуры, в зависимости от принципа действия клапана:
- Распределительный трёхходовой термостатический клапан для твердотопливного котла, служит для разделения потока циркулирующей жидкости для двух отопительных контуров, работающих при одинаковой температуре нагрева. Арматура имеет один вход и два выхода, и работает, в зависимости от конструкции, при постоянном или переменном давлении в системе отопления.
- Трехходовой смесительный клапан для твердотопливного котла нужен при одновременном подключении теплых полов, с максимальным пределом температуры 55°С (оптимальный показатель 45°С) и радиаторной системы, работающей при 80-90°С. Поток, идущий к теплым полам, разбавляется холодной водой, что позволяет уменьшить интенсивность нагрева. Устройство трехходового клапана имеет два входа (для подключения горячей и холодной воды) и один выход.

Принцип действия клапана напоминает обычный тройник, только со сложным внутренним устройством. Теплоноситель проходит внутри корпуса от входного до выходного патрубка, пока его температура не достигнет установленного пользователем значения. После этого, поток частично перекрывается штоком. Одновременно открывается второй входной патрубок, подключенный к холодной воде, разбавляющей теплоноситель.
Варианты использования термостатического смесительного защитного клапана перегрева в обвязке, зависят от схемы отопления. Но, в основном, устройство устанавливают:
- На подачу или обратку в теплые полы.
- На подающий трубопровод, идущий от котла.
Монтаж выполняют по стрелкам и обозначениям, указанным на корпусе клапана. В инструкции подробно описаны разные схемы обвязки.
Как выбрать трехходовой клапан к котлу
Чтобы подобрать клапан, потребуется учесть несколько важных характеристик, связанных как с работой самого котла, так и регулирующей арматуры. На выбор влияют следующие параметры:
- Рабочие параметры теплоносителя – указаны в технической документации, прилагаемой к котлам. Как правило, температура обратки составляет 45-50°С.
- Пропускная способность.
- Тип привода – энергонезависимый трехходовой смесительный клапан, имеет механический регулятор. Обеспечивает стабильную температуру теплоносителя, независимо от интенсивности нагрева помещения. Трехходовой термостатический смесительный клапан для твердотопливного котла, идет в комплекте с шаровым накладным датчиком, реагирующим исключительно на температуру поступающего теплоносителя. Используется в бытовых условиях.
Устройства с электронным управлением, позволяют устанавливать параметры нагрева по комнатам. Такие трехходовые термостатические смесительные клапаны для твердотопливных котлов с выносным датчиком, подключаются к сервоприводу, комнатным термостатам.
Электронный клапан чувствителен к изменениям температуры в жилых помещениях. Установка устройства с сервоприводом, подключенного к термодатчику, экономит от 10-25% затрат на отопление.
Какой марки термосмесительный клапан поставить на ТТ котел
Запорную и регулирующую арматуру изготавливают несколько зарубежных и отечественных производителей. С помощью отзывов потребителей, были выбраны наиболее популярные модели клапанов. Постоянным спросом пользуется продукция следующих производителей:
ESBE – шведская компания, поставляющая запорную и регулирующую арматуру, практически по всему миру. Главный акцент, компания делает на энергосберегающих технологиях и автоматизации управления.
Потребителю предлагается модельный ряд термосмесительных и распределительных клапанов, с встроенными и выносными датчиками, и возможностью подключения к сервоприводу. Продукция ESBE отличается высоким качеством, надежностью и экономичностью.
Watts – компания из США, владеющая тремя крупными подразделениями. Запорная и регулирующая арматура, изготавливается в Германии и полностью соответствует требованиям, действующим в странах ЕС.
Особенностью продукции является выпуск отдельной серии клапанов, предназначенных для подключения к теплым полам и радиаторам. Потребителю, под маркой Watts, предлагают все необходимые для монтажа комплектующие и устройства, включая термодатчики, сервоприводы и т.п.
Caleffi – итальянская компания, известная тем, что выпускает регулирующую и запорную арматуру, для таких концернов как Viessmann, Buderus, Vaillant, Grundfos. Особый акцент, компания делает на производстве клапанов и водораспределительных узлов для теплых полов. В ассортименте продукции предлагается смесительный узел в полной комплектации.
Компания изготавливает оборудование, предназначенное для бытовых и промышленных объектов. Термостатические клапаны Caleffi, разработаны с учетом особенностей работы твердотопливных котлов.
Valtec – совместная, итало-российская компания, которая была создана в 2002 г, с целью изготовления запорной и регулирующей арматуры для систем отопления, и водоснабжения. Продукция пользуется популярностью, за счет оптимального соотношения стоимости и качества предлагаемого сантехнического оборудования.
На все термосмесительные клапана, действует заводская гарантия 10 лет. Риски покрывает обязательное страхование всего выпускаемого оборудования. Продукция Valtec, предлагается отечественному потребителю по самой доступной среди аналогов стоимости.
Herz – один из старейших производителей сантехнической арматуры в Европе. Австрийская компания осуществляет свою деятельность еще с 1896 г. Собственностью Herz является несколько запатентованных инноваций, повлиявших на экономичность, внешний вид и длительность эксплуатации устройств.
Компания делает акцент на энергосберегающих технологиях. Дополнительным «бонусом» является красивый внешний вид регулирующей арматуры, выпускаемой под маркой DE LUXE.
Danfoss – компания, которая была создана как небольшой семейный бизнес, в Дании, в 1933 г. На данный момент, штат сотрудников компании включает более 24 тыс. человек. Продукция поставляется более чем в 100 стран мира.
Продукция Danfoss, предназначена для бытовых и промышленных систем отопления. В ассортименте представлены термостатические клапаны с механической и электронной настройкой. Потребителю предлагают сервоприводы и термодатчики.
Systemair – норвежская компания, созданная в 1974 г, активы которой, постоянно увеличиваются. В 2000 годах, продукция концерна стала доступна отечественному потребителю. Производственные цеха, изготавливающие продукцию для России, расположены в Литве, Турции, а с 2011 г в РФ, что позволило снизить себестоимость изделий.
Вся сантехническая арматура Systemair, проходит обязательную сертификацию. Осуществляется постоянный контроль качества.
Barberi – итальянская компания, изготавливающая простые регулирующие устройства с высокой степенью надежности. Особой популярностью пользуются смесительные узлы с встроенными термочувствительными элементами.
Механические термосмесительные клапана Barberi, предназначены для открытых и закрытых систем отопления. Серия L-comfort, разработана для подключения к теплым полам.


Как и в какое место устанавливается термостатический клапан ТТ котла
Чтобы правильно подключить трехходовой термоклапан защиты от перегрева к твердотопливному котлу, требуется определить цель, для которой будет использоваться регулирующая арматура:
- Защита котла – правильная установка распределительного клапана осуществляется на подачу теплоносителя, незакрывающимся отверстием в сторону котла. Смесительный узел устанавливается исключительно на обратку. Сразу после включения котла, теплоноситель циркулирует по малому кругу системы отопления, после нагревания, клапан начинает пропускать жидкость в водяной контур.
- Регулирование температуры в контурах отопления – гидравлическая обвязка предусматривает установку коллектора между котлом и клапаном. Смесительный узел, в данном случае, устанавливается исключительно на подачу. Схема подключения с трехходовым термосмесительным клапаном, подразумевает установку циркуляционного насоса после регулирующего узла. Распределительный пропускной клапан ставится на обратку.
Для облегчения монтажа, схема движения теплоносителя с трехходовым термосмесительным или распределительным клапаном, указана на корпусе арматуры, стрелочками или буквенными обозначениями. Устанавливать узел можно исключительно по указанному направлению.
Термостатический клапан является необходимым устройством обвязки твердотопливного котельного оборудования. Установка клапана требуется и при одновременном подключении нескольких контуров отопления с разными температурными характеристиками.
avtonomnoeteplo.ru
Как правильно подобрать трехходовой клапан для твердотопливного котла – Stroim24.info
В современных отопительных системах трехходовой клапан для твердотопливного котла служит средством регулирования теплоносителя, но не его расхода, а температуры. Ведь лучший способ экономии — это подача в радиаторы отопления воды, подогретой до оптимальной температуры. Перегрев и закипание теплоносителя — одна из наиболее актуальных проблем оборудования, работающих на твердом топливе.

Принцип работы и типы приводов клапана
Конструктивно клапаны трехходовые являются своеобразным объединением пары действующих пошагово двухходовых клапанов. Основное различие заключается в том, что клапан трехходовой не прекращает течение воды, а позволяет выполнять регулирование интенсивности подачи потока с целью достижения требующихся температурных показателей.
Исходя из различий внутренней конструкции, трехходовые приборы разделяются на два вида:
- с системой регулирования «шток-седло»;
- с системой «шарик-гнездо».
Клапаны вида «шток-седло» являются смесительными устройствами, расположение штока регулируется его переводом вверх или вниз. Управление перемещением штока обычно осуществляется электромеханическим приводом, что позволяет добиться максимальной автоматизации работы и регулирования системы.
Принцип работы трехходового клапанаУстройства типа «шарик-гнездо» используются в качестве разделительных клапанов, расположение шарика меняется посредством его вращения. Конструкции такой модификации, по сути, считаются запорной арматурой, но в применяющихся в быту отопительных системах краны могут выполнять функцию устройств с секторным запором, то есть смешивать холодную и нагретую воду.
Принцип действия
Клапан для твердотопливных котлов трехходового типа изготавливается различных конфигураций с разнотипными приводами, но назначение и принцип действия изделия остается неизменным: смешение двух потоков с различной температурой в общий поток с заданной потребителем значением температуры.
Жидкость в клапане перемещается от первого патрубка ко второму, пока ее температура не увеличится и не дойдет до требуемой величины. Затем привод понемногу впускает воду из третьего сектора, поддерживая температуру выходящей воды в требуемом диапазоне. Весь процесс выполняется в три шага, потому и кран получил название «трехходовой».
Виды приводов
Трехходовой смесительный клапан в любом исполнении состоит из пары патрубков входа и одного выхода. Теплоноситель распределяется приводом одного из следующих типов:
- гидравлического;
- ручного;
- электромеханического;
- пневматического.
Приводы электромеханические производятся таких видов:
- термостатическим;
- головчатым.
Термостатическая головкаВ термостатическом приводе, чаще всего использующемся в бытовых системах, по причине воздействия температуры происходит расширение чувствительного элемента, надавливающего на шток клапана и открывающего его — так происходит смешение холодного и нагретого потоков воды. Термостатическая головка оснащается датчиком температуры выносного типа, устанавливающимся дополнительно вместо термостата.
Обратите внимание! Регулировка потока посредством термостатического привода, не использующая электроэнергию, является наиболее популярным способом, в первую очередь — из-за точности и простоты.
В моделях с электроприводом сигнал для смешения потоков подается с управляющего блока. Наиболее востребованный тип привода, являющийся, к тому же, и самым точным.
Сервоприводные клапаны по своей сути, считаются видоизмененным и упрощенным вариантом идентичных конструкций с контроллерами с одним существенным изменением — управление клапаном осуществляется напрямую.
В смесительном клапане с головчатым приводом трехходовой кран управляется нажимом головки на шток. Такой способ управления применяется при монтаже напольной обогревательной системы.
Ручной привод работает посредством вращения установленного на вентиль специального колпачка.
Критерии выбора
Подбор трехходового смесительного клапана выполняется с учетом ряда важнейших параметров, связанных и с работой регулирующей арматуры, и с функционированием самого твердотопливного котла.
На выбор влияют такие параметры:
- материал изготовления;
- потребление теплоносителя;
- модификация привода;
- применяемая схема обвязки;
- рабочие характеристики.
Виды трехходовых смесительных клапановМатериал изготовления
Материал, из которого изготовлен клапан, в значительной степени влияет на его технические и эксплуатационные характеристики.
Какой материал предпочесть? Лучше, если устройство изготовлено из меди или чугуна. Но следует учесть, что медные клапаны достаточно дорогие.
Расход и температура
Проектную температуру теплоносителя и его расход можно проверить в документации на отопительные системы. Если проекта нет, эти параметры обратного трубопровода берутся из техпаспорта на котел. Температура обычно составляет 45-50° С.
Расход теплоносителя требуется для выбора устройства по его пропускной способности — объеме жидкости, который способен пропустить термосмесительный клапан за определенное время.
Тип привода и схема обвязки
Тип привода нужно подбирать с учетом того, чтобы ему соответствовала конкретная схема, в соответствии с которой устраивается обвязка.
Обвязка по упрощенной схеме работает следующим образом. Трехходовой термостатический смесительный клапан подает жидкость с третьего патрубка на первый. Теплоноситель начинает нагреваться после прогрева воды в котле. При доведении теплоносителя до требуемой температуры, из второго патрубка проходит поток не нагретой воды, выполняется обмен: холодная вода из бака с тепловым аккумулятором удаляется, а нагретая — поступает.
Наглядная схема подключения клапанаОбвязка усложняется установкой на кране контроллера. Для реализации такой схемы требуются двухконтурные и двухприводные смесители. Один из контуров ставится в непосредственной близости от источника тепла и является термостатическим. Управление вторым приводом (электрическим) осуществляется посредством контроллера, подающим сигналы с датчика. Термостатический клапан при этом поддерживает нужную температуру теплоносителя. Обвязка с электроприводом может быть реализована и в первичном контуре, если под общим контроллером в котельной функционируют более двух нагревательных установок.
Обратите внимание! Самый важный момент при покупке клапана — подбор оптимально подходящего привода. Цена приводов с управлением вручную гораздо ниже, но и функциональность их оставляет желать лучшего. Цены на электрические модели существенно выше, они быстрее выходят из строя, но многофункциональность их всегда привлекает покупателей.
Рабочие параметры
Еще одним важнейшим критерием выбора трехходового клапана являются пределы выставляемых температур. Это касается устройств с термостатическим приводом, применяющихся как в обвязках котлов, так и в системах горячего водоснабжения, полах с водяным подогревом. Обычно максимальная температура составляет 90°С, но до такого значения ее не доводят даже при самых экстремальных отрицательных температурах.
На температурный диапазон при покупке необходимо обязательно обращать внимание. В зависимости от назначения, выпускаются краны с различными диапазонами регулировки температур, к примеру, 20-43° С или 35-60°С. В приведенном примере для твердотопливных котлов лучше подойдет второй вариант.
Рабочие параметры смесительного клапанаБольшую роль играют наружные и внутренние диаметры присоединения к системе. Для работающих на твердом топливе котлов значение этих показателей напрямую зависит от пропускной способности клапана и составляет 20-40 мм. Если требуемый диаметр устройства найти не получается, то можно приобрести подходящий переходник.
Желательно выбирать клапан, к которому возможно подключить сервопривод, что позволит ему работать в авторежиме — такая функция хорошо зарекомендовала себя при устройстве водяного теплого пола.
Правила эксплуатации
Эксплуатация твердотопливных котлов с трехходовым клапаном должна проходить при неукоснительном соблюдении определенных требований и правил, позволяющих продлить срок службы оборудования и обеспечить безопасность его работы.
Правила следующие:
- периодически должен проводиться внешний осмотр, при котором необходимо проверить стабильность работы всей системы;
- использование устройства не по прямому назначению, оговоренному в инструкции, не допускается;
- выбор и приобретение оборудования должны производиться в строгом соответствии с основными техническими параметрами и типом котла;
- между системой отопления и расширительным бачком не допускается установка любой запорной арматуры;
- котел должен соответствовать всем действующим правилам безопасности, для чего в систему отопления дополнительно встраивается кран аварийного сброса, предназначенный для экстренного понижения давления в системе;
- не допускается устройство отопительной системы на обратке, так как это может привести к несрабатыванию аварийного отключения, взрыву котла, выходу из строя труб;
- система безопасности должна быть установлена на выходе из котла подающей горячую воду в трубы, для чего в качестве запорной арматуры может быть установлен обыкновенный шаровой кран.
Трехходовой клапан подходит для всех типов котлов, использующихся в отопительных системах. Устройство повышает эффективность использования теплоносителя, благодаря чему существенно снижается потребность в топливе. Кроме того, простое, на первый взгляд, устройство, служит также и элементом, обеспечивающим безопасную работу твердотопливных котлов и увеличивающим срок их службы.
Статья в тему: Принцип работы трехходового клапан.
Видео по теме:
Поделитесь с друзьями в соц.сетях
Google+
Telegram
Vkontakte
Рекомендуем ознакомиться
stroim24.info
Трехходовой клапан для твердотопливного котла — как выбрать
В современных отопительных системах трехходовой клапан для твердотопливного котла служит средством регулирования теплоносителя, но не его расхода, а температуры. Ведь лучший способ экономии — это подача в радиаторы отопления воды, подогретой до оптимальной температуры. Перегрев и закипание теплоносителя — одна из наиболее актуальных проблем оборудования, работающих на твердом топливе.

Принцип работы и типы приводов клапана
Конструктивно клапаны трехходовые являются своеобразным объединением пары действующих пошагово двухходовых клапанов. Основное различие заключается в том, что клапан трехходовой не прекращает течение воды, а позволяет выполнять регулирование интенсивности подачи потока с целью достижения требующихся температурных показателей.
Исходя из различий внутренней конструкции, трехходовые приборы разделяются на два вида:
- с системой регулирования «шток-седло»;
- с системой «шарик-гнездо».
Клапаны вида «шток-седло» являются смесительными устройствами, расположение штока регулируется его переводом вверх или вниз. Управление перемещением штока обычно осуществляется электромеханическим приводом, что позволяет добиться максимальной автоматизации работы и регулирования системы.
Принцип работы трехходового клапанаУстройства типа «шарик-гнездо» используются в качестве разделительных клапанов, расположение шарика меняется посредством его вращения. Конструкции такой модификации, по сути, считаются запорной арматурой, но в применяющихся в быту отопительных системах краны могут выполнять функцию устройств с секторным запором, то есть смешивать холодную и нагретую воду.
Принцип действия
Клапан для твердотопливных котлов трехходового типа изготавливается различных конфигураций с разнотипными приводами, но назначение и принцип действия изделия остается неизменным: смешение двух потоков с различной температурой в общий поток с заданной потребителем значением температуры.
Жидкость в клапане перемещается от первого патрубка ко второму, пока ее температура не увеличится и не дойдет до требуемой величины. Затем привод понемногу впускает воду из третьего сектора, поддерживая температуру выходящей воды в требуемом диапазоне. Весь процесс выполняется в три шага, потому и кран получил название «трехходовой».
Виды приводов
Трехходовой смесительный клапан в любом исполнении состоит из пары патрубков входа и одного выхода. Теплоноситель распределяется приводом одного из следующих типов:
- гидравлического;
- ручного;
- электромеханического;
- пневматического.
Приводы электромеханические производятся таких видов:
- термостатическим;
- головчатым.
Термостатическая головкаВ термостатическом приводе, чаще всего использующемся в бытовых системах, по причине воздействия температуры происходит расширение чувствительного элемента, надавливающего на шток клапана и открывающего его — так происходит смешение холодного и нагретого потоков воды. Термостатическая головка оснащается датчиком температуры выносного типа, устанавливающимся дополнительно вместо термостата.
Обратите внимание! Регулировка потока посредством термостатического привода, не использующая электроэнергию, является наиболее популярным способом, в первую очередь — из-за точности и простоты.
В моделях с электроприводом сигнал для смешения потоков подается с управляющего блока. Наиболее востребованный тип привода, являющийся, к тому же, и самым точным.
Сервоприводные клапаны по своей сути, считаются видоизмененным и упрощенным вариантом идентичных конструкций с контроллерами с одним существенным изменением — управление клапаном осуществляется напрямую.
В смесительном клапане с головчатым приводом трехходовой кран управляется нажимом головки на шток. Такой способ управления применяется при монтаже напольной обогревательной системы.
Ручной привод работает посредством вращения установленного на вентиль специального колпачка.
Критерии выбора
Подбор трехходового смесительного клапана выполняется с учетом ряда важнейших параметров, связанных и с работой регулирующей арматуры, и с функционированием самого твердотопливного котла.
На выбор влияют такие параметры:
- материал изготовления;
- потребление теплоносителя;
- модификация привода;
- применяемая схема обвязки;
- рабочие характеристики.
Виды трехходовых смесительных клапановМатериал изготовления
Материал, из которого изготовлен клапан, в значительной степени влияет на его технические и эксплуатационные характеристики.
Какой материал предпочесть? Лучше, если устройство изготовлено из меди или чугуна. Но следует учесть, что медные клапаны достаточно дорогие.
Расход и температура
Проектную температуру теплоносителя и его расход можно проверить в документации на отопительные системы. Если проекта нет, эти параметры обратного трубопровода берутся из техпаспорта на котел. Температура обычно составляет 45-50° С.
Расход теплоносителя требуется для выбора устройства по его пропускной способности — объеме жидкости, который способен пропустить термосмесительный клапан за определенное время.
Тип привода и схема обвязки
Тип привода нужно подбирать с учетом того, чтобы ему соответствовала конкретная схема, в соответствии с которой устраивается обвязка.
Обвязка по упрощенной схеме работает следующим образом. Трехходовой термостатический смесительный клапан подает жидкость с третьего патрубка на первый. Теплоноситель начинает нагреваться после прогрева воды в котле. При доведении теплоносителя до требуемой температуры, из второго патрубка проходит поток не нагретой воды, выполняется обмен: холодная вода из бака с тепловым аккумулятором удаляется, а нагретая — поступает.
Наглядная схема подключения клапанаОбвязка усложняется установкой на кране контроллера. Для реализации такой схемы требуются двухконтурные и двухприводные смесители. Один из контуров ставится в непосредственной близости от источника тепла и является термостатическим. Управление вторым приводом (электрическим) осуществляется посредством контроллера, подающим сигналы с датчика. Термостатический клапан при этом поддерживает нужную температуру теплоносителя. Обвязка с электроприводом может быть реализована и в первичном контуре, если под общим контроллером в котельной функционируют более двух нагревательных установок.
Обратите внимание! Самый важный момент при покупке клапана — подбор оптимально подходящего привода. Цена приводов с управлением вручную гораздо ниже, но и функциональность их оставляет желать лучшего. Цены на электрические модели существенно выше, они быстрее выходят из строя, но многофункциональность их всегда привлекает покупателей.
Рабочие параметры
Еще одним важнейшим критерием выбора трехходового клапана являются пределы выставляемых температур. Это касается устройств с термостатическим приводом, применяющихся как в обвязках котлов, так и в системах горячего водоснабжения, полах с водяным подогревом. Обычно максимальная температура составляет 90°С, но до такого значения ее не доводят даже при самых экстремальных отрицательных температурах.
На температурный диапазон при покупке необходимо обязательно обращать внимание. В зависимости от назначения, выпускаются краны с различными диапазонами регулировки температур, к примеру, 20-43° С или 35-60°С. В приведенном примере для твердотопливных котлов лучше подойдет второй вариант.
Рабочие параметры смесительного клапанаБольшую роль играют наружные и внутренние диаметры присоединения к системе. Для работающих на твердом топливе котлов значение этих показателей напрямую зависит от пропускной способности клапана и составляет 20-40 мм. Если требуемый диаметр устройства найти не получается, то можно приобрести подходящий переходник.
Желательно выбирать клапан, к которому возможно подключить сервопривод, что позволит ему работать в авторежиме — такая функция хорошо зарекомендовала себя при устройстве водяного теплого пола.
Правила эксплуатации
Эксплуатация твердотопливных котлов с трехходовым клапаном должна проходить при неукоснительном соблюдении определенных требований и правил, позволяющих продлить срок службы оборудования и обеспечить безопасность его работы.
Правила следующие:
- периодически должен проводиться внешний осмотр, при котором необходимо проверить стабильность работы всей системы;
- использование устройства не по прямому назначению, оговоренному в инструкции, не допускается;
- выбор и приобретение оборудования должны производиться в строгом соответствии с основными техническими параметрами и типом котла;
- между системой отопления и расширительным бачком не допускается установка любой запорной арматуры;
- котел должен соответствовать всем действующим правилам безопасности, для чего в систему отопления дополнительно встраивается кран аварийного сброса, предназначенный для экстренного понижения давления в системе;
- не допускается устройство отопительной системы на обратке, так как это может привести к несрабатыванию аварийного отключения, взрыву котла, выходу из строя труб;
- система безопасности должна быть установлена на выходе из котла подающей горячую воду в трубы, для чего в качестве запорной арматуры может быть установлен обыкновенный шаровой кран.
Трехходовой клапан подходит для всех типов котлов, использующихся в отопительных системах. Устройство повышает эффективность использования теплоносителя, благодаря чему существенно снижается потребность в топливе. Кроме того, простое, на первый взгляд, устройство, служит также и элементом, обеспечивающим безопасную работу твердотопливных котлов и увеличивающим срок их службы.
Статья в тему: Принцип работы трехходового клапан.
Видео по теме:
profiteplo.com
Способы применения термостатических клапанов для твердотопливных котлов
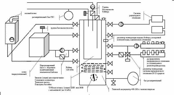
Любая система отопления (СО) с твердотопливным (ТТ) котлом – это довольно сложный и не всегда понятный механизм, в конструкцию которого входит масса узлов и деталей. Одним из главнейших компонентов грамотной отопительной системы является термостатический клапан для твердотопливного котла, которому отведена роль регулятора температуры теплоносителя. О видах, конструкции и назначении данных приборов и пойдет речь в этой публикации.
Типы клапанов, их конструктивные особенности и назначение
Оптимальной температуры теплоносителя можно добиться смешиванием потоков с разной температурой.
Чтобы понять принцип действия термосмесительного клапана для твердотопливного котла следует внимательно рассмотреть его конструкцию.
Данное устройство представляет собой обычный тройник, в корпус которого установлен механизм запирания протоков на одном подпружиненном штоке. При перемещении, шток передвигает запорный механизм, в результате чего открывается проход для одного потока воды и одновременно закрывается для другого. Предел срабатывания настраивается термоголовкой, главным исполнительным механизмом которой является термодатчик.
Датчик и термоголовка объединены между собой капиллярной трубкой, по которой происходит перемещение специального термочувствительного состава. При нагреве, жидкость (внутри датчика) расширяется и перемещается в резервуар (сильфон), который находится внутри термостатической головки. В результате такого перемещения сильфон начинает давить на шток, тот, в свою очередь, воздействует на запорный механизм, приоткрывая один и частично перекрывая другой проход.
Кроме этого, в современных СО возникает необходимость разделять один поток теплоносителя на два. Эту функцию взяли на себя разделительные трехходовые термостатические клапаны для твердотопливных котлов.
Принцип действия данного устройства схож со смесительным, с единственной разницей в положении запорного механизма. При нажатии на шток, поток не смешивается, а разделяется. Управляет положением штока внешний электропривод. Более подробно о работе этих устройств можно узнать, посмотрев видео:
к оглавлению ↑Способы управления
Кроме термостатической головки, существует еще два варианта управления устройством.
- Механический. Ход штока определяется поворотом ручки регулятора.
- Электрический. Положением клапана управляет электропривод.
На электрическом варианте нужно остановиться более подробно. Термостатический смесительный клапан для твердотопливных котлов данного вида имеет поворотную конструкцию, которой наглядно показана на схеме ниже.
Совет! Основными недостатками всех теплотехнических приборов с электроприводом являются энергозависимость и довольно высокая стоимость. Существует и упрощенный вариант данного устройства, в которых отсутствует такое звено, как контроллер: механизм управляется напрямую термодатчиком. Средняя стоимость бюджетных моделей с электроприводом составляет 7-10у.е.
к оглавлению ↑Применение в системе отопления
Установка трехходового термостатического смесительного клапана для твердотопливных котлов производится в следующих случаях:
Чтобы защитить теплообменник ТТ котлоагрегата от появления конденсата. В таком случае схема включения устройства выглядит так, как показано на рисунке.

При запуске котла, еще не прогретый теплоноситель циркулирует по «малому контуру». Трехходовой клапан не позволяет поступлению холодной воды из системы в теплообменник котельной установки. После нагрева теплоносителя (из малого контура) до установленной температуры прибор будет приоткрываться и постепенно подмешивать теплоноситель из системы. При выходе системы отопления «в режим», малый контур перекрывается, а весь объем теплоносителя пускается на отопительные приборы.
- Для быстрого нагрева теплоносителя в буферном баке. Схема включения устройства выглядит следующим образом.

Для того чтобы в короткий промежуток времени поднять температуру в буферной емкости нужно подать в нее поток с высокой температурой, которая не нужна в СО. Термосмесительный клапан служит для понижения температура воды, идущей от бака на радиаторы. Устанавливается данный прибор а отопительный контур (после емкости).
Чаще всего, термостатические механизмы регулирования применяются в многоконтурных системах отопления, для регулировки температуры теплоносителя на каждого отдельного потребителя. Пример схемы отопления можно видеть на рисунке ниже.
Важно! Данные устройства достаточно востребованы в отопительных системах с твердотопливными котлами, так как являются точными энергонезависимыми механизмами контроля и регулирования температуры теплоносителя. Элеваторные системы выполняют схожую функцию, но имеют гораздо более низкую эффективность.
ventilationpro.ru
виды, термостатический смесительный клапан для котла, термосмесительный клапан, подключение
Главная страница » Публикации » Трехходовой клапан для твердотопливного котла: виды, термостатический смесительный клапан для котла, термосмесительный клапан, подключение
В современных системах обогрева помещений, работающих на твёрдом топливе, есть возможность установки трёхходового клапана для твердотопливного котла, который помогает регулировать режим температуры теплоносителя, идущего к батареям. Это актуально ещё и в связи с тем, что в системах, которые работают на твёрдом топливе, существует такая проблема, как резкие перегревы и закипание жидкости, выполняющей роль теплоносителя. Не всегда есть возможность проконтролировать этот процесс, поэтому установка такого оборудования ещё и выполняет роль системы безопасности.

Как работает клапан и для чего он нужен
Стремление к экономии энергоресурсов приводит к созданию всё новых видов оборудования, которое позволяет решать эту задачу. По своей конструкции трёхходовые клапаны объединяют в себе пару двухходовых устройств. Однако они не перекрывают течение теплоносителя, а выполняют функцию регулировки интенсивности водного потока для достижения нужного температурного режима.
Важно. Трехходовой клапан дает возможность, не меняя площадь радиаторов, обеспечивать помещение необходимым количеством тепла, исключительно в границах мощностных характеристик отопительной системы.

У трехходового клапана бывают внешне различные конфигурации и разные типы приводов, но задача одна: смешать два потока воды разной температуры в один поток с установленным температурным уровнем. Жидкость при этом будет перемещаться от одного патрубка к другому, пока температура не дойдёт до необходимой величины. После этого привод будет поэтапно впускать теплоноситель из третьего патрубка для поддержания температуры требуемого температурного уровня. Поэтому и называют его «трёхходовой клапан», так как все действия происходят в три шага.
Главное назначение трехходового смесительного клапана для котла — стабильное поддержание в помещении комфортного теплового баланса. При этом такая задача решается не путём уменьшения температуры теплоносителя, а путём изменения количества жидкости. Это особенно актуально в случаях, когда температуру теплоносителя другим путём понизить невозможно. Несмотря на то, что устройство выполняет такую сложную задачу, по своей конструкции оно достаточно простое.
Конструктивные отличия устройства
По конструктивным отличиям трёхходовые клапаны делятся на следующие виды:
- Смесительный клапан с регулированием штока вверх и вниз («шток-седло»). Шток перемещается с помощью электромеханического привода. По сути, здесь речь идёт о предельной автоматизации работы и регулировки системы. Смесительный клапан предназначен для соединения водных потоков и терморегуляции. Для входящих потоков, у которых различная температура, предусмотрено два входа, и один выход. Эти клапаны часто применяют и при монтаже тёплых полов, чтобы не допустить перегрев системы.
- Второй вид — это разделительный клапан, работающий по системе «шарик-гнездо». Местоположение шарика изменяется благодаря его вращению. Этот клапан используют, если теплоноситель требуется подавать сразу в несколько направлений. По сути, он представляет собой смеситель, формирующий водный поток необходимой температуры. Устройство обладает хорошей износостойкостью, так как предназначено выдерживать резкие перепады температур жидкости. Классифицируют его в качестве запорной арматуры. В домовладениях, где воду расходуют в небольшом объёме, он может применяться и как обычный смеситель.

По форме клапан похож на обычный тройник. Однако функциональные возможности у него совершенно иные. Клапан трехходовой используют и в качестве смесителя, а так же распределителя воздуха или горячей воды.
Какие виды трехходовых клапанов используются
Термостатический смесительный клапан для котла оснащён двумя патрубками для входа и одним для выхода. Типы приводов, посредством которых распределяется жидкость, бывают следующими:
- пневматическими;
- гидравлическими;
- ручными;
- электромеханическими.

Электромеханические, в свою очередь, бывают следующих видов:
- термостатические;
- головчатые.
Термостатический тип приводов обычно используют в быту. Под воздействием высокой температуры чувствительный элемент расширяется, давит на шток устройства и открывает его. Таким образом смешиваются холодная и прогретая жидкости. Термостатическая головка оснащена температурным выносным датчиком, который устанавливают вместо термостата.

Важно. Наиболее удобным, простым и точным способом регулировки потока теплоносителя считается термостатический привод, который не использует электроэнергию.
Устройства с электроприводом принимают сигналы для смешивания жидкости с управляющего блока. Клапаны с сервоприводами — это упрощённые варианты моделей с контролёрами, где управление клапаном происходит напрямую.
Если привод у трехходового термосмесительного клапана для котла головчатый, то кран управляется посредством нажима головки на шток. Этот тип с успехом применяют в напольных системах отопления. Ручной привод приводится в действие путём вращения колпачка, который поставлен на вентиль.
Важно. Если приобрести трехходовой термостатический клапан для котла, к которому можно подключить сервопривод, то авторежим особенно пригодится при системе водяного тёплого пола.
Как выбирать термостатический смесительный клапан
Термостатический смесительный клапан для твердотопливных котлов следует подбирать по параметрам, которые имеют отношение как регулирующей арматуре, так и к характеристикам конкретного отопительного котла:
- По материалу изготовления. Это чрезвычайно важный критерий выбора, влияющий на технические и эксплуатационные характеристики устройства. Лучшим считается медный или чугунный клапан.
- По объёму потребления теплоносителя. Этот показатель можно узнать из техпаспорта к котлу или из проектной документации к отопительной системе. Расход теплоносителя следует обязательно знать, чтобы соотнести его с пропускной возможностью клапана.
- Трехходовой термостатический клапан для твердотопливного котла выбирают, исходя из модификации привода и схемы обвязки. В упрощённом варианте схема следующая: клапан подаёт теплоноситель с третьего патрубка на первый. Как только жидкость в котле нагреется до необходимой температуры, из второго патрубка выйдет поток не прогретого теплоносителя. По сути, произойдёт обмен, когда холодная жидкость из бака теплового аккумулятора сменяется на горячую. Если на кране стоит контролёр, то обвязка более сложная. Здесь понадобится двухконтурный и двухприводный смесители. Первый (термостатический) ставят рядом с источником тепла. Второй привод электрический и управляется контролёром, подающим сигналы от датчика. Термостатический клапан для твердотопливных котлов держит заданную температуру воды. Важно. Выбор привода это чрезвычайно важная составляющая при приобретении термосмесительного клапана для твердотопливного котла. Ручные гораздо дешевле, более надёжные, но менее функциональны, электрические ломаются быстрее и стоят значительно дороже, но задачу решают кардинально.
- Важнейшим рабочим параметром трехходового смесительного клапана для твердотопливного котла является предельно допустимая температура теплоносителя. Она должна быть от 35 до 60 градусов. Если речь идёт о клапанах для горячего водоснажбения или о полах с водяным подогревом, там требования к устройствам с термостатическим приводом иные, так как температура доходит до 90 градусов.
- При приобретении клапана нужно учитывать размеры внутреннего и наружного диаметров для подсоединения к отопительной системе. В том случае, когда не удаётся найти нужный размер, можно использовать для решения проблемы обычный переходник.
Требования к эксплуатации
При подключении трехходового клапана к котлу, который работает на твёрдом топливе, нужно строго соблюдать правила эксплуатации системы:
- Периодически проводить тщательный осмотр системы, чтобы убедиться в его стабильной работе.
- Не допускать применения оборудования не по его назначению.
- Всё оборудование для отопительной системы должно соответствовать техническим возможностям отопительного котла.
- Нельзя устанавливать запорную арматуру между расширительным баком и системой отопления.
- Чтобы котёл соответствовал правилам по безопасному использованию, отопительная система оснащается краном аварийного сброса, который экстренно срабатывает, когда необходимо понизить давление в отопительной системе.
- Для простоты монтажа, направление движения теплоносителя с трехходовым термосмесительным либо распределительным клапаном, изображено на корпусе устройства стрелками либо буквами. Ставить устройство в отопительную систему следует только по указанным направлениям. Несоблюдение этого правила может стать причиной поломке всей системы и даже взрыву котла.
Монтаж трёхходового термостатического смесительного клапана для твердотопливного котла делают и в случае одновременного подключения нескольких контуров отопления с различными температурными показателями.

Все перечисленные требования необходимо неукоснительно соблюдать, чтобы увеличить срок службы всего оборудования отопительной системы и обеспечить безопасную и эффективную работу.
kirpich174.ru
